• 2025年第48卷第3期文章目次
    全 选
    显示方式: |
    • >电气工程
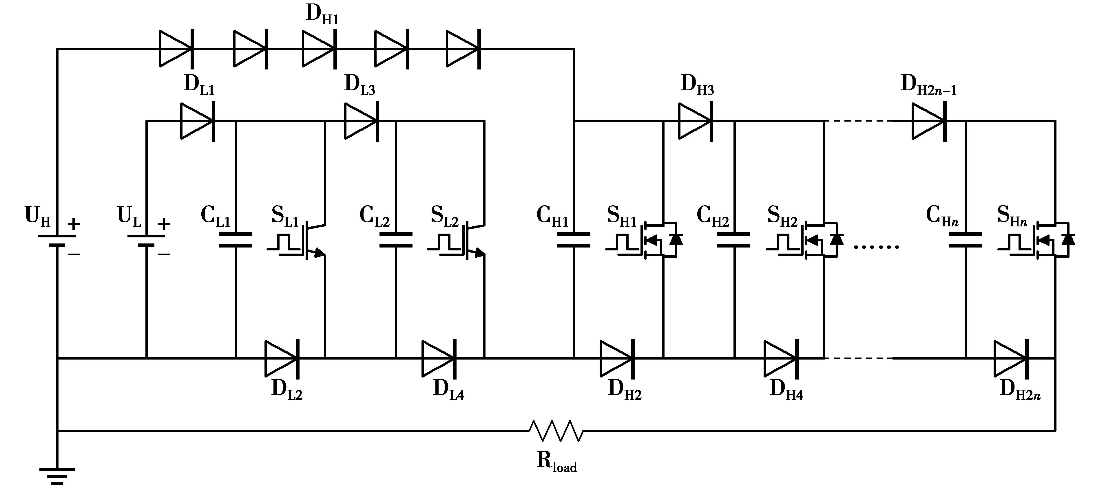
    • 全固态协同脉冲发生器的设计与研制

      2025, 48(3):1-13. DOI: 10.11835/j.issn.1000-582X.2024.213

      摘要 (521) HTML (524) PDF 2.96 M (777) 评论 (0) 收藏

      摘要:不可逆电穿孔肿瘤治疗技术已经在临床应用中取得了较为显著的疗效。最近研究表明,采用高压纳秒脉冲协同低压微秒脉冲可以显著提高消融疗效。文中提出了一种新型的协同脉冲发生器拓扑结构,主要包括2个分别由IGBT和MOSFET作为主开关的Marx电路。通过开关的控制可灵活输出由高压纳秒脉冲和低压微秒脉冲组成的协同脉冲序列,并对其工作原理、电路仿真及原型样机进行了研究。最终采用半导体开关研制了一款参数灵活可调的全固态协同脉冲发生器,并在100 Ω电阻负载上对其进行了性能测试,纳秒脉冲参数为电压幅值0~5 kV、脉宽0.2~1 μs;微秒脉冲参数为电压幅值0~5 kV、脉宽10~100 μs,能够满足协同脉冲消融肿瘤的实验需求。

      • 0+1
      • 1+1
      • 2+1
      • 3+1
      • 4+1
      • 5+1
      • 6+1
      • 7+1
      • 8+1
      • 9+1
      • 10+1
      • 11+1
      • 12+1
      • 13+1
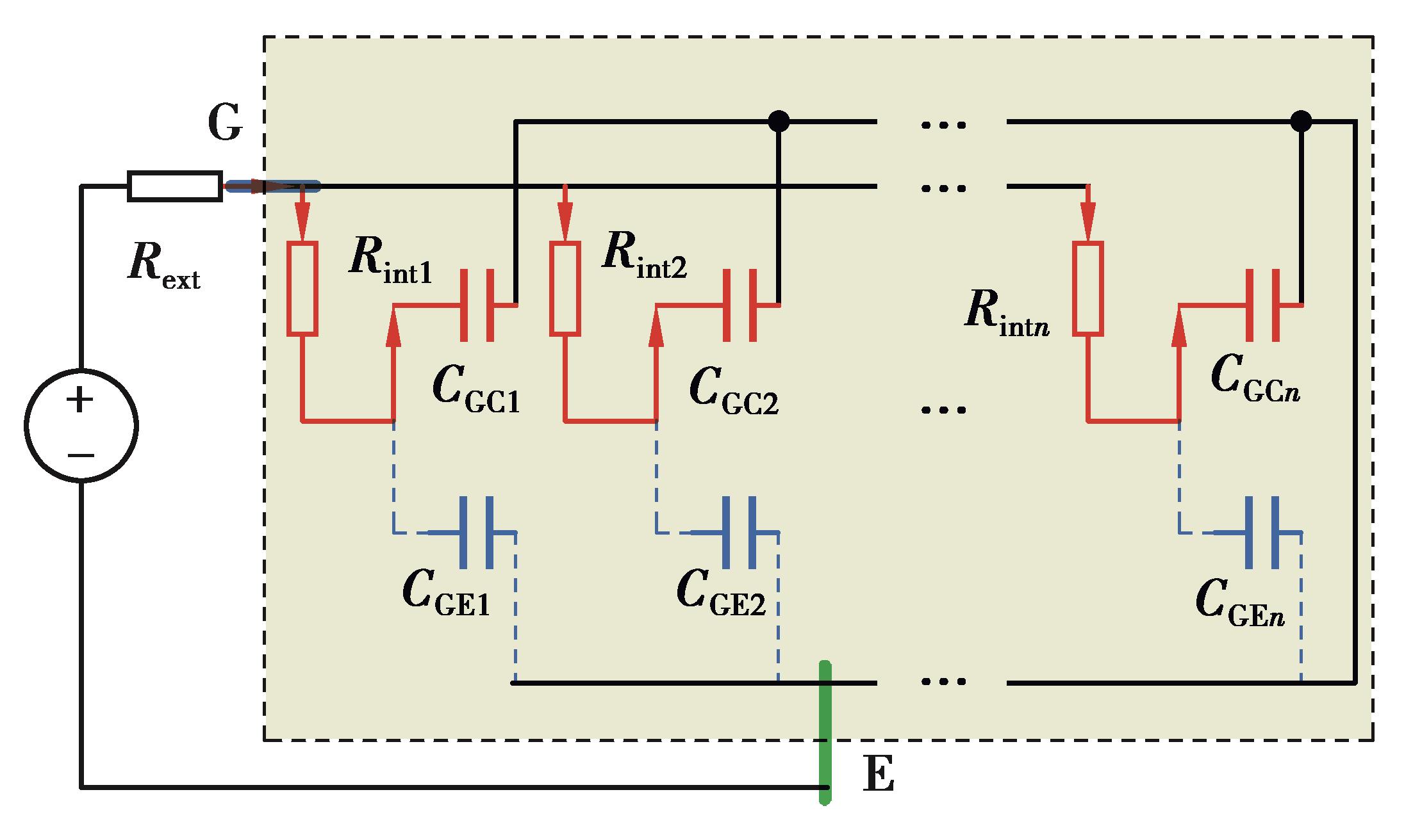
    • 基于开通延时变化的多芯片IGBT模块部分芯片失效监测方法

      2025, 48(3):14-26. DOI: 10.11835/j.issn.1000-582X.2023.227

      摘要 (331) HTML (86) PDF 2.91 M (1025) 评论 (0) 收藏

      摘要:多芯片绝缘栅极双极型晶体管(insulated gate bipolar transistor,IGBT)模块被广泛应用于大功率变换器中,对其进行状态监测可以有效提高电力设备可靠性。文中提出了一种基于开通延时变化的多芯片IGBT模块部分芯片故障检测方法,分析了芯片失效对开通过程的影响,指出了芯片失效与开通延时的关系,基于开通延时与失效芯片数的映射关系提出了对应的故障监测方法,并通过实验验证了方法的有效性。实验结果表明:文中所提方法可用于多芯片模块的健康状态监测,对提高变流器的运行可靠性具有重要意义。

      • 0+1
      • 1+1
      • 2+1
      • 3+1
      • 4+1
      • 5+1
      • 6+1
      • 7+1
      • 8+1
      • 9+1
      • 10+1
      • 11+1
      • 12+1
    • 低压配网日理论线损率的概率分析方法

      2025, 48(3):27-37. DOI: 10.11835/j.issn.1000-582X.2025.03.003

      摘要 (304) HTML (203) PDF 1.89 M (630) 评论 (0) 收藏

      摘要:针对低压配网确定性日理论线损率计算难以支撑其波动范围的量化考核问题,提出一种低压配网日理论线损率的概率分析方法。首先,考虑低压配网三相四线接线实际,假设已知配变低压侧三相电压、分布式电源出力、负荷三相有功功率及无功功率的随机模型并进行模拟。考虑源荷相关性,采用等概率变换原则与秩相关结合的拉丁超立方技术抽样。基于蒙特卡洛模拟法,采用考虑三相不平衡的注入电流牛顿法计算潮流结果及日线损率的概率分布,为低压配网降损提供决策依据。最后,以实际低压配网衡山花园的实测数据证明该方法的有效性。

      • 0+1
      • 1+1
      • 2+1
      • 3+1
      • 4+1
      • 5+1
      • 6+1
      • 7+1
      • 8+1
      • 9+1
    • 面向智能电网的数据聚合隐私保护方案

      2025, 48(3):38-49. DOI: 10.11835/j.issn.1000-582X.2023.219

      摘要 (653) HTML (214) PDF 1.31 M (600) 评论 (0) 收藏

      摘要:数据聚合是智能电网通信中的一项关键技术,能够以高效节能的方式收集用户用电数据。随着智能电表的大规模部署,这引发了诸多用户隐私方面的担忧,例如对个人生活习惯的监测。提出了一种高效且保护隐私的数据聚合方案(efficient and privacy-preserving data aggregation,EPPDA)。首先,提出基于区块链的智能电网4层架构支持电力数据聚合。在架构的采集层中,改进了基础的Boneh-Goh-Nissim加密系统,使其更适合于电网隐私保护场景。在架构的平台层,利用区块链的防篡改特性对聚合数据进行有效的存储及查询。性能分析结果表明:提出的EPPDA可以满足智能电网系统的几种隐私特性。实验数据表明:EPPDA在保证数据隐私和安全的条件下降低了计算与通信成本,提高了整个方案的效率。

      • 0+1
      • 1+1
      • 2+1
      • 3+1
      • 4+1
    • 架空输电线路导线的应用现状及发展趋势

      2025, 48(3):50-65. DOI: 10.11835/j.issn.1000-582X.2025.03.005

      摘要 (664) HTML (981) PDF 2.21 M (883) 评论 (0) 收藏

      摘要:架空输电线路是电力系统中典型的电能传输途径和载体,对“西电东送”和“双碳”国家战略的落地起到关键支撑作用。导线作为架空输电线路中的重要组成部分,其性能优劣直接决定了架空输电线路电力传输能力的强弱。为满足电能高质量输送和野外复杂环境的需要,架空导线线路导线在材料组成和结构设计方面进行了不断的革新和优化。针对国内外架空输电线路导线的类型、运行参数及应用情况等进行了总结,对不同类型导线的技术短板与瓶颈问题进行了分析。进一步针对架空导线的国内外标准进行了归纳和对比,并参照国内输电线路工程实际分析了不同类型架空输电线路导线的使用情况,最后,针对目前架空输电线路导线的使用现状和瓶颈问题进行了总结,并提出架空输电线路导线未来的技术发展方向及趋势。

      • 0+1
      • 1+1
      • 2+1
      • 3+1
      • 4+1
      • 5+1
      • 6+1
      • 7+1
      • 8+1
    • >土木工程
    • --力耦合作用下裂隙砂岩渗流和破坏特性研究

      2025, 48(3):66-80. DOI: 10.11835/j.issn.1000-582X.2025.03.006

      摘要 (408) HTML (290) PDF 5.55 M (919) 评论 (0) 收藏

      摘要:研究热-水-力耦合作用下粗糙裂隙岩体渗流和破坏特性对探究水热型高地温隧道施工期温度场分布具有重要意义。通过室内热-水-力耦合三轴加荷试验和多物理场耦合数值模拟,分析不同初始岩温(25、50、75 ℃)和裂隙粗糙度(JRC)影响下砂岩的破坏模式及渗流传热特征。结果表明,1)在热-水-力耦合作用下,完整和裂隙砂岩的应力-应变曲线变化规律和破坏模式基本相同,应力-应变曲线经历初始压密阶段、弹性变形阶段、裂纹稳定扩展阶段、裂纹迅速扩展阶段以及峰后应力5个阶段,且渗透率-应变曲线变化规律与应力-应变曲线规律相呼应。2)预制裂隙的存在使砂岩的峰值强度降低了约7%,峰后应力阶段随JRC值的增加而减小,岩样由延性破坏转变为脆性破坏,而破裂面角度随JRC值的增加而增加,且粗糙裂隙试样从正弦曲线极值点产生剪切破坏。3)裂隙试样的渗透率在加载初期先降低到最小值,经历2阶段增长后渗透率达到最大值,前增长阶段主要渗流路径为岩石基质及预制裂隙,后增长阶段预制裂隙及衍生的细-宏观裂纹进一步拓宽了渗流通道,后阶段渗透率增速是前阶段的3倍。4)在此温况下,温度升高对渗透率初始值和最小值影响显著,对试样强度特性影响较小。

      • 0+1
      • 1+1
      • 2+1
      • 3+1
      • 4+1
      • 5+1
      • 6+1
      • 7+1
      • 8+1
      • 9+1
      • 10+1
      • 11+1
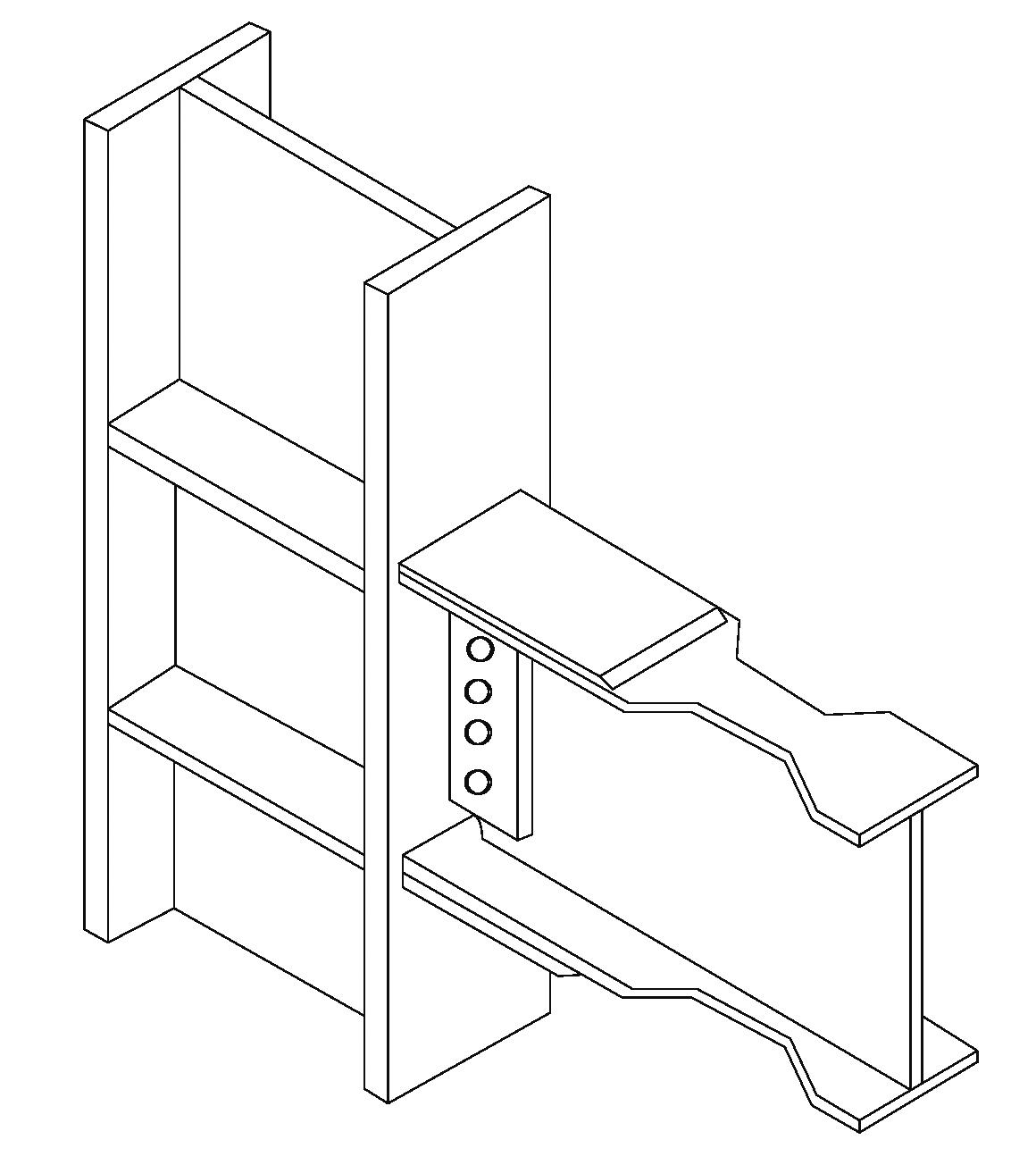
    • Q960高强钢锥形削弱梁柱节点滞回性能及恢复力模型

      2025, 48(3):81-93. DOI: 10.11835/j.issn.1000-582X.2025.03.007

      摘要 (282) HTML (241) PDF 3.31 M (770) 评论 (0) 收藏

      摘要:为研究某新型高性能抗震结构钢的抗震性能,对3种不同连接构造的高强钢梁柱节点开展拟静力作用下的滞回试验。结果表明,“锥形削弱”节点的延性发挥较为充分且耗能能力较高,“复合型”连接构造可有效提升节点的抗震性能。以试验数据为基础,建立了考虑刚度退化的三线性恢复力模型,采用试验特征点拟合骨架曲线,并用指数函数微分方程求解滞回曲线表达式。结果表明,所建模型的重构解析误差控制在10%以内,可有效表征节点的滞回响应。

      • 0+1
      • 1+1
      • 2+1
      • 3+1
      • 4+1
      • 5+1
      • 6+1
      • 7+1
      • 8+1
      • 9+1
      • 10+1
      • 11+1
      • 12+1
      • 13+1
      • 14+1
    • 考虑黏结滑移影响的叠合梁-现浇柱子结构承载性能多参数分析

      2025, 48(3):94-106. DOI: 10.11835/j.issn.1000-582X.2025.03.008

      摘要 (282) HTML (208) PDF 3.53 M (599) 评论 (0) 收藏

      摘要:利用ABAQUS接口User Element(UEL)子程序,建立了分离式自计算单元长度的界面黏结单元BS1,该单元能按指定的黏结滑移关系工作。基于简化的Eligehausen黏结滑移本构,对叠合梁-现浇柱子结构试验开展了数值模拟,结果与试验吻合良好。同时,验证了单元自计算长度的准确性,对比时间效率提高了25%。基于上述验证,建立30个叠合梁-现浇柱子结构模型,采用叠合梁现浇层厚度、T型翼缘板宽度、力作用方向等参数进行分析。结果表明,采用90°弯钩锚固和锚固板锚固的2种子结构,承载性能相差不大,延性相差约12%,宜优先选择90°弯钩锚固形式;承载力分析表明我国规范中对于叠合梁的T型翼缘板的宽度规定较国外规范更加可靠;地震作用下,力作用方向的改变,子结构前后承载力相差12%,变形能力相差55%,这种差异值得深入讨论。研究结果为考虑黏结滑移的装配式混凝土结构的数值分析提供了可靠参考。

      • 0+1
      • 1+1
      • 2+1
      • 3+1
      • 4+1
      • 5+1
      • 6+1
      • 7+1
      • 8+1
      • 9+1
      • 10+1
      • 11+1
      • 12+1
      • 13+1
    • 复合式路面非线性损伤疲劳裂缝演化机理研究

      2025, 48(3):107-120. DOI: 10.11835/j.issn.1000-582X.2025.03.009

      摘要 (333) HTML (198) PDF 3.22 M (390) 评论 (0) 收藏

      摘要:现有复合式路面裂缝扩展机理研究重材料轻结构、模拟方法多样,但精确度不高、路面结构难以充分反映实际工况等问题,对非线性损伤复合式路面疲劳裂缝扩展行为展开深入研究。采用损伤力学理论、剩余强度理论、加速加载试验、Python算法等研究手段,完成水泥混凝土板接缝传荷力学行为模拟,编写分布载荷子程序+用户材料子程序+自定义损伤起始准则子程序+扩展有限元主程序用以实现循环荷载作用下复合式路面疲劳损伤-断裂全过程模拟,得到反射裂缝扩展速率、路面内部材料累积损伤及剩余强度、路表弯沉值4个指标在循环荷载作用下的退化规律。结果表明,随着荷载作用次数的增加,疲劳损伤的累积速度逐渐增加,剩余强度逐渐减小;损伤累积的速度与剩余强度降低的程度相关。100 kN、160 kN、220 kN轴载作用下裂缝扩展阶段的寿命分别占路面全寿命周期的43.94%、35.34%、28.82%;40 km/h、60 km/h、100 km/h速度作用下裂缝扩展阶段的寿命分别占路面全寿命周期的46.83%、43.94%、43.13%;超载对路面稳定性影响更大。

      • 0+1
      • 1+1
      • 2+1
      • 3+1
      • 4+1
      • 5+1
      • 6+1
      • 7+1
      • 8+1
      • 9+1
      • 10+1
      • 11+1
      • 12+1
      • 13+1
      • 14+1
      • 15+1
      • 16+1
    • 多塔斜拉桥主跨交叉索设置方式研究

      2025, 48(3):121-132. DOI: 10.11835/j.issn.1000-582X.2021.068

      摘要 (285) HTML (135) PDF 2.53 M (633) 评论 (0) 收藏

      摘要:为了提高多塔斜拉桥的结构刚度,提出了一种新型的主跨交叉索布置方式。通过分析交叉索对中塔的约束刚度公式,研究了约束刚度最大时,交叉索的设置位置,提出了主跨交叉索的非对称布置方式。建立三塔、四塔斜拉桥有限元模型,考虑拉索的垂度效应及结构大位移效应,分析了交叉索非对称布置对塔、梁变形及桥塔受力的影响。结果表明,当多塔斜拉桥的高跨比位于0.2~0.3之间,主跨交叉索距中塔的距离为0.7~0.76倍的跨长时,对中塔的约束刚度最大;在均布荷载作用下,与对称布置相比,三塔、四塔斜拉桥采用交叉索非对称布置时,中塔的塔顶水平位移分别减小10.8%、11.9%,加载跨的最大下挠减小3.3%、0.2%,主梁的一阶竖弯频率增大3.5%、6.4%,中塔的塔底弯矩减小14.1%、8.1%。非对称布置可明显提高交叉索对中塔的约束,增大结构刚度、改善中塔受力。

      • 0+1
      • 1+1
      • 2+1
      • 3+1
      • 4+1
      • 5+1
      • 6+1
      • 7+1
      • 8+1
      • 9+1
      • 10+1
      • 11+1
      • 12+1
      • 13+1
      • 14+1
      • 15+1
      • 16+1
      • 17+1

当期目录


年第卷第

文章目录

过刊浏览

年份

刊期

浏览排行

引用排行

下载排行