土木建筑与环境工程  2013, Vol. 35 Issue (2): 66-72   PDF    
玻璃幕墙传热系数计算方法及工程应用
雷克1, 吴杰1, 张其林1, 庞绍华2    
1. 同济大学 土木工程学院, 上海 200092;
2. 上海同磊土木工程技术公司 上海 200082
收稿日期:2012-06-30
基金项目:“十二五”科技支撑计划(2011BAJ08B10)
作者简介:雷克(1985-), 男, 博士生, 主要从事建筑钢结构与建筑节能研究, (E-mail)leike0307@163.com
吴杰(通信作者), 男, 副教授, 博士, 主要从事施工控制和数值研究, (E-mail)wj536@163.com
摘要:在研究玻璃幕墙热传递特点的基础上,基于一维稳态热传导理论,以中空玻璃为例建立了玻璃系统传热系数计算模型;基于二维稳态热传导理论和有限单元法,采用三节点三角形单元对二维温度场进行了离散,推导了单元热传导矩阵和温度载荷列阵,并推导了热对流、热流密度、辐射以及各种边界条件耦合作用下对单元热传导矩阵和温度载荷列阵的修正公式,建立了玻璃幕墙框及附加线传热系数计算模型。利用Visual C++和ObjectARX对AutoCAD进行了二次开发,研发了玻璃幕墙传热系数计算软件TJCW,并通过算例与LBNL系列软件计算结果进行比较,验证了所编软件的正确性和有效性。最后对某工程实例中玻璃幕墙传热系数进行了节能验算。研究结果表明:建立的传热系数计算模型能够正确的计算玻璃幕墙传热系数,基于该计算模型开发出的软件能够应用于实际工程的节能分析和计算中。
关键词建筑节能    玻璃幕墙    传热系数    有限单元法    稳态热传导    
Computation Method and for Thermal Transmittance of Glass Curtain-walls Appllcation
Lei Ke1, Wu Jie1, Zhang Qilin1, Pang Shaohua2    
1. College of Civil Engineering, Tongji University, Shanghai 200092, P. R. China;
2. Shanghai Tonglei Civil Engineering Technology Co., Ltd., Shanghai 200082, P. R. China
Received: 2012-06-30
Abstract: The heat conduction characteristic of glass curtain wall was investigated. Based on one-dimensional steady heat conduction theory, the numerical calculation model of glass system thermal transmittance was set up by using insulating glass as an example. Based on two-dimensional steady heat conduction theory and finite element method, both the thermal transfer matrix and temperature load array of 3-DOFs triangular element were derived. Then the revised formulas about the heat transfer matrix and temperature load array under the boundary conditions of constant heat flux, heat convective, radiation and coupled of them were also derived. Then the numerical calculation models of glass curtain wall frame and linear thermal transmittance were set up. The program TJCW based on the Visual C++ and ObjectARX was developed for calculating the thermal transmittance of glass curtain wall and was validated by contrast with the results calculated by thermal software LBNL. Finally, TJCW program was used to calculate and check the thermal transmittance of glass curtain wall in a practical project. The results indicate that the thermal transmittance of glass curtain wall can be calculated correctly by adopting the presented model, and the program based on this model can be used in energy conservation calculation and analysis in the actual projects.
Key Words: building energy conservation    glass curtain-walls    thermal transmittance    finite element method    steady heat conduction    

玻璃幕墙因其美观、大方、通透性好等特点在高层建筑中被大面积使用。北京、上海等地建成或在建的高层建筑中,有多座采用了玻璃幕墙作为外围护结构,如CCTV央视大楼、上海金茂大厦、上海中心大厦等。随着社会经济的发展,建筑能耗在中国社会总能耗中所占比例越来越大,预计到2020年将会达到35%[1],建筑节能变得至关重要。玻璃幕墙作为建筑的外围护结构,是建筑物热交换、热传导最活跃的部位,也是建筑节能的薄弱环节[2],其热工性能尤其是传热系数的大小直接影响建筑能耗。

玻璃幕墙构造复杂,所以其内部传热过程十分复杂。在中国,一般通过实验室测试或现场检测获得传热系数[3]。然而由于环境、人为因素等扰量过多,故一般较难获取准确的数据。数值模拟计算热传导具有不受时间、地点和环境的限制,且花费很小等优点,因此,采用数值计算的方法来准确分析和计算玻璃幕墙传热系数变的十分必要。欧盟、美国等针对玻璃幕墙传热系数计算的研究已经发展了数十年[4-9],并形成了相对健全的计算标准体系和计算软件,如美国劳伦斯伯克利国家实验室(LBNL)开发的THERM和WINDOW系列软件。目前其他国家关于玻璃幕墙热工性能计算标准体系主要有2个标准体系,ISO(EN)标准体系和美国NFRC标准体系[10]。ISO(EN)标准体系是包含了玻璃系统光学热工、框热工性能、门窗幕墙热工计算等方法的标准体系,其中ISO 10599[11]是其体系中的一部分。美国的NFRC标准体系依据ISO和美国相关标准编制了相应的门窗热工标准体系,包括NFRC100[12]和NFRC200[13]等计算标准。中国在参考国外相关标准的基础上,颁布了《建筑门窗玻璃幕墙热工计算规程》(JGJ/T 151-2008)[14],包括门窗、幕墙热工性能计算,玻璃光学计算和结露性能评价等,并规定了在幕墙传热系数计算时,首先应计算玻璃系统、幕墙框的传热系数和玻璃镶嵌部位的线传热系数,然后按照各部分面积加权平均的方法计算出玻璃幕墙整体传热系数。

本文在研究玻璃幕墙热传导理论的基础上,分别建立了玻璃系统和幕墙框、线传热系数计算模型。利用Visual C++和ObjectARX对AutoCAD进行了二次开发,研发了适用于中国规程的玻璃幕墙传热系数计算软件TJCW。研究结果表明:建立的传热系数计算模型能够正确的计算玻璃幕墙传热系数,基于该计算模型开发出的软件能够应用于实际工程的节能分析和计算中。

1 玻璃系统传热系数计算模型

以一维热传导理论为基础建立玻璃系统热系数的计算模型,并基于以下几点假设:

1) 固体材料的热属性不随温度变化而变化。

2) 忽略室内外环境的空气渗漏。

3) 忽略空腔中气体辐射的影响。

中空玻璃是目前在玻璃幕墙中应用比较广泛的玻璃系统,以双层中空玻璃为例,建立玻璃系统传热系数计算模型。双层中空玻璃由与室内接触的玻璃板1、空气间层和与室外接触的玻璃板2组成,如图 1所示。其热能的传递过程可以分为以下5部分,分别对该5个过程建立热能方程,如式(1)~(5)所示。

图 1 中空玻璃一维热传导计算模型

热能由室内通过热对流与热辐射传递给玻璃板1的内表面。

$ {q_1} = {h_{{\rm{in}}}}({T_{{\rm{in}}}}-{T_{11}}) + {\varepsilon _{{\rm{sin}}}}\sigma ({T_{{\rm{in}}}}^4-{T_{11}}^4) $ (1)

玻璃板1内表面通过热传导将热能传递给外表面。

$ {q_2} = \frac{{{\lambda _{{\rm{glass}}1}}}}{{{d_{{\rm{glass}}1}}}}({T_{11}}-{T_{12}}) $ (2)

玻璃板1外表面与玻璃板2内表面之间通过热辐射和气体层的热对流进行热传递。

$ {q_3} = ({h_{\rm{c}}} + {h_{\rm{r}}})({T_{12}}-{T_{21}}) $ (3)

玻璃板2内表面通过热传导将热量传递给外表面。

$ {q_4} = \frac{{{\lambda _{{\rm{glass}}2}}}}{{{d_{{\rm{glass}}2}}}}({T_{21}}-{T_{22}}) $ (4)

玻璃板2通过热对流与热辐射将热量传递给室外。

$ {q_5} = {h_{{\rm{out}}}}({T_{11}}-{T_{{\rm{out}}}}) + {\varepsilon _{{\rm{s}}\;{\rm{out}}}}\sigma ({T_{11}}^4-{T_{{\rm{out}}}}^4) $ (5)

式(1)~(5)中:hinhout分别为室内和室外的对流换热系数;εinεout分别为室内和室外环境平均发射率;ε11ε12ε21ε22分别为玻璃1和玻璃2的内外表面发射率;σ为斯蒂芬-波兹曼常数;hchr分别为气体层对流传热和辐射传热系数;T11T12T21T22分别为玻璃1和玻璃2的内表面和外表面温度;q为热流量,λ为玻璃板和空气间层的导热系数,d为玻璃板和空气间层的厚度。

当传热过程处于稳态时,根据能量守恒定律,上述5个部分的热流量必相等。由于各表面的温度值未知,计算时首先根据“温差等分”原则假设各表面的温度值,然后计算出5个传热过程的热流量,再用热流量的平均值反算出各个界面的温度值。通过多次迭代计算,直到结果收敛,便可求得各个表面的温度值和热流量,从而求出玻璃系统的传热系数。

2 幕墙框、线传热系数计算模型
2.1 热传导方程及单元热传导矩阵

幕墙框由型材、空腔和隔热胶条等材料构成。由于幕墙框截面形状及内部变温条件的复杂性,依靠传统的解析法很难获得传热系数精确解。因此,以二维稳态热传导理论和有限单元法为基础建立其传热系数计算模型,同时基于与玻璃系统传热系数计算模型相同的3点假设。

二维的稳态热传导微分方程为:[15]

$ \frac{\partial }{{\partial x}}\left( {{k_x}\frac{{\partial T}}{{\partial x}}} \right) + \frac{\partial }{{\partial y}}\left( {{k_y}\frac{{\partial T}}{{\partial y}}} \right) + {q_{\rm{v}}} = 0。$ (6)

边界条件为:

T=T(Γ1)  在Γ1边界上(温度边界条件)。

${k_x}\frac{{\partial T}}{{\partial x}}{n_x} + {k_y}\frac{{\partial T}}{{\partial y}}{n_y} = q({{\mathit\Gamma }_2})$  在Γ2边界上(热流密度边界条件)。

${k_x}\frac{{\partial T}}{{\partial x}}{n_x} + {k_y}\frac{{\partial T}}{{\partial y}}{n_y} = h({T_{\rm{f}}} -T)$  在Γ3边界上(对流边界条件)。

${k_x}\frac{{\partial T}}{{\partial x}}{n_x} + {k_y}\frac{{\partial T}}{{\partial y}}{n_y} = {q_{\rm{r}}}({\mathit\Gamma _4})$  在Γ4边界上(辐射边界条件)。

式(6)中:kxky是材料沿物体2个主方向(xy方向)的导热系数,W/(m·K);qv为内热源产生的热流密度,W/m2q(Γ2)和qr(Γ4)分别是在Γ2Γ4边界上的热流和辐射密度,W/m2h是对流传热系数,W/m2·K;Tf为外界流体温度,K。

采用三节点三角形单元对温度场进行离散,每个节点仅有一个温度自由度。利用加权余量的伽辽金法得到热传导微分方程和边界条件的等效积分式的矩阵形式,如式(7)。

$ \begin{array}{l} \sum\limits_{\rm{e}} {{\smallint _{{\mathit\Omega ^{\rm{e}}}}}} \left[{{k_x}{{\left( {\frac{{\partial N}}{{\partial x}}} \right)}^{\rm{T}}}\frac{{\partial N}}{{\partial x}} + {k_y}{{\left( {\frac{{\partial N}}{{\partial y}}} \right)}^{\rm{T}}}\frac{{\partial N}}{{\partial y}}} \right]{T^{\rm{e}}}{\rm{d}}\mathit\Omega {\rm{ }}\\ + \sum\limits_{\rm{e}} {{\smallint _{{{_{{\mathit\Gamma _3}}}^{\rm{e}}}}}} h{N^{\rm{T}}}N{T^{\rm{e}}}{\rm{d}}\mathit\Gamma -\sum\limits_{\rm{e}} {{\smallint _{{{_{{\mathit\Gamma _2}}}^{\rm{e}}}}}} {N^{\rm{T}}}q{\rm{d}}\mathit\Gamma -\sum\limits_{\rm{e}} {{\smallint _{{{_{{\mathit\Gamma _3}}}^{\rm{e}}}}}} {N^{\rm{T}}}h{T_{\rm{f}}}{\rm{d}}\mathit\Gamma {\rm{ }}\\ -\sum\limits_{\rm{e}} {{\smallint _{{{_{{\mathit\Gamma _4}}}^{\rm{e}}}}}} {N^{\rm{T}}}{q_{\rm{r}}}{\rm{d}}\mathit\Gamma - \sum\limits_{\rm{e}} {{\smallint _{{\mathit\Omega ^{\rm{e}}}}}} {N^{\rm{T}}}{q_{\rm{v}}}{\rm{d}}\mathit\Omega = 0 \end{array} $ (7)

二维稳态热传导的有限元求解格式可写为:

$ \left[K \right]\left\{ T \right\} = \left\{ P \right\} $ (8)

式(8)中:{T}为节点温度列阵;{P}为温度载荷列阵;[K]为热传导矩阵。三角形单元二维热传导矩阵[K]计算式如式(9),其中A为三角形单元面积,βδ分别为三角形单元节点的纵、横坐标差值。

$ \begin{array}{l} \left[K \right] = \frac{{{k_x}}}{{4A}}\left[{\begin{array}{*{20}{c}} {{\beta _i}^2}&{{\beta _i}{\beta _j}}&{{\beta _i}{\beta _k}}\\ {{\beta _j}{\beta _i}}&{{\beta _j}^2}&{{\beta _j}{\beta _k}}\\ {{\beta _k}{\beta _i}}&{{\beta _k}{\beta _j}}&{{\beta _k}^2} \end{array}} \right]\\ + \frac{{{k_y}}}{{4A}}\left[{\begin{array}{*{20}{c}} {{\delta _i}^2}&{{\delta _i}{\delta _j}}&{{\delta _i}{\delta _k}}\\ {{\delta _j}{\delta _i}}&{{\delta _j}^2}&{{\delta _j}{\delta _k}}\\ {{\delta _k}{\delta _i}}&{{\delta _k}{\delta _j}}&{{\delta _k}^2} \end{array}} \right] \end{array} $ (9)

根据不同的环境边界条件,需分别对热传导矩阵[K]和温度载荷列阵{P}进行修正。本文将推导对流、热流密度、辐射边界条件及多种边界条件耦合作用下对[K]和{P}修正的计算公式ΔKeΔPe

2.2 对流传热、热流密度边界

当幕墙框表面与环境进行对流传热时,传热系数为h,流体温度为Tf。对单元热传导矩阵和温度载荷列阵修正如式(10)和(11)所示,其中lijljklki分别表示三角形单元的各边长。

$ \begin{array}{l} \mathit\Delta \;{K_{ij}}^{\rm{e}} = \frac{{h{l_{ij}}}}{6}\left[{\begin{array}{*{20}{c}} 2&1&0\\ 1&2&0\\ 0&0&0 \end{array}} \right]\\ \mathit\Delta \;{K_{jk}}^{\rm{e}} = \frac{{h{l_{jk}}}}{6}\left[{\begin{array}{*{20}{c}} 0&0&0\\ 0&2&1\\ 0&1&2 \end{array}} \right]\\ \mathit\Delta \;{K_{ki}}^{\rm{e}} = \frac{{h{l_{ki}}}}{6}\left[{\begin{array}{*{20}{c}} 2&0&1\\ 0&0&0\\ 1&0&2 \end{array}} \right] \end{array} $ (10)
$ \begin{array}{l} \mathit\Delta \;{P_{ij}}^{\rm{e}} = \frac{{h{T_{\rm{f}}}{l_{ij}}}}{2}\left[{\begin{array}{*{20}{c}} 1\\ 1\\ 0 \end{array}} \right]\;\mathit\Delta \;{P_{jk}}^{\rm{e}} = \frac{{h{T_{\rm{f}}}{l_{jk}}}}{2}\left[{\begin{array}{*{20}{c}} 0\\ 1\\ 1 \end{array}} \right]\\ \mathit\Delta \;{P_{ki}}^{\rm{e}} = \frac{{h{T_{\rm{f}}}{l_{ki}}}}{2}\left[{\begin{array}{*{20}{c}} 1\\ 0\\ 1 \end{array}} \right] \end{array} $ (11)

当幕墙框表面与环境之间的热流密度q已知时,对[K]无修正,仅对{P}进行修正,修正如式(12)所示。

$ \begin{array}{l} {P_{ij}}^{\rm{e}} = \frac{{q{l_{ij}}}}{2}\left[{\begin{array}{*{20}{c}} 1\\ 1\\ 0 \end{array}} \right] {P_{jk}}^{\rm{e}} = \frac{{q{l_{jk}}}}{2}\left[{\begin{array}{*{20}{c}} 0\\ 1\\ 1 \end{array}} \right] {P_{ki}}^{\rm{e}} = \frac{{q{l_{ki}}}}{2}\left[{\begin{array}{*{20}{c}} 1\\ 0\\ 1 \end{array}} \right] \end{array} $ (12)
2.3 辐射传热边界

计算辐射传热时,所研究对象必须是包含所有参与辐射传热的表面在内的一个封闭腔[16]。封闭腔是由多个灰体表面组成的封闭系统。最简单的封闭腔就是两块无限接近的平行平板。当幕墙框表面与外界环境直接进行辐射传热,不考虑框表面自身辐射影响时,可看作2块无限接近的平行平板间的辐射传热,则辐射热流密度q为:

$ q = \frac{{v\cdot\sigma ({{T'}^4}-{T^4})}}{{1/\varepsilon ' + 1/\varepsilon-1}} $ (13)

式中:v为辐射角系数,通常为1;ε′ε分别为环境和单元材料的发射率;T′为环境辐射温度;T为单元参与辐射传热边的节点平均温度。

当幕墙框表面自身材料进行辐射传热或空腔内部辐射传热时,应看做由多个表面组成的封闭腔的辐射传热,需把由该表面向空间各个表面发出的辐射能与空间各个表面投入到该表面的辐射能包括进去[16]。假设封闭腔内有N个表面,各表面平均温度值分别为{ T1 T2TN},发射率分别为{ε1 ε2εN},则各表面的有效辐射组成列阵{J}、黑体辐射列阵{Q}和有效辐射角系数矩阵[F]分别如式(14)~(16)所示。

$ \left\{ J \right\} = {\left\{ {{J_1}\;{J_2}\; \cdots \;{J_N}} \right\}^{\rm{T}}} $ (14)
$ \left\{ Q \right\} = {\left\{ {{Q_1}\;{Q_2} \cdots \;{Q_N}} \right\}^{\rm{T}}} = {\left\{ {{\varepsilon _1}\sigma {T_1}^4\;{\varepsilon _2}\sigma {T_2}^4\; \cdots \;\;{\varepsilon _N}\sigma {T_N}^4} \right\}^{\rm{T}}} $ (15)
$ \left[F \right] = \left[{\begin{array}{*{20}{c}} 1&{\left( {{\varepsilon _1}-1} \right){F_{1, 2}}}&{\left( {{\varepsilon _1}-1} \right){F_{1, 3}}}& \cdots &{\left( {{\varepsilon _1}-1} \right){F_{1, N}}}\\ {({\varepsilon _2} - 1){F_{2, 1}}}&1&{({\varepsilon _2} - 1){F_{2, 3}}}& \cdots &{({\varepsilon _2} - 1){F_{2, N}}}\\ \vdots&\vdots &1& \cdots&\vdots \\ {({\varepsilon _N} - 1){F_{N, 1}}}&{({\varepsilon _N} - 1){F_{N, 2}}}&{({\varepsilon _N} - 1){F_{N, 3}}}& \cdots &1 \end{array}} \right] $ (16)

式(16)中Fi, j为表面i对表面j的辐射角系数,计算时首先采用“隐藏线”算法确定两个表面是否“可见”,然后根据“交叉线”算法[16]求得辐射角系数。求解方程组[F][J]=[Q],得到各表面的有效辐射J。各表面的净辐射的热流密度列阵为q,计算公式如式(17)。

$ \left\{ q \right\} = {\left\{ {\frac{{{\varepsilon _1}}}{{1-{\varepsilon _1}}}(\sigma {T_1}^4-{J_1})\;\;\;\frac{{{\varepsilon _2}}}{{1-{\varepsilon _2}}}(\sigma {T_2}^4 - {J_2})\;\; \cdots\;\; \frac{{{\varepsilon _N}}}{{1 - {\varepsilon _N}}}(\sigma {T_N}^4 - {J_N})} \right\}^{\rm{T}}} $ (17)

在计算辐射传热时,由于单元参与辐射换热边的平均温度未知,需要首先进行假设,然后更新节点温度,不断迭代直到收敛。为便于结果收敛,本文计算时将T4进行泰勒展开并取展开式的前两项,在迭代过程中采用二分法加快收敛。辐射传热边界对[K]无修正,对{P}的修正如式(12)所示。

2.4 对流、热流密度和辐射边界条件耦合

幕墙框表面与环境通过对流、热流密度及辐射等方式进行热传递。各种条件共同作用时,对[K]修正同式(10),对{P}修正分别如式(18)、(19)和(20)所示,其中h为对流换热系数,Tf为流体温度,q为热流密度,qr为辐射热流密度,lijljklki分别表示三角形单元的各边长。

$ {P_{ij}}^{\rm{e}} = \frac{{(q + {q_{\rm{r}}}){l_{ij}}}}{2}\left[{\begin{array}{*{20}{c}} 1\\ 1\\ 0 \end{array}} \right] + \frac{{h{T_{\rm{f}}}{l_{ij}}}}{2}\left[{\begin{array}{*{20}{c}} 1\\ 1\\ 0 \end{array}} \right] $ (18)
$ {P_{jk}}^{\rm{e}} = \frac{{(q + {q_r}){l_{jk}}}}{2}\left[{\begin{array}{*{20}{c}} 0\\ 1\\ 1 \end{array}} \right] + \frac{{h{T_{\rm{f}}}{l_{jk}}}}{2}\left[{\begin{array}{*{20}{c}} 0\\ 1\\ 1 \end{array}} \right] $ (19)
$ {P_{ki}}^{\rm{e}} = \frac{{(q + {q_{\rm{r}}}){l_{ki}}}}{2}\left[{\begin{array}{*{20}{c}} 1\\ 0\\ 1 \end{array}} \right] + \frac{{h{T_{\rm{f}}}{l_{ki}}}}{2}\left[{\begin{array}{*{20}{c}} 1\\ 0\\ 1 \end{array}} \right] $ (20)
3 复杂截面玻璃幕墙热传导计算的软件研发
3.1 软件开发

基于上文建立的玻璃幕墙传热系数计算模型,以AutoCAD为开发平台,运用ObjectARX和Visual C++等开发工具,研发了适用于中国规程[14]的玻璃幕墙传热系数计算的软件TJCW。建模方面可以很好的继承AutoCAD的强大功能,能直接选择材料填充“回”形区域。计算方面可实现各种环境边界条件下的玻璃系统传热系数计算,复杂截面玻璃幕墙温度场和传热系数计算等功能,后处理可实现绘制模型等温线、温度云图和热流矢量图等功能。图 2为软件有限元程序计算流程图及软件主界面。

图 2 软件有限元程序计算流程图及主界面图

3.2 软件对比验证

图 3为某玻璃幕墙截面尺寸图,单位为mm。模型中材料包括铝合金、浮法玻璃、聚氨酯密封胶、聚酰胺尼龙66%+25%玻璃纤维和硅酮结构胶,封闭空腔中所填充的气体为空气。材料的导热系数和表面发射率如表 1所示。

图 3 玻璃幕墙截面尺寸图

表 1 材料热工性能表

计算边界条件分为室内、室外和绝缘边界,其中上、下表面分别定义为室内和室外边界,两侧为绝缘边界。由于环境条件对温度场和传热系数影响较大,设置3种工况,每种工况的边界条件如表 2所示。分别计算每种工况下截面最大温度值和最小温度值,以及截面和玻璃系统的传热系数,并与LBNL开发的THERM和WINDOW系列软件计算结果进行对比,对比结果如表 3所示。从表 3中的数据可知,计算结果与LBNL系列软件计算结果相差在2%以内,表明开发出的软件较为合理。

表 2 各工况下的边界条件

表 3 对比验证结果

4 工程实例分析

采用所编制的软件对上海某公共建筑玻璃幕墙进行节能验算。该工程一楼大厅一侧采用单元式玻璃幕墙,该侧窗墙面积比为0.25。每个分格宽1 200 mm,高1 000 mm,幕墙整体尺寸如图 4所示。框型材为铝合金构造,立柱和横梁截面尺寸如图 5所示。玻璃系统采用(6+12A+6)mm的Low-E中空玻璃,室外为Low-E玻璃,室内为普通透明玻璃。计算边界条件为规程[14]中规定的冬季标准计算条件,室内空气温度和平均辐射温度均为20℃,室外空气温度和平均辐射温度均为-20℃。室内和室外对流换热系数分别为3.6、16 W/(m2·K),太阳辐射照度为300 W/m2

图 4 玻璃幕墙整体尺寸图

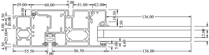
图 5 幕墙立柱和横梁截面图

按照图 5所示横梁和立柱尺寸图,建立计算模型,并填充材料。将立柱节点上表面设为室内边界,下表面设为室外边界。将横梁节点左表面设为室内边界,右表面设为室外边界,两侧设为绝缘边界。采用三角形单元对其进行网格划分,立柱和横梁截面分别有6 579个和4 864个单元,立柱节点网格划分如图 6所示。分别计算立柱节点和横梁节点的温度场分布,框传热系数和附加线传热系数以及玻璃系统的传热系数,计算结果如下。立柱节点温度场云图如图 7所示。

图 6 幕墙立柱截面单元划分

图 7 幕墙立柱截面温度场云图

立柱节点截面最高温度:10.99℃; 立柱节点截面最低温度:1.81℃

横梁节点见面最低温度:11.92℃; 横梁节点截面最高温度:-0.81℃

立柱节点传热系数:Uf=8.40 W/(m2·K);横梁节点传热系数:Uf=7.92 W/(m2·K)

立柱节点:ψ=0.567 W/(m2·K);横梁节点:ψ=0.071 W/(m2·K)

玻璃系统的传热系数:Ug=1.896 W/(m2·K)

由各部分传热系数计算结果可得,幕墙框传热系数比玻璃系统大,可见若要降低单幅玻璃幕墙传热系数,不但要采用节能性能好的玻璃系统,同时也应该提高幕墙框的保温隔热性能,降低其传热系数。由立柱截面温度场云图可知,在幕墙框空腔内部以及与玻璃系统接触的部位,温度梯度变化不大。玻璃系统内部温度梯度变化较大。

按各部分面积加权平均的方法计算整幅幕墙的传热系数为3.50,如式(19)所示。

$ {U_{{\rm{CW}}}} = \frac{{\sum {A_{\rm{g}}}{U_{\rm{g}}} + \sum {A_{\rm{f}}}{U_{\rm{f}}} + \sum {l_\psi }\psi }}{{{A_{\rm{t}}}}} = 3.50 $ (19)

参照《公共建筑节能设计标准》(GB 50189-2005)[17]中规定,上海属于夏热冬冷地区,当一侧窗墙面积比大于0.2且小于等于0.3时,传热系数应小于等于3.5。工程中所用幕墙传热系数为3.50,满足规程[17]中关于节能的要求。

5 结论

在研究玻璃幕墙热传递特点的基础上,基于稳态热传导理论和有限单元法,建立了玻璃幕墙传热系数的计算模型,研发了计算软件,并采用所编制软件对某工程实例中玻璃幕墙传热系数进行了节能验算,得出如下主要结论:

1) 基于一维稳态热传导理论,建立了玻璃系统传热系数计算模型;基于二维稳态热传导理论和有限单元法,建立了各种边界条件下玻璃幕墙框及附加线传热系数计算模型。经算例对比验证,计算结果与LBNL研发的热工软件计算结果基本一致,证明了所建立的计算模型具有一定的正确性。

2) 利用Visual C++和ObjectARX对AutoCAD进行了二次开发,研发了玻璃幕墙传热系数计算软件TJCW,可以应用在实际工程节能分析和计算中。

3) 相比其他国家热工软件,所编软件适应于中国规范,同时良好地继承了AutoCAD的强大功能,可直接选择材料填充模型区域,不需描绘底图,大大缩减了建模时间,为玻璃幕墙节能分析计算提供了方便快捷的工具,并将促进建筑节能事业的发展。

参考文献
[1] Hong T Z. A close look at the China design standard for energy efficiency of public buildings[J]. Energy and Buildings, 2009, 41(2): 426–435.
[2] 刘骁. 玻璃幕墙的节能与环保[J]. 建筑技术, 2009, 40(12): 1127–1129.
Liu X. Energy-saving and environmental protection of glass curtain wall[J]. Architecture Technology, 2009, 40(12): 1127–1129. DOI:10.3969/j.issn.1000-4726.2009.12.021 (in Chinese)
[3] 李雨桐, 卜增文, 刘俊跃, 等. 玻璃幕墙传热系数现场检测的研究[J]. 山东建筑工程学院学报, 2004, 19(12): 54–58.
Li Y T, Pu Z W, Liu J Y, et al. Research on field-testing method of heat transfer coefficient of glass curtain wall[J]. Journal of Shandong University of Architecture and Engineering, 2004, 19(12): 54–58. (in Chinese)
[4] Ismail K A R, Henrquez J R. U-values optical and thermal coefficients of composite glass systems[J]. Solar Energy Materials and Solar Cells, 1998, 52(1/2): 155–182.
[5] Larsson U, Moshfegh B, Sandberg M. Thermal analysis of super insulated windows numerical and experimental investigations[J]. Enery and Building, 1999, 29(2): 121–128. DOI:10.1016/S0378-7788(98)00041-3
[6] Ismail K A R, Henrquez J R. Two-dimensional model for the double glass naturally ventilated window[J]. International Journal of Heat and Mass Transfer, 2005, 48(3/4): 461–475.
[7] Fissore A, Fonseca N. Experimental study of the thermal balance of a window, design description[J]. Building and Environment, 2007, 42(9): 3309–3321. DOI:10.1016/j.buildenv.2006.08.023
[8] Seung Y S, June S Y, Bo K K. Insulation plan of aluminum curtain wall-fastening unit for high-rise residential complex[J]. Building and Environment, 2007, 42(7): 1310–1317.
[9] Sang T N, Kang S K, Jin S J. Simulation and mock-up tests of the thermal performance of curtain walls[J]. Energy and Buildings, 2008, 40(7): 1135–1144. DOI:10.1016/j.enbuild.2007.10.004
[10] 杨仕超. 中外建筑门窗幕墙热工计算标准体系[C]//第16届全国铝门窗幕墙行业年会论文集, 北京: 中国建筑工业出版社, 2010: 243-252.
[11] ISO 15099 Thermal performance of windows, doors and shading devices-detailed calculations[S].International Organization for Standardization, 2003.
[12] NFRC 100 Procedure for determining fenestration product U-factors[S].National Fenestration Rating Council, 2004.
[13] NFRC 200 Procedure for determining fenestration product solar heat gain coefficient and visible transmittance at normal incidence[S]. National Fenestration Rating Council, 2004.
[14] JGJ/T 151-2008建筑门窗玻璃幕墙热工计算规程[S]. 北京: 中国建筑工业出版社, 2008.
[15] 王勖成. 有限单元法[M]. 北京: 清华大学出版社, 2010.
[16] 杨世铭, 陶文铨. 传热学[M]. 北京: 高等教育出版社, 2010.
[17] GB 50189-2005公共建筑节能设计标准[S]. 北京: 中国建筑工业出版社, 2005.