土木建筑与环境工程  2014, Vol. 36 Issue (2): 131-136   PDF    
铜盐改性活性炭去除养殖场中的硫化氢
梁美生, 陈文杰, 郑海涛    
太原理工大学 环境科学与工程学院, 太原 030024
收稿日期:2012-12-11
基金项目:山西省科技攻关项目(20090311077)
作者简介:梁美生(1968-), 女, 教授, 主要从事气体净化及大气污染控制研究, (E-mail)liangms88888@163.com
摘要:养殖场恶臭气体带来的环境污染日益受到人们的重视,它的治理已成为亟待解决的问题。通过高温水热化学改性与硫酸铜溶液浸渍联合对活性炭进行改性,在自制的固定床吸附装置中,考察了改性活性炭在不同条件下吸附养殖场中硫化氢的效果。结果表明,低温对物理吸附有利,但是对化学吸附不利,温度升高化学吸附增强,但同时物理吸附减弱,在80 ℃时两种吸附达到最佳平衡状态;随着空速增加,气体流速也增大,H2S分子在固定床中的停留时间缩短,吸附容量也随之减小。进气浓度在150~850 mg/m3范围内,改性活性炭对H2S的吸附能力随着浓度增加逐渐降低且穿透时间也缩短。同时,通过BET、FTIR(傅里叶变换红外光谱分析)、TPD(程序升温脱附)和Boehm滴定酸碱官能团等方法对改性前后活性炭进行表征,认为活性炭孔隙结构、官能团种类及数量和表面酸碱性对活性炭吸附H2S的能力有重要影响。
关键词改性活性炭    硫化氢    吸附性能    养殖场臭气    
Removal of H2S Derived from Livestock Farm on Activated Carbon Modified by Copper Sulfate
Liang Meisheng, Chen Wenjie, Zheng Haitao    
College of Environmental Science and Engineering, Taiyuan University of Technology, Taiyuan 030024, P. R. China
Received: 2012-12-11
Abstract: At present, the malodorous gases as a main environmental problem derived from livestock farm have been taken seriously. Meanwhile, it is urgent to eliminate the odor pollution. The combination of high-pressure hydrothermal method and impregnation CuSO4 method is used to modify the raw activated carbon. The adsorption performance of H2S derived from livestock farm on modified activated carbon (MAC) has been investigated at different conditions in self-made fixed bed. The results show that, lower temperature makes for H2S physical adsorption on MAC, but it against chemical adsorption on it. The ability of H2S chemical adsorption improves with the increasing temperature, at the same time, the ability of H2S physical adsorption weakens. The optimal adsorption temperature is 80℃, which balances the chemical adsorption and physical adsorption on MAC. The gas flow rate goes up with the space velocity increases. The time that H2S stays in fixed bed is shortened and the H2S adsorption capacity on MAC declines as well. The H2S removal efficiency and breakthrough time on MAC decreases along with the increase of the H2S concentration in the range of 150-850 mg/m3. Moreover, the physical and chemical structures of raw activated carbon and MAC have been characterized by FTIR, TPD, Boehm methods. The results demonstrate that the pore structure of the activated carbon, the types of carbon functional groups and the surface basic of activated carbon have significant influence on the H2S adsorption ability on activated carbon.
Key Words: modified activated carbon    hydrogen sulfide    adsorption properties    livestock farm odor    

近年来,随着经济快速发展,集约化养殖迅猛扩大,随之产生的环境问题也越来越多,严重影响到人畜健康及养殖业的可持续发展[1-2]。养殖场排放的臭气更是敏感的环境问题。硫化氢作为养殖场排放的主要恶臭气体之一,其浓度一般在0.03~21.5 mg/m3左右,但是在特定的瞬间会高达500~800 mg/m3,其毒性强、危害大,在环境中属严格控制的危险气体[3-4],其去除和治理日益受到重视。目前对养殖场产生的恶臭气体的控制研究多采用除臭剂。但化学除臭剂用量大且处理后的物料不能循环使用,既不经济也不环保;也有人采用生物除臭剂法,这些方法各有利弊。随之兴起了活性炭吸附法,由于活性炭吸附法具有价格便宜、脱除工艺简单、净化效率高、机械性能好、易改性和可再生[5-8]等优点,加之活性炭具有发达的孔隙结构和各种活性基团,既可单独作为吸附剂,也可通过改性作为载体净化硫化氢等各种污染物[9-13],因此被广泛用作吸附剂、催化剂或催化剂载体[14-16]。Meljae等[17]用负载K2CO3的ACF吸附H2S的过程中发现,在改性K2CO3的浓度、K2CO3溶液温度、环境温度、浸渍时间以及烘干时间等众多因素中,K2CO3的浓度是影响浸渍处理的唯一因素,而且也是影响改性ACF吸附H2S的关键因素。周继红等[18]对活性炭负载氧化锌的脱硫剂脱除H2S进行了研究,其结果表明活性炭与氧化锌混合制得的脱硫剂具有较好的脱硫性能,同时认为脱硫剂表面不仅有物理吸附,还有化学吸附,所生成的硫化锌被吸附在活性炭的空隙内。但是对于活性炭吸附法应用于养殖场中硫化氢的治理研究目前相对较少,这是由于养殖场臭气成分复杂,且硫化氢浓度不稳定,影响了最终的去除效果。

笔者进行了改性活性炭吸附去除养殖场中硫化氢的实验,确定了最佳操作条件,为将来吸附法去除集约化养殖场中的硫化氢提供了理论基础。同时实验还通过BET、FTIR(傅里叶变换红外光谱分析)、TPD(程序升温脱附)和Boehm滴定酸碱官能团等方法对改性前后活性炭进行了表征,从而探讨活性炭吸附硫化氢的机理。

1 实验材料及方法
1.1 改性活性炭的制备

实验选用太原新华化工厂的直径为3 mm的工业活性炭为载体,采用高压水热化学法和浸渍法联合改性活性炭。首先将高径比相等的活性炭与蒸馏水按2:3在270 ℃的高压釜内保持3 h,在85 ℃烘3 h,然后用7%的硫酸铜溶液在50 ℃浸渍0.5 h,再在85 ℃烘3 h后备用。(改性活性炭记为GS270CuSO5007,原料活性炭记为3#

1.2 实验装置

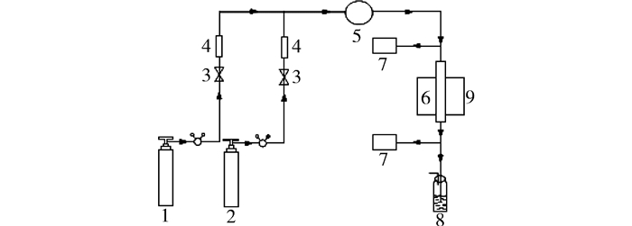
实验选用大连光明化工研究设计院的99.99%的H2S气体与太原福特特种气体的N2作为实验用气体。为了模拟养殖场臭气中硫化氢的浓度,需要先将99.99%的H2S气体用氮气稀释到一定浓度而制成硫化氢钢瓶气。用中科院山西煤化所生产的智能程序升温控制仪来控制试验温度。模拟养殖场中硫化氢的吸附流程如图 1所示。

图 1 固定床硫化实验流程图 注:1. N2;2. H2S和N2;3.微调阀;4.转子流量计;5.混合器;6.反应管;7.气体检测装置;8.尾气吸收液;9.加热炉

1.3 分析方法

实验采用碘量法来测定进出口硫化氢的浓度,测量的具体步骤为:1)量取2%醋酸锌溶液50 mL,分别注入2个串连的吸收管中。2)仪器连接顺序:反应管→吸收管→流量计→接向室外放空或回收。3)取气样时,取气样速度以第2个吸收管内无混浊生成为适宜。取气样体积根据气样中硫化氢含量决定。4)记下流量计读数。5)拆下吸收管,将全部溶液连同沉淀全部转入250 mL锥形瓶中,加入25 mL碘标准溶液(0.005 mol/L)和5 mL 1:1 HCl,混匀后,用硫代硫酸钠标准溶液(0.005 mol/L)滴定过剩的碘至溶液退至浅黄色时加入0.5%的淀粉液2 mL,继续滴定至蓝色退去为终点(硫代硫酸钠标准溶液需用K2Cr2O7标准溶液标定其浓度,碘液需用已标定的硫代硫酸钠溶液进行标定)。具体计算硫化氢的浓度公式为

$\begin{split} C_{\text{H}_2\text{S}}=\frac{\left(V_0-V_1\right)×0.005×0.017 04}{V}×{1 000} \end{split}$

式中:CH2S为硫化氢浓度,g/m3V为取气体积,L;V1为消耗掉的I2标准溶液量,mL;V0为滴定消耗的Na2S2O3标准溶液量,mL;与1 mmol碘反应的H2S的质量为0.017 04 g。

1.4 活性指标评价
1.4.1 活性炭吸附硫化氢的去除率

H2S去除率计算式为

$\begin{split} η=\frac{C_{\text{in}}-C_{\text{out}}}{C_{\text{in}}}×100\text{%} \end{split}$

式中:Cin为进口H2S浓度,mg/m3Cout为出口H2S浓度,mg/m3

1.4.2 活性炭吸附硫容

吸附硫容的计算式为

$\begin{split} S=∑η_it_i\frac{v_{\text{sp}}V_{\text{bj}}C_1}{1 000G} \end{split}$

式中:S为吸附硫容,mg/g;vsp为空速,h-1Vbj为活性炭体积,L;ti为吸附时间,h;ηi为对应于ti的H2S去除率;G为活性炭质量,g;C1为进口浓度,mg/m3

2 结果与讨论
2.1 改性活性炭与原料活性炭吸附H2S效果对比图

在对改性活性炭进行操作条件的研究前,先将原料活性炭和改性活性炭进行活性评价比较。由于集约化养殖场中的硫化氢浓度较低,但是在极其恶化的条件下有可能瞬间浓度高达800 mg/m3,若要真实模拟集约化养殖场中的硫化氢气氛,会造成评价时间过长。为了加快评价过程,故在本文的活性评价中,选取了硫化氢进口浓度750~850 mg/m3、吸附温度80 ℃、空速900 h-1的反应条件,对其吸附性能进行评价,结果如图 2所示。

图 2 改性活性炭与原料活性炭吸附硫化氢对比曲线图

图 2可以看出,GS270CuSO5007改性活性炭的穿透时间和硫化氢去除率均高于原料活性炭,由前面的吸附硫容计算公式可以得出:GS270CuSO5007改性活性炭的硫容为51.67 mg/g,而3#原料活性炭的硫容为17.66 mg/g,故改性后活性炭的硫容是原料活性炭的2.93倍,改性效果明显。这是因为用过渡金属改性的活性炭在脱除H2S的过程中,不仅是活性炭微孔对H2S毛细孔凝聚和H2S被活性炭表面的含氧结构氧化,而且过渡金属与H2S之间发生复杂的氧化还原反应,形成硫化物,从而使吸附H2S的能力增强。

2.2 吸附温度对改性活性炭吸附H2S效果的影响

为了考察吸附温度对活性炭吸附H2S的影响,在空速900 h-1、进口H2S浓度750~850 mg/m3条件下,考察改性活性炭在30、50、70、80和90 ℃的条件下脱除H2S的能力,结果如图 3所示。

图 3 不同温度下GS270CuSO5007的吸附曲线

图 3可以看出,随着吸附的进行,改性活性炭的吸附曲线在2 h前比较平和,基本无H2S溢出,改性活性炭的H2S去除率基本达到100%,5~6 h穿透,但80 ℃的变化较平缓些。通过计算可知,在30、50、70、80和90 ℃的条件下的硫容分别为31.18、39.20、44.60、51.67和42.01 mg/g,可以看出,在考察的温度范围内,80 ℃比相同实验条件下其他温度更有利于改性活性炭吸附硫化氢。这是因为,活性炭脱除H2S是物理和化学吸附的共同作用结果。低温时物理吸附作用大于化学吸附作用是吸附H2S的主要机制,随着温度升高,化学吸附力逐渐增强,物理吸附力逐渐减弱,温度到达80℃时,物理和化学吸附共同作用的效果更好,若温度继续升高到90 ℃,物理吸附力大大降低,导致物理和化学共同吸附作用力下降,故硫容也下降。

2.3 空速对改性活性炭吸附H2S效果的影响

在吸附温度80 ℃、进气浓度750~850 mg/m3条件下,考察不同空速对改性活性炭吸附H2S的影响,结果如图 4所示。

图 4 不同空速下GS270CuSO5007的吸附曲线

图 4可以看出,随着空速增大,GS270CuSO5007对H2S的去除效果明显降低。空速为1 200 h-1时,2 h便有H2S溢出,5 h就穿透;而空速为300 h-1,8 h才开始有H2S溢出,11 h才穿透。通过计算可知在300~1 200 h-1条件下,硫容从59.66 mg/g下降为38.50 mg/g。可以看出,随着空速增加,GS270CuSO5007改性活性炭吸附H2S容量减少。这是因为随着空速增加,气体流速也增大,H2S分子在固定床中的停留时间缩短,还没有来得及被吸附剂吸附便穿过了床层,吸附容量也随着减小。

2.4 进口硫化氢浓度对改性活性炭吸附H2S效果的影响

为了考察进气浓度对活性炭脱除H2S的影响,在吸附温度80 ℃、空速900 h-1条件下,考察了不同进气浓度对改性活性炭吸附H2S的影响,结果如图 5所示。

图 5 不同进气浓度下GS270CuSO5007的吸附曲线

图 5可以看出,随着进口硫化氢浓度增加,GS270CuSO5007对H2S的脱除率逐渐降低,且穿透时间也在减短。通过计算可知,硫容分别为708.51、314.90、115.29和42.01 mg/g。可以看出,进气浓度对改性活性炭吸附H2S的穿透硫容影响很大,在其他条件不变的情况下,随着进气浓度增加硫容减小。这与文献[19]的结果一致。有人认为这是由于活性炭吸附高H2S浓度时和低H2S浓度时反应机理和产物不同,H2S浓度较高时主要生成单质硫,低浓度时不仅生成硫,还有硫的氧化物和硫酸生成[20],故呈现出吸附能力会随进口硫化氢浓度增加其吸附硫容下降的现象。

2.5 改性活性炭脱硫剂的表征
2.5.1 改进的Boehm法滴定酸碱官能团

化学酸碱滴定早在1962年由德国Boehm教授提出,经Lisovski等人改良,可用NaOH和HCl浸泡活性炭,然后用HCl和NaOH反滴定测定活性炭表面总酸碱基团含量,测定结果见表 1所示。

表 1 活性炭酸碱官能团含量

表 1中可以看出,改性活性炭中的酸性官能团变化不大,但是碱性官能团改变较大,比原料活性炭的增加了3倍多,改性活性炭的碱性官能团在总官能团中的比例也明显提高,这也使GS270CuSO5007改性活性炭吸附H2S能力增强了。

2.5.2 FTIR傅立叶红外光谱分析

为了考察原料活性炭与改性活性炭的表面官能团种类和数量,本实验将其进行FTIR表征,FTIR谱图见图 6所示。

图 6 原料活性炭与改性活性炭的FTIR谱图

图 6中可以看出,改性活性炭不影响活性炭FTIR谱图的出峰位置,即官能团种类不变,只改变峰的强度,即官能团的数量发生变化。改性的活性炭在1 089 cm-1、1 627 cm-1和3 444 cm-1处的峰较原料活性炭的峰强,而1 089 cm-1归属于C-O-C-O-C醚类官能团,1 627 cm-1归属于羰基中C=O的振动伸缩,3 444 cm-1归属于分子联合羟基,这说明改性活性炭增加了醚类官能团、羰基中C=O基团和分子联合羟基基团的含量,从而提高活性炭吸附硫化氢的能力。同时发现GS270CuSO5007活性炭在2 935 cm-1处的峰削减明显,这说明,2 935 cm-1处的脂族类基团对活性炭吸附硫化氢起到遏制作用,它的衰减会提高活性炭活性,这可能就是GS270CuSO5007改性活性炭吸附硫化氢的能力优于原料活性炭的原因。

2.5.3 TPD程序升温脱附分析与表征

实验选用FINETEC INSTRUMENTS生产的FINESORB3010程序升温化学吸附仪对活性炭进行TPD表征。在吸附炉中装入40目的样品0.1 g,在载气高纯氦气以10 mL/min的速度进入的条件下吸附炉以15 ℃/min速率升温到预处理温度500 ℃,在500 ℃下恒温热处理20 min后降温到50 ℃的吸附温度。在吸附温度下将He切换为15 mL/min的吸附气CO2,稳定40 min。然后将CO2换成He吹扫30 min,打开桥流,调节基线稳定,在一定的升温速率下升温到设定温度250 ℃进行程序升温脱附,脱附的气体通过敏感热导池检测器测量,并记录脱附曲线。具体实验条件如表 2所示。

表 2 TPD表征实验条件

实验在上述条件下将3#原料活性炭与改性活性炭在5.5 ℃/min的升温速率下进行脱附,将脱附的TPD曲线做比较,观察活性炭改性前后的TPD曲线变化,分析其表面性质等变化,结果如图 7所示。

图 7 原料活性炭与改性活性炭TPD(CO2)脱附图谱

图 7中可以看出,原料活性炭和改性活性炭均在60 ℃左右和110 ℃左右出现一个较弱和较强的脱附峰。根据文献可知[21],这两个峰分别归属于一个较弱和一个较强的碱性位,活性炭在60 ℃左右的是一个较弱的碱性位,在110℃左右却是一个较强的碱性位。同时发现在较弱碱性位上,GS270CuSO5007改性活性炭的TPD脱附峰最高峰位置较原料活性炭向温度较高处偏移,这说明,GS270CuSO5007改性活性炭表面的吸附强度较原料活性炭强;在较强碱性位上,GS270CuSO5007改性活性炭峰的强度高于原料活性炭,这表明改性后的活性炭其碱性官能团的数目增多,对CO2的吸附能力增强, 活性炭有更高的吸附活性和稳定性。这样的结果证明物理化学改性增强了活性炭的碱性,这与GS270CuSO5007吸附H2S时硫容高于原料活性炭相互呼应,也与FTIR表征的结果一致。

2.5.4 BET表征

实验对3#和GS270CuSO5007活性炭进行BET表征,主要考察活性炭改性前后比表面积、微孔面积及容积、总孔容积、平均孔径和中孔容积的变化,了解活性炭孔隙结构在活性炭脱硫中的作用。其具体参数见表 3所示。

表 3 活性炭孔隙结构参数

表 3中可以看出,改性后活性炭的比表面积、微孔面积、微孔容积和平均孔径分别比3#原料活性炭增大了84.88 m2/g、73.03 m2/g、0.0335 cm3/g和1.08 nm,分别增加了原来的43%、43%、43%和40%,同时总孔容积和中孔容积增加较大,分别增加了原来的1倍和1.8倍。这说明,由3#原料活性炭改性为GS270CuSO5007的过程中,活性炭孔隙结构发生了变化,微孔和中孔数量都有所增加,使比表面积相应增大;由于中孔数量增加幅度大于微孔,所以平均孔径有所增大。这是因为,高压水热化学改性会对活性炭的孔隙结构造成改变,其不仅会打通原本隔阂不同的微孔,使微孔比表面积和容积增大,而且在高压下会使部分微孔被扩成中孔,导致平均孔径增加。

3 结论

1)对比GS270CuSO5007改性活性炭与3#原料活性炭,发现高温水热化学改性与硫酸铜溶液浸渍联合对活性炭进行改性后活性炭的硫容是原料活性炭硫容的2.93倍。

2)吸附温度对硫化氢在活性炭上的吸附影响较大。在本实验条件下,吸附温度为80 ℃时,活性炭吸附H2S能力最强。随着空速增加,硫化氢在活性炭上的吸附容量减小。进气浓度在150~850 mg/m3范围内,随着浓度增加,改性活性炭对H2S的去除效率降低,穿透时间缩短。

3)通过BET、FTIR、TPD和Boehm滴定酸碱官能团等几种方法对改性前后活性炭进行表征,充分验证了改性活性炭较原料活性炭吸附H2S的能力更强。

参考文献
[1] 罗安程, 孙晓华, 周焱. 规模化畜禽养殖环境治理[C]//中国土壤学会第十次全国会员代表大会暨第五届海峡两岸土壤肥料学术交流研讨会论文集(面向农业与环境的土壤科学综述篇). 沈阳, 2004: 268-276.
[2] 苏杨. 我国集约化畜禽养殖场污染问题研究[J]. 中国生态农业学报, 2006, 14(2): 15–18.
Su Y. Research of countermeasures on waste treating of intensive livestock and poultry farms in China[J]. Chinese Journal of Eco-Agriculture, 2006, 14(2): 15–18. (in Chinese)
[3] Randy N. Odor and corrosion problems in wastewater collection systems and treatment plants:two related issues requiring separate control strategies[J]. The Journal of Protective Coatings & Linings, 2010, 27(2): 24–31.
[4] Raquel L, Lynne B, Richard S, et al. Odor assessment and management in wastewater treatment plants:a review[J]. Critical Reviews in Environmental Science and Technology, 2011, 41(10): 915–950. DOI:10.1080/10643380903300000
[5] 罗锦英, 罗津晶, 黄华伟, 等. 改性活性炭吸附气态汞的试验研究[J]. 中国电机工程学报, 2009, 29(35): 77–82.
Luo J Y, Luo J J, Huang H W, et al. Experimental study on modified activated carbons for elemental mercury adsorption[J]. Proceedings of the CSEE, 2009, 29(35): 77–82. DOI:10.3321/j.issn:0258-8013.2009.35.013 (in Chinese)
[6] Foo Y, Hameed H. Recent developments in the preparation and regeneration of activated carbons by microwaves[J]. Advances in Colloid and Interface Science, 2009, 149(1/2): 19–27.
[7] Liu Q S, Zheng T, Li N, et al. Modification of bamboobased activated carbon using microwave radiation and its effects on the adsorption of methylene blue[J]. Applied Surface Science, 2010, 256(10): 3309–3315. DOI:10.1016/j.apsusc.2009.12.025
[8] 马双忱, 马宵颖, 郭天祥, 等. 微波改性活性炭用于烟气脱硫脱硝的实验研究[J]. 燃料化学学报, 2010, 38(6): 739–744.
Ma S C, Ma X Y, Guo T X, et al. Experimental study on desulfurization and denitrification from flue gas over modified activated carbon using microwave irradiation[J]. Journal of Fuel Chemistry and Technology, 2010, 38(6): 739–744. (in Chinese)
[9] Andrey B, Habibur R, Teresa J B. Study of H2S adsorption and water regeneration of spent coconut-based activated carbon[J]. Environmental Science & Technology, 2000, 34(21): 4587–4592.
[10] Adib F, Bagreev A, Bandosz T J. Analysis of the relationship between H2S removal capacity and surface properties of unimpregnated activated carbons[J]. Environmental Science & Technology, 34: 686–692.
[11] Huang C C, Chen H M, Chen C H. Hydrogen adsorption on modified activated carbon[J]. International Journal of Hydrogen Energy, 2010, 35(7): 2777–2780. DOI:10.1016/j.ijhydene.2009.05.016
[12] 方惠斌, 赵建涛, 黄戒介, 等. 活性炭担载金属氧化物用于热煤气脱硫[J]. 化学工程, 2010, 38(10): 56–59.
Fang H B, Zhao J T, Huang J J, et al. Activated carbon-supported metal oxides for hot gas desulfurization[J]. Chemical Engineering, 2010, 38(10): 56–59. DOI:10.3969/j.issn.1005-9954.2010.10.011 (in Chinese)
[13] 王春蓉. 改性活性炭脱硫剂脱硫性能的研究[J]. 应用化工, 2010, 39(5): 708–712.
Wang C R. Study on desulfurization performance of modified activated carbon desulfurizers[J]. Applied Chemical Industry, 2010, 39(5): 708–712. (in Chinese)
[14] 尹艳山, 张军, 盛昌栋. NO在活性炭表面的吸附平衡和动力学研究[J]. 中国电机工程学报, 2010, 30(35): 49–54.
Yin Y S, Zhang J, Sheng C D. Adsorption equilibrium and kinetics of no removal on activated carbons[J]. Proceedings of the CSEE, 2010, 30(35): 49–54. (in Chinese)
[15] 赵毅, 韩静, 马天忠. 活性炭纤维负载TiO2同时脱硫脱硝实验研究[J]. 中国电机工程学报, 2009, 29(11): 44–49.
Zhao Y, Han J, Ma T Z. Experimental study on simultaneous desulfurization and denitrification by supporting tio2 on activated carbon fiber[J]. Proceedings of the CSEE, 2009, 29(11): 44–49. DOI:10.3321/j.issn:0258-8013.2009.11.008 (in Chinese)
[16] Bandos T J. On the adsorption/oxidation of hydrogen sulfide on activated carbons at ambient temperatures[J]. Journal of Colloid And Interface Science, 2002, 246: 1–20. DOI:10.1006/jcis.2001.7952
[17] Meljac L, Perier-Camby L, Thomas G. Creation of active sites by impregnation of carbon fibers:application to the fixation of hydrogen sulfide[J]. Journal of Colloid and Interface Science, 2004, 274: 133–141. DOI:10.1016/j.jcis.2004.03.012
[18] 周继红, 华玉芝, 史长林, 等. 负载型活性炭脱硫(H2S)的试验研究[J]. 河北建筑科技学院学报, 2003, 20(1): 88–100.
Zhou J H, Hua Y Z, Shi C L, et al. Experimental research on desulfurization(H2S)of load activated carbon[J]. Journal of Hebei Institute of Architectural Science And Technology, 2003, 20(1): 88–100. (in Chinese)
[19] Bagreeva A, Katikanenib S, Parabb S, et al. Desulfurization of digester gas:prediction of activated carbon bed performance at low concentrations of hydrogen sulfide[J]. Catalysis Today, 2005, 99(3-4): 329–337. DOI:10.1016/j.cattod.2004.10.008
[20] 常化振. 活性炭吸附催化氧化法处理低浓度H2S研究[D]. 上海: 中国石油大学, 2008.
[21] 上官炬. 改性半焦烟气脱硫剂的物理结构和表面化学特性变化机理[D]. 太原: 太原理工大学, 2006.