土木建筑与环境工程  2015, Vol. 37 Issue (1): 55-60   PDF    
辐射空调房间表面的角系数
郑德晓, 李念平, 杨昌智    
湖南大学 土木工程学院,长沙 410082
收稿日期:2014-03-11
基金项目:国家自然科学基金(51178169)
作者简介:郑德晓(1988-),男,主要从事辐射冷顶板研究,(E-mail)s130110027@hnu.edu.cn
李念平(通信作者),男,教授,博士生导师,(E-mail)linianping@sina.com
摘要:辐射空调房间内围护结构表面之间的角系数,以及人体表面与室内维护结构表面之间的角系数,是计算室内辐射热交换的基本参数。目前,有关人体、辐射板、门、窗等表面和其它围护结构表面间的角系数通常较难求解,这里避开了采用传统的直接积分法求解角系数,而是利用对表面边界曲线的角系数积分公式,推导出了相互垂直以及相互平行情况下两矩形表面间的角系数表达式,其过程较为简单;同时把人体形状适当地简化为1个六面体固体,得到了人体与维护结构表面之间的角系数。所得结论不受围护结构表面大小及相对位置的限制,可以有效地求解与人体、辐射板、门、窗等表面相关的角系数。
关键词角系数    辐射热交换    维护结构表面    人体简化模型    
Angle factors between surfaces in a radiant air-conditioned room
Zheng Dexiao, Li Nianping, Yang Changzhi    
College of Civil Engineering, Building Environment and Equipment Engineering, Hunan University, Changsha 410082, P.R.China
Received: 2014-03-11
Foundation item: National Natural Science Foundation of China (No.51178169)
Author brief: Zheng Dexiao (1988-), main research interest: radiant cooling ceiling, (E-mail)s130110027@hnu.edu.cn.
LI Nianping (corrsponding author), professor, doctorial supervisor, (E-mail)linianping@sina.com.
Abstract: Angle factors between enclosure structural surfaces, or between human body and enclosure structural surfaces are the basic parameters to calculate radiant heat transfer in a radiant air-conditioned room. At present, the angle factors between the human body, radiant panels, windows and doors are usually quite difficult to solve. Therefore, we derived the angle factor expressions of two rectangular surfaces in the positions both mutual perpendicular and mutual parallel by using curve integral formula of angle factor, instead of using conventional surface integral formula. Meanwhile, angle factors between human body and enclosure structural surfaces by simplifying a seated person as a rectangular solid were acquired. The results were shown to be efficient and practical, and were free from the limitation of envehpe sizes and relative positions.
Key Words: angle factors    radiant heat transfer    enclosure structural surfaces    simplified human body model    

采用辐射空调系统形式的房间,室内辐射换热量可达总换热量的50%以上,成为决定房间热力工况的主要换热方式[1]。对于室内围护结构表面净辐射换热量的计算,可以引入有效辐射的概念或吸收系数法列式求解[2-3]。无论采用何种理论方法求解室内的辐射换热,都不可避免的需要求解室内围护结构表面间的角系数;此外,计算人体与周围环境的辐射换热以及平均辐射温度时,同样需要求解人体对室内围护结构表面的角系数。

室内围护结构表面(墙、顶棚、地面、辐射板、门、窗)基本都是相互平行或垂直的矩形表面。对于墙体、顶棚、地面之间的角系数,由于其相对位置及尺寸大小比较特殊,求解比较简单,可以查相关线图[4]或利用已有的公式进行求解[5]。但是对于人体、辐射板、门、窗等表面角系数的求解却往往显得比较困难,针对这些问题,文献[6]利用角系数的基本性质(完整性、分解性、互换性)进一步求得了外窗对其它围护结构表面的角系数,文献[7]利用直接积分法求得了相互平行下任意两矩形表面间的角系数,但其结论较为复杂。针对有关人体与维护结构表面之间的角系数,一些学者分别采用实验法(Fanger等[8]、Horikoshi等[9]、Jones等[10])、数值模拟方法(Ozeki等[11])、理论解析算法进行求解[12, 13],却难以得到人体与围护结构表面较为精确的普遍性理论计算公式。

1 维护结构表面间的角系数计算
1.1 角系数计算数学模型

角系数是指离开某一表面的辐射能中直接落在另一表面的百分数,对于符合兰贝特定律的漫射表面,角系数仅取决于两表面的相对位置与形状大小,根据辐射换热基本原理可以推得两有限面的平均角系数计算公式[4]

$ {F_{{{\rm{A}}_1} - {{\rm{A}}_2}}} = \frac{1}{{{A_1}}}\int_{{{\rm{A}}_{\rm{1}}}} {\int_{{{\rm{A}}_2}} {\frac{{\cos {q_1} \otimes \cos {q_2}}}{{\pi {r^2}}}} } {\rm{d}}{A_2}{\rm{d}}{A_1} $ (1)

式中:A1A2是2个互相可见的表面;r是两微元面间的距离;q1是微元面dA1的法线与两微元面连线的夹角;q2是微元面dA2的法线与两微元面连线的夹角。

若采用该式计算两个有限面之间的角系数,需要做四重积分,计算相当复杂。Stokes公式可以把曲面积分转换为曲线积分,因此,对于上式的二重面积分两次运用stokes公式转换可以得到对其边界曲线积分的二重坐标曲线积分,其形式为[14-15]

$ \begin{array}{l} {F_{{{\rm{A}}_1} - {{\rm{A}}_2}}} = \frac{1}{{2\pi {A_1}}}\oint_{{{\rm{C}}_1}} {{\rm{d}}{x_1}} \oint_{{{\rm{C}}_2}} {\left( {\ln r} \right)} {\rm{d}}{x_2} + \frac{1}{{2\pi {A_1}}}\oint_{{{\rm{C}}_1}} {{\rm{d}}{y_1}} \oint_{{{\rm{C}}_2}} {\left( {\ln r} \right)} {\rm{d}}{y_2}{\rm{ + }}\\ \;\;\;\;\;\;\;\;\;\;\;\;\frac{1}{{2\pi {A_1}}}\oint_{{{\rm{C}}_1}} {{\rm{d}}{z_1}} \oint_{{{\rm{C}}_2}} {\left( {\ln r} \right)} {\rm{d}}{z_2} \end{array} $ (2)

式中:C1C2是面A1A2的边界曲线(曲线的正向可用右手螺旋法则确定);x1y1z1x2y2z2是两边界曲线上的直角坐标变量;$r=\sqrt {{{\left ({{x_2} -{x_1}} \right)}^2} + {{\left ({{y_2} -{y_1}} \right)}^2} + {{\left ({{z_2} -{z_1}} \right)}^2}} $是两边界曲线上任意两点的距离。采用该式可以快速的导出表面间的角系数,该公式要求两个计算表面互相全部可见。

1.2 维护结构表面角系数计算基本过程
1.2.1 相互垂直维护结构表面的角系数计算

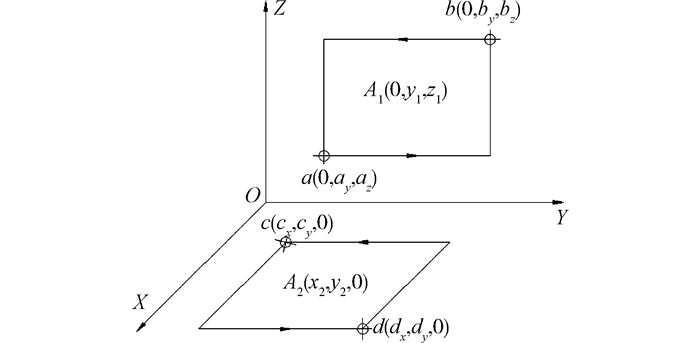
辐射空调房间内任意两个相互垂直的维护结构表面的相对位置可用图 1表示,为了便于推导,把两个计算表面分别放在XOYYOZ 2个坐标面上,两个表面的位置用a(0, ay, az)、b(0, by, bz)、c(cx, cy, 0)、d(dx, dy, 0)4个坐标点确定,(0, y1, z1)表示表面A1边界上的任意点的坐标,(x2, y2, 0)表示表面A2边界上的任意点的坐标。

图 1 相互垂直的两个矩形表面 Fig. 1 Two rectangular surfaces in mutual perpendicular position

由于表面A1X轴上的增量为0,表面A2Z轴上的增量为0,则有

$ \begin{array}{l} \oint_{{{\rm{C}}_1}} {\ln r{\rm{d}}{x_1}} = 0 \to \oint_{{{\rm{C}}_1}} {{\rm{d}}{x_1}} \oint_{{{\rm{C}}_2}} {\left( {\ln r} \right)} {\rm{d}}{x_2} = 0\\ \oint_{{{\rm{C}}_2}} {\ln r{\rm{d}}{z_2}} = 0 \to \oint_{{{\rm{C}}_1}} {{\rm{d}}{z_1}} \oint_{{{\rm{C}}_2}} {\left( {\ln r} \right)} {\rm{d}}{z_2} = 0 \end{array} $

从而式(2)简化为

$ {F_{{{\rm{A}}_1} - {{\rm{A}}_2}}} = \frac{1}{{2\pi {A_1}}}\oint_{{{\rm{C}}_1}} {{\rm{d}}{y_1}} \oint_{{{\rm{C}}_2}} {\left( {\ln r} \right)} {\rm{d}}{y_2} $ (3)

先对表面A2的边界曲线进行积分,在Y轴方向积分:

$ \begin{array}{l} \oint_{{{\rm{C}}_2}} {\left( {\ln r} \right)} {\rm{d}}{y_2} = \\ \int_{{c_{\rm{y}}}}^{{d_{\rm{y}}}} {\ln \sqrt {{{\left( {{d_{\rm{x}}}{\rm{ - }}0} \right)}^2}{\rm{ + }}{{\left( {{y_2} - {y_1}} \right)}^2} + {{\left( {0 - {z_1}} \right)}^2}} } {\rm{d}}{y_2} + \\ \int_{{c_{\rm{y}}}}^{{d_{\rm{y}}}} {\ln \sqrt {{{\left( {{c_{\rm{x}}}{\rm{ - }}0} \right)}^2}{\rm{ + }}{{\left( {{y_2} - {y_1}} \right)}^2} + {{\left( {0 - {z_1}} \right)}^2}} } {\rm{d}}{y_2} = \\ \frac{1}{2}\int_{{c_{\rm{y}}}}^{{d_{\rm{y}}}} {\ln \frac{{{{\left( {{d_{\rm{x}}} - 0} \right)}^2} + {{\left( {{y_2} - {y_1}} \right)}^2} + {{\left( {0 - {z_1}} \right)}^2}}}{{{{\left( {{c_{\rm{x}}} - 0} \right)}^2} + {{\left( {{y_2} - {y_1}} \right)}^2} + {{\left( {0 - {z_1}} \right)}^2}}}} {\rm{d}}{y_2} \end{array} $ (4-1)

上式是y1, z1的函数,为了便于表示,可简记为

$ \oint\limits_{{C_2}} {\left( {\ln \;r} \right)} {\rm{d}}{y_2} = f\left( {{y_1},{z_1}} \right) $ (4-2)

再对表面A1的边界曲线y轴方向进行积分

$ \begin{array}{l} \int\limits_{{C_2}} {{\rm{d}}{y_1}} \oint\limits_{{C_2}} {\left( {\ln \;r} \right)} {\rm{d}}{y_2} = \oint\limits_{{C_2}} {f\left( {{y_1},{z_1}} \right)} {\rm{d}}{y_1} = \\ \int_{{a_{\rm{y}}}}^{{b_{\rm{y}}}} {f\left( {{y_1},{a_2}} \right)} {\rm{d}}{y_1} + \int_{{b_{\rm{y}}}}^{{a_{\rm{y}}}} {f\left( {{y_1},{b_{\rm{z}}}} \right)} {\rm{d}}{y_1} = \\ \int_{{a_{\rm{y}}}}^{{b_{\rm{y}}}} {\left[ {f\left( {{y_1},{a_{\rm{z}}}} \right) - f\left( {{y_1},{b_{\rm{z}}}} \right)} \right]} {\rm{d}}{y_1}\oint_{{{\rm{C}}_1}} {{\rm{d}}{y_1}} \end{array} $ (5)

把(4-1)、(5)带入式(3)中并且改变自变量形式即可得

$ \begin{array}{l} {F_{{{\rm{A}}_1} - {{\rm{A}}_2}}} = \frac{1}{{4\pi {A_1}}}\int_{{a_{\rm{y}}}}^{{b_{\rm{y}}}} {{\rm{d}}x} \\ \int_{{c_{\rm{y}}}}^{{d_{\rm{y}}}} {\ln \frac{{\left[ {{{\left( {y - x} \right)}^2} + d_{\rm{x}}^2{\rm{ + }}a_{\rm{z}}^2} \right] \otimes \left[ {{{\left( {y - x} \right)}^2} + c_{\rm{x}}^2 + b_{\rm{z}}^2} \right]}}{{\left[ {{{\left( {y - x} \right)}^2} + c_{\rm{x}}^2{\rm{ + }}a_{\rm{z}}^2} \right] \otimes \left[ {{{\left( {y - x} \right)}^2} + d_{\rm{x}}^2 + b_{\rm{z}}^2} \right]}}} {\rm{d}}y \end{array} $ (6)

其中:A1=(by-ay)⊗(bz-az)为表面A1的面积。

1.2.2 相互平行维护结构表面的角系数计算

辐射空调房间内任意两个相互平行维护结构表面的相对位置可用图 2表示,表面A1位于XOZ坐标面上,且以其某个顶点为坐标原点,则可用a(ax, 0, az)、b(bx, m, bz)、c(cx, m, cz)3个坐标点确定两表面的位置。由于表面A1A2只有在Y轴上的增量为零,所以推导结果由两项二重积分组成,具体的推导过程与1.2.1类似,这里就不再重复。

图 2 相互平行的2个矩形表面 Fig. 2 Two rectangular surfaces in mutual parallel position

$ \begin{array}{l} {F_{{{\rm{A}}_1} - {{\rm{A}}_2}}} = \frac{1}{{4\pi {A_1}}}\left\{ {\int_0^{{a_{\rm{x}}}} {{\rm{d}}x} \int_{{b_{\rm{x}}}}^{{c_{\rm{x}}}} {\ln \frac{{\left[ {{{\left( {y - x} \right)}^2} + {m^2} + {{\left( {{b_{\rm{z}}} - {a_{\rm{z}}}} \right)}^2}} \right] \otimes \left[ {{{\left( {y - x} \right)}^2} + {m^2} + c_{\rm{z}}^2} \right]}}{{\left[ {{{\left( {y - x} \right)}^2} + {m^2} + {{\left( {{c_{\rm{z}}} - {a_{\rm{z}}}} \right)}^2}} \right] \otimes \left[ {{{\left( {y - x} \right)}^2} + {m^2} + b_{\rm{z}}^2} \right]}}} } \right.{\rm{d}}y + \\ \int_0^{{a_{\rm{z}}}} {{\rm{d}}x} \int_{{b_{\rm{z}}}}^{{c_{\rm{z}}}} {\ln } \left. {\frac{{\left[ {{{\left( {y - x} \right)}^2} + {m^2} + {{\left( {{b_{\rm{x}}} - {a_{\rm{x}}}} \right)}^2}} \right] \otimes \left[ {{{\left( {y - x} \right)}^2} + {m^2} + c_{\rm{x}}^2} \right]}}{{\left[ {{{\left( {y - x} \right)}^2} + {m^2} + {{\left( {{c_{\rm{x}}} - {a_{\rm{x}}}} \right)}^2}} \right] \otimes \left[ {{{\left( {y - x} \right)}^2} + {m^2} + b_{\rm{x}}^2} \right]}}{\rm{d}}y} \right\} \end{array} $ (7)

其中:A1=axaz为表面A1的面积。

根据式(6)和式(7),只需输入确定两个维护结构表面位置的坐标参数,就能得到所需的角系数。值得注意的是,确定坐标参数时,应该参考图 1图 2建立正确的坐标系。

2 人体与维护结构表面的角系数
2.1 建立人体简化模型

人体表面凹凸不平,相互遮挡,无法用理论方法求解其角系数,因此有必要对人体形状作适当的简化,考虑用六面体代替人体进行求解是比较适宜的[16]。由于人体表面部分相互遮挡,需采用有效辐射面积Aeff来描述人体与环境辐射换热的真实面积[17]

$ {A_{{\rm{eff}}}} = {f_{{\rm{eff}}}} \times {f_{{\rm{cl}}}} \times {A_{\rm{D}}} $ (8)

式中:feff为人体的有效辐射面积系数,坐立姿态可取0.696;fcl为服装面积系数, 着装为长裤长衬衫时取值为1.2[18]AD为裸体人体的外表面积,m2AD可按Du-Bois公式计算[19]

$ {A_{\rm{D}}} = 0.202 \times {m^{0.425}} \times {l^{0.725}} $ (9)

式中:m为人的体重,kg;l为人的身高,m。本文计算取l=1.73 m,m=64 kg。

处于室内的人体大部分时间都是坐立姿态,根据模型面积和有效辐射面积相等,可以把人体简化为一个长(2L)宽(2W)高(2H)分别为0.28、0.28、1.2 m的长方体模型。

2.2 人体与维护结构表面角系数的计算

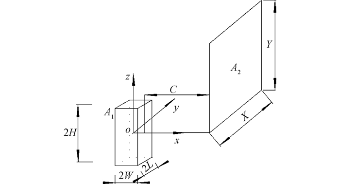
在1中已经分别推导了相互平行与相互垂直下两矩形表面的角系数关系。简化的人体长方体模型与维护结构表面的角系数,实际上就是人体模型的各个矩形表面与维护结构表面角系数值的平均代数和。这里省略推导过程,给出图 3图 4情况下人体对围护结构表面的角系数式(10)与式(11)、(12),图中坐标原点O位于人体模型的中心,相当于人体肚脐处位置,人体中心处于矩形表面某一直角的正下(前)方。

图 3 人体简化模型与水平矩形表面 Fig. 3 The simplified human body model and a horizontal rectangle surface

图 4 人体简化模型与垂直矩形表面 Fig. 4 The simplified human body model and a vertical rectangle surface

$ \begin{array}{l} {F_{{{\rm{A}}_1}{\rm{ - }}{{\rm{A}}_2}}} = 0.05302 \otimes \\ \left\{ {\int\limits_{ - 0.14}^{0.14} {{\rm{d}}x} } \right.\int_0^{\rm{X}} {\ln \frac{{\left[ {{{\left( {y - x} \right)}^2} + {{\left( {Y + 0.14} \right)}^2} + {C^2}} \right] \otimes \left[ {{{\left( {y - x} \right)}^2} + {{\left( {1.2 + C} \right)}^2}} \right]}}{{\left[ {{{\left( {y - x} \right)}^2} + {{\left( {Y - 0.14} \right)}^2} + {{\left( {1.2 + C} \right)}^2}} \right] \otimes \left[ {{{\left( {y - x} \right)}^2} + {C^2}} \right]}}} {\rm{d}}y{\rm{ + }}\\ \int\limits_{ - 0.14}^{0.14} {{\rm{d}}x} \int_0^{\rm{X}} {\ln \left. {\frac{{\left[ {{{\left( {y - x} \right)}^2} + {{\left( {X + 0.14} \right)}^2} + {C^2}} \right] \otimes \left[ {{{\left( {y - x} \right)}^2} + {{\left( {1.2 + C} \right)}^2}} \right]}}{{\left[ {{{\left( {y - x} \right)}^2} + {{\left( {X - 0.14} \right)}^2} + {{\left( {1.2 + C} \right)}^2}} \right] \otimes \left[ {{{\left( {y - x} \right)}^2} + {C^2}} \right]}}{\rm{d}}y} \right\}} \end{array} $ (10)
$ \begin{array}{l} {F_{{{\rm{A}}_1}{\rm{ - }}{{\rm{A}}_2}}} = 0.05302 \otimes \\ \left\{ {\int\limits_{ - 0.14}^{0.14} {{\rm{d}}x} } \right.\int_0^{\rm{X}} {\ln \frac{{\left[ {{{\left( {y - x} \right)}^2} + {{\left( {Y + 0.6} \right)}^2} + {C^2}} \right] \otimes \left[ {{{\left( {y - x} \right)}^2} + {{\left( {0.28 + C} \right)}^2}} \right]}}{{\left[ {{{\left( {y - x} \right)}^2} + {{\left( {Y - 0.6} \right)}^2} + {{\left( {0.28 + C} \right)}^2}} \right] \otimes \left[ {{{\left( {y - x} \right)}^2} + {C^2}} \right]}}} {\rm{d}}y{\rm{ + }}\\ \int\limits_{ - 0.6}^{0.6} {{\rm{d}}x} \int_0^{\rm{Y}} {\ln \left. {\frac{{\left[ {{{\left( {y - x} \right)}^2} + {{\left( {X + 0.14} \right)}^2} + {C^2}} \right] \otimes \left[ {{{\left( {y - x} \right)}^2} + {{\left( {0.28 + C} \right)}^2}} \right]}}{{\left[ {{{\left( {y - x} \right)}^2} + {{\left( {X - 0.14} \right)}^2} + {{\left( {0.28 + C} \right)}^2}} \right] \otimes \left[ {{{\left( {y - x} \right)}^2} + {C^2}} \right]}}{\rm{d}}y} \right\}} \end{array} $ (11)
$ \begin{array}{l} {F_{{{\rm{A}}_1}{\rm{ - }}{{\rm{A}}_2}}} = 0.05302 \otimes \\ \left\{ {\int\limits_{ - 0.6}^{0.6} {{\rm{d}}x} } \right.\int_0^{\rm{Y}} {\ln \frac{{\left[ {{{\left( {y - x} \right)}^2} + {{\left( {Y + 0.14} \right)}^2} + {C^2}} \right] \otimes \left[ {{{\left( {y - x} \right)}^2} + {{\left( {0.28 + C} \right)}^2}} \right]}}{{\left[ {{{\left( {y - x} \right)}^2} + {{\left( {Y - 0.14} \right)}^2} + {{\left( {0.28 + C} \right)}^2}} \right] \otimes \left[ {{{\left( {y - x} \right)}^2} + {C^2}} \right]}}} {\rm{d}}y{\rm{ + }}\\ \int\limits_{ - 0.14}^{0.14} {{\rm{d}}x} \int_0^{\rm{X}} {\ln \left. {\frac{{{{\left( {y - x} \right)}^2} + {{\left( {Y + 0.6} \right)}^2} + {C^2}}}{{{{\left( {y - x} \right)}^2} + {{\left( {Y - 0.6} \right)}^2} + {C^2}}}{\rm{d}}y} \right\}} \end{array} $ (12)

式(10)是对应图 3,式(11)是对应图 4中当Y>0.6 m时的情况,式(12)是对应图 4中当Y≤0.6 m时的情况。只需要根据人体与维护结构表面的相对位置来确定XYC,就可以计算出角系数值。人体与矩形表面的其它相对位置可以根据角系数的分解性求解[4]

3 结果与分析

通过以上推导得到了相互平行以及相互垂直两种相对位置下两表面间的角系数计算式,把坐姿人体简化为长方体模型,同时得到了人体与维护结构表面的角系数关系。根据式(7),把相互平行、大小相等的两矩形表面的角系数结果绘制成图 5。精确的结果可根据式(6)和式(7)具体计算,利用该结论求解室内围护结构表面间的角系数,不受表面位置以及大小的限制,可以有效的求解辐射板、门、窗等表面间的角系数。但是,当相互垂直的两表面相交时,即图 1中的azcx同时为零,利用式(6)求解,由于被积函数是对数函数,数值积分时会出现奇异性。考虑到室内围护结构表面垂直相交的情况,基本都是墙体、顶棚、地板等表面的相交,其特点是相交的边长相等,如图 6所示,此时可以采用下式直接进行计算[5],其中H=Z/XW=Y/X

图 5 相等平行两表面间的角系数 Fig. 5 Angle factors between two parallel rectangular Surfaces with an equal size

图 6 相互垂直相交的2个矩形表面 Fig. 6 Two perpendicular surfaces with a common edge

$ \begin{array}{l} {F_{{{\rm{A}}_1}{\rm{ - }}{{\rm{A}}_2}}}{\rm{ = }}\frac{1}{{{\rm{\pi }}W}}\left[ {W{{\tan }^{ - 1}}\frac{1}{W} + H{{\tan }^{ - 1}}\frac{1}{H} - {{\left( {{H^2} + {W^2}} \right)}^{1/2}}{{\tan }^{ - 1}}\frac{1}{{{{\left( {{H^2} + {W^2}} \right)}^{1/2}}}}} \right] + \\ \;\;\;\;\;\;\;\;\;\frac{1}{{4{\rm{\pi }}W}}\ln \left\{ {\frac{{\left( {1 + {W^2}} \right)\left( {1 + {H^2}} \right)}}{{1 + {W^2} + {H^2}}} \otimes {{\left[ {\frac{{{W^2}\left( {1 + {W^2} + {H^2}} \right)}}{{\left( {1 + {W^2}} \right)\left( {{W^2} + {H^2}} \right)}}} \right]}^{{W^2}}}} \right.\\ \;\;\;\;\;\;\;\;\;\left. {{{\left[ {\frac{{{H^2}\left( {1 + {W^2} + {H^2}} \right)}}{{\left( {1 + {H^2}} \right)\left( {{W^2} + {H^2}} \right)}}} \right]}^{{H^2}}}} \right\} \end{array} $ (13)

同样,将人体与围护结构矩形表面(顶棚、墙体、地板)的角系数绘制成图 78910,以供查询;图 78是分别取D=3 m和D=4 m,根据相似原则绘制成的无量纲参数图表,更为精细的角系数值可根据式(10)、(11)、(12)计算;实际中由于人体简化为六面体固体模型,所以人体前后左右是没有方向性的。

图 7 坐姿人体与顶棚的角系数 Fig. 7 Angle factors between a seated person and the ceiling

图 8 坐姿人体与垂直壁面的角系数(Y≥0.6) Fig. 8 Angle factors between a seated personand the vertical wall (Y≥0.6)

图 9 坐姿人体与地板的角系数 Fig. 9 Angle factors between a seated person and the floor

图 10 坐姿人体与垂直壁面的角系数(Y≤0.6) Fig. 10 Angle factors between a seated person and the vertical wall (Y≤0.6)

计算结果与Fanger用摄像法测得的角系数对比如图 111213所示。对比可以发现,本文所得的角系数一般略小于Fanger所得的角系数值,但差值较小。在人体对地板表面的角系数中,当边长较小时,出现了略大于Fanger所得角系数的情况,当边长较大时依然略小于Fanger所得角系数值。本文采用的是理论解析算法,误差主要来源于长方体模型与人体实际形状的差异,一般来说,该差异对结果的影响会随着边长的增大而逐渐减小。

图 11 本文与Fanger角系数结论对比一 Fig. 11 The first comparison of angle factors between this article and Fanger'

图 12 本文与Fanger角系数结论对比二 Fig. 12 The second comparison of angle factors between this article and Fanger'

图 13 本文与Fanger角系数结论对比三 Fig. 13 The third comparisons of angle factors between this article and Fanger'

4 结论

针对辐射空调房间内人体、辐射板、门、窗等表面角系数难以求解的问题,采用Stokes公式转换后的坐标曲线角系数积分公式进行推导,有效地求解了人体、辐射板、门、窗等表面的角系数,得到以下结论:

1)推导出了相互平行以及相互垂直两种情况下两表面的角系数表达式,利用该结论可以求解室内任意两矩形维护结构表面间的角系数。

2)把人体简化为简单六面体固体,同时得到了人体与矩形围护结构表面的角系数关系。

参考文献
[1] Rodriguez N, Hinojosa J. Numerical study of airflow and heat transfer in an air-cooled room with different inlet positions[J]. Journal of Building Physics, 2014, 37(3) : 246–268. DOI:10.1177/1744259112462106
[2] 陈钟欣. 传热学专题讲座[M]. 北京: 高等教育出版社, 1989 : 93 -94.
[3] 赵丽娜, 朱丽, 李哲, 等. 房间围护结构间辐射换热计算的吸收系数法[J]. 暖通空调, 2011, 41(4) : 101–104.
Zhao L N, Zhu L, Li Z, et al. Absorption factor method for calculating radiation heat transfer among inner surfaces of room enclosure[J]. Journal of HV & AC, 2011, 41(4) : 101–104. (in Chinese)
[4] 章熙民, 任泽霈, 梅飞鸣, 等. 传热学[M]. 北京: 中国建筑工业出版社, 2007 : 226 -243.
[5] Theodore L B, Adrienne S L, Frank P I, et al. Fundamentals of Heat and Mass Transfer[M].7th ed. John Wiley & Sons, 2007 : 867 -868.
[6] 邹平华, 赵丽娜, 刘孟军, 等. 辐射采暖房间围护结构表面角系数的计算[J]. 建筑热能通风空调, 2005, 24(3) : 1–4.
Zou P H, Zhao L N, Zhao M J. Calculation of angle factor of envelop surfaces in radiant heating room[J]. Building Energy & Environment, 2005, 24(3) : 1–4. (in Chinese)
[7] Chia J. Shape factor equations for radiant heat transfer between two arbitrary sizes of rectangular planes[J]. The Canadian Journal of Chemical Engineering, 1967, 2(45) : 58–60.
[8] Fanger P O, Angelius O, Jensen P K. Radiation data for the human body[J]. ASHRAE Transaction, 1970, 76(2) : 338–373.
[9] Horikoshi T, Tsochikrwa Y.Kobayashi. The effective radiation area and angle factor between man and a rectangular plane near him[J]. ASHRAE Transactions, 1990, 96(1) : 60–61.
[10] Jones B W, Hong S, McCullough E A. Detailed projected area data for the human body[J]. ASHRAE Transactions, 1998, 104(2) : 791–805.
[11] Ozeki Y, Narita C, Konishi M. Numerical calculation of angle factors between human body and rectangular Planes [C]//Awbi H B. Air Distribution in Rooms, 2000:27-33.
[12] 刘乃玲, 刘英杰, 方肇洪. 顶棚辐射供冷房间人体与环境换热的实验研究[J]. 制冷学报, 2012, 33(6) : 26–31.
Liu N L, Liu Y J, Fang Z H. Experimental research on heat transfer between human body and the environment in ceiling radiant cooling room[J]. Journal of Refrigeration, 2012, 33(6) : 26–31. (in Chinese)
[13] Wang Y, Meng X, Zhang L L, et al. Angle factor calculation for the thermal radiation environment of the human body[C]//Li Angui. Proceedings of the 8th International Symposium on Heating, Ventilation and Air Conditioning, Xian, China, 2013:447-456.
[14] Sparrow E M. A new and simpler formulation for radiation angle factors[J]. Heat Transfer, 1963, 85(2) : 81–87. DOI:10.1115/1.3686058
[15] 杨荣贤, 马庆芳, 原庚新, 等. 辐射换热角系数手册[M]. 北京: 国防工业出版社, 1982 : 3 -25.
[16] 堀越哲美, 小林阳太郎.关于热辐射在人体上影响的计算[J].陈启高, 译.建筑技术科研情报, 1978, (1):77-89.
[17] 李百战, 郑洁, 姚润明, 等. 室内热环境与人体热舒适[M]. 重庆: 重庆大学出版社, 2012 : 23 -43.
[18] Cullough M E A, Jones B W. IER Technical Report84-01, A comprehensive data base for estimating clothing insulation[R]. Institute for Environmental Research, Kansas State University, Manhattan, 1984.
[19] Bois D D, DuBois E F. A formula to estimate approximate surface area, if height and weight are known[J]. Archives of Internal Medicine, 1916, 17 : 863–871.