土木建筑与环境工程  2015, Vol. 37 Issue (3): 1-10   PDF    
受火后钢-混凝土组合梁材料性能试验研究
姚伟发, 黄侨, 张娟秀    
东南大学 交通学院桥梁工程系,南京 210096
收稿日期:2014-08-20
基金项目:交通运输部西部建设科技项目(2011318812970)
作者简介:姚伟发(1973-),男,博士,从事桥梁防灾减灾研究,(E-mail)ywfzjx@163.com
黄侨(通信作者),男,教授,博士生导师,(E-mail)qhuanghit@126.com
摘要:为研究火灾高温后组合梁桥的基本材料力学性能与特征,共制作3片具有代表性的缩尺梁模型:简支T形梁、简支箱形梁及连续箱形梁,利用火灾试验炉进行局部三面受火试验,并给出详细的试验方案。通过受火后取样试件与未受火试件的材性试验结果对比,可以发现受火(最高温度在700~900 ℃)对钢板材料的屈服强度及极限强度均有一定程度的降低,降低幅度为10%~20%;而钢板材料弹性模量随温度升高略有变化,但变化值不大。火灾对混凝土强度材性的影响可以忽略不计,但对其冷却后的材料强度有一定影响,相对于常温混凝土其强度会降低5%左右。
关键词桥梁    火灾    钢-混凝土组合梁    材料性能    试验    
Experimental analysis of the mechanical performance of steel-concrete girder under fire loading
Yao Weifa, Huang Qiao, Zhang Juanxiu    
Department of Bridge Engineering, School of Transportation, Southeast University, Nanjing 210096, P.R.China
Received: 2014-08-20
Foundation item: The Science and Technology Project on Transportation Construction in the West Region by the Ministry of Communications.(No.2011 318812970)
Author brief: Yao Weifa (1973-), PhD, main research interest:disaster prevention and mitigation engineering, (E-mail)ywfzjx@163.com.
Huang Qiao (corresponding author), professor, doctoral supervisor, (E-mail)qhuanghit@126.com.
Abstract: In order to investigate the basic mechanical performances of the composite girder under the fire loads, three typical experimental models including simple-support T-section girder, simple-support box-section girder, and continuous box-section girder, were built. After establishing a detailed experimental plan, a fire experiment loaded on three sides was conducted in a laboratory fire furnace. The comparative study on the material characteristics of steel between the models before and after the fire loads showed that the yield and limit strengths decreased by 10%~20 % after fire loads with the 700~900 ℃.The elastic modulus of the steel girder only slightly changed with the increase of temperature. The influence on the concrete material during the fire could be almost ignored; however, 5% decrease of the concrete material strength could be found after cooling off. The results provided good experimental and theoretical foundation for determining the basic material characteristics in the anti-fire design of the composite girders.
Key Words: bridges    fire    steel-concrete girder    material characters    experiments    

随着中国国民经济持续稳定增长和综合国力的增强,交通基础建设得到迅猛发展。然而,由于车辆的超载、超速、司机的疲劳驾驶等原因造成的交通事故越来越多。由事故及其他缘由所引发的桥梁火灾往往给桥梁带来了较大的损坏,严重时甚至引起桥梁垮塌,给人们生命及财产安全带来了巨大的损失[1-3]

对于中国跨线桥广泛使用的钢-混凝土组合梁桥来说,其结构具有良好的静动力性能和疲劳性能[4]。但在火灾高温作用下,由于钢材抗火的能力较之混凝土更差,与普通混凝土梁桥相比将会受到更大的损坏[5],甚至引起桥梁的坍塌破坏。具体来说,钢材在高温下强度和弹性模量降低,造成截面破坏和变形过大而失效、倒塌。钢筋虽有混凝土的保护,但在高温作用下强度降低,以致在外荷载引起的应力下提前屈服而引起截面破坏;混凝土强度和弹性模量随温度升高而降低[6];由于构件内部温度梯度的作用,可能造成构件开裂,弯曲变形;由于构件热膨胀,可能使相邻构件产生过大的位移和变形[7-8]

然而,关于火灾安全措施的规定主要是针对建筑设计所需,对桥梁设计却缺少相应的规定。例如美国AFPA 502:Standard for Road Tunnels,Bridges,and Other Limited Access Highways (公路隧道、桥梁及其他高速公路标准)规定:应该防止导致公路桥梁或高架桥结构及结构关键构件破坏或完全倒塌的碰撞及高温暴露发生。没有任何规范制定了关于如何保护桥梁防火以免发生破坏或倒塌。与此相似,欧洲标准EC-1 part2关于荷载的内容也没有包含任何桥梁防火的设计条款。即使欧洲相关的规范如EC-1 part1-2,EC-2 part1-2,EC-3 part1-2, EC-4 part1-2也忽略了桥梁防火内容。同样,中国的相关设计规范中也没有包含任何有关桥梁防火的设计条款。

为研究火灾高温后组合梁桥的基本材料力学性能与特征,制作了3片具有代表性的缩尺梁模型进行局部火灾试验,通过对受火后取样试件与未受火试件的材料试验结果进行对比,取得的一些有益的结论可为组合梁桥防火灾设计时材料基本特性取值提供基础试验积累与理论依据。

1 试验准备工作
1.1 试验样本

共制作了3片试验梁,代号分别为SCB1、SCB2以及SCB3,试验梁详细制作参数见表 1

表 1 试件设计参数 Table 1 Parameters of experimental design

钢梁均采用Q235钢板在钢构件制作公司加工制作,混凝土板在试验室人工拌制,并进行浇筑和养护。

1.2 试验设备

试验在东南大学火灾试验室进行,涉及的设备主要包括火灾试验炉、钢材拉伸试验机。火灾试验炉为大型水平试验炉(图 1),以天然气为燃料。组合梁的静力集中荷载采用千斤顶施加。

图 1 大型水平试验炉 Fig. 1 Large-sized horizontal experimental furnace

1.2.1 大型水平试验炉

炉体内尺寸:长×宽×高=4.0 m×3.0 m×1.5 m。

单跨梁最大受火尺寸:4 m×0.4 m×0.4 m。

炉内可增设分隔墙,分隔后的两部分炉体可单独使用也可同时使用;炉顶垂直加载系统可沿轨道移动。

1.2.2 钢材拉伸试验机

该机采用调速精度高、性能稳定的全数字伺服调速系统及伺服电机作为驱动系统,全数字控制器作为控制系统核心,以Windows为操作界面的控制与数据处理软件,实现试验力、试验力峰值、横梁位移、试验变形及试验曲线的屏幕显示。试验机主要参数为:试验力大小为1 000 kN;试验力测量范围:2%~100%FS;试验力示值精度:示值精度±1%;最大拉伸空间:520 mm;最大压缩空间:420 mm。

2 受火试验[9-13]
2.1 试验布置
2.1.1 SCB1梁

1) 火灾场景设计  设定1.4 m长的跨中部分梁段处于“三面”受火[10](梁顶面、翼缘板侧面不受火),为模拟工字形梁桥下局部受火,采用耐火隔热棉对未受火部位进行包裹隔热,支座构造为滚动简支,火灾场景模拟方案见图 2图 3

图 2 SCB1梁试验方案(单位:mm) Fig. 2 Experimental proposal of girder SCB1

图 3 SCB1梁试验方案实景 Fig. 3 Experimental scene of girder SCB1

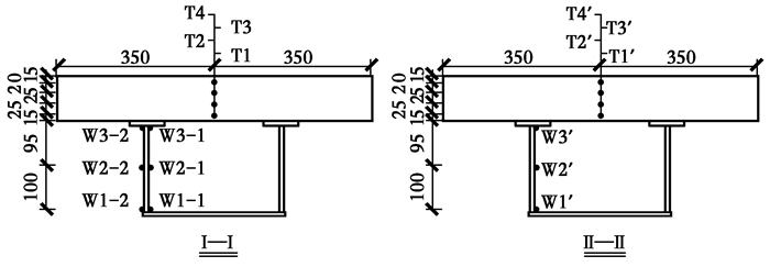
2) 温度测点布置  钢梁跨中截面为温度场测试主截面(截面Ⅰ-Ⅰ),共布置7个测点。钢梁沿梁肋共设置3个温度测点(W1~W3);混凝土板共设置4个测点(T1~T4),具体位置见图 4

图 4 SCB1梁温度测点布置及编号(单位:mm) Fig. 4 Thermal sensor arrangement and ID number of girder SCB1

为确保主截面测点温度数据正确性,在距主截面0.5 m处(截面Ⅱ-Ⅱ)与主截面相同高度位置处布置同数量的温度测点,钢梁沿梁肋设置3个测点(W1′~W3′),混凝土板内设置4个测点(T1′~T4′),见图 4中括号内编号。

2.1.2 SCB2梁

1) 火灾场景设计  与SCB1梁类似,不再赘述,SCB2梁的现场布置以及截面形式见图 5

图 5 SCB2梁试验方案实景 Fig. 5 Experimental scene of girder SCB2

2) 温度测点布置  以跨中截面为温度场测试主截面(截面I-I),共布置10个测点。钢梁上共设置6个温度测点,其中在腹板内侧设置3个测点(W1-1~W3-1),在腹板外侧相应位置设3个测点(W1-2~W3-2);混凝土板共设置4个测点(T1~T4)。

为确保主截面测点温度数据的正确性,在距主截面0.5 m处截面(截面Ⅱ-Ⅱ)上与主截面测点相同高度处布置温度场测点,箱梁腹板内侧布置3个测点(W1′~W3′),混凝土板内布置4个测点(T1′~T4′)。

测试截面与温度测点布置及编号见图 6(立面布置图与SCB1梁相同,见图 4)。

图 6 SCB2梁温度测点布置及编号(单位:mm) Fig. 6 Thermal sensor arrangement and ID number of girder SCB2

2.1.3 SCB3梁

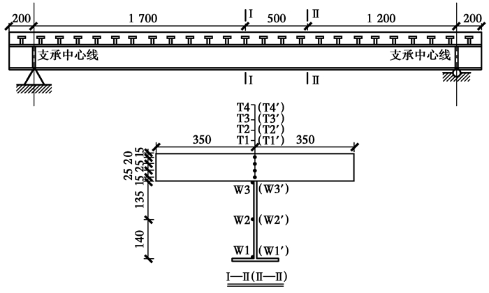
1) 火灾场景设计  按连续梁布置,设定单跨失火时,中支点负弯矩处长约1/3跨径(0.9m)部分箱形梁段处于“三面”受火(梁顶面、翼缘板侧面不受火),以模拟桥面局部受火,采用隔热棉对未受热部位进行严实包裹隔热,火灾场景模拟方案见图 7图 8

图 7 SCB3梁试验方案(单位:mm) Fig. 7 Experimental proposal of girder SCB3

图 8 SCB3梁试验方案实景 Fig. 8 Experimental scene of girder SCB3

2) 温度测点布置  SCB3梁截面形式与SCB2梁相同,仅立面布置略有不同,见图 9,其余均与SCB2梁一致。

图 9 SCB3梁温度测点立面布置(单位:mm) Fig. 9 Thermal sensor arrangement of girder SCB3 in elevation view

截面温度测点布置及编号同于SCB2梁,见图 6

2.2 温度荷载

桥梁发生火灾时,火场温度决定构件内部温度,从而决定了构件及结构的耐火时间。本试验采用国际标准化组织(ISO)制定的ISO834标准升温曲线[11](图 10),并恒定荷载(升温期间作用于梁上荷载不变)升温。

图 10 ISO834标准升温曲线 Fig. 10 Heating curve in ISO834

在点火前,首先对各试验梁常温加载,使其达到各自设计试验荷载。加载稳定后对试验梁做外观检查,三片试验梁外观检查均未见肉眼可见裂缝,测得试件变形较小。此外,亦未见试件其他异常情况,在再次确认测试仪器正常工作情况下,开始点火试验。

2.3 温度试验结果
2.3.1 水平试验炉

水平试验炉共分8个区,每区都设置了控温热电偶,热电偶采集的温度数据经计算机运算后与设定值进行比较,根据实际温度与目标温度的偏离情况由计算机发出信号给燃烧控制系统,自动调节炉温大小。

图 11所示为SCB1~SCB3梁试验时实测炉温与前述ISO834标准升温曲线的对比情况。在开始升温期间炉温与标准升温曲线相差较大,但历时较短(5 min),对构件受火试验影响不大。此后,炉内实测温度与标准升温曲线吻合较好。

图 11 试验炉升温曲线 Fig. 11 Heating curve in the experimental furnace

2.3.2 试验梁

1) SCB1梁  图 12给出SCB1试验梁顶板的温度实测值。图中可以看出,试件混凝土顶板存在较大的温度梯度,靠近钢腹板的测点温度最高,受火半小时后接近360 ℃;而混凝土顶板顶部测点的测试温度较低,受火半小时不到60 ℃;越靠近钢腹板,其温度越高,反之亦然。

图 12 SCB1梁顶板温度测点实测值 Fig. 12 Thermal measurements in the top plate in girder SCB1

图 13给出SCB1试验梁腹板的温度实测值。整体上来说,测点温度上升速度快,而相同试验时间混凝土板温度远低于钢梁温度。腹板W1及W2测点温度值非常接近,试验结束时温度接近800 ℃。测点W3由于受到顶板混凝土的影响,其值较其他两测点温度低100 ℃左右。

图 13 SCB1梁腹板温度测点实测值 Fig. 13 Thermal measurements in the web plate in girder SCB1

2) SCB2梁  图 14给出SCB2梁顶板混凝土温度实测数据,至试件受火试验结束,该位置温度仍较小,最大值未超过170℃,与SCB1梁相比,其值未到后者一半。而图 15给出的腹板测点实测值及增长规律均与SCB1梁类似。

图 14 SCB2梁顶板温度测点实测值 Fig. 14 Thermal measurements in the top plate in girder SCB2

图 15 SCB2梁腹板温度测点实测值 Fig. 15 Thermal measurements in the web plate in girder SCB2

3) SCB3梁  从试验开始至结束,顶板混凝土测点温度相较于腹板测点温度而言均处于较低水平,测点最高温度未超过280 ℃(图 16),而钢腹板最高温度已近900 ℃(图 17)。

图 16 SCB3梁顶板温度测点实测值 Fig. 16 Thermal measurements in the web plate in girder SCB3

图 17 SCB3梁腹板温度测点实测值 Fig. 17 Thermal measurements in the web plate in girder SCB3

3 受火后材料性能试验
3.1 材料试件取样

试验均从受火后的试件中截取材料性能试验样本,从被检测的结构或构件上直接截取材料试件进行试验,能反映被试材料实际的状态,尤其对于无论混凝土还是钢材, 由于在受火过程中其内部温度场分布不均匀,直接截取的材料试件实际上是一个非均匀层状试样,依此材料试件的测试结果更具代表性,且由于是实物分析,更加全面系统,因而, 具有更高的可信度。从工程上看,这种直观简便且可靠的取样方法,无论从现场的适应性还是经济性、安全性考虑,都有极大的发展前途和实用价值。

3.2 试验现象

SCB1、SCB2以及SCB3梁延火时间分别为32、34以及60 min。三者受火初期随温度升高,混凝土表面产生一定数量的水汽(图 18(a)),表面呈润湿状态,混凝土板内残余水份不断蒸发。随延火时间增长,试件跨中挠度有明显增加,梁端发生较大转动(图 18(b)),最终试验梁跨中变形均超过该梁跨度的1/30,此时受火试验结束。

图 18 SCB1与SCB2梁试验现象 Fig. 18 Experimental phenomenon of girders SCB1 and SCB2

整个试验过程SCB1、SCB2梁(简支梁)顶面混凝土板均未发现裂缝,但SCB3梁(连续梁)受火节段顶面混凝土板发现明显裂缝,且随受火时间不断发展。同时, SCB3梁卸载降温后,可见受火腹板、底板钢板呈青色;中支点负弯矩区箱梁受火梁段的中横隔板附近的底板、腹板均产生明显的屈曲现象(图 19)。

图 19 SCB3梁试验现象 Fig. 19 Experimental phenomenon of girders SCB3

3.3 钢材材性试验
3.3.1 试件取样

火灾高温对钢材的影响主要来自于以下3个方面:

1) 高温下原子的原有热振动加剧并且扩散,钢材产生软化,达到一定程度后抵消硬化的影响;

2) 高温下原子间的结合力降低,增大其滑移变形,减小了抗滑能力;

3) 在1 400 ℃以上时,钢材进入液态相,失去了抵抗荷载的能力。因此火灾高温对冷加工钢筋的影响大于热轧钢筋。同时,火灾高温的影响还与钢材种类和生产加工工艺有关。

针对本次试验梁,在其制作构件时,选用与其相同批次的钢材试样留待材性对比试验;并在构件受火试验完成后,采用机械切割的方式从试件中割取钢板试样用作受火后材性试验(图 20)。

图 20 试样钢板取样 Fig. 20 Sampling of the steel plate

3.3.2 试样尺寸

厚度大于3 mm的钢板矩形横截面试样[12](图 21(a)):LcL0+1.5 S01/2。式中:Lc为试样平行长度, mm;L0为试样原始标距, mm,L0=k S01/2,比例系数k值取为5.65;S0为试样原始横截面面积, mm2S0=a×ba为试样厚度, mm,b为试样平行长度的宽度,mm。

图 21 钢材试样加工图(单位:mm) Fig. 21 Processing plan for the steel test sample

试样均以机械加工的方式进行加工,平行长度和夹持头部之间以过渡弧连接,试样头部制成适合于试验机夹持的形状,夹持端和平行长度之间的过渡弧的半径为12 mm,试样加工设计图见图 21(b)。共制作27件试验试样(图 22),试样取样情况见表 2

图 22 机加工后钢板材性试验试样 Fig. 22 Samples for testing material performance of the processed steel plates

表 2 试样取样情况 Table 2 Test sampling condition

3.3.3 材性试验

钢板材性试验主要测定受火试验前后钢材屈服强度以及极限强度。同时, 粘贴钢筋应变计,以便在试样拉伸试验时测定钢材应变,从而测定钢材的弹性模量。其中,选取SCB0-1~SCB0-3、SCB1-1~SCB1-3、SCB2-1~SCB2-6及SCB3-1底/腹~SCB3-6底/腹试样粘贴应变计。

钢板的材性试验均在常温下进行,且试样以火灾试件自然冷却后割取的钢板制成,以确保试验所测材性为高温后材料的性能,钢材材性试验均在东南大学材料试验室试验机上按标准试验方法进行(图 23)。

图 23 钢材材性试验 Fig. 23 Experiments for testing material performance of steel

3.3.4 试验结果

表 3表 4分别给出了受火前后钢板屈服强度σy、极限强度σb的试验结果,试验结果表明钢板试样无论屈服强度或极限强度在经火灾环境高温作用后均较之常温下有一定程度降低,且屈服强度σy降低程度大于极限强度σb。以高温后钢板强度实测值与常温下钢板强度实测值比较可知,SCB1、SCB2构件钢腹板强度降低10%~15%(受火最高温度在700~800 ℃),SCB3试件钢腹板屈服强度降低20%左右(受火最高温度在800~900 ℃)。三者极限强度降低幅度均小于其屈服强度的降低幅度,在受火最高温度700~800 ℃情况下钢材的极限强度降低最大幅度在10%左右,在受火最高温度不超过800~900 ℃情况下钢材的极限强度降低最大幅度在15%左右。

表 3 火烧前、后钢板的屈服强度σy试验结果 Table 3 Test results of the yield strength σy of steel plate before and after fire

表 4 火烧前、后钢板的极限强度σb试验结果 Table 4 Test results of the limit strength σb of steel plate before and after fire

表 5给出钢板弹性模量的试验结果,可以发现试样钢材的弹性模量在700~900 ℃高温后已有所降低,但变化量不大。在最高受火温度不超过900 ℃时,高温后钢材弹性模量的变化可以忽略不计。

表 5 火灾前后钢材的弹性模量试验结果 Table 5 Test results of the elastic modulus of steel plate before and after fire

依据试件上粘贴的钢筋应变计测得的数据经综合分析后可以绘制出未受火及经历不同高温自然冷却后钢材的应力-应变曲线图,见图 24。由图可知钢材的弹性模量和屈服强度的变化前述一致,此处不再赘述。

图 24 受火前后钢材应力-应变曲线 Fig. 24 Stress-strain curves of steel plate before and after fire

3.4 混凝土材性试验
3.4.1 试件取样

一般来说,高温造成混凝土强度损失和变形性能退化的主要原因有:

1) 水分蒸发后形成的内部空隙和裂缝;

2) 粗骨料和其周围水泥砂浆体的热工性能不协调,产生变形差和内应力;

3) 骨料本身受热膨胀破裂,这些内部损伤的发展和积累随温度升高而更加严重;

4) 当温度达到某一数值时,水泥石中的氢氧化钙开始分解导致水泥石结构破坏;

5) 混凝土内部温度梯度引起的内应力将导致裂缝产生与发展。

在受火试件混凝土板浇筑时,以同批次混凝土制作两组共6块150 mm×150 mm×150 mm标准尺寸混凝土立方体试块(试件编号1~6)。该组混凝土试样与试件以相同条件进行养护,在常温下测试其强度,以确定试件混凝土的立方体强度。

SCB1~SCB3试件受火试验后,在受火部位以取芯的方式从受火后的试验梁中取出圆柱形混凝土试块。高径比为1:1时,公称直径为70~75 mm圆柱体芯样试件的抗压强度与标准芯样试件(公称直径为100 mm,高径比为1:1的混凝土圆柱体试件)的抗压强度基本相当[13],因此,每个试件分别取出3块70 mm×70 mm的混凝土圆柱体(试件编号SCB1-1~SCB3-3),测出的圆柱体混凝土强度即为高温后混凝土标准芯样试件混凝土强度,取芯后混凝土试样见图 25

图 25 试件混凝土取样 Fig. 25 Concrete test samples

由于混凝土板底部直接受火,混凝土受损较严重,取芯时,板底部混凝土发生了破损现象,见图 25(b),后期混凝土强度试验用芯样试件均以去除这部分破损混凝土后并用磨光机进行端面处理后加工而成。

3.4.2 材性试验与数据

为使试验结果比较更具合理性,受火前后混凝土强度试件试验时间均安排在同一天进行。试验在东南大学材料试验室液压式压力试验机上进行,表 6给出了常温与受火烧后混凝土立方体强度测试值。

表 6 常温下试件混凝土强度 Table 6 Strength of the test samples in normal temperature

表 7给出了受火后依圆柱形混凝土试块测定的混凝土强度。

表 7 高温后试件混凝土强度 Table 7 Strength of the test samples in high temperature

对比表 6表 7可以看出,对于受火时间不长的SCB1梁(32 min)与SCB2梁(34 min)混凝土试件,其温度场处于较低水平,混凝土冷却后,其强度相较于常温混凝土强度降低幅度不到2%,火灾对其强度影响有限,可以认为未发生显著变化。但是对于受火时间较长的SCB3梁(60 min)混凝土试件,火灾对其冷却后的强度有一定影响,相对于常温混凝土其强度会降低5%左右,但影响程度小于火灾高温对同样试验条件钢板的影响。

4 结论

针对火灾高温后钢-混凝土组合梁的材料性能进行试验研究,共制作3片钢-混凝土组合梁试验构件,分别为简支T形梁、简支箱形梁及连续箱形梁。通过受火后取样试件与未受火试件的材性试验结果对比,得到以下结论:

1) 受火(最高温度在700~900 ℃)对钢板材料的屈服强度及极限强度均有一定程度的降低,可以达到15%~20%。

2) 受火(最高温度在700~900 ℃)环境下钢板材料弹性模量随温度升高略有变化,但变化值不大,故对于钢腹板火灾高温后弹性模量可不予折减。

3) 标准升温曲线下受火时间小于30 min,可忽略不计火灾对混凝土强度材性的影响。

4) 标准升温曲线下受火时间大于60 min,火灾对其冷却后的材料强度有一定影响,相对于常温混凝土其强度会降低5%左右。

参考文献
[1] Kodur V, Gu L, Garlock M E M. Review and assessment of fire hazard in bridges [C]//Proceedings of the TRB Annual Meeting, Washington D C, 2010.
[2] Garlock M E, Paya-Zaforteza I, Gu L, et al. Fire hazard in bridges: review, assessment and repair strategies[J]. Engineering Structures, 2012, 35 : 89–98. DOI:10.1016/j.engstruct.2011.11.002
[3] Neves I C, Branco F A, Valente J C. Effects of formwork fires in bridge construction[J]. Concrete International, 1997, 19(3) : 41–46.
[4] 黄侨. 桥梁钢-混凝土组合结构设计原理[M]. 北京: 人民交通出版社, 2011 .
Huang Q. The design principle of steel-concrete composite bridges[M]. Beijing: China Communications Press, 2011 . (in Chinese)
[5] Astaneh-Asl A, Noble C R, Son J, et al.Fire protection of steel bridges and the case of the macarthur maze fire collapse[EB/OL].Lifeline Earthquake Engineering in a Multihazard Environment, 2009.
[6] 阎慧群, 王清远, 闫宁. 高温下及高温后钢筋混凝土结构性能评述[J]. 重庆建筑大学学报, 2003, 25(3) : 110–114, 119.
Yan H Q, Wang Q Y, Yan N. Behavior of reinforced concrete structure under and after high temperature: A review[J]. Journal of Chongqing Jianzhu University, 2003, 25(3) : 110–114, 119. (in Chinese)
[7] 王振清, 朱大雷, 韩玉来, 等. 火灾下钢筋混凝土结构热弹塑性变形分析[J]. 土木建筑与环境工程, 2010, 32(1) : 78–83.
Wang Z Q, Zhu D L, Han Y L, et al. Deformation analysis of thermo elastic plastic on reinforced concrete structure subjected to fire[J]. Journal of Civil, Architectural & Environmental Engineering, 2010, 32(1) : 78–83. (in Chinese)
[8] Branco F A, Mendes P A. Thermal actions for concrete bridge design[J]. Journal of Structural Engineering, 1993, 119(8) : 2313–2231. DOI:10.1061/(ASCE)0733-9445(1993)119:8(2313)
[9] 董毓利, 王德军. 框架组合梁抗火性能试验[J]. 哈尔滨工业大学学报, 2008, 40(2) : 178–182.
Dong Y L, Wang D J. Experimental study on behavior of frame composite steel beams in fire[J]. Journal of Harbin Institute of Technology, 2008, 40(2) : 178–182. (in Chinese)
[10] 时旭东, 过镇海. 高温下钢筋混凝土受力性能的试验研究[J]. 土木工程学报, 2000, 33(6) : 6–16.
Shi X D, Guo Z H. Investigation on the behavior of reinforced concrete at elevated temperature[J]. China Civil Engineering Journal, 2000, 33(6) : 6–16. (in Chinese)
[11] International Organization for Standardization. ISO/834 Fire resistance test on elements of building const-ruction [S].2012.
[12] 中华人民共和国国家质量监督检验检疫总局.GB/T228-2002金属材料室温拉伸试验方法[S].北京:中国标准出版社, 2002.
General Administration of Quality Supervision, Inspection and Quarantine of the People′s Republic of China.GB/T228-2002 Metallic materials-tensile testing at ambient temperature [S].Beijing: Standards Press of China, 2002.
[13] 中国工程建设标准化协会.CECS 03: 2007钻芯法检测混凝土强度技术规程[S].北京:中国计划出版社, 2007.
CECS 03: 2007 Technical specification for testing concrete strength with drilled core [S].Beijing:China Planning Press, 2007.