土木建筑与环境工程  2015, Vol. 37 Issue (6): 70-77   PDF    
结构消(耗)能元件芯材SN490B本构关系数值模拟
柳晓晨1,2, 王元清1, 戴国欣2, 王佼姣1, 石永久1    
1. 清华大学 土木工程安全与耐久教育部重点实验室,土木工程系,北京100084;
2. 重庆大学 山地城镇建设与新技术教育部重点实验室,土木工程学院,重庆400045
收稿日期:2015-03-24
基金项目:国家自然科学基金(51038006)
作者简介:柳晓晨(1990-),女,主要从事钢结构研究, (E-mail)lxc2013210127@163.com
摘要:采用消(耗)能元件的结构在遭受地震作用时,元件芯材首先屈服进入塑性阶段,利用其滞回变形消耗地震输入能量,保护主体结构,元件芯材本构关系的数值模拟是对采用消(耗)能元件结构进行抗震分析与设计的基础。为更真实地模拟结构消(耗)能元件芯材在单调和循环荷载下的本构响应,更准确地对采用消(耗)能元件结构进行结构弹塑性地震响应分析,对常用作消(耗)能元件芯材的日本高延性钢材SN490B的单调、循环加载本构及循环骨架曲线进行了数值模拟,包括:采用Esmaeily-Xiao二次流塑性模型模拟材料在单调荷载作用下弹性段、屈服段、强化段和二次流塑段4个阶段;采用混合强化模型模拟材料循环荷载作用下的本构响应,运用大型通用有限元软件ABAQUS结合数值模拟参数对16种不同循环加载制度下的循环加载试验进行模拟,并与试验结果进行对比;采用Ramberg-Osgood模型、无量纲化的Ramberg-Osgood模型及两段式模型模拟循环骨架曲线。研究结果表明:所采用数学模型可以较好地模拟SN490B钢材单调、循环加载本构响应及循环骨架曲线,数值模拟与试验结果拟合较好。
关键词SN490B    本构模拟    循环加载    滞回性能    有限元分析    
Numerical simulation of constitutive relation of core material SN490B used in energy dissipation device
Liu Xiaochen1,2, Wang Yuanqing1, Dai Guoxin2, Wang Jiaojiao1, Shi Yongjiu1    
1. Key Laboratory of Civil Engineering Safety and Durability of China Education Ministry; Department of Civil Engineering, Tsinghua University, Beijing 100084, P.R. China;
2. Key Laboratory of New Technology for Construction of Cities on Mountain Area; School of Civil Engineering, Chongqing University, Chongqing 400045, P.R. China
Received: 2015-03-24
Foundation item: National Natural Science Foundation of China (No.51038006)
Author brief: Liu Xiaochen (1990-), main research interest: steel structure, (E-mail)lxc2013210127@163.com.
Abstract: When structure using energy dissipating device suffers from earthquake, its core materials will first go into the plastic yield stage and consume earthquake input energy by hysteretic deformation to protect the main structure. Therefore, the numerical simulation of core materials constitutive relation is the basis of seismic analysis and design with dissipation device. Theconstitutive relation of energy dissipation device under monotonic loading and cyclic loading elastic-plastic seismic response of the structure with energy dissipation device were investigated in the numerical simulation of monotonic constitutive relation, cyclic constitutive relation and skeleton curve of SN490B steel. The simulations include the four stages which are elastic stage, collapse stage, strain-hardening stage and secondary flow plastic stage of core material using Esmaeily-Xiao secondary flow plasticity model; the constitutive response of core materials under cyclic loading using combined hardening; the skeleton curve using the Ramberg-Osgood model, dimensionless Ramberg-Osgood skeleton curve model and double-linear model. Based on finite element software ABAQUS combined with numerical simulation parameters, numerical simulation of 16 different cyclic loading tests was conducted and compared with the test results. The results show that: mathematical model can be used to simulate the monotonic constitutive response, cyclic constitutive response and cyclic skeleton curve of SN490B steel accurately. Numerical simulation and experimental results fit well.
Key Words: SN490B    constitutive relations    cyclic loading    hysteretic behavior    CAE    

地震造成的灾害首先是建筑物的破坏,耗能减震技术通过在结构中布置消(耗)能元件,当地震作用时,消(耗)能元件作为牺牲构件首先屈服进入塑性阶段,通过滞回耗能,改变能量在结构中的分配,避免结构主体和主要受力构件吸收过多的地震能量而出现严重破坏,实现对结构的保护。消(耗)能元件性能主要取决于用于滞回耗能的元件芯材性能。通常用作元件芯材的钢材主要有低屈服点钢材及高延性钢材,如日本SN系列钢材、LY系列钢材、中国的BLY系列钢材及部分碳素结构钢[1-4]

针对用作消(耗)能元件芯材钢材的研究主要集中于钢材的制造工艺参数[5-8]、拉伸性能[69-12]、滞回性能及低周疲劳性能[12-16],对本构关系的数值模拟研究较少。因此,笔者采用不同的数学模型对常用作消(耗)能元件芯材的日本高延性钢材SN490B的单调、循环加载本构响应及循环骨架曲线进行了数值模拟,并运用大型通用有限元软件ABAQUS结合数值模拟参数模拟16种不同循环加载制度下的循环加载试验,与试验结果进行对比,为采用消(耗)能元件的实际工程抗震分析与设计提供借鉴。

1 单调加载本构关系数值模拟

钢材单调加载应力应变曲线的模拟采用简化后的二次塑流模型,该模型由Esmaeily等[17]提出,分为4个阶段:弹性段、屈服段、强化段和二次塑流段,采用二次曲线模拟强化段及二次塑流段,如图 1所示。

图 1 简化后的二次塑流模型 Fig. 1 The simplified secondary flow plasticity model

通过调节K1K2K3K4四个参数模拟不同种钢材的力学性能,其数学表达式如式(1)。

$ \begin{array}{l} \sigma = \\ \left\{ \begin{array}{l} {E_{\rm{s}}}\;\;\;\;\;\;\;\;\;\;\;\;\;\;\;\;\;\;\;\;\;\;\;\;\;\;\;\;\;\;\varepsilon \le {\varepsilon _{\rm{y}}}\\ {f_{\rm{y}}}\;\;\;\;\;\;\;\;\;\;\;\;\;\;\;\;\;\;\;\;\;\;\;{\varepsilon _{\rm{y}}} \le \varepsilon \le {K_1}{\varepsilon _{\rm{y}}}\;\\ \frac{{{K_4}{f_{\rm{y}}} + (1-{K_4}){f_{\rm{y}}}}}{{{{({K_1}-{K_2})}^2}{\varepsilon _{\rm{y}}}}}(\varepsilon-{K_2}{\varepsilon _{\rm{y}}})\;\;\;{K_1}{\varepsilon _{\rm{y}}} \le \varepsilon \le {K_1}{\varepsilon _{\rm{y}}} \end{array} \right. \end{array} $ (1)

式中:Es为钢材弹性模量、fy为屈服应力、K1为材料强化段起始应变与屈服应变之比、K2为峰值点应变与屈服应变之比、K3为极限应变与屈服应变之比,K4为峰值应力与屈服应力之比。

根据王元清等[4]对SN490B钢材的材性试验数据运用Origin8.5自定义曲线功能进行拟合,整理计算所得模型各参数如表 1所示。

表 1 单调加载二次塑流模型参数 Table 1 Parameters of monotonic stress-strain model

数值模拟曲线与试验数据曲线对比如图 2所示,由图可知,数值曲线与试验数据曲线拟合较好,选用表 1参数的二次塑流模型可以较好的模拟SN490B钢材单调拉伸应力-应变曲线。

图 2 单调加载试验与数值模拟对比曲线 Fig. 2 Comparison of experimental curves under monotonic load with the model

2 循环加载本构关系数值模拟
2.1 数值模型

采用大型通用有限元软件ABAQUS对SN490B钢材循环加载本构响应进行数值模拟,从弹性、塑性两个方面定义材料属性参数。

材料的弹性属性由杨氏弹性模量E和泊松比μ确定。泊松比μ取0.3,弹性模量E根据表 1的试验数据取为198 900 N/mm2

材料在循环荷载作用下的塑性属性采用混合强化模型模拟,混合强化模型由各向同性强化和随动强化两部分构成[18]。描述材料在循环荷载作用下料塑性属性的参数有:等效塑性应变为零时的屈服面等效应力(即材料的屈服强度)ó|0、随动强化参数初值Ck、随动强化参数减小比率γk、屈服面最大变化值Q以及硬化参数b

各项同性强化模型参数Qb的取值,参照ABAQUS的帮助文档提供的方法,由对称加载试验数据结合式(2)~(4)[18]拟合而得。选取对称应变控制加载、应变幅为Δε的循环加载试验数据,由于材料的弹性模量相对于强化模量较大,试验可以近似理解为在相同塑性应变幅下的循环加载,如图 3所示,塑性应变幅为ΔεplΔε-2σ1t/E。取出n组试验数据点(εipl, σit),各向同性强化屈服面大小即为图 3中点(εipl, σit)与点(εipl, σic)沿σ轴距离的$\frac{1}{2}$,根据式(2)可求得其数值。将塑性应变幅Δεpl代入式(3)转换可得对应于每个屈服面σi0的等效塑性应变$\bar \varepsilon _i^{{\rm{pl}}}$。将此n组数据(σi0, $\bar \varepsilon _i^{{\rm{pl}}}$)根据公式(4)拟合,即可得屈服面最大变化值Q和硬化参数b,拟合结果如表 2所示。

图 3 对称应变循环试验曲线 Fig. 3 Stress-strain curves under cyclic symmetric strain load

表 2 循环强化参数 Table 2 Parameters of the cyclic hardening

$ \sigma _i^0 = \sigma _i^{\rm{t}}-(\sigma _i^{\rm{t}} + \sigma _i^{\rm{c}})/2 $ (2)
$ \bar \varepsilon _i^{{\rm{pl}}} = \frac{1}{2}(4i-3)\mathit{\Delta }{\varepsilon ^{{\rm{pl}}}} $ (3)

式中:$\bar \varepsilon _i^{{\rm{pl}}}$为等效塑性应变;σ0为屈服面大小。

随动强化模型参数Ckγk的取值,参照ABAQUS的帮助文档提供的方法,由固定应变幅Δε循环加载直到稳态(即本循环和下一循环应力应变曲线形状不再改变)试验数据结合式(5)~(7)[18]拟合而得。固定应变幅Δε循环加载直到稳态所得的稳态循环曲线如图 4所示。以稳态循环曲线上的某个试验数据点(εi, σi)为例,该点相对于点(-εp0, 0)的塑性应变εipl大小等于AB两点的距离,如图 4所示,按照式(5)可以求得其数值。该点相对于屈服面中心(σ1+σn)/2的应力大小αi可以由式(6)求得。将此n组数据点(αi, εipl)根据式(7)拟合,并经过与第一个数据点(σ1, 0)的准确匹配,即可得随动强化参数初值Ck和随动强化参数减小比率γk

图 4 稳定循环曲线 Fig. 4 Stress-strain curves under steady cyclic load

$ \varepsilon _i^{{\rm{pl}}} = {\varepsilon _i}-\frac{{{\sigma _i}}}{E}-\varepsilon _{\rm{p}}^0 $ (5)
$ {\alpha _i} = {\sigma _i}-({\sigma _1} + {\sigma _n})/2 $ (6)
$ {\alpha _i} = \frac{{{C_{\rm{k}}}}}{{{\gamma _{\rm{k}}}}}(1-{{\rm{e}}^{-{\gamma _{\rm{k}}}{\varepsilon ^{{\rm{pl}}}}}}) $ (7)

采用上述方法对王元清等[4]对SN490B钢材材性试验加载制度为H7、H8的试验数据进行处理,并运用Origin8.5自定义曲线功能进行拟合,校对和调整后得ABAQUS中cycle hardening中的材料参数如表 2所示,运用表 2中参数定义材料属性,对试验进行数值模拟,数值曲线与试验数据曲线对比如图 7(e)(f)所示,拟合效果较好。

2.2 有限元模拟

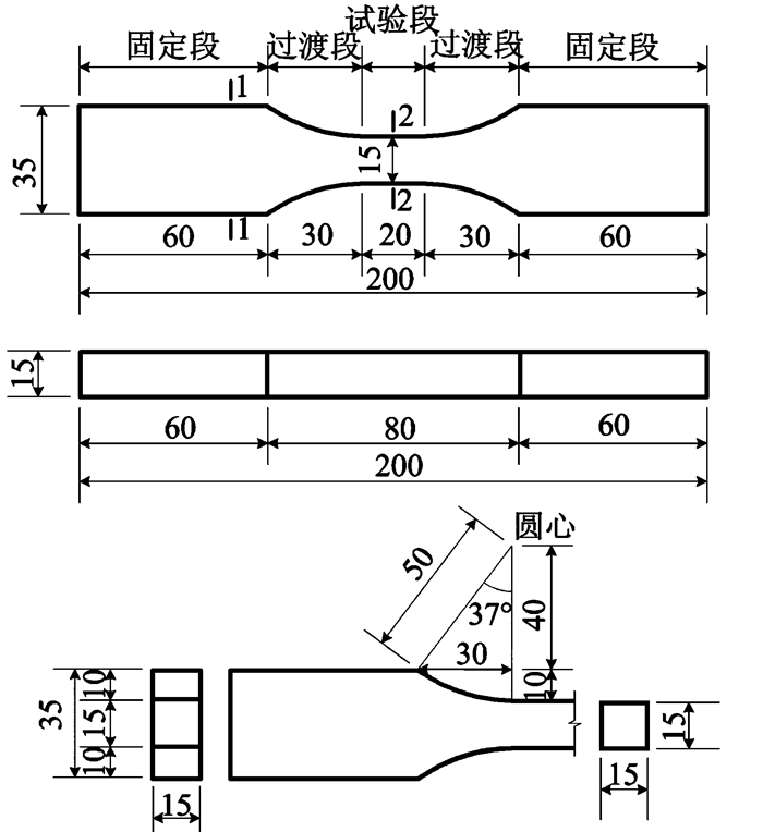
王元清等[4]针对SN490B钢材的循环加载试验试件尺寸如图 5所示,试件由固定段、过渡段和试验段3部分构成。在ABAQUS中建立试验段模型即15 mm×15 mm×20 mm的长方体,单元类型采用8节点六面体线性减缩积分单元C3D8R,指定参考点RP(20, 7.5, 7.5),并将参考点与实体相关联。

图 5 SN490B试件尺寸图 Fig. 5 dimension figure of SN490B specimens

采用表 2中的参数分别定义ABAQUS材料属性模块中Elastic、Plastic和cyclic hardening部分的材料属性参数。在Load功能模块定义边界条件和位移加载过程:将试验段的一端视为固定端Set-1-fixed,另一端进行位移加载Set-2-RP,在Tools-Amplitude-manager中根据图 7所示试验实际加载情况定义加载制度。在Job功能模块中提交分析。

2.3 有限元模拟结果

将分析结果绘成应力应变曲线,并与图 6所示16种循环加载制度下实际试验数据绘成的应力应变曲线进行比较,比较结果如图 7所示。

图 6 试件编号及加载制度 Fig. 6 Specimen number and cyclic loading schemes

图 7 有限元模拟试验结果与实际试验结果应-力应变曲线对比 Fig. 7 Comparative stress-strain curves of finite element analysis results and experimental results

由有限元模拟试验结果与实际试验结果应力应变曲线的对比可知:有限元软件中模拟的循环加载结果与实际试验循环加载结果拟合程度较高,由试验所得循环强化参数适用于实际工程。

2.4 循环加载骨架曲线数值模拟

循环荷载作用下,单调加载下的屈服平台效应不再明显,当钢材单调加载过屈服点,卸载后再次加载过屈服点后,应力应变关系沿骨架曲线前进[2]。连接各次滞回曲线峰点所形成的骨架曲线给出了材料发生塑性变形后的应力路径,能够直观反映单调和循环荷载下钢材响应的不同。

当后续编程开发SN490B材料在单调和循环荷载作用下的滞回规则以形成完整的本构模型用于地震作用结构反应计算、提高计算效率时,材料首次加载按照已经验证过的简化后的二次塑流模型,卸载按弹性直线卸载,再次加载,应力应变关系过屈服点后,沿骨架曲线前进,本文采用式(8)所示变形形式Ramberg-Osgood方程[18]对4种以ε=0为中心对称循环加载的骨架曲线进行拟合。为简化计算,将式(9)带入式(8)进行无量纲化处理得式(10),再对骨架曲线进行拟合。

$ \frac{{\mathit{\Delta }\varepsilon }}{2} = \frac{{\mathit{\Delta }{\varepsilon _{\rm{e}}}}}{2} + \frac{{\mathit{\Delta }{\varepsilon _{\rm{p}}}}}{2}{\rm{ = }}\frac{{\mathit{\Delta }\sigma }}{{2E}} + {(\frac{{\mathit{\Delta }\sigma }}{{2K'}})^{\frac{1}{{n'}}}} $ (8)
$ \tilde \varepsilon = \frac{\varepsilon }{{{\varepsilon _{\rm{y}}}}}, \tilde \sigma = \frac{\sigma }{{{\sigma _{\rm{y}}}}} $ (9)
$ \tilde \varepsilon {\rm{ = }}\tilde \sigma + {(\frac{{\tilde \sigma }}{{\tilde K}})^{\frac{1}{n}}} $ (10)

式中:Δε为总应变幅;Δεe为弹性应变幅;Δεp为塑性应变幅;Δσ为稳定的应力幅;E为钢材的弹性模量;K′为循环强化系数;n′为循环强化指数; $\tilde \varepsilon、\tilde \sigma、\tilde K、\tilde n$为无量纲化后的应变、应力、循环强化系数以及循环强化指数。无量纲化前后的循环骨架曲线拟合参数及试验与数值模拟对比曲线如表 3图 8(a)(b)所示,由图可知此方程可以较好地拟合循环骨架曲线。

图 8 循环骨架曲线试验与数值模拟对比曲线 Fig. 8 Comparative analysis of experimental results and cyclic skeleton curves using Ramberg-Osgood model

表 3 循环骨架曲线拟合参数 Table 3 Parameters of cyclic skeleton curves

为便于编程及滞回准则的实现,骨架曲线需包含屈服点,因此, 进一步采用文献[2]提出的两段式模型对循环骨架曲线进行拟合,拟合后的骨架曲线分为弹性阶段和循环强化阶段,具体表达形式如式(11)。

$ \tilde ó = \left\{ {\begin{array}{*{20}{l}} {\tilde \varepsilon \;\;\;\;\;\;\;\;\;\;\tilde \varepsilon \le 1}\\ {\frac{{(\tilde \varepsilon + a)}}{{{b_0} + {b_1}(\tilde \varepsilon + a) + {b_2}{{(\tilde \varepsilon + a)}^2}}}\;\;\;\;\tilde \varepsilon \ge 1} \end{array}} \right. $ (11)

式中:$\tilde \varepsilon、\tilde \sigma $为无量纲化后的应变、应力;ab0b1b2是控制循环骨架曲线形状的参数。拟合参数及试验与数值模拟对比曲线如表 3图 8(c)所示。由图 8可知,两段式模型对SN490B循环骨架曲线拟合效果较好。

3 结论

通过对常用作消(耗)能元件芯材的日本高延性钢材SN490B的单调、循环加载本构响应及循环骨架曲线的数值模拟及运用有限元软件ABAQUS对16种不同循环加载制度下的循环加载试验的模拟可得以下结论:

1) 简化后的二次塑流模型Esmaeily-Xiao模型可以较好的模拟材料在单调荷载作用下的4个阶段:弹性段、屈服段、强化段和二次塑流段。

2) 采用随动强化模型模拟材料在循环荷载作用下的响应所得拟合参数,运用大型通用有限元软件ABAQUS对16种不同循环加载制度下的循环加载试验的模拟效果较好,适用于工程实际。

3) 无量纲化前后的Ramberg-Osgood方程可以较好地拟合循环骨架曲线,两段式模型拟合后的骨架曲线分为弹性阶段和循环强化阶段,并包含屈服点,便于后续编程及滞回准则的实现。

参考文献
[1] 柳晓晨, 王元清, 戴国欣, 等.用于结构消(耗)能的高延性钢材性能研究进展[C]//天津:第十三届全国现代结构工程学术研讨会会议论文集, 2013:129-137.
Liu X C, Wang Y Q, Dai G X, et al.A review of property of high ductility steel used in energy dissipation structures [C]//Tianjin:Proceedings of the 13th National Conference on Modern Structural Engineering, 2013:129-137. (in Chinese)
[2] 石永久, 王萌, 王元清. 结构钢材循环荷载下的本构模型研究[J]. 工程力学, 2012, 29(9) : 92–105.
Shi Y J, Wang M, Wang Y Q. Study on constitutive model of structural steel under cyclic loading[J]. Engineering Mechanics, 2012, 29(9) : 92–105. (in Chinese)
[3] Shi Y J, Wang M, Wang Y Q. Experimental and constitutive model study of structural steel under cyclic loading[J]. Journal of Constructional Steel Research, 2011, 67(8) : 1185–1197. DOI:10.1016/j.jcsr.2011.02.011
[4] 王元清, 柳晓晨, 戴国欣, 等. 循环荷载下SN490B钢材本构关系试验研究[J]. 建筑结构学报, 2014, 35(4) : 142–148.
Wang Y Q, Liu X C, Dai G X, et al. Experimental study on constitutive relation of steel SN490B under cyclic loading[J]. Journal of Building Structures, 2014, 35(4) : 142–148. (in Chinese)
[5] Yamaguchi T, Okada T, Hasegawa H, et al. Development and commercialization of steels for construction use[J]. Nippon Steel Technical Report, 1995, 66 : 17.
[6] 王威, 吕西林, 徐崇恩. 低屈服点钢在结构振动与控制中的应用研究[J]. 结构工程师, 2007, 23(6) : 83–93.
Wang W, Lyu X L, Xu C E. Engineering applications of low yield point steel in structural vibration control[J]. Structural Engineers, 2007, 23(6) : 83–93. (in Chinese)
[7] 宋凤明, 温东辉, 李自刚, 等. 低屈服点钢的发展及应用[J]. 热加工工艺, 2008, 37(6) : 85–88.
Song F M, Wen D H, Li Z G, et al. Application and development of low yield point steel[J]. Material and Heat Treatment, 2008, 37(6) : 85–88. (in Chinese)
[8] 屈朝霞, 许磊, 温东辉. 宝钢低屈服点钢BLY225的焊接性能[J]. 建筑钢结构进展, 2009, 11(5) : 20–24.
Qu Z X, Xu L, Wen D H. Welding properties of BLY225 low yield strength steel development bu baosteel[J]. Progress in Steel Building Structures, 2009, 11(5) : 20–24. (in Chinese)
[9] Nakashima M, Iwai S, Iwata M, et al. Energy dissipation behaviour of shear panels made of low yield steel[J]. Earthquake Engineering & Structural Dynamics, 1994, 23(12) : 1299–1313.
[10] Tanemi Y, Toru T, Toshimichi N. Seismic control devices using low-yield-point steel[J]. Nippon Steel Technical Report, 1998, 78 : 65–72.
[11] Chou C C, Tsai K C. Plasticity‐fibre model for steel triangular plate energy dissipating devices[J]. Earthquake Engineering & Structural Dynamics, 2002, 31(9) : 1643–1655.
[12] 宋凤明, 温东辉, 李陈, 等. 极低屈服点钢低周疲劳特性[J]. 钢铁研究学报, 2010, 22(5) : 37–40.
Song F M, Wen D H, Li C, et al. Low cycle fatigue characteristic of ultra-low yield point steel[J]. Journal of Iron and Steel Research, 2010, 22(5) : 37–40. (in Chinese)
[13] Saeki E, Sugisawa M, Yamaguchi T, et al. Mechanical properties of low yield point steels[J]. Journal of Materials in Civil Engineering, 1998, 10(3) : 143–152. DOI:10.1061/(ASCE)0899-1561(1998)10:3(143)
[14] 温东辉, 宋凤明. 低屈服点钢在建筑抗震设计中的应用[J]. 宝钢技术, 2007(2) : 9–12.
Wen D H, Song F M. Application of low yield point steel in design of earthquale resitant buildings[J]. Bao Steel Technology, 2007(2) : 9–12. (in Chinese)
[15] 贾明明, 张素梅, 吕大刚, 等.钢材屈服强度对抑制屈曲支撑耗能减振作用的影响[C]//全国结构工程学术会议, 武汉, 2008:580-586.
Jia M M, Zhang S M, Lyu D G.Influence of steel yielding stength on enegy dissipation and vibration control performence of buckling-restrained braces [C]//Proceedings of the 17th Structural Engineering Academic Conference, Wuhan, 2008:580-586. (in Chinese)
[16] 孙涛.低屈服点钢的动态本构关系及其抗爆吸能性能研究[D].哈尔滨:哈尔滨工业大学, 2011.
Sun T.Study of low yield point steel's dynamic constitutive relationship and its performance on explosion enegy absorption[D].Harbin:Harbin Institute of Technology, 2011. (in Chinese)
[17] Esmaeily A, Xiao Y. Behavior of reinforced concrete columns under variable axial loads:analysis[J]. ACI Structural Journal, 2005, 102(5) : 736–744.
[18] ABAQUS.Analysis user's manual I_V [M].Version 6.9, USA:ABAQUS, Inc., Dassault Systèmes, 2009.
[19] Ramberg W, Osgood W R. Description of stress-strain curves by three parameters[J]. Washington:National Advisory Committee for Aeronautics, 1943 : 1–22.