土木与环境工程学报  2022, Vol. 44 Issue (2): 48-59   doi: 10.11835/j.issn.2096-6717.2021.020   PDF    
唐代殿堂型木构架抗侧力性能影响参数分析
王娟 1a,1b, 许刃文 1a,1b, 张熙铭 1a,1b, 杨庆山 2,1b     
1a. 北京交通大学 土木建筑工程学院, 北京 100044;
1b. 北京交通大学 结构风工程与城市风环境北京市重点实验室, 北京 100044;
2. 重庆大学 土木工程学院, 重庆 400044
摘要:唐代殿堂型木结构是中国最早的木结构建筑遗存,具有极其珍贵的历史文化和科学研究价值。为深入研究此类木构架的抗侧力性能,建立了经模型试验验证的唐代殿堂型木结构单间四柱空间木构架精细化有限元模型,探究斗栱-梁架一体化铺作层构造,柱脚管脚榫、柱头馒头榫等弱连接节点形式以及竖向荷载大小和位置对木构架滞回耗能及抗侧力性能的影响。结果表明:水平往复荷载作用下,唐代殿堂型木构架表现为摇摆抬升,其水平位移以柱架层的水平位移为主,滞回曲线呈“S”形,具有明显的“捏缩”效应,两端较饱满,正反接近对称。木构架初始抗侧刚度最大,随位移增大退化明显。铺作层为刚度较大的水平结构层,其横梁联系存在一定的冗余度。柱脚管脚榫及柱头馒头榫均可增强木构架的滞回耗能及抗侧力,但两者发挥作用的阶段不同。竖向荷载越大,木构架的滞回耗能越大,水平抗侧力也越大;其作用位置在一个柱径长度内偏移对木构架的滞回耗能及抗侧力性能无明显影响。
关键词唐代殿堂型木构架    铺作层    滞回耗能    抗侧力性能    参数分析    
Parameter analysis on lateral force resistance of the palace-style timber building in Tang Dynasty
WANG Juan 1a,1b, XU Renwen 1a,1b, ZHANG Ximing 1a,1b, YANG Qingshan 2,1b     
1a. School of Civil Engineering, Beijing Jiaotong University, Beijing 100044, P. R. China;
1b. Beijing's Key Laboratory of Structural Wind Engineering and Urban Wind Environment, Beijing Jiaotong University, Beijing 100044, P. R. China;
2. School of Civil Engineering, Chongqing University, Chongqing 400045, P. R. China
Abstract: The palace-style timber building in Tang Dynasty is the earliest wooden structure remains in China, which has extremely precious historical and scientific research value. In order to further study the horizontal resistance of this kind of timber frame, the refined finite element model of single-room timber frame with four columns verified by model test was established, and the influences of brackets complexes, column head and column foot, load and position of vertical load on the mechanical performances of the timber frame were studied. The results show that the palace-style timber frame in Tang Dynasty swayed and uplifted under the horizontal reversed cyclic load, and its horizontal displacement was mainly the horizontal displacement of column frame layer, and the S-shaped hysteretic curve of the structure is anti-symmetric with pinch effect, which two ends are relatively full. The initial lateral stiffness of timber frame is the largest, and its degradation is obvious with the increase of displacement.The brackets complexes layer is a structural layer with high rigidity, and there is a certain redundancy in the connection between its beams. Both the column head and column foot can enhance the hysteretic energy dissipation and lateral force resistance of the timber frame, but they play different roles in different stages. The larger the vertical load is, the greater the hysteretic energy dissipation and the greater the lateral resistance are. The displacement of the action position within a column diameter length has no obvious effect on the hysteretic energy consumption and lateral force resistance of the timber frame.
Keywords: palace-style timber structurein Tang Dynasty    brackets complexes layer    hysteretic energy    lateral resistance performance    parameter analysis    

中国古建筑一直承沿以木结构为主的结构体系发展,在建筑风格、结构构造及受力机理上独具一格。其中,作为中国最早的建筑遗存,唐代殿堂型木结构具有独特而复杂的结构构造,如:斗栱与梁架结合为一体的结构层——铺作层;横向联系较弱的柱架层常以管脚榫作为础石与木柱的柱脚连接,以馒头榫作为木柱与铺作层的柱头连接;以及设于铺作层上部的厚重屋盖及复杂的屋架体系,这些都是唐代殿堂型木结构的典型构造特征,且对木构架整体受力性能有着重要影响。因此,对于唐代殿堂型木构架中铺作层构造、柱脚、柱头连接节点以及屋盖荷载等影响参数的研究具有重要意义。

近年来,学者们针对斗栱及铺作层[1-5]、柱头、柱脚[6-7]连接及屋盖荷载作用[8-9]进行了相关研究。隋等[1]通过对单朵斗栱、双朵斗栱及四朵斗栱的低周反复荷载试验,发现其滞回面积饱满,表明铺作层具有良好的耗能作用。贺俊筱等[6]通过对木柱的低周反复荷载试验研究了其滞回耗能、抗侧力性能及刚度退化规律等特性。薛建阳等[8]通过数值模拟研究了屋盖质量对屋盖梁架体系模型自振频率和动力响应的影响,结果表明,模型自振频率随屋盖质量增大而减小,梁架各节点加速度峰值先增大后减小,而位移峰值不断增大。以上研究表明,铺作层、柱脚柱头连接及屋盖荷载均会影响结构受力性能。然而,针对关键构件的研究大都仅能反映局部构件性能,很难准确呈现结构整体性能,因此,不少学者针对不同类型的木构架开展了结构整体性能的相关研究。Chen等[10]和Meng等[11]对《营造法式》中宋式单间四柱木构模型进行了拟静力试验研究,揭示了抗震机理及加载历程对其滞回耗能与抗侧刚度的影响。Maeno等[12]对日本四柱古建筑模型进行了拟静力及振动台试验研究,得出此类木构架的恢复力由横梁的抵抗弯矩和柱摇摆产生的恢复力提供。周乾等[13]对明清抬梁式木构架进行了振动台试验,结果表明,在强震作用下,其振动形式表现为柱架、斗栱、梁架及屋顶的近似同步往复摇摆。熊海贝等[14]和陈春超等[15]通过对穿斗式木结构的单调加载试验,研究了穿斗式木构架的水平承载能力及受力变形特点。Yeo等[16]对台湾叠斗式木结构进行了振动台试验,探讨了不同构架形式、屋盖荷载对结构动力性能的影响。

上述研究中的木构架大多为宋代及以后的木构架,而针对结构构造上区别于后世建筑的唐代殿堂型木构架的研究尚处于起步阶段[17],为对其力学性能开展进一步研究,同时为保护修缮提供理论支撑,以可表征铺作层协同工作特性的单间四柱空间木构架为研究对象,建立了经模型试验验证的精细化有限元模型,系统研究了斗栱-梁架一体化铺作层构造,柱脚管脚榫、柱头馒头榫等弱连接节点形式以及竖向荷载大小和位置对木构架滞回耗能及抗侧力性能的影响。

1 唐代殿堂型木构架构造特征

图 1所示,典型唐代殿堂型木构架由柱架层、铺作层和屋架层自下而上叠垒而成,具有明显的水平分层。下层的柱架层由外檐柱和内槽柱联以阑额组成,中层的铺作层由数层拱枋纵横搭扣而成,上层的屋架层由梁架、槫椽组成。柱架层木柱底端平摆浮搁于础石上或通过管脚榫连接,顶端通过馒头榫与铺作层的栌斗相连,如图 2所示。由于结构水平分层,木构架的抗侧刚度在竖向易产生突变,柱头及柱脚作为柱架层与铺作层之间及础石与柱架层的连接部位形成薄弱节点。而大质量屋盖为梁架构件间的榫卯连接赋予了较大的压力,增强了构件间的摩擦力,进而对结构的整体性及稳定性产生影响。

图 1 唐代殿堂型木构架结构层[18] Fig. 1 Structural layers of the palace-style wooden frame in Tang dynasty[18]

图 2 柱脚及柱头节点连接方式[19] Fig. 2 The connection of column foot and column head [19]

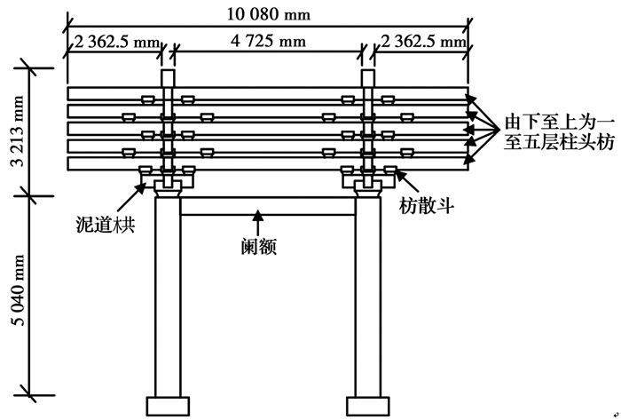
铺作层是唐代殿堂型木构架区别于其他朝代木构架的最典型且复杂的构造,具有较强的整体性,铺作层中铺作体量雄大,材高约为柱高的一半,如图 3所示。铺作层中横向叠置拱构件之间通过暗销连接,纵向叠置枋木构件之间通过散斗相连,而散斗与枋木之间均采用暗销连接[17]

图 3 唐代殿堂型木构架横断面图 Fig. 3 Cross-sectional profile of the palace-style wooden frame in Tang dynasty

2 木构架精细化有限元模型
2.1 空间子结构有限元模型

古建木构架的空间稳定是依靠各个基本间架来维持的,其基本结构间架构造称作“间”[20]。最基本的结构间架为四立柱柱头纵横向构件经过榫卯连接形成的空间门式简支框架。每个间架都是空间稳定的简支框架,因此,采用单间四柱木构架模型作为分析模型,如图 4所示,此模型为影响参数分析的基准模型。其主视图及左视图如图 5图 6所示。模型的构件尺寸及构造参考文献[21],隐藏尺寸及构造参考文献[22],具体尺寸见表 1

图 4 单间木构架基准模型(模型JZ) Fig. 4 The single-room wooden frame model

图 5 木构架主视图 Fig. 5 Front view of the wooden frame model

图 6 木构架左视图 Fig. 6 Lateral view of the wooden frame model

表 1 单间木构架的尺寸信息 Table 1 Dimensions of components of single-room wooden frame model

单间四柱木构架有限元模型材料选用樟子松,其材料参数参考文献[23],具体见表 2。樟子松密度取4.34×10-10t/mm3,础石弹性模量取3×104 MPa,密度取2.50×10-9 t/mm3,泊松比取0.2。

表 2 樟子松材料参数 Table 2 Material parameters of scotch pine

基于ABAQUS有限元软件建立单间木构架的精细化有限元模型,如图 7所示,模型单元采用C3D8R单元,个数约10万。础石底面固定,木柱通过管脚榫与础石相连。构件通过榫卯及暗榫相互连接,考虑构件间的接触挤压及摩擦滑移作用,接触类型采用法向硬接触和切向库伦摩擦接触。木材接触面之间摩擦系数设置为0.45,木材与础石、质量块之间摩擦系数取0.6[24]

图 7 精细化有限元模型 Fig. 7 Refinement finite element model

2.2 建模方法有效性验证

建模方法与单跨两柱木构架有限元模型相同,并通过单跨两柱模型的拟静力试验进行了校验(图 8)[24]。结果表明,数值模拟的骨架曲线与拟静力试验结果吻合较好,然而,由于数值模拟中没有考虑木构件的组装缝隙,因此,在水平位移较小时,木构架主要以静摩擦传力,几乎不耗能,导致滞回曲线与试验结果存在一定差异,但两者整体变化趋势是相似的,由此表明木构架的建模方法具有一定有效性。

图 8 模型验证 Fig. 8 Comparison of test results and simulation results

2.3 加载制度

屋盖及屋架层的重量采用质量块等效重量模拟。由于模型对称,竖向荷载按柱顶铺作数平均分配,单间四柱所受的垂直荷载值与单榀四柱木构架屋盖基本相似,约为980 kN[24]。考虑屋架重量,基准模型竖向荷载设为1 068 kN(对应屋面面荷载为7 kN/m2)。

拟静力有限元模拟前,先经模拟单调加载曲线确定循环加载模拟制度。单调加载的荷载位移曲线如图 9所示,峰值点为(89.72 mm,85.94 kN),取峰值荷载的65%所对应的位移为最大加载位移,即最大加载位移取360 mm。数值模拟的循环加载时程曲线如图 10所示。

图 9 模拟水平单调加载位移曲线 Fig. 9 Simulated horizontal monotone loading-displacement curve

图 10 加载时程曲线 Fig. 10 Loading time-history curve

3 基准模型计算结果与分析
3.1 受力与变形特征

通过对基准模型的有限元模拟,获得了木构架及关键构件的变形与应力特征。图 11为木构架模型在正向加载360 mm时的变形状态。在水平荷载作用下,木构架发生摇摆,柱头向加载方向倾斜,搁置于柱头上方的栌斗随柱的摆动而产生水平位移,其底面与柱头顶面在抬升过程中不断分离,接触面积不断减小,从上部结构传递到柱头的竖向荷载的作用位置由柱中心向边缘移动。而柱脚在加载过程中一侧不断抬升,另一侧则与础石挤压,柱脚底面受压面积不断减小,由全截面受压到大面积受压再到半截面受压最后到小面积受压,础石反作用力的作用位置也从柱中心向边缘移动。上部竖向荷载与础石反作用力形成抗倾覆力矩,当水平荷载减小时,木构架反向偏转恢复至初始平衡状态。

图 11 正向加载360 mm时模型变形 Fig. 11 Deformation of model under loading of 360 mm

当木构架水平加载位移增大时,木柱与铺作层各层的位移变化特征如图 12所示,从下至上八个点依次为栌斗底、华栱、明乳栿、三层华栱、素枋、五层华栱、六层华栱及草乳栿。其中,柱架层位移占比约为96.6%,铺作层位移占比约为3.4%,可见,木构架水平位移以柱架层的水平位移为主;在铺作层各层发生的相对位移中,栌斗与华栱相对位移约为6.39 mm,华栱与明乳栿相对位移约为1.4 mm,其余各层的层间位移均在1 mm以下,表明木构架在水平位移加载下,铺作层各层间的相对位移十分微小。

图 12 木构架位移变化特征 Fig. 12 The displacement variation characteristics of wooden frame

图 13为木构架模型在正向加载360 mm时关键构件的应力云图。在水平荷载作用下,管脚榫榫头受力从础石口拔出,在横纹方向受压应力。柱头馒头榫与栌斗相连。由于木柱顺纹方向弹性模量较大,柱头在顺纹方向上的应力变形并不明显,馒头榫的左侧根部受压应力。栌斗底面左侧在顺纹和横纹方向上均受压应力,栌斗底面卯口由于与柱头馒头榫的挤压而在横纹方向受拉应力。暗榫中部由于受到水平剪切作用在横纹方向受压应力。

图 13 关键构件的应力云图 Fig. 13 Stress cloud maps of key components

3.2 滞回耗能与抗侧力性能分析
3.2.1 滞回耗能特性

图 14为有限元模拟获得的滞回曲线,从图中可以看出,基准模型的滞回曲线具有以下特点:

图 14 滞回曲线 Fig. 14 Hysteresis curve

1) 滞回曲线呈“S”型,具有明显的“捏缩”效应,正反接近对称,两端较为饱满,表明结构在加载后期滞回耗能能力较强。当荷载卸载为0时,结构残余位移接近于0,试验结果中(图 8(c))由于组装缝隙的原因,虽存在一定的残余位移,但其最大残余位移对应的位移角仅为0.41%[24],由此表明,此类木构架在大变形后具有良好的恢复能力。

2) 在加载初期(-30 mm≤Δ≤30 mm,Δ为水平加载位移),滞回曲线加载段和卸载段基本呈线性,表明此时结构各构件之间主要为弹性变形,基本处于弹性阶段,随着水平位移的增大(Δ≥30 mm或Δ≤-30 mm),滞回曲线面积不断增大,构件之间摩擦滑移作用不断增强,结构耗能增大。

3.2.2 抗侧力性能

图 15为木构架有限元模拟的骨架曲线,从图中可以看出:在加载初始阶段,骨架曲线陡峭,表明此时结构抗侧力随位移增长较快;当Δ≥90 mm或Δ≤-90 mm(即Δ≥1/7DΔ≤-1/7DD为木柱直径)时,骨架曲线开始下降,结构抗侧力开始降低。木构架抗侧力主要来源于柱架摇摆时产生的抗倾覆力[24]。如图 16所示,从木构架中截取柱架层分析,暂不考虑管脚榫与馒头榫的抗力作用,则柱架层的抗倾覆力矩为

$ M=N(L′+L-X) $ (1)
图 15 骨架曲线 Fig. 15 Skeleton curve

图 16 木构架受力变形图 Fig. 16 Deformation diagram of wood frame under stress

式中:L′为柱头压力合力N′与柱头中心点O′的距离;L为柱脚反力N与柱脚中心点O的距离;X为柱头水平位移。在木构架加载的初始阶段,木柱与础石及木柱与栌斗的接触面积不断减小,柱头压力合力与柱脚反力不断增大,且L′与L不断增大,因此,结构抗侧力随位移增长较快。X值随木构架位移增大不断增大,当(L′+L-X) < 0时,抗倾覆力矩转变为倾覆力矩,因而结构抗侧力开始降低。

3.2.3 刚度退化

在水平低周反复荷载作用下,随着水平位移的增大,结构抗侧刚度出现降低,产生刚度退化,结构抗侧刚度采用割线刚度表示,按式(2)计算。

$ K_{i}=\frac{\left|+P_{i}\right|+\left|-P_{i}\right|}{\left|+\varDelta_{i}\right|+\left|-\varDelta_{i}\right|} $ (2)

式中:i为加载循环次数;Ki为第i次循环下木构架的抗侧刚度;Pi为第i次循环下的峰值荷载;ΔiPi对应的峰值位移。

图 17可以看出,木构架的初始抗侧刚度最大,并随水平位移增大而不断减小,当Δ≤60 mm时,抗侧刚度退化速率较快,而后逐渐趋缓。

图 17 刚度退化曲线 Fig. 17 Stiffness degradation curve

4 影响参数分析

以下将从铺作层构造、柱脚管脚榫和柱头馒头榫及竖向荷载大小和位置这4种参数对木构架的滞回耗能及抗侧力性能进行影响参数分析。

4.1 铺作层构造

铺作层是唐代殿堂型木构架最典型且复杂的构造,为探究其构造对结构抗侧力性能的影响,建立了截断明乳栿、截断素枋以及截断明乳栿和素枋3种不同铺作层构造的模型,对应的分析模型分别为A-1、A-2、A-3,如图 18所示。

图 18 不同铺作层构造方式 Fig. 18 Different configurations in brackets complexes

图 19为不同铺作层构造木构架的滞回曲线,其具有以下特点:截断模型A-1和A-2的滞回曲线面积相差不大(约在1%以内),表明这两种截断模型的滞回耗能大致相同;同时,将这两种截断模型与完整木构架(模型JZ)的滞回曲线对比可知,3种模型的滞回曲线面积均相差不大(约在1%以内),表明铺作层间联系缺少素枋或明乳栿时对木构架滞回耗能大小影响较小。原因在于铺作层中的三道横梁联系存在冗余,当铺作层间截断一根横梁时,水平抗侧力并未减小,构件间摩擦力也未减小,但铺作层间的应力会产生重分布,原本由截断横梁承担的应力会重新分布至其他构件中,如图 20所示,耗能也由其他构件承担。当铺作层间截断两道横梁时,模型A-3的滞回曲线面积相对其他3种模型降低了约17%,即滞回耗能降低了约17%,表明铺作层间联系同时缺少素枋与明乳栿时,木构架耗能显著降低,主要原因在于当模型A-3加载相同的水平位移时,加载所需水平荷载减小,相应的构件间摩擦力随之减小,耗能亦随之减小。

图 19 不同铺作层构造的滞回曲线 Fig. 19 Hysteresis curves of different configurations in brackets complexes

图 20 不同铺作层构造的应力云图 Fig. 20 Stress cloud maps of different configurations in brackets complexes

图 21为不同铺作层构造木构架的骨架曲线,其具有相似的变化规律及形状。参考文献[14, 25]中基于能量等效的理想弹塑性曲线,根据骨架曲线(图 22)中正向加载段确定结构水平加载过程中关键点的性能指标,曲线上关键点参数值如表 3所示。模型A-1、A-2的屈服荷载、峰值荷载及破坏荷载均与模型JZ相差不大,表明当截断铺作层间一根横梁时,对结构的抗侧力影响不大。而模型A-3的屈服荷载、峰值荷载及破坏荷载相比模型JZ分别下降了8.7%、11.9%、11.9%。原因在于当铺作层中存在3道横梁联系或两道横梁联系时,铺作层间联系较强而在平面内转动较小,而当铺作层内仅存一道联系时,各铺作发生较大的平面内转动,传递到栌斗底的竖向荷载作用点及方向发生变化,导致木柱产生的倾覆力矩增大,从而使结构的抗侧力减小。

图 21 不同铺作层构造模型的骨架曲线 Fig. 21 Skeleton curves of different configurations in brackets complexes

图 22 骨架曲线的简化模型 Fig. 22 Simplified model of the skeleton curve

表 3 骨架曲线关键点参数值 Table 3 Parameter values for the key points on skeleton curves

图 23为不同铺作层构造木构架模型的刚度退化曲线,木构架模型的抗侧刚度随着位移的增大逐渐减小,模型JZ、A-1、A-2的刚度退化曲线基本重合,模型A-3的初始刚度相对其他3种木构架模型小15%~21%,但随着位移的增大,抗侧刚度差值逐渐减小。

图 23 不同铺作层构造模型的刚度退化曲线 Fig. 23 Stiffness degradation curves of different configurations in brackets complexes

4.2 管脚榫与馒头榫

柱头节点及柱脚节点作为结构的薄弱节点,对结构滞回耗能与抗侧力性能可能产生很大影响,故设置含管脚榫及馒头榫模型(模型JZ)、仅含馒头榫模型(模型B-1)及仅含管脚榫模型(模型B-2)3种不同的柱头柱脚连接方式去探究管脚榫及馒头榫对木构架性能的影响,如图 24所示。图 25为不同柱脚设置方式下的滞回曲线与骨架曲线的对比图。模型B-1的滞回曲线比模型B-2的更饱满,尤其是当水平位移Δ≥90 mm(即Δ≥1/7D)之后,表明结构在大位移时,管脚榫有利于增强木构架的滞回耗能。这主要是因为大位移下其与础石之间产生了较大的摩擦滑移耗能。在水平位移Δ≤60 mm时,模型JZ的骨架曲线与模型B-1的基本一致,表明加载前期两种模型的抗侧力基本一致,即管脚榫在加载前期对木构架抗侧力的影响不大;但当水平位移Δ≥60 mm之后,模型JZ的抗侧力明显大于模型B-1,随着位移的增大,两者差距越来越大,表明管脚榫在结构大位移下有利于增强其抗侧力。

图 24 柱头柱脚的不同设置方式 Fig. 24 Different setting ways of column head and foot

图 25 不同柱脚设置方式下的滞回曲线与骨架曲线 Fig. 25 Hysteretic curves and skeleton curves on different column foot settings

图 26为不同柱头设置方式下的滞回曲线与骨架曲线的对比图。模型B-2的骨架曲线明显低于模型JZ,即模型B-2的水平抗侧力明显小于模型JZ,表明去掉馒头榫会显著降低其抗侧力,这是由于馒头榫是柱架层与铺作层的连接构件,去掉馒头榫会减弱两个结构层之间的连接性能,进而导致其抗侧力降低。同时,模型JZ的滞回曲线也比模型B-2的更饱满,表明馒头榫也可通过摩擦滑移耗能。

图 26 不同柱头设置方式下的滞回曲线与骨架曲线 Fig. 26 Hysteretic curves and skeleton curves on different column head settings

图 27为不同柱头柱脚设置方式下的刚度退化曲线,模型JZ与模型B-1的初始抗侧刚度大致相等,约为4.86 kN/mm,而模型B-2的初始抗侧刚度约为0.68 kN/mm,显著低于模型JZ、B-1的初始抗侧刚度。随着位移的增大,3种模型的抗侧刚度均产生退化,其中,模型JZ、B-1的刚度退化趋势显著快于模型B-2。

图 27 不同柱头柱脚设置方式刚度退化曲线 Fig. 27 Stiffness degradation curves on different column head and column foot settings

4.3 竖向荷载大小

古建筑木结构屋盖的面积大小、建筑工艺及雨雪环境导致其传递给木构架上的竖向荷载会有所不同,且大多数古建筑屋面均经历过翻修,其实际重量往往与文献估算值存在差异。因此,除基准模型竖向荷载1 068 kN(对应屋面面荷载为7 kN/m2),另设置1 593 kN(对应面荷载10.5 kN/m2,即1.5倍基准屋面面荷载)、2 124 kN(对应面荷载14 kN/m2,即2倍基准屋面面荷载)两种不同竖向荷载大小的模型来探究竖向荷载大小的影响,其分析模型分别为C-1、C-2,如图 28所示。图 29所示的滞回曲线表明,竖向荷载越大,滞回曲线面积越大,滞回耗能也越大, 模型C-1与C-2的滞回耗能相比模型JZ分别提高了约27%与56%,这是由于竖向荷载越大时,木构架中构件受到的挤压摩擦作用也越大,进而使塑性变形增大,导致滞回耗能增大。

图 28 不同竖向荷载大小的模型 Fig. 28 Models with different vertical loads

图 29 不同竖向荷载作用下的滞回曲线 Fig. 29 Hysteretic curves with different vertical loads

图 30为不同竖向荷载作用下的骨架曲线,模型C-1与C-2的屈服荷载分别为96.96、119.51 kN,相比模型JZ分别提高了32.3%与61.1%。模型C-1与C-2的峰值荷载分别为111.59、133.18 kN,相比模型JZ分别提高了约29.8%与55%。由此可知,竖向荷载越大,水平抗侧力也越大,当抗侧力达到峰值之后,3种模型的抗侧力差值随水平位移增大而逐渐减小。这主要是因为,木构架抗侧力达到峰值之后((L′+L-X) < 0),上部竖向荷载与础石反作用力形成的力矩转变为倾覆力矩,木构架抗侧力开始下降,竖向荷载越大,形成的倾覆力矩越大,抗侧力也就下降得越快,3种模型对应的骨架曲线差异也随之减小。由图 31可知,不同竖向荷载大小作用下,结构初始刚度十分接近,并随位移增大逐渐减小,竖向荷载越大,抗侧刚度也越大。

图 30 不同竖向荷载作用下的骨架曲线 Fig. 30 Skeleton curves with different vertical loads

图 31 不同竖向荷载作用下的刚度退化曲线 Fig. 31 Stiffness degradation curves with different vertical loads

4.4 竖向荷载作用位置

古建木构的屋面荷载通过椽木的受弯受剪作用传递给檩条,然后再传递给铺作层。由于古建木构存在年代久远,部分檐榑会出现偏转损伤,进而导致木构架偏心受压,因此,设立4种不同竖向荷载作用位置的模型来探究竖向荷载位置的影响,分别为:模型顶部轴压、靠近加载一侧偏压(在加载一侧竖向荷载往外偏离柱顶正中一倍柱径,即630 mm)、远离加载一侧偏压(在远离加载一侧竖向荷载往外偏离柱顶正中630 mm)、两侧偏压(两侧竖向荷载均往外偏离柱顶正中630 mm),分析模型分别为模型D-1、D-2、D-3、D-4,如图 32所示。

图 32 不同竖向荷载作用位置 Fig. 32 Locations of different vertical loads

图 33~图 35为不同竖向荷载作用位置下的滞回曲线、骨架曲线及刚度退化曲线的对比图。4种工况对应的各类曲线均基本重合,表明竖向荷载作用位置在一个柱径长度内偏移对木构架的滞回耗能及抗侧力无明显影响。这主要是因为上部荷载作用位置的改变只会导致底部木柱受力分配的不同,但木柱所受竖向荷载总量不变,因此,木构架抗侧力基本不变。

图 33 不同竖向荷载作用位置的滞回曲线 Fig. 33 Hysteretic curves of different vertical load positions

图 34 不同竖向荷载作用位置的骨架曲线 Fig. 34 Skeleton curves of different vertical load positions

图 35 不同竖向荷载作用位置的刚度退化曲线 Fig. 35 Stiffness degradation curves of different vertical load positions

5 结论

通过对唐代殿堂型木构架的精细化有限元模拟探究了铺作层构造、柱脚管脚榫和柱头馒头榫及竖向荷载大小和位置对木构架滞回耗能及抗侧力性能的影响,得到以下结论:

1) 殿堂型木构架的滞回曲线呈“S”形,具有明显的“捏缩”效应,两端较饱满,正反接近对称。木构架抗侧力起初增长迅速,而后因为木柱产生的抵抗弯矩转化为倾覆弯矩,抗侧力达到峰值后逐渐下降。

2) 殿堂型木构架中铺作层是一个刚度较大的结构层,铺作层间的横梁联系存在冗余度,截断一根横梁时,木构架滞回耗能与抗侧力基本不变,但当截断两根横梁时,木构架滞回耗能降低了约17%,屈服荷载、峰值荷载及破坏荷载分别下降了8.7%、11.9%、11.9%。

3) 管脚榫及柱头榫均可增强木构架的滞回耗能及抗侧力,但两者发挥作用的阶段不同,当水平位移大于1/7柱直径时,管脚榫开始发挥增强结构的滞回耗能及抗侧力的作用,而馒头榫对结构抗侧力的影响从加载初期开始始终发挥作用。

4) 竖向荷载越大,木构架的滞回耗能越大,抗侧力也越大;竖向荷载作用位置在一个柱径长度内偏移对木构架的滞回耗能及抗侧力性能无明显影响。

参考文献
[1]
隋 , 赵鸿铁, 薛建阳, 等. 古建木构铺作层侧向刚度的试验研究[J]. 工程力学, 2010, 27(3): 74-78.
SUI Y, ZHAO H T, XUE J Y, et al. Experimental study on lateral stiffness of Dougong layer in Chinese historic buildings[J]. Engineering Mechanics, 2010, 27(3): 74-78. (in Chinese)
[2]
潘毅, 袁双, 王慧琴, 等. 古建筑木结构偷心造和计心造斗栱力学性能数值分析[J]. 土木建筑与环境工程, 2017, 39(5): 9-15.
PAN Y, YUAN S, WANG H Q, et al. Numerical analysis of mechanical behavior of Tou-Xin-Zao and Ji-Xin-Zao Tou-Kung in Chinese ancient timber structures[J]. Journal of Civil, Architectural & Environmental Engineering, 2017, 39(5): 9-15. (in Chinese)
[3]
袁建力, 陈韦, 王珏, 等. 应县木塔斗栱模型试验研究[J]. 建筑结构学报, 2011, 32(7): 66-72.
YUAN J L, CHEN W, WANG J, et al. Experimental research on bracket set models of Yingxian Timber Pagoda[J]. Journal of Building Structures, 2011, 32(7): 66-72. (in Chinese)
[4]
CHEN Z Y, ZHU E C, LAM F, et al. Structural performance of Dou-Gong brackets of Yingxian Wood Pagoda under vertical load-An experimental study[J]. Engineering Structures, 2014, 80: 274-288. DOI:10.1016/j.engstruct.2014.09.013
[5]
阙泽利, 李哲瑞, 张贝贝, 等. 明甪直天王殿松木斗栱振动台试验研究[J]. 土木建筑与环境工程, 2015, 37(3): 26-34.
QUE Z L, LI Z R, ZHANG B B, et al. Experimental analysis on shaking table tests of Dougong in Tianwang Hall, Luzhi, Ming dynasty[J]. Journal of Civil, Architectural & Environmental Engineering, 2015, 37(3): 26-34. (in Chinese)
[6]
贺俊筱, 王娟, 杨庆山. 古建筑木结构柱脚节点受力性能试验研究[J]. 建筑结构学报, 2017, 38(8): 141-149.
HE J X, WANG J, YANG Q S. Mechanical property of column footing joint in traditional wooden structure by quasi-static test[J]. Journal of Building Structures, 2017, 38(8): 141-149. (in Chinese)
[7]
HE J X, WANG J. Theoretical model and finite element analysis for restoring moment at column foot during rocking[J]. Journal of Wood Science, 2018, 64(2): 97-111. DOI:10.1007/s10086-017-1677-5
[8]
薛建阳, 吴晨伟, 张雨森. 殿堂式木结构古建筑屋盖梁架体系动力特性及地震响应分析[J]. 建筑结构学报, 2021, 42(10): 87-95.
XUE J Y, WU C W, ZHANG Y S. Analysis of dynamic characteristics and seismic response of a historic roof structure of palace-style timber frame structure[J]. Journal of Building Structures, 2021, 42(10): 87-95. (in Chinese)
[9]
张风亮, 赵鸿铁, 薛建阳, 等. 古建筑木结构屋盖梁架体系动力性能分析[J]. 工程力学, 2012, 29(8): 184-188, 201.
ZHANG F L, ZHAO H T, XUE J Y, et al. The analysis of dynamic properties on the roof-beams system in ancient timber buildings[J]. Engineering Mechanics, 2012, 29(8): 184-188, 201. (in Chinese)
[10]
CHEN J Y, LI T Y, YANG Q S, et al. Degradation laws of hysteretic behaviour for historical timber buildings based on pseudo-static tests[J]. Engineering Structures, 2018, 156: 480-489. DOI:10.1016/j.engstruct.2017.11.054
[11]
MENG X J, LI T Y, YANG Q S. Experimental study on the seismic mechanism of a full-scale traditional Chinese timber structure[J]. Engineering Structures, 2019, 180: 484-493. DOI:10.1016/j.engstruct.2018.11.055
[12]
MAENO M, SUZUKI Y, OHSHITA T, et al. Seismic response characteristic of traditional wooden frame by full-scale dynamic and static tests[C]//13th World Conference on Earthquake Engineering, Canada, 2004.
[13]
周乾, 闫维明, 杨娜, 等. 单檐歇山式木构古建抵抗强震试验调查[J]. 土木工程学报, 2018, 51(Sup1): 32-36, 79.
ZHOU Q, YAN W M, YANG N, et al. Experimental investigation of seismic performance of single layer gable and hip roof type of Chinese ancient building under high intensity earthquake[J]. China Civil Engineering Journal, 2018, 51(Sup1): 32-36, 79. (in Chinese)
[14]
熊海贝, 王洁, 吴玲, 等. 穿斗式木结构抗侧力性能试验研究[J]. 建筑结构学报, 2018, 39(10): 122-129.
XIONG H B, WANG J, WU L, et al. Experimental study on lateral resistance performance of Chuandou wooden frame structures[J]. Journal of Building Structures, 2018, 39(10): 122-129. (in Chinese)
[15]
陈春超. 古建筑木结构整体力学性能分析和安全性评价[D]. 南京: 东南大学, 2016.
CHEN C C. Integral mechanics property analysis and safety evaluation of ancient timber structures[D]. Nanjing: Southeast University, 2016. (in Chinese)
[16]
YEO S Y, HSU M F, KOMATSU K, et al. Dynamic characteristics of Taiwanese traditional Dieh-Dou timber structures[J]. Transactions on the Built Environment, 2013, 131: 481-490.
[17]
王娟, 崔志涵, 杨庆山, 等. 唐代殿堂型木构架柱架摇摆抗侧机理研究[J]. 工程力学, 2019, 36(10): 104-114.
WANG J, CUI Z H, YANG Q S, et al. A study on horizontal resistance mechanism of palace-style wooden frame in Tang Dynasty[J]. Engineering Mechanics, 2019, 36(10): 104-114. (in Chinese)
[18]
侯幼彬, 李婉贞. 中国古代建筑历史图说[M]. 北京: 中国建筑工业出版社, 2012.
HOU Y B, LI W Z. The historical graph theory of ancient Chinese architecture[M]. Beijing: China Architecture & Building Press, 2012. (in Chinese)
[19]
马炳坚. 中国古建筑木作营造技术[M]. 北京: 科学出版社, 1991: 126-127.
MA B J. Construction technology of Chinese ancient timber structure[M]. Beijing: Science Press, 1991: 126-127. (in Chinese)
[20]
张鹏程. 中国古代木构建筑结构及其抗震发展研究[D]. 西安: 西安建筑科技大学, 2003.
ZHANG P C. Study on structure and its seismic behavior development of Chinese ancient timber structure buildings[D]. Xi'an: Xi'an University of Architecture and Technology, 2003. (in Chinese)
[21]
吕舟. 佛光寺东大殿建筑勘察研究报告[M]. 北京: 文物出版社, 2011.
LYU Z. Research report on building investigation of the main hall of Fo-guang Temple[M]. Beijing: Cultural Relics Publishing House, 2011. (in Chinese)
[22]
潘德华. 斗栱(上册)[M]. 南京: 东南大学出版社, 2004.
PAN D H. Dou-Gong(Ⅰ)[M]. Nanjing: Southeast University Publishing House, 2004. (in Chinese)
[23]
陈金永. 宋式四柱带枓栱足尺木结构模型滞回性能试验研究与模拟分析[D]. 太原: 太原理工大学, 2017.
CHEN J Y. Hysteretic behavior of full scale timber structure specimen with Dou-Gong sets and four columns in song dynasty by pseudo-static tests and simulation analysis[D]. Taiyuan: Taiyuan University of Technology, 2017. (in Chinese)
[24]
崔志涵. 唐代殿堂型木构架柱架摇摆抗震机理研究[D]. 北京: 北京交通大学, 2019.
CUI Z H. Study on the column rocking aseismic mechanism of the palace-style wooden frame in Tang-Dynasty[D]. Beijing: Beijing Jiaotong University, 2019. (in Chinese)
[25]
Standard test methods for cyclic (reversed) load test for shear resistance of vertical elements of the lateral force resisting systems for buildings: ASTM E 2126-11[S]. Pennsylvania, USA: ASTM International, 2012.