2. 重庆大学 自动化学院, 重庆 400044
2. College of Automation, Chongqing University, Chongqing 400044, P. R. China
无线电能传输(WPT,wireless power transfer)技术作为一种新兴技术,受到越来越多国内外研究人员的密切关注[1-5]。其中,磁耦合无线电能传输(MC-WPT, magnetically-coupled wireless power transfer)技术成为了目前研究的热点[6-8],并且在医疗设备、电动汽车、矿井作业等领域得到了广泛应用[9-13]。
在磁耦合WPT系统调试与运行的过程中,需要实时了解系统的工作状况,因此需要对系统能效性能进行在线监测[11],需要监测的参数主要包括系统输入/输出功率、系统效率和功率因数等。然而,目前针对WPT系统能效性能在线监测方面的研究极少,现有的能效性能监测方法普遍采用示波器、频谱分析仪、功率分析仪等设备进行测试,这存在设备体积大、成本高、不便于携带等缺点。
以目前常用的LCC-S型磁耦合WPT系统为对象,对监测系统需求进行分析,给出WPT系统各能效性能参数的计算公式,以及一种上位机与下位机相结合的WPT系统能效性能在线监测器设计方案,提出一种基于STM32的下位机和基于PC与LabVIEW的上位机系统硬件和软件设计方法。最后基于给出的设计方案和提出的设计方法搭建了实验装置,通过实验对所提出的WPT能效性能在线监测器的合理性和可行性进行验证。
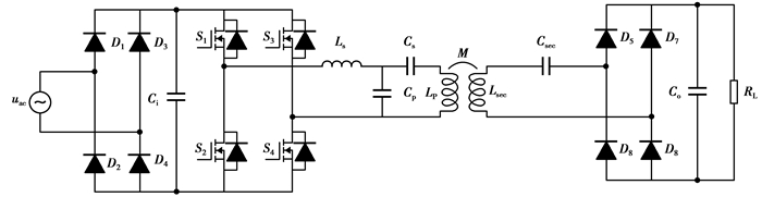
1 LCC-S型磁耦合WPT系统LCC-S型磁耦合WPT系统拓扑如图 1所示。在电能发射端,交流电压源Uac为系统提供整个系统的电能输入,二极管D1~D4构成整流电路,再经过滤波电容Ci滤波,将交流电变为直流;S1~S4构成高频逆变电路,使直流电转换为高频交流电输出;发射端串联谐振电感LS、并联谐振电容Cp、串联谐振电容CS三者共同组成LCC型谐振补偿网络。发射端通过高频逆变电路、补偿网络和发射线圈产生高频交变磁场,通过耦合机构将电能通过磁耦合的方式传输到拾取端。在电能拾取端,接收线圈Lsec与补偿电容Csec构成S型(series)补偿结构,补偿结构可以消除系统输入侧的无功功率,提高系统功率传输等级。二极管D5~D8构成整流电路,将拾取端接收到的高频交流电转换为直流电,经滤波电容Co滤波之后给负载RL供电。
|
图 1 LCC-S型磁耦合WPT系统拓扑 Fig. 1 LCC-S type Magnetic coupling WPT system topology |
磁耦合WPT系统中,使用LCC-S型谐振拓扑除了可以补偿无功外,还可以使WPT系统具有恒压特性,是一种比较常见的补偿拓扑。由于LCC-S型磁耦合WPT系统具有以上优点,因此选择其作为能效性能监测对象进行研究。
2 系统能效在线监测器需求分析及方案设计设计的LCC-S型磁耦合WPT系统的能效性能在线监测器需要完成以下功能:能够在线测试WPT系统的主要能效指标,包括系统的输入视在功率、输入有功功率、输入无功功率、输出功率、系统效率、系统功率因数,此外还能给出系统的输入电压有效值、输入电流有效值、输出电压有效值、输出电流有效值,并能够在线显示这些参数。
输出功率可以通过检测负载电阻RL两端直流电压和电流计算得到,输入端功率及功率因数可以通过检测工频交流输入电压和电流计算得到,进而由输入输出功率得到系统效率。需要解决的难题是,由于电路中使用了高频逆变器进行电能变换,使输入电流呈现非正弦波形。图 2给出了针对图 1电路进行仿真时输入电压电流的波形,从图中可以看到输入电压为正弦波,基本不发生畸变,而输入电流畸变严重。因此在计算输入端功率时,首先要对输入电流进行频谱分析,可采用快速傅里叶变换(FFT, fast Fourier transform)将时域信号变为频域信号,在此基础上完成系统的能效性能指标计算并显示所有的测试结果。若整个功能采用微控制器实现,则大大增加了实现难度和系统成本,且灵活性较差。
|
图 2 WPT系统输入电压和电流仿真波形 Fig. 2 WPT system Input voltage and current simulation waveform |
在综合分析基础上,给出的实现方案是采用下位机和上位机协同工作的方式来满足能效性能在线监测器的设计需求。此方案的原理框图如图 3所示。
|
图 3 能效性能监测原理框图 Fig. 3 Schematic diagram of energy efficiency monitoring |
为了使监测器适用于给移动性负载无线供电/充电的WPT系统的测试,下位机采用2个控制器分别工作在电能发射端和电能接收端。主控制器负责采集输入端电压、电流并与上位机和副控制器进行通信,因串口通信具有硬件接口简单、容易配置等优势,所以选择其作为上位机与下位机的通信方式。副控制器负责采集输出端电压和电流,并将采集到的输出端电压电流信息发送至主控制器,由于WIFI具有速度快、范围广等优点,所以2个控制器之间通信采用WIFI通信。选择在上位机对输入畸变电流进行FFT频谱分析,并计算所有要求的测试物理量并显示测试结果,下位机只需要把收集到的数据通过串口传送到上位机。因此,在进行上位机软件设计时,可以选择具备FFT处理功能并具有组态功能的软件平台,这样可以大大简化软件的设计。可用作上位机的硬件平台包括PC机、平板电脑、智能手机或其他智能终端。
3 能效性能监测系统下位机设计下位机设计包括硬件设计和软件设计2部分,硬件部分主要包括输入输出端的传感器电路及其信号调理电路,软件部分主要是实现数据的采集和各个部分之间的通信。
3.1 下位机硬件设计下位机硬件原理框图如图 4所示。在MC-WPT系统发射端中,主控制器选用STM32,其具有多路12位ADC转换器,采样时间加转换时间最高可达微秒级,并且具有多个串口接口,既满足方案中通信需求,也满足采样需求。输入电压为低频正弦波,可选择电压互感器加信号调理电路进行采集;而输入电流为非正弦波形,对测量精度要求相对较高,可选择霍尔电流传感器加信号调理电路进行采集。主控制器通过串口驱动WIFI模块,完成与副控制器的数据交换,同时通过另一个串口与上位机建立通信。
|
图 4 下位机硬件原理框图 Fig. 4 The hardware principle block diagram of the lower computer |
MC-WPT系统接收端中,副控制器同样选择STM32。选择霍尔电压传感器及信号调理电路采集输出电压信号;输出电流同样选用霍尔电流传感器加信号调理电路进行采集。副控制器通过串口驱动WIFI模块,与输入端的WIFI模块建立通信。
3.2 下位机软件设计主副STM32控制器的程序流程图如图 5所示。在WPT系统发射端,主STM32的作用是将传感器采集的输入电压和电流的模拟信号进行AD转换,同时接收副STM32发送输出端的参数,并将数据通过串口送至上位机进行后续数据处理。采集输入端参数进行AD转换时,每路信号每个周期采集多个点并设置AD转换时间为18 μs。对串口进行配置时,需要将各通信设备之间的波特率、数据位、停止位和校验位等参数保持一致。建立无线WIFI通信时,将主STM32 WIFI模块1的工作方式设置为STA模式,并连接WIFI模块2开启的热点,由于2个WIFI模块之间是一对一通信,所以将数据传输方式配置为透传模式,即两者之间的连接不会因为发送时间间隔等原因而中断。对上位机传输数据时,在传输之前分别在输入电压、输入电流、输出电压和输出电流的数字量末端分别加上标志位“a”、“b”、“c”、“d”,用于上位机对各参数进行识别分类。
|
图 5 下位机软件设计程序流程图 Fig. 5 Flow chart of lower computer software design program |
在WPT系统拾取端,副STM32将传感器采集的输出电压和电流进行AD转换并发送至主STM32。将副STM32的ADC和串口参数与主控制器配置为一致,并配置WIFI模块2的工作模式为AP模式,此时可使其开启WIFI热点,并设置WIFI名称、密码和加密方式。
下位机的开始检测和结束检测是由上位机通过通信发送开始信号和结束信号来进行控制的。当尚未开始监测和上位机点击停止运行控件时,会发送结束信号给下位机;当上位机点击开始运行控件时,会发送开始信号给下位机。
4 能效性能监测系统上位机软件设计选择PC机作为上位机硬件平台,LabVIEW作为上位机软件设计平台进行设计。LabVIEW是由NI公司推出一款虚拟仪器软件,它采用了图形化编程,使程序看起来更加容易理解。LabVIEW里面集成有各类数据处理模块,其中有FFT模块和RMS模块,充分满足了所设计能效性能监测器对上位机的运算需求。
上位机主要负责接收下位机采集到的数据,对接受到的数据进行相应处理和运算,并将能效性能信息显示在上位机操作界面,同时能够在界面上对下位机的运行和停止进行控制,能够对系统的通信参数进行设置。上位机操作和显示界面如图 6所示。“串口配置”模块显示串口的配置参数,包括串口号、波特率、数据位。右上方是开始运行、停止运行和退出程序控制按钮;“能效性能参数”模块显示系统的能效性能测试信息,包括系统的视在功率、有功功率、无功功率、功率因数、输出功率、系统效率。“输入输出参数”模块显示了系统输入电压电流有效值、输出电压电流有效值。
|
图 6 上位机界面 Fig. 6 Interaction Interface of Upper Computer |
上位机LabVIEW程序流程图如图 7所示。上位机接收到数据时,根据收集到标志位“a”、“b”、“c”、“d”的不同判断参数种类,根据参数种类存入输入电压、输入电流、输出电压和输出电流至对应数组,并调用RMS模块和FFT模块等对数据进行分析和计算,最终将计算结果显示在上位机界面中。基于图 7的程序流程图所设计的LabVIEW上位机程序图如图 8所示。上位机和主STM32之间采用串口通信,在LabVIEW中调用VISA库函数并配置串口参数。
|
图 7 LabVIEW上位机程序流程图 Fig. 7 LabVIEW host computer program flow chart |
|
图 8 LabVIEW上位机程序图 Fig. 8 LabVIEW host computer programming interface |
上位机中输入有功功率Pin和无功功率Q的计算方法如式(1)和式(2)所示
| $ {P_{{\rm{in}}}} = U{I_1}\cos {\varphi _1}; $ | (1) |
| $ Q = U{I_1}\sin {\varphi _1}, $ | (2) |
式中:U代表输入电压有效值;I1代表输入电流基波有效值;φ1代表输入电压和输入电流基波的相位差。
对于非正弦输入电流,在LabVIEW中调用FFT模块对其进行处理,FFT模块输入为畸变电流的波形数据,输出为FFT之后得到的各次谐波幅值数组和相对于时间为零时的相位数组,对该数组进行索引即可得到畸变电流的基波幅值和相位。由于输入电压不发生畸变,无高次谐波,所以其相位即为其基波的相位,调用FFT模块处理之后可得到相对于时间为零时的相位数组,对数组索引可得输入电压相位。在计算有功功率和无功功率时需要输入电压和输入电流基波的相位差φ1,将索引得到相位作差可以得到。
输出功率Pout、视在功率S、功率因数γ和系统效率η可分别由式(3)~式(6)计算得到。在计算输出功率Pout和视在功率S时,需要计算输入电压有效值U、输入电流有效值I、输出电压有效值Uo和输出电流有效值Io,可以调用LabVIEW中RMS模块处理得到。RMS模块输入为电压或电流波形数据,输出即为有效值。
| $ {P_{out}} = {U_o}{I_o}; $ | (3) |
| $ S = UI; $ | (4) |
| $ \gamma = \frac{{{P_{in}}}}{S}; $ | (5) |
| $ \eta = \frac{{{P_{out}}}}{{{P_{in}}}} \times 100\%。$ | (6) |
为验证所设计磁耦合WPT系统能效性能监测器方案的合理性,基于图 1中电路拓扑及上述能效性能监测方案和设计方法,搭建了LCC-S型磁耦合WPT系统的能效性能监测实验装置,系统中主电路参数根据文献[4]设计方法得到,如表 1所示。系统中所用主要元件型号见表 2。
| 表 1 系统实验参数 Table 1 System experimental parameters |
| 表 2 系统主要元件 Table 2 Main components of the system |
发射端电压互感器模块内部有高精度采集电路和运放电路,能够将250 V以内的交流电压进行信号采集并进行调理输出;霍尔电流传感器内部具有信号采集和信号调理电路,能够将10 A内的交流电流转换为0~3.3 V的电压输出。接收端的电压检测采用霍尔电压传感器HNV025 A,能够检测500 V以下的直流电压;电流检测采用与发射端一样的霍尔电流传感器。
MC-WPT系统运行过程中,首先在上位机界面对串口通信参数进行配置,然后点击“开始运行”,上位机监测结果如图 9所示,其中开始运行控件的颜色变化表示系统的运行状态。同时使用示波器测量的输入电压电流和输出电压电流如图 10、图 11所示。
|
图 9 上位机监测的能效性能参数 Fig. 9 energy efficiency performance parameters monitored by upper computer |
|
图 10 系统实际输入电压电流波形 Fig. 10 system actual input voltage and current |
|
图 11 系统实际输出电压电流波形 Fig. 11 system actual output voltage and current |
从示波器波形中可以看出,实际系统输入输出信号与仿真结果一致,输入电流产生畸变。为了检验设计的能效性能在线监测器的性能,使用了功率分析仪HIOKO PW6001对系统能效参数进行测试,并与设计的系统检测结果进行对比,具体参数如表 3所示。
| 表 3 功率分析仪测量结果和上位机监测结果 Table 3 Measurement results of power analyzer and monitoring results of upper computer |
通过对表 3中上位机监测结果和功率分析仪测量结果进行对比可以看出,监测结果基本一致,存在少许偏差可能是传感器采样精度不够以及系统的计算误差所导致。实验过程中,本系统具有很好的实时性,这主要是因为本系统从下位机将数据传送到上位机的时间控制在100 ms以内。上位机借助于LabVIEW软件强大的频谱分析,快速傅里叶变换和组态功能,大大加快了运算速度。实测系统完成一次能效性能的测试并显示出来的时间在200 ms以内,与用功率分析仪测试进行比较,在视觉上没有差异,能够满足系统的在线监测要求。综上所述,设计的能效性能监测器监测效果良好,在监测精度和监测速度上均能够满足一般系统运行和调试时的监测要求。
6 结论对磁耦合WPT系统能效性能在线监测技术进行了研究,对系统的能效性能监测需求进行了分析,以LCC-S型磁耦合WPT系统作为监测对象,给出了一种上位机和下位机结合的磁耦合WPT系统能效性能监测器设计方案,分别阐述了上位机和下位机的设计方法。基于所提出的设计方案和设计方法搭建了实验装置,进行了实验验证。实验结果表明,所设计的磁耦合WPT系统能效性能在线监测器可以有效监测系统运行情况,能够满足一般系统运行和调试时的监测需求。基于所提出的设计方案和设计方法实现的磁耦合WPT系统能效性能在线监测器具有体积小、成本低、便携等优点,具有一定的实用价值。
值得一提的是,以LCC-S型磁耦合WPT系统为监测对象进行论述,但该设计方案和设计方法对于其他类型的磁耦合WPT系统能效性能在线监测器的设计,具有一定的指导意义;除此之外,所给出的下位机系统设计主要针对给移动性负载无线供电/充电的WPT系统,而对于给非移动性负载无线供电/充电的WPT系统,使用一个控制器STM32就能够满足需求,而且不需要主副控制器之间的通信,这样可以进一步降低能效性能在线监测器的成本。
| [1] |
苏玉刚, 陈龙, 王智慧, 等. 基于最小二乘法的感应电能无线传输系统负载辨识方法[J]. 电工技术学报, 2015, 30(5): 9-14. SU Yuang, CHEN Long, WANG Zhihui, et al. A load identification method for inductive power transfer system based on the least squares algorithm[J]. Transactions of China Electrotechnical Society, 2015, 30(5): 9-14. (in Chinese) |
| [2] |
戴欣, 孙跃, 苏玉刚, 等. 感应电能传输系统参数辨识与恒流控制[J]. 重庆大学学报, 2011, 34(6): 98-104. DAI Xin, SUN Yue, SU Yugang, et al. Study on constant current control of inductive power transfer with parameter identification[J]. Journal of Chongqing University, 2011, 34(6): 98-104. (in Chinese) |
| [3] |
Song K, Li Z, Jiang J, et al. Constant current/voltage charging operation for series-series and series-parallel compensated wireless power transfer systems employing primary-side controller[J]. IEEE Transactions on Power Electronics, 2017, 33(9): 8065-8080. |
| [4] |
韩峰, 潘三博, 周杨. LCC-S型磁耦合谐振式无线充电系统的输出特性[J]. 上海电机学院学报, 2018, 21(1): 8-13. HAN Feng, PAN Sanbo, ZHOU Yang. Output characteristics of LCC-S magnetic coupled resonance wireless charging system[J]. Journal of Shanghai Dianji University, 2018, 21(1): 8-13. (in Chinese) |
| [5] |
孙跃, 陈国东, 戴欣, 等. 非接触电能传输系统恒流控制策略[J]. 重庆大学学报, 2008, 31(7): 766-769. SUN Yue, CHEN Guodong, DAI Xin, et al. A constant current control method for contactless power transmission systems[J]. Journal of Chongqing University, 2008, 31(7): 766-769. (in Chinese) |
| [6] |
Wang G W G, Liu W L W, Bashirullah R, et al. A closed loop transcutaneous power transfer system for implantable devices with enhanced stability[C/OL]. International Symposium on Circuits & Systems. Piscataway, NJ: IEEE, 2004(2004-09-03)[2020-09-29]. https://doi.org/10.1109/ISCAS.2004.1328929.
|
| [7] |
苏玉刚, 张宁, 方少乾, 等. 同步整流技术在ICPT系统中的应用[J]. 电工技术学报, 2013(12): 313-318. SU Yugang, ZHANG Ning, FANG Shaoqian, et al. Application of synchronous rectifiers in inductive coupled power transfer system[J]. Transactions of China Electrotechnical Society, 2013(12): 313-318. (in Chinese) |
| [8] |
孙跃, 夏晨阳, 戴欣, 等. 感应耦合电能传输系统互感耦合参数的分析与优化[J]. 中国电机工程学报, 2010, 30(33): 44-50. SUN Yue, XIA Chenyang, DAI Xin, et al. Analysis and optimization of mutual inductance for inductively coupled power transfer system[J]. Proceedings of the CSEE, 2010, 30(33): 44-50. (in Chinese) |
| [9] |
Boys J T, Huang C Y, Covic G A. Single-phase unity power-factor inductive power transfer system[C]//2008 IEEE Power Electronics Specialists Conference. Piscataway, NJ: IEEE, 2008: 3701-3706.
|
| [10] |
李阳, 杨庆新, 闫卓, 等. 磁耦合谐振式无线电能传输方向性分析与验证[J]. 电工技术学报, 2014(2): 197-203. LI Yang, YANG Qingxin, YAN Zhuo, et al. Analysis and validation on characteristic of orientation in wireless power transfer system via coupled magnetic resonances[J]. Transactions of China Electrotechnical Society, 2014(2): 197-203. (in Chinese) |
| [11] |
Yin J, Lin D Y, Lee C K, et al. A systematic approach for load monitoring and power control in wireless power transfer systems without any direct output measurement[J]. IEEE Transactions on Power Electronics, 2015, 30(3): 1657-1667. DOI:10.1109/TPEL.2014.2317183 |
| [12] |
杨晓博, 李阳, 肖朝霞, 等. 改进粒子群算法的自动阻抗匹配技术[J]. 重庆大学学报, 2016, 39(6): 41-48. YANG Xiaobo, LI Yang, XIAO Zhaoxia, et al. Automatic impedance matching based on improved particle swarm optimization algorithm[J]. Journal of Chongqing University, 2016, 39(6): 41-48. (in Chinese) |
| [13] |
孙跃, 黄卫, 苏玉刚. 非接触电能传输系统的负载识别算法[J]. 重庆大学学报, 2009, 32(2): 141-145. SUN Yue, HUANG Wei, SU Yugang. A load identification algorithm for contactless power transmission systems[J]. Journal of Chongqing University, 2009, 32(2): 141-145. (in Chinese) |
2020, Vol. 43

