b. 重庆大学 教育部绿色建筑与人居环境营造 国际合作联合实验室, 重庆 400045
b. Joint International Research Laboratory of Green Buildings and Built Environments, Ministry of Education, Chongqing University, Chongqing 400045, P. R. China
集中空调系统通常是根据峰值负荷设计的[1],但在实际运行过程中,绝大部分时间集中空调都不是满负荷运行[2]。一次泵变流量系统是为了解决这一问题应运而生的。尽管一些学者对变流量系统的能效和优化做了一些工作[1, 3-5],但在实际应用中因冷水机组能耗额外增加而导致系统节能效益为负数的案例并不罕见[6]。文献[7]通过对冷水机组产品进行技术调研,建立热力学模型模拟分析,得出冷水流量变化为原流量的60%,冷水机组COP下降幅度小于10%。但建筑空调有大部分时间在低于60%负荷率下运行,文献[8]对一些典型城市的研究结果表明:全年空调系统运行在大于50%负荷的运行时间只占总运行时间的33%,所以对冷水机组在60%负荷率以下的性能仍需进一步研究。文献[9]通过解析变频水泵能耗计算方法,得到影响水泵能耗的主要因素包括综合效率与负荷率。但是空调系统的运行费用取决于整个系统的能耗[10],一次泵变流量节能控制系统是一个包括冷水机组能效、水泵效率、管网阻力和流量、末端水阀调节方式以及系统控制策略等多种因素在内的系统工程,仅仅考虑某一子系统范畴的节能研究显然是不明智的[11]。
为了更全面地了解一次泵变流量系统在部分负荷工况下的运行性能,研究负荷率对冷水机组和水泵的能耗及其性能系数的影响规律,笔者搭建了变流量空调系统实验台,进行夏季制冷工况的实际运行测试,以便获得一次泵变流量系统部分负荷工况下运行特性的真实数据。
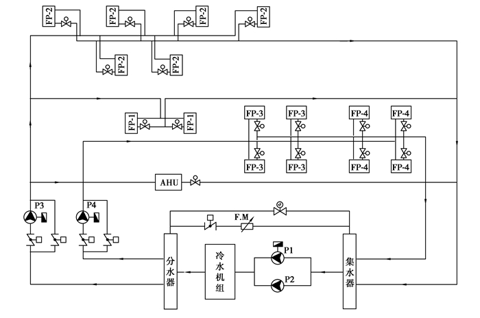
1 实验台概况实验台冷冻水系统如图 1所示,为了更清楚地展示其系统原理,冷却泵、冷却塔和膨胀水箱等未画出。
|
图 1 变流量空调系统实验台示意 Fig. 1 The schematic of experiment table of variable flow air conditioning system |
实验平台的水系统分为机房侧水系统和用户侧水系统两部分,机房侧系统包括冷热源(变频螺杆机组)、一次泵(P1和P2)、分集水器、相应的管路以及分集水器之间的旁通管等。用户侧系统包括二次循环泵(P3和P4),用户侧管网及风机盘管等末端设备。表 1列出了各主要设备信息。
| 表 1 变流量空调系统主要设备 Table 1 Detail information of main equipments |
实验台水系统可根据要求变化为一次泵系统和一次泵/二次泵系统2种形式,文中采用前者,即单级泵直接变频、冷源侧变流量、用户侧变流量水系统。P2、P3、P4不运行,P1直接变频同时实现冷源侧与用户侧变流量运行。旁通水量通过压差旁通阀调节,以保证冷水机组流量高于其低限值。
定干管压差控制策略因施工方便、水力平衡性好被广泛应用[3],实验采用此种控制策略,控制原理如图 2所示。分水器与集水器间压差(DP)为实验关注的参考压差,控制器根据DP与其设定值(DPset)的偏差,经由PID算法输出变频器频率值,调节一次泵转速。由于实验台压差传感器较灵敏,当工况不发生变化时DP在小范围内不断波动,因此,将DPset设为区间125~128 kPa,DP控制在此区间内即被认为是合理的。实验中保持冷却水流量恒定。
|
图 2 定干管压差控制原理 Fig. 2 The principle of constant differential pressure control |
为了实现该控制回路以及实验要求的监测参数,实验台配备了可编程模块化控制器及若干扩展模块。主要的传感器和测点如表 2所示。此外,利用自控软件对系统进行监控,如图 3所示。房间内各末端配备独立的温控器进行就地控制。
| 表 2 变流量空调系统传感器和测点 Table 2 Sensors and measuring points |
|
图 3 实验台自控系统 Fig. 3 The automatic control system |
影响空调系统负荷率的因素主要可以分为室外气象条件、室内热湿环境需求和室内人员行为3类[12]。在保持这3类因素相对稳定的情况下,通过手动开关不同房间末端来调节系统的负荷率,设置实验的各个工况。此处定义开启末端额定制冷量之和与全部末端额定制冷量之和之比为开启率,即
| $ k = \frac{{\sum\limits_{i = 1}^n {{q_i}} }}{Q}, $ | (1) |
式中:qi为第i台开启末端额定制冷量,kW;n为开启末端的台数;Q为全部末端制冷量之和,kW。
实验共设置5个工况,每个工况持续测试约2 h,数据采样时间为5 min。在实验的某个工况下,由于制冷机组自身控制精度不足以使出水温度恒定,并且空调房间末端温控器也无法使房间温度处于完全稳态,而是一个比较稳定的动态过程。因此,在分析冷水机组、水泵的输入功率及相应负荷率时,以该工况下的平均值来反映,在分析冷水机组COP和水泵综合效率及相应负荷率时以瞬时值来反映。
3 结果分析 3.1 开启率与系统负荷率的关系实验通过设置不同的末端开启率来调节系统负荷率,从而研究系统负荷率对系统性能的影响规律。通过实验测试了系统负荷率与开机率的变化关系,如图 4所示,开启率与系统负荷率变化趋势一致,且近似成线性关系,可以通过调节末端开启率来实现对系统负荷率的调节。
|
图 4 空调系统负荷率与开启率的关系 Fig. 4 The relationship between load rate and opening rate of air conditioning system |
图 5给出了冷水机组COP随负荷率变化的情况。负荷率的测试范围为22.3%~69.1%,在此负荷率区间,随着负荷率的减小,机组的COP先增大后减小。当冷负荷率从69.1%降低到60%,机组COP有所提高,最高COP出现在负荷率60%左右。当负荷率从60%降低到22.3%,COP呈下降趋势,低负荷率下COP衰减更为严重。在实验测试中,机组始终安全运行,旁通阀没有打开。如果在低负荷率下用户侧流量低于机组低限值而打开旁通阀,旁通部分冷冻水量,将导致蒸发器回水温度下降,机组效率的衰减将更为剧烈。在分析冷水机组输入功率随负荷率变化的情况时,取其在各工况下的平均值,下文水泵同理。
|
图 5 冷水机组COP随负荷率变化趋势 Fig. 5 The trend of chiller COP with the change of load rate |
根据图 6将变化趋势大致分为3个阶段。第1阶段:负荷率在60.9%~52.1%之间,机组平均功率均在18 kW以上;第2阶段,负荷率在45.1%时,机组平均功率降低到14.3 kW;第3阶段,负荷率在27.2%时,机组平均功率又升高到17.8 kW。观察到机组在低负荷率(LR < 45%)时,出现输入功率增加的现象,结合图 5可知, 机组COP在该阶段衰减到2以下,已不再有节能效果,实际运行中应避免这一阶段的出现。
|
图 6 冷水机组输入功率随负荷率变化趋势 Fig. 6 The trend of chiller input power with the change of load rate |
水泵变频主要通过变频器、电动机、水泵3个部分完成[13],对其能耗有影响的3个效率分别为变频器效率、电动机效率和水泵效率,文中将这3个效率的乘积称为综合效率[9]。从能耗角度来说,研究包括变频器、电动机和水泵在内的综合能耗更具有实际意义[14]。实验中智能电表所测水泵输入功率即为包含变频器、电动机和水泵三者功率在内的总输入功率,根据水泵输入、输出功率的关系,推导得出水泵综合效率
| $ \eta = \frac{{QP}}{{3\;600\;{N_{{\rm{in}}}}}}, $ | (2) |
式中:Q为水泵流量,m3/h;P为水泵前后压降,kPa;Nin为水泵输入功率,kW。
从图 7可以看出,水泵综合效率随负荷率的降低呈下降趋势。负荷率在69.1%~55%时,综合效率在0.45左右,下降趋势较缓和;负荷率在55%~22.3%时,下降趋势明显,综合效率从0.45下降到0.35。此趋势与文献[9]的结果基本一致。
|
图 7 水泵综合效率随负荷率变化趋势 Fig. 7 The trend of pump integrated efficiency with the change of load rate |
图 8为水泵输入功率随负荷率的变化情况。可以看出,随着负荷率的减小,水泵平均功率始终在下降,即随着水泵频率的减小而降低。当负荷率从60.9%下降到52.1%时,水泵功率下降明显,从1.47 kW下降到0.95 kW,此时水泵综合效率较高。当负荷率从52.1%下降到27.2%时,水泵功率下降趋势减缓,此时水泵综合效率较低。实验中,随着负荷率的减小,水泵综合效率不断降低,水泵功率也不断降低,表现出与冷水机组不同的特性。
|
图 8 水泵输入功率随负荷率变化趋势 Fig. 8 The trend of pump input power with the change of load rate |
|
图 9 水泵输入功率与流量的关系 Fig. 9 The relationship between pump input power and flow rate |
结合图 2对水泵能耗进一步分析。以分、集水器为分界线将冷冻水系统分为Ⅰ、Ⅱ两部分:Ⅰ部分称为机房侧,Ⅱ部分称为用户侧。设这两部分管路的阻力系数分别为S1和S2,系统的总阻力系数S=S1+S2,则泵的扬程为
| $ H = S{Q^2} = ({S_1} + {S_2}){Q^2}。$ | (3) |
当系统负荷发生变化时,如果没有冷水机组或泵的运行台数变化以及旁通管路变化等影响,S1近似不变。但末端调节水量所用电动二通阀的开关状态会随着用户侧负荷的变化而发生变化,即Ⅰ部分管路的等效阻力系数S2不是一个定值,随系统负荷的变化而变化。因此,系统的总阻力系数S=S1+S2也将随负荷的变化而变化,意味着冷冻水管路的特性曲线也将随之变化[15];另一方面,随着空调系统负荷率的降低,水泵综合效率下降。水泵的变频运行并不满足相似定律,即水泵的能耗不与流量的三次幂成正比。
对定干管压差系统而言,分集水器间压差保持恒定,意味着式(3)中,S2Q2=C,由此,可将式(3)改写为
| $ H = {S_1}{Q^2} + C。$ | (4) |
则水泵的输出功率为
| $ {N_e} = \gamma QH = \gamma ({S_1}{Q^3} + CQ)。$ | (5) |
水泵的总输入功率为
| $ N = \frac{{{N_e}}}{\eta } = ({S_1}{Q^3} + CQ)\frac{\gamma }{\eta }。$ | (6) |
式(6)为水泵输入功率与流量的关系方程(其中,γ为冷冻水的比重)。当机房端阻力S1所占比重较大时,水泵输入功率与流量偏向三次幂关系;而当定压差阻力C所占比重较大时,水泵输入功率与流量偏向一次幂关系。在进行冷冻水泵的变频设计时应注意到这一特点,在保证空调系统正常工作的前提下,尽可能增大冷冻水泵变频的节能效果。实验测试结果如图 10所示,在定干管压差控制策略下,水泵的输入功率近似与流量的二次幂成正比。
|
图 10 水泵输入功率与流量的关系 Fig. 10 The relationship between pump input power and flow rate |
由分析可知,随着负荷率的改变,冷水机组和水泵表现出的能耗特性是完全不同的。图 11是同时段下冷水机组和水泵输入功率的总和随负荷率的变化情况。可以看出,当负荷率从60.9%降低到52.1%时,总输入功率有所降低,但幅度较小;当负荷率降到45.1%时,总输入功率大幅降低,从19.3 kW降低到15.1 kW;但是当负荷率继续下降到27.2%时,总输入功率反而又增加到18.5 kW,整体趋势与冷水机组输入功率的趋势相近。在实验空调系统中,水泵额定功率只占冷水机组和水泵总额定功率的8.5%,在低负荷率(LR < 45%)下变频水泵的输入功率有所降低,但总输入功率随冷水机组输入功率的增加而增加,造成不节能的现象,实际应用中应避免此现象发生。
|
图 11 冷水机组和水泵总输入功率随负荷率变化趋势 Fig. 11 Thetrend of air conditioning system input power with the change of load rate |
文中搭建了变流量水系统实验台,对其夏季制冷工况进行实验测试,基于测试数据分析了系统负荷率对系统性能的影响规律,结论如下:
1) 在22.3%~69.1%负荷率区间内,冷水机组COP随负荷率的减小先升高后降低,最高COP出现在负荷率60%左右;水泵综合效率随负荷率的减小始终减小。
2) 随着负荷率的降低,冷水机组输入功率与水泵输入功率呈现出不同的变化趋势:水泵输入功率始终降低,而冷水机组输入功率先降低后升高。由于冷水机组在总能耗中占比较大,导致27.2%负荷率时,冷水机组和水泵的总输入功率高于45.1%负荷率时的总输入功率。
3) 在定干管压差控制策略下,水泵的能耗不与流量的三次幂成正比,与定压差阻力和机房端阻力所占比重以及水泵综合效率有关。实验结果表明,水泵的输入功率近似与流量的二次幂成正比。
| [1] |
Fang X, Jin X Q, Du Z M, et al. Evaluation of the design of chilled water system based on the optimal operation performance of equipments[J]. Applied Thermal Engineering, 2017, 113: 435-448. DOI:10.1016/j.applthermaleng.2016.11.053 |
| [2] |
梁星, 张九根, 陈大鹏. 变水量系统Smith-模糊PID复合控制方法[J]. 施工技术, 2018, 48(8): 101-106. LIANG Xing, ZHANG Jiugen, CHEN Dapeng. Smith-fuzzy PID compound control strategy for variable volume water system[J]. Heating Ventilating & Air Conditioning, 2018, 48(8): 101-106. (in Chinese) |
| [3] |
Zhao T Y, Zhang J L, Ma L D. Experimental analysis of the thermal stability of the pressure control method for a variable flow air-conditioning water system[J]. Building and Environment, 2013, 70: 1-9. DOI:10.1016/j.buildenv.2013.07.012 |
| [4] |
Ma Z J, Wang S W. Energy efficient control of variable speed pumps in complex building central air-conditioning systems[J]. Energy and Buildings, 2009, 41(2): 197-205. DOI:10.1016/j.enbuild.2008.09.002 |
| [5] |
Chang S, Meng Q, Liang Y. Experimental study of hydraulic stability for variable water volume air conditioning System[J]. Procedia Engineering, 2017, 205: 1072-1078. DOI:10.1016/j.proeng.2017.10.172 |
| [6] |
刘新民. 质疑暖通空调机房温控变流量节能技术[J]. 建筑科学, 2009, 25(6): 16-20. LIU Xinmin. Discussion on variable flowrate technology based on temperature control in HVAC system[J]. Building Science, 2009, 25(6): 16-20. (in Chinese) |
| [7] |
孟彬彬, 朱颖心, 林波荣. 部分负荷下一次泵水系统变流量性能研究[J]. 暖通空调, 2002, 32(6): 108-110. MENG Binbin, ZHU Yingxin, LIN Borong. Performance of the primary-pump water system with variable flow under partial load[J]. Journal Heating Ventilating and Airconditioning, 2002, 32(6): 108-110. (in Chinese) |
| [8] |
Wang F J, Chang T B, Chen M T. Energy conservation for chiller plants by implementation of variable speed driven approach in an industrial building[J]. Energy Procedia, 2014, 61: 2537-2540. DOI:10.1016/j.egypro.2014.12.040 |
| [9] |
丁勇, 魏嘉. 冷冻水泵变频改造的节能性能分析[J]. 建筑节能, 2015, 43(9): 1-7. DING Yong, WEI Jia. Energy efficient analysis of chilled water pump frequency renovation[J]. Building Energy Efficiency, 2015, 43(9): 1-7. (in Chinese) |
| [10] |
彭亚美, 祝健. 冷冻水变流量节能效果分析[J]. 建筑热能通风空调, 2013, 32(2): 52-54, 14. PENG Yamei, ZHU Jian. The energy saving effect analysis of chilled water system with variable flow[J]. Building Energy & Environment, 2013, 32(2): 52-54, 14. (in Chinese) |
| [11] |
叶何明. 一次泵变流量系统研究现状综述之商榷[J]. 福建建筑, 2011(5): 84-86. YE Heming. Speak too investigation situation overview of variable primary flow systems[J]. Fujian Architecture & Construction, 2011(5): 84-86. (in Chinese) |
| [12] |
丁勇, 刘学, 黄渝兰, 等. 空调系统节能量测量与验证方法的应用分析[J]. 暖通空调, 2018, 48(7): 47-54. DING Yong, LIU Xue, HUANG Yulan, et al. Application and analysis on energy saving measurement and verification methods of air conditioning systems[J]. Heating Ventilating & Air Conditioning, 2018, 48(7): 47-54. (in Chinese) |
| [13] |
倪丹, 谭洪卫, 刘兆辉, 等. 集中空调系统水泵变频节能分析[J]. 建筑热能通风空调, 2017, 36(1): 57-60, 41. NI Dan, TAN Hongwei, LIU Zhaohui, et al. Energy-saving analysis of frequency conversion of water pump in central air conditioning system[J]. Building Energy & Environment, 2017, 36(1): 57-60, 41. (in Chinese) |
| [14] |
Song Y P, Zhao J N. Operating characteristics of the variable frequency speed-regulating system for a single pump in a closed system[J]. Building Services Engineering Research and Technology, 2017, 38(3): 309-317. DOI:10.1177/0143624416680690 |
| [15] |
王寒栋. 中央空调冷冻水泵变频调速运行特性研究(1)[J]. 制冷, 2003, 22(2): 15-20. WANG Handong. Research on characteristics of variable frequency chilled water pumps in central air-conditioning systems-part 1[J]. Refrigeration, 2003, 22(2): 15-20. (in Chinese) |
2020, Vol. 43


