2. 山东科汇电力自动化股份有限公司, 山东 淄博 255000
2. Shandong Kehui Electric Power Automation Co., Ltd., Zibo, Shandong 255000, P. R. China
现代配电网具有多电源、多分段、多分支、功率双向流动、弱馈等特征,传统三段式电流保护难以保证选择性和灵敏性,需要提供更有效的保护方法[1-3]。采用电流差动保护可有效消除多电源供电对馈线故障检测的影响,提高保护灵敏度。
传统差动保护需要在保护的两个端点之间敷设光纤作为信息传输的快速通道。但光纤敷设和线路维护成本过高,且易受到施工破坏,导致其难以在配电网中广泛推广应用[4]。此外,差动保护对光纤通信信道利用效率极低,同时也影响了电力资产利用效率。
近年来,以5G为代表的最新一代的无线通信技术快速发展。特别是5G网络提供的超可靠低时延业务(URLLC, ultra-reliable and low-latency communication) 具有高带宽、低时延等优点[5],将其应用于配电网的差动保护,为配电网的故障精确定位、隔离与恢复供电提供了新的发展思路[6]。
目前,基于5G的差动保护研究刚刚起步,Wikström等[6]采用5G通信实现配电网线路差动保护。吕玉祥等[7]分析了采用5G无线通信技术进行差动保护时,网络的利用效率和覆盖率等。王常玲等[8]提出了一种基于5G的配电网电流差动保护业务应用方案。这些研究[6-8]虽然提出将5G通信应用于差动保护的概念,但都没有考虑5G通信的传输时延及抖动对差动保护判据计算的不利影响。Bag等[9]分析了差动保护对通信时延及抖动的需求,并通过实验验证分析了5G网络传输时延及概率分布情况,但没有提出存在时延抖动情况下差动保护的解决办法。因此,如何消除基于5G通信差动保护中时延的影响,还有待进一步开展研究。
为此,笔者首先分析了5G的通信时延及其对保护判据计算的影响,然后提出了一种基于动态时间规划(dynamic time warping,DTW)的差动保护电流对比计算方法,利用动态时间规划算法对电流采样序列时间轴时延变化具有容差性这一特点,消除传输时延和抖动对差动电流比较的影响,构建基于DTW距离的差动保护判据。最后通过仿真分析了各种场景下DTW算法中参数选取对判断结果的影响,并验证了所提出的差动保护算法的有效性。
1 基于5G通信时延及其对保护数据的影响为保障电力系统稳定运行,减少配电网故障的连锁反应,尽可能避免故障对电气设备造成损坏,必须快速进行故障的切除。一般配电网保护要求故障的检测到切除的总时间为47~190 ms[10],差动保护需要先将两个空间上相隔较远的端点电流进行测量比较。因此,两端点间需要建立传输数据的通信通道。传统的无线通信技术传输时延大且时延具有不确定性(抖动),导致数据比较产生较大的误差。当传输时延不确定性比较严重时,还可能产生保护拒动和保护误动等问题[11]。因此,传统的差动保护都是通过建立一条单独的光纤回路,实现低传输时延、无时延抖动[12],但光纤通信的建设、维护成本高,难以在配电网中大范围应用。
随着通信发展,5G网络提供了超可靠且超低时延业务,目标是应用于对时延和可靠性要求极高的工业物联网场景[13]。基于5G超低时延算法的核心是编/解码优化算法,采用灵活的NR时隙(slot)长度,在出现突发超低时延业务需求时,将缩短的mini-slot迅速插入eMBB的时隙中,提升系统反应速度[14-15]。超低时延业务传输无需基站许可,进一步缩短了上行的信令时延,实现端到端传输时延的进一步优化。
虽然5G通信实现了超低时延,但由于其时延仍然存在抖动,导致不同数据包传输的时延并不相同,从而造成数据包在时间域上的失真。图 1给出了电流归一化后采样的数据波形和经历传输时延后数据失真波形的比较。以图 1中前2个采样数据为例,虽然采样数据波形是按周期均匀获得的(如图中蓝色点所示),第1个采样数据的传输时延较小、第2个采样数据的传输时延较大,导致保护装置得到采样数据对应的正弦波形发生了畸变(如图 1中红色点所示)。
|
图 1 采样的数据波形和传输时延后数据失真波形的比较 Fig. 1 A comparison between the sampled data waveform and the delayed data distortion waveform |
与传统无线通信技术相比,5G的传输时延抖动已经较小。虽然时延及抖动远小于一个周波20 ms,但仍然会对差动保护判据计算产生一定的影响。为了减少这一影响,笔者提出通过动态时间规划算法。
2 基于DTW算法的差动保护判据基于以上分析,5G通信有以下特点:速率高,时延低,同时还具有能耗低等优势,所以基于5G通信实现差动保护具有较好的现实意义和实用价值。但由于经过5G通信传输的电流采样序列在时间轴上的时延抖动,导致波形失真,因此需要进一步研究差动保护的数据处理算法,消除时延抖动对差动保护动作判据的影响。
在时间序列的优化处理中,动态时间规划算法可对时间轴上的信号序列进行缩放,用于两个不同节奏、不同长度的失真时间序列之间的对比,对时间轴变化(在本研究中即是通信时延抖动)具有容差性。针对5G的特点和存在的问题,采用DTW算法的差动保护动作判据,用此方法计算两个电流序列的相对距离,然后通过实验选定合适的门槛值,对是否采用保护动作进行判定。
2.1 DTW算法介绍给定两个时间序列Q和C,它们的长度为n和m:
Q={Q1, Q2, ..., Qn},
C={C1, C2, ..., Cm}。
DTW算法可计算时间序列Q和C每个时间值之间的距离,具体步骤为:根据两个时间序列Q和C的长度n和m,构成一个n×m的矩阵D,计算每个时间序列元素之间的欧式距离,得到矩阵D的n×m元素,其中矩阵值的计算公式为:
| $ d_{i j}=\sqrt{\left(Q_{i}-C_{j}\right)^{2}}。$ | (1) |
式中: dij为时间序列Q中的Qi和时间序列C中的Cj之间的距离值。距离越小表示相似度越高。
然后,DTW算法将选取一条通过上述矩阵网络中点的路径。此路径的选择不是任意的,需满足以下3个约束条件:
1) 边界条件:所选的路径必须是自矩阵网络的左上角出发,至右下角结束;
2) 连续性:所选的路径线路只能沿着自己相邻和对角的矩阵网络中的点向后延续;
3) 最值性:在所选的路径中,必须要求其路径的距离值最小。
最后,DTW算法将满足上述3个约束条件的路径选出,把路径经过的dij相加,所得出的数值记为DTW(Q, C),即为这两个时间序列的相似度距离。
举例说明DTW算法。现有两个序列:
Q={8,9,1},
C={2,5,4,6}。
1) 计算对应点的欧式距离矩阵,如图 2中各方框中的数字。
|
图 2 DTW距离算法 Fig. 2 DTW distance algorithm |
2) 根据上述3个约束条件,选出从左上角6到右下角5的最短路径,如图 2中的箭头所示。
3) 得出DTW的距离值即为箭头所经过路径各方框中的数字之和:18。
2.2 基于DTW算法的保护判据本节进一步说明将DTW算法应用到差动保护的判据计算中。
2.2.1 电流归一化处理记两组待测电流采样值序列分别为i1和i2,以时间为横轴,以电流量为纵轴,分别获得两组电流采样时间序列。为了消除波形幅值对DTW距离值的影响,需对电流波形进行归一化处理。
具体步骤如下:在确定的数据窗将电流序列中的最大值和最小值提取出来,分别记为imax和imin,采用幅值压缩公式,对数据窗内的电流序列进行幅值压缩,使各电流采样点落在[0, 1]区间内,从而得到归一化的电流采样序列。其幅值压缩公式为
| $ i^{*}(k)=\frac{i(k)-i_{\min }}{i_{\max }-i_{\min }}。$ | (2) |
式中:k=1, 2, ..., n,为电流序列中各点的序列数;i(k)为第k个采样电流;i*(k)为第k个采样电流归一化后的电流。
将归一化后的电流序列i1*和i2*带入DTW算法进行相似度的计算。
2.2.2 判据门槛值选定从理论上,未发生故障前,由于失真时延等问题,由采样归一化后计算得来的DTW值一直在较小的范围内波动。发生区内故障时,波形发生瞬时改变,使此后采样归一化后经过DTW算法的距离值有较大幅度的攀升。因此用DTW值对是否有区内故障进行判定,当发生区内故障时,DTW值迅速增大,故以此设为门槛值DTWset,当DTW>DTWset时,执行差动保护动作。
2.3 判定流程对待测两电流i1、i2进行提取,选取一个数据窗,在此数据窗内得出两电流序列的最大值和最小值,基于此生成i1和i2的归一化序列i1*和i2*,计算出两者的DTW(i1*, -i2*)值。且随着时间推进,电流序列不停地更新,产生新的电流序列,计算出新的DTW值,依据不断产生的DTW值进行判定。
基于以上步骤,可构建差动保护判定的流程图,如图 3所示。
|
图 3 保护判据流程图 Fig. 3 Flow chart of protection criterion |
数据窗与采样频率的选取十分重要,决定后续算法的正确性。数据窗的长度w决定了差动保护动作的及时性,采样频率的高低关系到DTW算法的精准度。这二者的选取都不宜过大或过小,都需结合电路和外部环境的实际情况而决定。
考虑到工程实际,本研究中的采样频率选取为3 kHz。在此频率下采样,分别得出两个电流序列i1和i2,然后在选定的数据窗内对其进行归一化处理,得到新的电流归一化序列i1*和i2*,再根据所得的新序列进行DTW的算法计算,通过设置合适的门槛值对是否采取保护动作进行判别。
3 仿真验证本研究中采用配电线路模拟和真实5G通信传输方式,仿真验证提出的算法。仿真采用一对FCU2301嵌入式通信节点(记为A节点和B节点),该节点采用华为公司的工业5G模块MH5000配合LS1046A的网络加速引擎。实验中5G模块在3.5G频段和100 MHz的频宽工作。实验的过程:首先在MATLAB/Simulink中建立仿真的配电网线路,并将一路信号通过RS485传送给A节点;然后A节点通过5G基站将数据转发给B节点,实现5G通信时延的模拟;最后,B节点将收到数据发送到仿真软件中,通过DTW算法,对经由网络传输的一端电流采样模拟数据和另外一端本地电流采样模拟数据进行计算,得到基于DTW算法的保护判据结果。
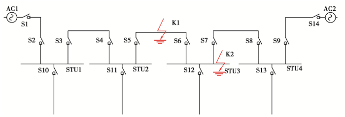
3.1 仿真模型仿真的配电线路采用如图 4所示的双电源手拉手供电拓扑。正常运作时,该配电线路可单电源供电,也可双电源供电。以开关S5和S6之间馈线的差动保护为例开展研究。
|
图 4 模拟实验仿真模型 Fig. 4 Model of simulation experiment |
采用图 4所示的配电网构架,两侧电源供电,S1~S14全部闭合。以采样率3 kHz对S5与S6的电流进行采样。考虑当0.4 s时S5与S6之间的K1点发生A相接地故障时,S5测得的电流记为i1,S6测得的电流记为i2。将两端点的电流进行归一化处理后得到i1*和i2*,如图 5(a)所示,经5G通信传输后的电流采样值组成的曲线如图 5(b)所示。分别选择数据窗长度为20, 30, 40 ms,采用DTW算法得到两电流序列之间的距离如图 5(c)(d)(e)所示。由图分析可知:虽然各数据窗的长度不同,但在0.4 s时3组均发生接地故障,经过短暂的延迟后,各组DTW的距离值都迅速变大,触发差动保护信号。
|
图 5 双电源区内故障电流波形及DTW值计算结果 Fig. 5 Calculation results of fault current waveform and DTW value in dual power supply area |
分析参数选取(数据窗和门槛值)对差动保护动作触发时间的影响:在不同的参数配置下,差动保护动作的触发时间如表 1所示。
| 表 1 数据窗w和门槛值DTWset对动作触发时间的影响 Table 1 The influence of data window and threshold on action trigger time |
由表 1中的动作触发可以看出,在选定不同数据窗的情况下,保护动作的触发时间都能满足配电网的要求。而且,数据窗选取对动作触发时间的影响不大。由于窗口越小,每个数据窗可采样点越少,完成一次DTW算法所需的计算量越少,所以在实际应用中应尽可能减小数据窗的长度,本文后续的仿真中均采用20毫秒长度的数据窗。
另外由表 1中DTWset设置数值对触发时间的影响可以看出,DTWset设置数值越小,响应速度越快。但是,DTWset设置数值不能太小,否则容易受电流采样扰动的影响,出现误触发。因此,后续的仿真中设置DTWset=20。
3.3 单电源区内故障仿真分析采用图 4所示的配电网构架,开关S7断开,其余闭合,实现单侧电源供电。数据窗长度20 ms,采样频率为3 kHz,对S5与S6的电流进行采样。当0.4 s时S5与S6之间的K1点发生A相接地故障。如图 6(a)所示,记S5测得的电流为i1,S6测得的电流为i2, 两电流进行归一化处理后得到i1*和i2*。经5G通信传输后的电流采样值曲线如图 6(b)所示,经DTW算法得到的距离如图 6(c)所示。由图可知,当0.401 1 s后,DTW (i1*, -i2*)>DTWset,执行保护动作。
|
图 6 单电源区内故障电流波形及DTW值计算结果 Fig. 6 Calculation results of fault current waveform and DTW value in single power supply area |
采用图 4所示的配电网构架,两侧电源供电,S1~S14全部闭合。数据窗长度为20 ms,采样频率为3 kHz,对S5与S6的电流进行采样。当0.4 s时STU3(K2)处发生区外接地故障。如图 7(a)所示,记S5测得的电流为i1,S6测得的电流为i2,两电流进行归一化处理后得到i1*和i2*。经5G通信传输后的电流采样值曲线如图 7(b)所示,经DTW算法得到的距离如图 7(c)所示。由图可以看出,在发生区外故障后,DTW值一直未超过门槛值,故一直未执行保护动作。
|
图 7 双电源区外故障电流波形及DTW值计算结果 Fig. 7 Calculation results of fault current waveform and DTW value outside the dual power supply area |
由上述3个算例可得出,本文提出的算法可顺利地区分区内、区外故障,并执行正确的保护动作。
4 结语针对配电线路差动保护中5G通信时延和抖动的不确定性对保护动作准确性的影响问题,分析了5G的通信时延及其对保护数据影响,提出了一种基于动态时间规划的差动保护电流对比计算方法,利用DTW对时间轴上的容差性,消除传输时延抖动对差动电流比较的影响,构建基于DTW距离的差动保护判据。通过仿真分析了参数选取对保护动作触发时间的影响,并分别在单、双电源供电时,对区内故障和区外故障进行仿真,验证了所提出的差动保护算法的有效性。
| [1] |
Fang Z, Lin Y Z, Song S J, et al. Active distribution system state estimation incorporating photovoltaic generation system model[J]. Electric Power Systems Research, 2020, 182: 106247. DOI:10.1016/j.epsr.2020.106247 |
| [2] |
Deng H Y, Chang S N, Song M J. Effect of the nozzle arrangement of atomization equipment in icing cloud simulation system on the velocity field of water droplets and liquid water content distribution[J]. Applied Thermal Engineering, 2020, 172: 115196. DOI:10.1016/j.applthermaleng.2020.115196 |
| [3] |
Ahmadian A, Asadpour M, Mazouz A, et al. Techno-economic evaluation of PEVs energy storage capability in wind distributed generations planning[J]. Sustainable Cities and Society, 2020, 56: 102117. DOI:10.1016/j.scs.2020.102117 |
| [4] |
吴义纯, 李铁柱, 徐结红, 等. 浅析分布式电源对配网继电保护影响[J]. 中国设备工程, 2019(19): 185-186. Wu Y C, Li T Z, Xu J H, et al. Analysis of the impact of distributed power on distribution network relay protection[J]. China Equipment Engineering, 2019(19): 185-186. (in Chinese) |
| [5] |
Ma T T, Zhang Y, Wang F G, et al. Slicing resource allocation for eMBB and URLLC in 5G RAN[J/OL]. Wireless Communications and Mobile Computing, 2020[2020-03-21]. https: //doi.org/10.1155/2020/6290375.
|
| [6] |
Wikström G, Torsner J, Kronander J, et al. Wireless Protection of power grids over a 5G network[C]//2019 IEEE PES GTD Grand International Conference and Exposition Asia (GTD Asia), March 19-23, 2019, Bangkok. IEEE, 2019: 976-981.
|
| [7] |
吕玉祥, 杨阳, 董亚文, 等. 5G技术在配电网电流差动保护业务中的应用[J]. 电信科学, 2020, 36(2): 83-89. Lu Y X, Yang Y, Dong Y W, et al. Application of 5G technology in current differential protection of distribution network[J]. Telecommunication Science, 2020, 36(2): 83-89. (in Chinese) |
| [8] |
王常玲, 赵元. 基于5G承载网的电力差动保护业务时延抖动分析[J]. 通信世界, 2019(32): 33-36. Wang C L, Zhao Y. Delay jitter analysis of power differential protection service based on 5G bearer network[J]. Communication World, 2019(32): 33-36. (in Chinese) |
| [9] |
Bag G, Thrybom L, Hovila P. Challenges and opportunities of 5G in power grids[J]. CIRED -Open Access Proceedings Journal, 2017, 2017(1): 2145-2148. DOI:10.1049/oap-cired.2017.0374 |
| [10] |
苏斌, 朱燕. 纵联差动保护对传输时延和通道的要求[J]. 现代工业经济和信息化, 2011, 1(12): 56-57. Su B, Zhu Y. Requirements of longitudinal differential protection for transmission delay and channel[J]. Modern Industrial Economy and Informationization, 2011, 1(12): 56-57. (in Chinese) |
| [11] |
李满礼. 通信延时/误码引起纵联差动保护风险分析[D]. 南京邮电大学, 2015. Li M L. Risk analysis of longitudinal differential protection caused by communication delay/error[D]. Nanjing: Nanjing University of Posts and Telecommunications, 2015. (in Chinese) |
| [12] |
陆威, 方琰崴, 陈亚权. 超低延时超低时延解决方案和关键技术[J]. 移动通信, 2020, 44(2): 8-14. Lu W, Fang Y W, Chen Y Q. Ultra low delay, ultra low delay solutions and key technologies[J]. Mobile Communication, 2020, 44(2): 8-14. (in Chinese) |
| [13] |
黄韬, 李鹏翔. 超低延时关键技术和网络适应性分析[J]. 移动通信, 2020, 44(2): 25-29. Huang T, Li P X. Analysis of ultra-low delay key technologies and network adaptability[J]. Mobile Communication, 2020, 44(2): 25-29. (in Chinese) |
| [14] |
Hosseinian S M, Oteri O, Ma L P. Interference reduction for reference symbols in URLLC/eMBB multiplexing: United States Patent Application 20200052864 A1[P]. 2020-02-13.
|
| [15] |
Tang J, Shim B, Quek T Q S. Service multiplexing and revenue maximization in sliced C-RAN incorporated with URLLC and multicast eMBB[J]. IEEE Journal on Selected Areas in Communications, 2019, 37(4): 881-895. |
2021, Vol. 44

