汞的特有性质使其在科研和生产领域有广泛的应用,同时也带来了环境污染问题[1],为保护环境,对相关产品的汞含量检测与控制必不可少。常用的汞含量检测方法有冷原子吸收光谱法[2]、冷原子发射光谱法[3]和冷原子荧光光谱法[4]等,其中基于冷原子吸收法的冷原子吸收测汞仪,利用汞蒸汽原子对253.7 nm紫外光的选择吸收作用对汞含量进行检测,具有稳定性高、准确度高、分析速度快等优点。
痕量汞检测技术不断改进,对冷原子吸收测汞仪检出限的要求也越来越高,而提高系统光源稳定性,是降低检出限的关键。热阴极低压汞灯是冷原子吸收测汞仪的可选光源,具有体积小、成本低、易于安装等优势,在绿色照明[5-6]、杀菌消毒[7]及光通信[8]等领域都有广泛应用。但作为一种气体放电灯,汞灯管内气体瞬时电阻受气体放电物理进程等多方面因素影响[9],用传统电子镇流器驱动时汞灯光强波动大、漂移严重,须对其驱动电路进行优化,提高其光强稳定性才能应用于痕量汞检测领域。目前对热阴极低压汞灯驱动电路的研究,多以照明杀菌领域为背景,以半桥逆变电路为核心[10-13]。比如Lin等[14]基于脉冲调频理论,以灯电流反馈方式控制半桥逆变器开关管的开关频率,实现了高功率因数下荧光灯照度调节;董扣杰[9]也使用灯电流反馈方式控制半桥逆变器驱动频率,实现了杀菌汞灯的稳态功率闭环设计。但因汞灯光强辐射效率受温度等多因素影响,与灯电流不是完全线性关系[15],上述灯电流反馈方式对光强的控制效果差,在痕量汞检测领域并不适用;另外,调频方式控制开关管开关频率的反馈方式电路复杂,电路谐振及频率调节都需要借助控制器,容易引入噪声,电路EMC性能差。
针对上述问题,提出了一种热阴极低压汞灯驱动及光强稳定方法。为实现汞灯预热启动和正常发光,构建了自激式电流馈电推挽谐振逆变电路拓扑,并基于电路等效模型提供了电路参数设计方法;为进一步稳定光强,构建了基于光强反馈方式的闭环控制系统,并通过频域分析对系统进行了优化设计;最后通过仿真和系统实验验证了文中方法的可行性与优越性。
1 热阴极低压汞灯驱动及光强稳定方法分析与设计如图 1所示,文中的热阴极低压汞灯驱动及光强稳定系统由开关电源模块,驱动模块及光强反馈模块组成。开关电源模块将24 V直流电源转换成低压直流电VS,为驱动模块供电;驱动模块将低压直流电VS转换成高频高压交流电来预热启动热阴极低压汞灯并维持其正常发光;光强反馈模块通过光强信号的反馈实时控制开关电源模块输出电压VS,进而控制施加在低压汞灯两端的电压,起到光强调控作用。
|
图 1 热阴极低压汞灯驱动及光强稳定系统框图 Fig. 1 Block diagram of drive and light intensity stabilization system for hot cathode low-pressure mercury lamp |
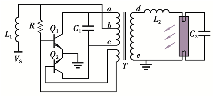
驱动模块由如图 2所示的自激式电流馈电推挽谐振逆变电路拓扑构成,此逆变电路是冷阴极低压汞灯的常用驱动电路,而热阴极低压汞灯多以半桥逆变电路驱动,研究创新性使用此电路驱动热阴极低压汞灯,充分发挥了电路结构简单、输出正弦波和高可靠性等优势[16];因电流馈电推挽逆变电路中晶体管的耐压要求高[16],使用了低压直流电供电方式;并以自激形式实现电路谐振,较外加控制器的他激形式,电路有更好的EMC兼容性,更有利于稳定汞灯光强。
|
图 2 自激式电流馈电推挽谐振逆变电路拓扑 Fig. 2 Circuit topology of self-excited current-fed push-pull resonant inverter |
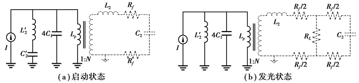
电阻R为开关管Q1,Q2提供直流偏置,与变压器反馈端组成逆变器的启动电路以触发振荡;直流电压VS经充当电流源的电感器L1馈送到变压器T的原边中心抽头,在Q1和Q2的交替导通作用下实现直流电到交流电的逆变,并在变压器副边输出高频高压交流电。汞灯启动状态时,管内气体等效电阻RL无穷大,交流电在LC串联网络中产生足以对灯丝(等效阻抗Rf)进行预热的电流,并在灯管两端产生高压使管内气体被击穿,RL迅速减小,灯管进入发光状态。
设变压器原边ac与副边de的匝数比为1:2 N,ab、bc两端等效电感均为LP。因Q1与Q2导通状态完全对称,可对电路半周期等效电路进行分析,同时基于绕组折算原理将副边电路等效到原边, 可得到如图 3所示的变压器原边等效模型。
|
图 3 变压器原边等效模型 Fig. 3 Primary equivalent model of transformer |
图 3中,启动状态下,因Rf远小于L2与C2等效阻抗,副边等效成LC串联电路;发光状态下,因RL及Rf远小于L2与C2等效阻抗,副边等效成纯L电路,且参数满足:
| $ {{L'}_{2}}= \frac{{{L_2}}}{{{N^2}}}, {{C'}_{2}} = {N^2}{C_2}。$ | (1) |
此时因电路发生并联谐振,电路等效阻抗无穷大,两状态下的工作频率w1和w2满足:
| $ 4{w_1}{C_1} - \frac{1}{{{w_1}{L_P}}} - \frac{{{w_1}{{C'}_{2}}}}{{{w_1}^2{{L'}_{2}}{{C'}_{2}} + 1}} = 0, $ | (2) |
| $ 4{w_2}{C_1} - \frac{1}{{{w_2}{L_P}}} - \frac{1}{{{w_2}{{L'}_{2}} }} = 0 。$ | (3) |
通常,电流馈电式推挽逆变器输出电压峰值VP与供电电压VS关系为
| $ {V_{\rm{p}}} = 2{\rm{ \mathsf{ π} }}N{V_{\rm{S}}}。$ | (4) |
启动状态下,为实现汞灯预热启动,逆变器输出电流If应大于灯丝预热电流阈值IfL,施加在灯管两端的电压也应大于其启动电压Vst,则电路参数应满足:
| $ \left\{ \begin{array}{l} \frac{{{V_{\rm{p}}}}}{{\sqrt {2\left( {{{(2{R_{\rm{f}}})}^2} + {{\left( {{w_1}{L_2} - \frac{1}{{{w_1}{C_2}}}} \right)}^2}} \right)} }} \ge {I_{{\rm{fL}}}}, \\ \frac{{{V_{\rm{p}}}\frac{1}{{{w_1}{C_2}}}}}{{\sqrt {2\left( {{{(2{R_{\rm{f}}})}^2} + {{\left( {{w_1}{L_2} - \frac{1}{{{w_1}{C_2}}}} \right)}^2}} \right)} }} \ge {V_{{\rm{st}}}} 。\end{array} \right.$ | (5) |
同时,发光状态下,为了使灯管工作在最佳发光状态下,其两端工作电压也应达到额定电压VL为
| $ {V_{\rm{L}}} = \frac{{{V_{\rm{P}}}{R_{\rm{L}}}}}{{\sqrt 2 ({R_{\rm{L}}} + {R_{\rm{f}}} + {w_1}{L_2})}}。$ | (6) |
文章提出的方案以PHILIPS的TUV-4W热阴极低压汞灯为研究对象,其光电参数如表 1所示,根据已知参数,对式(2)、式(3)和式(6)进行求解,并以式(5)为约束条件,得到了如表 2所示的电路参数。
| 表 1 PHILIPS TUV-4W热阴极低压汞灯光电参数 Table 1 Optical parameters of PHILIPS TUV-4W type hot cathode low-pressure mercury lamp |
| 表 2 自激式电流馈电推挽谐振逆变器电路参数 Table 2 Circuit parameters of self-excited current-fed push-pull resonant inverter |
热阴极低压汞灯是一种弧光放电灯,汞灯管内气体瞬时电阻受供电电压、气体放电的物理进程及壁管温度等多方面因素影响,导致在如图 2所示的电路驱动下,汞灯光强波动大,温漂严重,多数研究者使用汞灯电流反馈方式对光强进行控制,但因汞灯电流与汞灯辐射功率不是完全线性关系,控制效果较差。笔者使用光强反馈方式,通过光强反馈信号直接控制驱动电路供电电压,可以简单有效地实现汞灯光强的实时调节,且不需要借助控制器,避免了调频带来的噪声干扰,电路EMC兼容性更强。根据图 1所示的系统框图,可得到图 4的结构图。
|
图 4 热阴极低压汞灯驱动系统结构图 Fig. 4 Structure of drive system for hot cathode low-pressure mercury lamp |
图 4中,G1(s)为误差放大模块传递函数,G2(s)为开关电源模块传递函数,G3(s)为推挽谐振逆变与光电转换串联模块的等效传递函数。
为了对系统开环传递函数进行分析,对上述传递函数进行简化等效。已知经推挽谐振逆变与光电转换串联模块,直流电压VS转换成直流电压信号VL,基于小信号分析方法,VS和VL在一定范围内呈线性关系,G3(s)可视为比例环节。将理想参考电压VREF2设置为2.5 V,则稳态下经光电转换模块获得的电压信号VL为2.5 V,已知供电电压VS为7 V,则:
| $ {G_3}(s) \approx 0.36。$ | (7) |
使用标准信号发生器对开关电源模块频率响应进行测试,根据测试结果中输入输出幅值之比与输入频率的关系和输入输出相位之差与输入频率之间的关系,得到开关电源模块等效低通滤波器,截止频率fc约720 Hz,又已知信号频率fs约0.2 Hz,则在信号频段范围内G2(s)可视为等比例环节,即
| $ {G_2}(s) = 1$ | (8) |
为保证系统在低频区有较高的静态精度,中频区有良好的稳定性,高频区有足够的抗干扰能力,需要对控制系统进行合理频域设计,使得系统开环传递函数在目标频段范围内存在零极点、零点和极点。取10倍信号频率点作为零点,50倍信号频率点作为极点,100倍信号频率点为穿越频率,可选用单零双极补偿网络作为误差放大模块,并对相关电路参数进行设置使其传递函数为
| $ {G_1}(s) = \frac{{137.5(0.08s + 1)}}{{s(0.016s + 1)}}, $ | (9) |
此时,系统开环传递函数为
| $ G(s)H(s) = {G_1}(s){G_2}(s){G_3}(s) = \frac{{49.5(0.08s + 1)}}{{s(0.016s + 1)}}$ | (10) |
系统开环传递函数伯德图如图 5所示,0~2.5 Hz函数增益曲线以-20 dB/dec斜率下降,在2.5 Hz处产生零点,10 Hz处产生极点,穿越频率ωc约25 Hz,此处增益曲线斜率为-20 dB/dec,对应相角φ(ωc)约为-75°,已知相角稳定裕度γ=φ(ωc)+180°,γ越大,系统的相对稳定性越好,若γ小于0,则系统不稳定,此系统γ≈105°,因此有良好的稳定性能。
|
图 5 系统开环传递函数伯德图 Fig. 5 Bode diagram of open-loop transfer function |
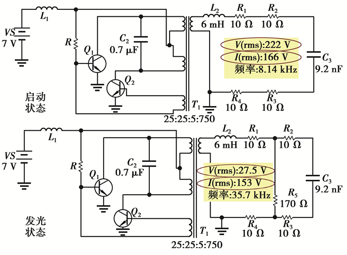
为验证自激式电流馈电推挽谐振逆变电路参数的可靠性,用Multisim软件对其进行仿真,仿真结果如图 6所示。可知启动状态下电路工作频率f1约8 kHz,灯丝有效电流IRf约166 mA,灯管两端有效启辉电压Vst约222 V,能够满足汞灯预热启动电流电压阈值要求;发光状态下电路工作频率f2约36 kHz,灯管电压VL有效值约27.5 V,电流有效值IL约153 mA,汞灯能够工作在额定功率附近。证明低压直流供电下的电流馈电推挽逆变器的电路参数设计具有一定的可行性,可以实现汞灯的预热启动并维持其正常发光。
|
图 6 自激式电流馈电推挽谐振逆变电路Multisim仿真 Fig. 6 Multisim simulation of self-excited current-fed push-pull resonant inverter circuit |
冷原子吸收测汞实验系统如图 7所示,2只石英玻璃管并行放置,并用软管接通,石英管上端通口用以进出待测含汞气体,一侧两端口分别固定热阴极低压汞灯及紫外接收器,另一侧固定反射镜用以反射光路, 汞灯与紫外光接收器之间的光程约400 mm,驱动电路用以驱动低压汞灯并控制汞灯光强,接收电路对紫外接收器接收到的光强信号做进一步信号处理。
|
图 7 冷原子吸收测汞实验系统 Fig. 7 Experimental system of cold atomic absorption mercury analyzer |
为了验证光强反馈模式下热阴极低压汞灯的稳定性能,使用上述低噪声、低漂移接收电路对光强信号进行测试,观察汞灯辐射光强的波动特性和漂移特性。图 8为接收电路本底噪声测试结果,测试时长1 h, 由噪声曲线可知,上电5 min以后电路漂移明显减小,噪声峰值小于100 μV。为验证光强反馈模式的有效性,使用此接收电路分别测试了光电流反馈以及光强反馈模式下的汞灯光强数据,测试时长分别1 h,信号曲线如图 9所示。可以看出,在相同信号强度下,汞灯电流反馈模式下的信号漂移明显大于汞灯光强反馈模式,10 min到60 min时间段内,光电流反馈的线性漂移约2.4%,而光强反馈模式线性漂移只有0.15%;对信号曲线进一步局部放大,显示光电流反馈下信号噪声约300 μV, 已知接收电路本底噪声约100 μV, 则光强波动幅度约280 μV,波动幅度与信号之比为0.1‰,而光强反馈模式下信号噪声约200 μV,光强波动幅度约170 μV,波动幅度与信号比为0.06‰。
|
图 8 接收电路本底噪声曲线 Fig. 8 Background noise curve of receiving circuit |
|
图 9 热阴极低压汞灯光强信号曲线及其局部放大 Fig. 9 Light intensity signal curve of hot cathode low-pressure mercury lamp and its enlarged partial views |
从对比实验来看,相较于传统的汞灯电流反馈方式,光强反馈方式对于改善热阴极低压汞灯辐射光强的漂移特性和波动特性都更有效,更有利于提高热阴极低压汞灯光强稳定性。
3 结论针对传统电子镇流器驱动下热阴极低压汞灯辐射光强波动大、噪声大的问题,文章提出了一种汞灯驱动及光强稳定方法。为实现热阴极低压汞灯的预热启动及正常发光,构建了低压直流供电下的自激式推挽谐振逆变电路,并基于电路等效模型提供了电路参数的设计方法;又以光强反馈构成闭环控制系统,通过系统频域分析对电路进行了优化设计,有效提高了汞灯辐射光强稳定性;通过仿真实验验证了电路的可行性,通过系统对比实验验证了光强反馈模式的优越性。文章提出的方法能够保证热阴极低压汞灯输出小波动,低漂移的稳定光强,有利于降低冷原子吸收测汞仪的检出限,使其更好地应用于痕量汞检测领域。
| [1] |
吴晓云, 郑有飞, 林克思. 我国大气环境中汞污染现状[J]. 中国环境科学, 2015, 35(9): 2623-2635. Wu X Y, Zheng Y F, Lin K S. Chinese atmospheric mercury pollution status[J]. China Environmental Science, 2015, 35(9): 2623-2635. (in Chinese) |
| [2] |
Iwai-Shimada M, Kameo S, Nakai K, et al. Exposure profile of mercury, lead, cadmium, arsenic, antimony, copper, selenium and zinc in maternal blood, cord blood and placenta: the Tohoku Study of Child Development in Japan[J]. Environmental Health and Preventive Medicine, 2019, 24: 35. DOI:10.1186/s12199-019-0783-y |
| [3] |
Covaci E, Angyus S B, Senila M, et al. Eco-scale non-chromatographic method for mercury speciation in fish using formic acid extraction and UV-Vis photochemical vapor generation capacitively coupled plasma microtorch optical emission spectrometry[J]. Microchemical Journal, 2018, 141: 155-162. DOI:10.1016/j.microc.2018.05.023 |
| [4] |
Brombach C C, Pichler T. Determination of ultra-low volatile mercury concentrations in sulfur-rich gases and liquids[J]. Talanta, 2019, 199: 277-284. DOI:10.1016/j.talanta.2019.02.070 |
| [5] |
毛兴武, 祝大卫. 电子照明用新型集成电路与元器件及其应用[M]. 北京: 人民邮电出版社, 2007. Mao X W, Zhu D W. New integrated circuits and components for electronic lighting and their applications[M]. Beijing: People Post Press, 2007. (in Chinese) |
| [6] |
赵前利. 一种具有预热启动功能的节能灯驱动电路设计[D]. 成都: 电子科技大学, 2014. Zhao Q L. A design of ballast with preheat for fluorescent lamp[D]. Chengdu: University of Electric Science and Technology of China, 2014. (in Chinese) |
| [7] |
Raizen M G. Mercury isotopes for efficient UV lamps and fluorescent lighting[J]. IEEE Transactions on Industry Applications, 2016, 52(6): 5231-5234. DOI:10.1109/TIA.2016.2600440 |
| [8] |
高红杰. 日盲紫外语音通信调制系统的研究[D]. 重庆: 重庆大学, 2009. Gao H J. Research on modulating of solar blind ultraviolet speech communication[D]. Chongqing: Chongqing University, 2009. (in Chinese) |
| [9] |
董扣杰. 面向特定谱段的可调光紫外线灯高频电子镇流器设计[D]. 哈尔滨: 哈尔滨工业大学, 2018. Dong K J. Design of high frequency electronic ballast for dimmable UV lamps for specific spectral segments[D]. Harbin: Harbin Institute of Technology, 2018. (in Chinese) |
| [10] |
Reginatto P, da Silva M F, Tambara R V, et al. Performance evaluation of dimmable electronic ballast based on frequency and bus voltage variation[C]//2016 12th IEEE International Conference on Industry Applications (INDUSCON). Curitiba, Brazil, 2016: 1-8.
|
| [11] |
朱其伟, 林国庆, 杜志川. 无极灯电子镇流器PDM调光技术研究[J]. 电工电能新技术, 2016, 35(12): 59-64. Zhu Q W, Lin G Q, Du Z C. Research on PDM dimming technology of electronic ballast for electrodeless fluorescent lamp[J]. Advanced Technology of Electrical Engineering and Energy, 2016, 35(12): 59-64. (in Chinese) |
| [12] |
Aissabokhtache A, Zegaoui A, Djahbar A, et al. Power supply improvements for ballasts-low pressure mercury/argon discharge lamp for water purification[C]// International Conference on Technologies & Materials for Renewable Energy. France: CnamParis, 2017, 1814: 020059.
|
| [13] |
Dong K J, Yang H, Zhang X Y, et al. Optimization design of high-frequency electronic ballast for UV-lamps applied in sewage treatment[C]//IECON 2017-43rd Annual Conference of the IEEE Industrial Electronics Society. IEEE, Beijing, China, 2017: 1369-1374.
|
| [14] |
Lin C H, Wang C M, Lee L C, et al. Design and implementation of electronic ballast for electrodeless fluorescent lamp with primary-side control[C]//2015 9th International Conference on Power Electronics and ECCE Asia (ICPE-ECCE Asia). IEEE, South Korea: Seoul, 2015: 2365-2368.
|
| [15] |
Różowicz A, Deląg M, Communication N A B T, et al. The effect of ambient temperature upon selected light parameters of the radiation emitted by phosphors used in the production of low-pressure mercury discharge lamps[C]//2016 13th Selected Issues of Electrical Engineering and Electronics (WZEE). Poland: Rzeszow, 2016: 1-6.
|
| [16] |
毛兴武, 祝大卫. 电子镇流器原理与制作[M]. 北京: 人民邮电出版社, 1999. Mao X W, Zhu D W. Principle and production of electronic ballast[M]. Beijing: People Post Press, 1999. (in Chinese) |
2021, Vol. 44


