b. 重庆大学 土木工程学院, 重庆 400045
b. School of Civil Engineering, Chongqing University, Chongqing 400045, P. R. China
隔震结构体系因其隔震层刚度较小,地震作用下上部结构基本保持平动,使得隔震结构的减震性能好,若意外作用导致隔震结构发生连续性倒塌破坏,影响将非常严重。Marjanishvili等[1]研究了抗连续倒塌的方法,Tsai等[2]分析了结构倒塌过程中的动力响应特性,于晓辉等[3]研究了钢筋混凝土框架结构的抗连续倒塌机制。在极端偶然荷载作用下, 极有可能发生因局部构件失效而引起的整体结构破坏甚至倒塌, 具有特殊构造形式的隔震结构则需要专门设计来应对此类风险[4]。
目前,我国建设用土地资源供给紧张,山地建筑结构的应用日益增多。基于我国地震灾害频繁且山地建筑结构的先天竖向刚度不规则而导致其抗震性能不强的现状[5],隔震技术正不断发展并应用于山地建筑中。山地隔震结构本身具有特殊性,因此其破坏模式、受力性能与普通平地隔震结构体系有很大的不同[6]。为研究基础隔震山地掉层框架底层柱(隔震支座)在意外事件下失效破坏后的抗倒塌性能,文中验证并设计了6个基础隔震掉层体系框架和1个普通平地隔震结构,探讨了平地隔震框架结构与基础隔震山地掉层结构在抗连续倒塌方面的差异性,可为山地隔震建筑设计提供参考。
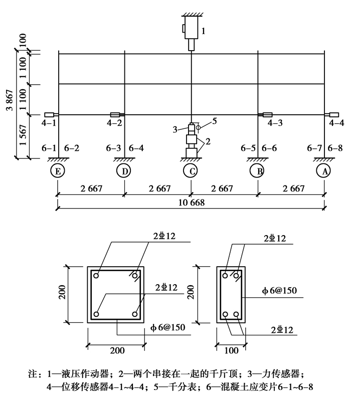
1 试验验证 1.1 数值模型及参数设置为验证LS-DYNA程序的准确度,对文献[7]中的平面框架结构拟静力试验进行数值模拟,试验装置及仪器布置,如图 1所示。
|
图 1 试验装置及仪器布置图 Fig. 1 Test equipment and instrument layout |
柱沿轴向离散成10个梁单元,每个单元长度为0.33 m或0.28 m,小于柱脚塑性铰长度[8];梁沿轴向划分为三段配筋(跨中、左支座、右支座),每段梁离散为4个单元,每个单元长度为0.5 m。柱和梁沿横截面离散成100个混凝土纤维,钢筋离散为4个或8个纤维,忽略混凝土和钢筋之间的黏结滑移,纤维单元之间的变形符合平截面假定。梁柱横截面单元离散示意图,如图 2所示(标示部分为钢筋纤维)。
|
图 2 钢筋混凝土梁柱单元离散示意图 Fig. 2 Discrete of RC column |
文中采用LS-DYNA进行有限元模型求解,有限元模型采用MAT-174材料模拟钢筋混凝土,可以通过设置配筋率(FRACR=0,代表素混凝土;FRACR=1,代表钢筋)来模拟素混凝土和钢筋材料。钢筋采用单轴弹塑性流动强化本构模型,屈服应力和弹性模量采用实测值,通过Ramberg-Osgood方程模拟材料反复加载时刚度退化[9]。单调压缩阶段,采用Park和Paulay所述的Park和Kent方法,材料遵循抛物线应力—应变曲线;拉伸阶段,应力随应变线性增加,直到达到拉伸极限FT,此后,刚度和强度随应变的增加而衰减。
| $ f_{c}=\left\{\begin{array}{l} K f_{c}\left[\frac{2 \varepsilon_{c}}{K \varepsilon_{0}}-\left(\frac{\varepsilon_{c}}{K \varepsilon_{0}}\right)\right], \varepsilon_{c} \leqslant K \varepsilon_{0}, \\ K f_{c}\left[1-Z_{m}\left(\varepsilon_{c}-K \varepsilon_{0}\right)\right], \varepsilon_{c}>K \varepsilon_{0}。\end{array}\right. $ |
建立框架模型时未设置箍筋,但通过考虑约束混凝土的加强来实现箍筋的作用。核心混凝土采用Kent-Park本构模型[10],混凝土轴心抗压强度和弹性模量采用实测值或标准值。
1.2 结果分析数值模拟采用与试验相同的加载方式,得出其底层中柱轴力与位移曲线及底层侧移曲线分别如图 3和图 4所示。通过曲线对比可知,在弹塑性阶段模拟结果与试验结果吻合很好,曲线几乎一致;在塑性铰阶段,误差很小;在混凝土开裂并失效后,梁端受弯承载力基本丧失,即C点之后的模拟效果与试验曲线吻合较好,误差极小。
|
图 3 底层中柱轴力与位移关系曲线对比 Fig. 3 Comparison between bottom column axial force and displacement relationship curve |
|
图 4 底层柱水平位移与中柱卸载位移的关系 Fig. 4 Relationship between horizontal displacement of bottom column and unloading displacement of middle column |
通过模拟分析得到了一层柱顶的水平位移结果,限于篇幅,仅列出一层边柱柱顶节点的水平位移,试验中通过在第一层柱顶表面放置的位移传感器测得水平位移。LS-DYNA模拟分析结果显示,中柱开始位移加载时,框架先向外侧移,中柱位移加载到130 mm时,向外侧移值达到最大,为3.38 mm;根据试验结果的记录,中柱位移加载至140 mm左右时,最大位移量为3 mm,误差约12%。通过曲线对比可以看出,LS-DYNA分析结果与试验结果吻合很好。
2 基础隔震山地掉层结构的抗连续倒塌性能分析 2.1 设计信息为研究基础隔震平地结构与山地掉层隔震结构抗连续倒塌性能的不同,设计了1个平地框架结构和5个掉层框架结构,所有结构的总层数均为6层,平面布置也相同,均为纵向5跨,横向3跨。考虑到边、角柱相对于中柱更易倒塌且边跨的竖向构件失效更易引起结构的局部连续倒塌,选取边榀框架(图示阴影部分)作为研究对象,如图 5、图 6所示。定义CmKn表示掉m层掉n跨的掉层框架结构。
|
图 5 一榀框架平面图 Fig. 5 Elevation view of the structures |
|
图 6 C2K3隔震结构立面布置示意图 Fig. 6 Elevation view of the C2K3 isolated step-terrace structure |
采用PKPM结构设计软件,按照中国相关规范采用分离式设计方法,按照抗规12.2.5第二条确定水平减震系数β。选用LRB500隔震支座,其设计荷载为1 963 kN,LRB500隔震支座参数如表 1所示。
| 表 1 LRB500隔震支座力学性能 Table 1 Mechanical properties of LRB500 isolated bearing |
建筑场地类别为Ⅱ类,抗震设防烈度为8度(0.2 g),设计地震分组为第二组,框架抗震等级二级。所有算例模型层高均为3.6 m,隔震层层高2.8 m,其中,柱截面尺寸500 mm×500 mm,梁截面尺寸300 mm×500 mm,混凝土强度等级均采用C30,框架梁柱纵向受力钢筋采用HRB400,箍筋采用HPB300,楼面恒荷载取为5.5 kN/m2,楼面活荷载为4.5 kN/m2。
2.2 隔震支座失效的抗力机制GSA2003和DoD2005规范规定结构关键构件失效拆除后,允许剩余结构体系继续发展,从楼层的相对倒塌面积和绝对倒塌面积来判断剩余结构体系是否已经发生连续性倒塌破坏。由于实际操作存在困难,新版的DoD2010[11]规定,对拆除构件后的剩余结构体系严格限制构件出现超出极限变形能力的大变形。文中对基础隔震山地掉层框架结构进行分析时,采用DoD2010所规定的倒塌失效准则:拆除竖向构件后剩余结构体系的失效准则是失效点竖向最大位移为相连最短跨的20%。限于篇幅,拆除C2K3结构的B、D隔震支座,通过调整荷载系数从0.1变化到0.72,得出荷载系数与失效点竖向位移的关系曲线,并与C2K3结构A支座拆除工况作对比,研究移除内隔震支座与边隔震支座的山地掉层隔震结构的倒塌模式与承载机制,如图 7所示。
|
图 7 C2K3-A、D、B支座失效荷载位移曲线 Fig. 7 Load displacement curve of C2K3-A、D、B |
由图 7对比可知,在荷载系数较小时(0.1~0.4),拆除C2K3结构的A支座,位移与荷载系数基本成线性正比关系,此时,小变形下的剩余结构发生向下位移,失效跨的梁受压,发挥“梁机制”,轴力为负。
当荷载系数增大到0.5时,位移幅度急剧增加,由于拆除边支座,左边结构处于悬臂状态,没有产生“悬链线”效应。荷载系数增大到0.563,结构竖向位移达到定义失效位移1 200 mm左右。拆除C2K3结构的D支座,荷载系数在0.1~0.5之间,荷载系数与位移基本成线性正比关系,此时,与拆除C2K3结构的A支座工况相同,剩余结构发挥“梁机制”,产生压拱效应。位移继续增加时,由于梁端有固定约束,剩余结构产生“悬链线”效应,达到失效位移时,相比梁机制阶段,悬链线机制下承载系数增大28.57%。
为研究荷载系数增大过程中掉层基础隔震结构的倒塌机制,以拆除C2K3结构的A支座与D支座为例,分析其失效跨梁的内力变化,数值模型中梁单元1、110、36、12(下称梁单元为bm)所在位置如图 8所示。从图 9(a)可以看出,未拆除A支座时,bm-1的轴力为正,此时梁受到恒、活载作用,产生了弯矩,抵抗外荷载,梁内为拉力作用。当拆除构件后,梁轴力迅速下降,其轴力为负,表明梁受压力的作用。失效点竖向位移Δ逐步增大时,失效跨bm-1的轴力稳定值也随之增大,当α=0.54,位移达到699 mm时,梁机制完成,失效点竖向位移Δ=1 040 mm时,bm-1的轴力相比699 mm时的轴力减小,表明此时混凝土已压碎,塑性铰失效,梁端弯矩下降,但此时轴力仍为负值,即梁内受力为压力。这表明拆除A支座工况,随位移增大,梁内压力增大,梁端弯矩增大,剩余结构依靠梁的抗弯机制提供抗倒塌承载能力直至失效。因此拆除A支座时,由于没有足够的水平约束,倒塌过程中没有出现承载力提升的现象,仅有梁机制在发挥作用。从图 9(b)可以看出,当拆除D支座后,梁轴力迅速下降,其轴力为负,与拆除A支座相同。当失效位移Δ逐步增大时,失效左跨bm-36、失效右跨上接地平台的bm-110的轴力稳定值也随之增大,当α=0.56,位移达到649 mm时,梁机制完成,继续增大荷载系数,位移继续增大,右跨梁塑性铰失效,bm-110单元弯矩下降,此时梁内钢筋受拉,从图 9(c)失效点竖向位移Δ=649 mm的曲线可以看出,此时轴力已经由负变正,表明剩余结构正在进行梁机制到悬链线机制的转换。而此时失效点左跨bm-36的轴力为负值,说明左跨梁仍处于梁机制阶段。失效点竖向位移Δ=1 090 mm时,图 9(b)bm-36的轴力相比失效位移649 mm的轴力降低,表明塑性铰正在失效,梁内压力正在减小;图 9(c)中,随着位移增大,bm-110的轴力在承受恒活载时为20 kN,到梁机制时轴力为-55 kN,进而到136 kN,梁内为拉力,说明此时承载力均由梁内钢筋提供,且轴力绝对值相比梁机制增加了1.47倍,轴力出现大幅度增大,这说明bm-110在达到失效判定位移时,已出现悬链线机制。可以得出结论:由于掉层结构的特殊性,拆除D支座时,左跨为下接地梁跨,右跨为上接地梁跨,左跨梁的承载机制滞后于上接地梁跨的承载机制。当失效点竖向位移达到失效判定值时,上接地跨已出现悬链线机制,而下接地跨还处于梁机制与悬链线机制的转换过程中。
|
图 8 失效跨Bm-1、36、110位置示意图 Fig. 8 Schematic diagram of the Bm-1、36、110 bearing position |
|
图 9 支座失效梁跨Bm-1、36、110轴力时程曲线 Fig. 9 The axial force time history curve of beam span Bm-1、36、110 |
拆除C2K3结构B、D底层柱,通过调整荷载系数从0.1变化到0.72,得到荷载系数与失效点竖向位移的关系曲线,并与C2K3结构A底层柱拆除工况作对比,研究拆除底层柱的山地掉层隔震结构的倒塌模式与承载机制,如图 10所示。
|
图 10 C2K3-A、D、B底层柱失效荷载位移曲线 Fig. 10 Load displacement curve of C2K3-A、D、B |
对比可知,在荷载系数较小时(0.1~0.4),拆除C2K3结构的A底层柱,位移与荷载系数基本成线性正比关系,此时,小变形下的剩余结构发生向下位移,失效跨的梁受压,发挥“梁机制”,轴力为负。
以拆除C2K3结构的A、D底层柱为例,分析其失效跨梁端内力的变化,Bm-37、72、110所在位置如图 11所示。从图 12(a)可以看出,未拆除A底层柱时,bm-1的轴力为正,此时梁受到恒活载作用,产生弯矩,抵抗外荷载,梁内为拉力作用。当拆除构件后,梁轴力迅速下降,其轴力为负,表明梁受压力作用。失效点竖向位移Δ稳定值从84.3 mm逐渐增大到1 150 mm时,失效梁跨轴力稳定绝对值从38.32 kN增大到52.24 kN,接近位移失效判定值1 200 mm时,梁跨轴力并未出现正值,绝对值也没有较大变化,与隔震角支座失效规律一致。从图 12(b)可以看出,拆除D底层柱时,失效点竖向位移稳定值从84.3 mm至325 mm,下接地跨(Bm-72)的轴力负值增大;竖向位移稳定值从325 mm至717 mm时,压力减小,表明处于梁机制与悬链线机制转换过程中;位移值为1 150 mm时,轴力稳定值为-10.66 kN,仍处于机制转换阶段。从图 12(c)可知,当失效点竖向位移稳定值为717 mm时,上接地跨(Bm-110)轴力已经为正值,表明梁内已由压力转换为拉力作用。接近失效判定值时,轴力增大至165 kN,上接地跨梁已发展为悬链线机制,较梁机制承载力系数增加20%。基础隔震掉层结构底层柱失效时,左跨梁的承载机制滞后于上接地梁跨的承载机制。当失效点竖向位移达到失效判定值时,上接地跨已出现悬链线机制,而下接地跨还处于梁机制与悬链线机制的转换过程中。
|
图 11 Bm-37、72、110位置示意图 Fig. 11 Schematic diagram of the Bm-36、72、110 bearing position |
|
图 12 底层柱失效梁跨Bm-37、72、110轴力时程曲线 Fig. 12 The axial force time history curve of beam span Bm-37、72、110 |
为研究基础隔震体系底层柱与隔震支座失效后的抗连续倒塌性能差异,以平地隔震结构、隔震结构C2K3、隔震结构C3K2、隔震结构C3K1、隔震结构C2K1、隔震结构C2K2为例进行研究。
由图 13可知,荷载系数相同时,各掉层隔震结构的下接地隔震角支座失效后的竖向位移均比底层框架角柱大。α=0.57时,隔震结构C2K3-A隔震支座已经失效,底层柱失效点位移为942 mm,其差值至少为258 mm;α=0.54时,隔震结构C2K2-A隔震支座在6 s时位移达到1 100 mm,且处于增大趋势,底层柱失效点位移为956 mm;α=0.48时,隔震结构C3K2-A隔震支座在6 s时位移达到1 135 mm,底层柱失效点位移为642 mm;α=0.45时,隔震结构C3K1-A隔震支座稳定位移值为1 265 mm,底层柱失效点位移仅为495 mm,差值为770 mm;α=0.51时,隔震结构C2K1-A隔震支座位移达到1 503 mm,底层柱失效点位移为466 mm。大部分拆除工况中隔震支座均接近或已失效,而底层柱拆除工况远未到失效位移判定值,这说明同一掉层隔震结构下接地的隔震支座对于结构的抗连续倒塌的影响程度要大于底层柱。
|
图 13 掉层隔震结构底层柱与隔震支座失效点竖向位移对比 Fig. 13 Comparison of vertical displacements of failure points between bottom column and isolated bearing of isolated step-terrace structure |
由图 13(f)可知,平地隔震结构隔震角支座的失效点竖向位移较底层柱小,这一结果与掉层隔震结构拆除下接地的隔震支座与底层柱的对比规律相同,隔震层水平刚度较低,隔震层梁柱配筋与底层框架梁柱配筋相差不多,隔震支座失效后剩余结构在竖向不平衡荷载作用下,相邻的隔震支座无法提供较强的水平侧向约束,因此其抗连续倒塌能力要弱,底层框架柱失效后,剩余结构的相邻柱与隔震层平台固接,从而可以提供较大的平面刚度,并为剩余结构的备用荷载传递路径提供侧向约束,在仅受竖向不平衡荷载作用下,可以视其为单独的体系,有效地避免了因结构失效内力重分布导致的内力和位移增大情况。
由图 14可知,各掉层隔震结构的上接地隔震角支座荷载位移曲线均在底层框架角柱之上。经计算对比,隔震结构C2K3-F隔震支座的极限荷载系数较底层角柱增大25.2%;隔震结构C3K3-F隔震支座的极限荷载系数较底层角柱增大28.5%;隔震结构C2K2-F隔震支座的极限荷载系数较底层角柱增大13.9%;隔震结构C3K2-F隔震支座的极限荷载系数较底层角柱增大26.6%;隔震结构C2K1-F隔震支座的极限荷载系数较底层角柱增大7.7%;隔震结构C3K1-F隔震支座的极限荷载系数较底层角柱增大18.1%。可以得出结论,拆除上接地隔震角支座的极限荷载系数要大于拆除底层柱,即对于掉层隔震结构,若上接地隔震角支座意外失效,对剩余结构体系的抗连续倒塌性能的影响程度要弱于上接地底层角柱失效的情况。这是掉层隔震结构的特殊性所导致的,由于掉层结构为竖向不规则结构,其受力不均导致上接地支座墩柱与隔震层梁的配筋量远多于底层梁柱配筋量,较普通平地隔震结构的隔震层配筋量要多,因此表现出规律相反。
|
图 14 各隔震结构上接地底层柱与隔震支座荷载位移曲线对比 Fig. 14 Comparison of load-displacement curve between bottom column and isolated bearing of isolated step-terrace structure |
采用基于拆除构件法的动力非线性分析方法对基础隔震山地掉层框架结构的抗连续倒塌性能进行分析,结果表明:
1) 隔震角支座意外失效的平地隔震结构的抗连续倒塌性能弱于基础隔震山地掉层结构的上接地隔震角支座失效工况,强于下接地隔震角支座工况;底层角柱意外失效的平地隔震结构的抗连续倒塌性能强于基础隔震掉层结构的底层角柱失效工况。
2) 底层角支座与底层角柱的抗力机制只有梁机制,内柱与内支座失效的抗力机制有梁机制(压拱效应)、机制转换及悬链线机制。邻近坎下边支座(底层柱)失效跨的抗力机制要滞后于上接地跨的抗力机制。
3) 基础隔震掉层框架结构体系不同部位失效后剩余体系的抗连续性倒塌性能为:内支座最强,上接地角支座次之,下接地角支座最弱;底层内柱最强,上接地与下接地角柱最弱;上接地的隔震支座失效强于底层失效工况,下接地的隔震支座失效弱于底层失效工况。
| [1] |
Marjanishvili S M. Progressive analysis procedure for progressive collapse[J]. Journal of Performance of Constructed Facilities, 2004, 18(2): 79-85. DOI:10.1061/(ASCE)0887-3828(2004)18:2(79) |
| [2] |
Tsai M H. An analytical methodology for the dynamic amplification factor in progressive collapse evaluation of building structures[J]. Mechanics Research Communications, 2010, 37(1): 61-66. DOI:10.1016/j.mechrescom.2009.11.001 |
| [3] |
于晓辉, 钱凯, 吕大刚. 考虑悬链线效应的钢筋混凝土框架结构抗连续倒塌能力分析[J]. 建筑结构学报, 2017, 38(4): 28-34. Yu X H, Qian K, Lyu D G. Progressive collapse capacity analysis of reinforced concrete frame structures considering catenary action[J]. Journal of Building Structures, 2017, 38(4): 28-34. (in Chinese) |
| [4] |
包超, 马肖彤, 杜永峰, 等. 基础隔震结构抗连续倒塌设计方法研究[J]. 建筑结构, 2020, 50(3): 52-58. Bao C, Ma X T, Du Y F, et al. Study on design method to resist progressive collapse for base-isolated structures[J]. Building Structure, 2020, 50(3): 52-58. (in Chinese) |
| [5] |
杨佑发, 王一功, 李元初. 山区台地框架建筑抗震性能研究[J]. 振动与冲击, 2007, 26(6): 36-40. Yang Y F, Wang Y G, Li Y C. Study on seismic resistance behavior of the frame connected with ground by not only the first floor[J]. Journal of Vibration and Shock, 2007, 26(6): 36-40. (in Chinese) DOI:10.3969/j.issn.1000-3835.2007.06.009 |
| [6] |
杨佑发, 刘泳伶, 凌玲. 近场地震动作用下山地隔震框架结构抗震性能[J]. 铁道工程学报, 2014, 31(5): 6-11, 27. Yang Y F, Liu Y L, Ling L. The seismic performance of mountain isolated building frame structure under near-fault ground motions[J]. Journal of Railway Engineering Society, 2014, 31(5): 6-11, 27. (in Chinese) DOI:10.3969/j.issn.1006-2106.2014.05.002 |
| [7] |
易伟建, 何庆锋, 肖岩. 钢筋混凝土框架结构抗倒塌性能的试验研究[J]. 建筑结构学报, 2007, 28(5): 104-109, 117. Yi W J, He Q F, Xiao Y. Collapse performance of RC frame structure[J]. Journal of Building Structures, 2007, 28(5): 104-109, 117. (in Chinese) |
| [8] |
Lehman D E, Moehle J P. Seismic performance of well-confined concrete dridge columns[R]. Berkeley: University of California, Pacific Earthquake Engineer-ing Researc Center, 1998.
|
| [9] |
吕杨, 徐龙河, 李忠献, 等. 应用纤维单元模型的钢筋混凝土框架结构损伤与失效分析[J]. 天津大学学报, 2011, 44(10): 925-929. Lyu Y, Xu L H, Li Z X, et al. Damage and failure analysis of reinforced concrete frame structure using fiber element model[J]. Journal of Tianjin University, 2011, 44(10): 925-929. (in Chinese) DOI:10.3969/j.issn.0493-2137.2011.10.014 |
| [10] |
Kent D C, Park R. Flexural members with confined concrete[J]. Journal of the Structural Division, 1971, 97(7): 1969-1990. DOI:10.1061/JSDEAG.0002957 |
| [11] |
Dc Department of Defense Washington. Unified facilities criteria(UFC) design: fire protection engineering for facilities[R]. Defense Technical Information Center, 2003.
|
2021, Vol. 44

