1b. 厦门理工学院 土木工程与建筑学院, 福建 厦门 361024;
2. 福建省客车先进设计与制造重点实验室, 福建 厦门 361024;
3. 福建省风灾害与风工程重点实验室, 福建 厦门 361024
1b. School of Civil Engineering and Architecture, Xiamen University of Technology, Xiamen, Fujian 361024, P. R. China;
2. Fujian Provincial Key Laboratory of Advanced Design and Manufacture for Bus Coach, Xiamen, Fujian 361024, P. R. China;
3. Fujian Provincial Key Laboratory of Wind Disaster and Wind Engineering, Xiamen, Fujian 361024, P. R. China
汽车高速行驶时,自然侧风[1]和环境侧风[2-3]的作用会导致气动力和气动力矩发生显著变化,国内外学者和产业研发人员对此非常关注[4]。汽车在气动侧力和气动横摆力矩的作用下会发生侧偏运动和横摆运动[5-6],而气动升力、气动俯仰力矩和气动侧倾力矩的作用则会改变轮胎的法向载荷[7],诱发汽车侧滑甚至侧翻事故,由此可见,气动六分力及行驶条件的变化密切影响着汽车的操纵稳定性[8]。然而,大多数研究均对汽车模型进行了简化,很少关注汽车底部结构产生的影响,简化汽车模型的气动力和气动力矩与实际情况存在偏差,无法真实预估气动六分力及其对汽车侧风稳定性的影响。
笔者前期研究发现[9-10]:传动轴、地板、排气管、油箱、备胎等轿车底部凹凸结构物直接裸露在空气中,受到高速气流冲击,车底分离涡明显增多,影响轿车背风侧流场,改变车身表面压力,使轿车气动力和气动力矩发生明显变化。针对该问题,国内外相关学者开展了一定的研究工作,李明达等[11]建立了复杂底部结构的五轴重型载货汽车气动分析模型,对气动阻力进行了优化;郭军朝等[12]采用风洞试验研究了不同侧风工况下底部结构形态的变化对汽车气动阻力、气动升力和气动侧力的影响;贾青等[13]建立了真实车底结构的轿车气动分析模型,研究了阻流板高度对底部流场及气动阻力的影响规律;Cho等[14]采用数值模拟方法分析了底部护板、侧裙等多种气动附件对真实车底结构汽车的尾部流场、车身压力和气动阻力的影响;Altinisik[15]采用风洞试验和数值模拟方法研究了底部结构形态及发动机舱结构对气动阻力的影响;Choi等[16]建立了2种底部结构的轿车气动模型,研究了底部护板对气动阻力和尾部流场的影响。综上所述,相关研究主要集中在底部结构对汽车流场及气动六分力的影响,重点关注气动阻力的变化,大部分研究均未考虑侧风的作用。然而,轿车底部流场结构复杂,风速和风向变化引起的轿车周围流态结构改变及其对侧风稳定性的影响规律至今未见诸报道,而这是进行轿车底部结构设计及侧风稳定性评价亟待厘清的工程技术问题。
笔者针对上述问题,以凹凸底部结构和光滑底部结构的轿车为研究对象,采用合成风方法建立了典型底部结构轿车的数值计算模型,分析了不同侧风风速工况下底部结构的气动干扰及其对轿车气动力和气动力矩的影响规律。在此基础上,采用汽车空气动力学与汽车系统动力学耦合方法建立了典型底部结构的轿车在强风载荷下的侧风稳定性分析与评价模型,研究了底部结构对轿车侧偏运动、横摆运动以及侧滑运动的影响规律及作用机理。研究方法和结果不仅可为轿车底部结构设计与布置提供参考,而且可为轿车侧风稳定性评价提供基础数据。
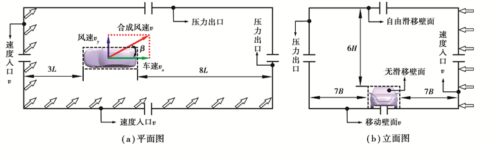
1 数值计算模型根据实际车型底部结构的差异在UG软件中分别建立1 ∶1的光滑底部和凹凸底部的轿车几何模型,如图 1所示,凹凸底部模型保留了底部结构细节,2个模型除了底部结构不同,其余几何保持一致。轿车长度L=5.05 m;宽度B=2.1 m;高度H=1.48 m。根据CSAE 112-2019《乘用车空气动力学仿真技术规范》,采用合成风方法分别建立2种底部结构轿车的侧风计算模型,计算域总体尺寸及轿车模型所在位置如图 2所示,计算模型阻塞比为0.8%。侧风方向与轿车运动方向垂直,轿车的行驶速度为vx,侧风风速为vy,轿车与侧风的合成速度为v,合成风方向与轿车行驶反方向的夹角为横摆角β,通过改变vy的大小模拟不同风速下轿车与侧风的相对运动,该方法广泛应用于汽车侧风稳定性分析[17-18]。
|
图 1 几何模型 Fig. 1 Geometric model |
|
图 2 侧风计算域模型 Fig. 2 Computational domain model under crosswind |
侧风计算域模型采用四面体网格和棱柱层网格,如图 3所示,网格划分软件为ICEM CFD。采用多级体网格加密方法捕捉车身周围分离涡系的流态结构,对不同网格大小进行了网格无关性验证,最终生成体网格3 000万左右。网格尺寸设置如下:体网格全局尺寸为512 mm;车身面网格全局尺寸为16 mm;底部结构以及局部面网格尺寸为8 mm和4 mm;体网格一级加密区尺寸为64 mm,二级加密区尺寸为128 mm,三级加密区尺寸为256 mm;边界层棱柱网格共设置6层,总厚度为3 mm,增长率为1.2。
|
图 3 侧风计算域网格 Fig. 3 Computational domain mesh under crosswind |
汽车行驶速度范围的马赫数小于0.3,因此,空气压强变化较小,可以忽略压缩性的影响,视作不可压缩流体。计算求解软件为Fluent,侧风计算域设置为标准大气压、常温条件,空气密度为1.225 kg/m3,空气动力黏性系数为1.789 4×10-5 N · s/m2。采用realizable k-ε湍流模型、二阶迎风离散格式进行稳态求解,该模型对汽车流场的捕捉能力和气动力计算精度有较好的表现,广泛应用于汽车外流场计算[5, 9, 13, 17, 19]。数值计算模型的控制方程详见参考文献[10, 20],计算域边界条件见图 2所示,其中:车速vx为120 km/h;侧风风速共5个工况(vy=5,10,15,20,25 m/s);入口湍流强度设置为0.5%;出口相对大气压力为零。
2 数值计算方法验证加工制作光滑底部的轿车模型进行计算方法验证,如图 4所示,模型风洞试验在湖南大学HD-2风洞完成,模型比例为1 : 3。气动力和气动力矩的测量仪器为浮框式应变天平,轿车模型尾部流场的测量仪器为粒子图像测速系统(PIV)。采用均匀基础抽吸方法消除地面边界层影响,数值模型计算工况与风洞试验工况保持一致。图 5为风洞试验和数值模拟结果对比,其中:气动力对比工况的合成速度为30 m/s,横摆角β分别为15°和0°;尾部流场对比工况的合成速度为30 m/s,横摆角β为0°。
|
图 4 轿车模型风洞试验 Fig. 4 Windtunneltest ofcar model |
|
图 5 风洞试验与数值模拟对比 Fig. 5 Comparison of wind tunnel test and numerical simulation |
由图 5可知,气动力系数数值计算结果与风洞试验接近,误差在5%左右。横摆角β为0°时,气动升力系数的量级较小,模型加工以及安装过程导致离地间隙与几何模型存在偏差,因此,该工况的气动升力系数相对误差偏大,但绝对误差较小。数值计算方法对尾涡的大小和形态捕捉较为准确,但对局部位置速度大小的捕捉能力存在一定偏差。综上所述,文中采用的计算方法满足工程应用要求。
3 侧风气动特性分析气流分离区大小是影响气动力和气动力矩的主要因素,其表征方法为总压为零的等值面,等值面区域越大,该区域湍流形成及耗散所消耗的能量越大,2种典型底部结构轿车在不同侧风风速下的总压为零等值面云图如图 6和图 7所示(从左至右侧风风速依次增加)。凹凸底部轿车和光滑底部轿车车身周围涡系的基本结构和变化趋势保持一致,气流分离区域主要集中在轿车底部、轿车尾部和车身背风侧。随着侧风速度的增加,分离区域逐步向侧风方向移动,A柱附近的分离区逐渐扩大,但扩散长度逐渐减小,而尾部和车身背风侧的分离区和扩散区均逐渐扩大。光滑底部轿车的车底涡系主要集中在轮胎附近,而凹凸底部为敞开式结构,地板、排气管和备胎等部件直接裸露在空气中,高速气流流经车底后产生的分离涡系明显增多,轿车底部、轿车尾部和车身背风侧的分离区和扩散区明显更大。
|
图 6 不同侧风风速工况的车身上部总压为零的等值面云图 Fig. 6 The isosurface cloud with zero total pressure of upper-body under different crosswind speed |
|
图 7 不同侧风风速工况的车身底部总压为零的等值面云图 Fig. 7 The isosurface cloud with zero total pressure of under-body under different crosswind speed |
进一步分析得知,底部结构的差异对车身迎风侧流场分布的影响可以忽略,但轿车底部、轿车尾部和车身背风侧分离区和扩散区的增加会导致其表面压力发生明显变化,如图 8所示(从左至右侧风风速依次增加)。与光滑底部轿车相比,凹凸底部轿车的车头右侧、车尾及车身侧面背风侧均呈现更大区域的负压区,车底压力明显更大。随着风速增加,横摆角逐渐增大,2种底部结构轿车背风侧的负压区逐渐增加、负压值逐渐减小,此外,凹凸底部轿车的车底压力变化更为明显,压力逐渐增大,且呈现了较大面积的正压区。上述结果表明凹凸底部主要影响车身背风侧和车底的压力分布,与前述等值面云图分析结果一致。2种底部结构轿车的表面压力分布差异会导致气动六分力发生变化,如图 9所示。图中:CD为气动阻力系数;CS为气动侧力系数;CL为气动升力系数;CRM为气动侧倾力矩系数;CPM为气动俯仰力矩系数;CYM为气动横摆力矩系数。
|
图 8 不同侧风风速工况的轿车底部压力 Fig. 8 The pressure distribution of under-body under different crosswind speed |
|
图 9 不同侧风风速工况的气动力和气动力矩系数 Fig. 9 Aerodynamic force and aerodynamic moment coefficients under different crosswind speed conditions |
由图 9可知,底部结构对气动力的影响较大,凹凸底部轿车的气动侧力、气动阻力和气动升力均呈现不同程度的增幅,其中,气动升力增幅最大。与凹凸底部轿车相比,光滑底部轿车的气动升力平均降幅达67.6%,气动侧力和气动阻力的平均降幅分别为5.7%和13.9%。底部结构对气动横摆力矩和气动侧倾力矩影响较小,对气动俯仰力矩影响较大。与凹凸底部轿车相比,光滑底部轿车的气动横摆力矩平均增幅为6.1%,但气动俯仰力矩平均降幅可达53.7%。随着风速增加,合成风速v和横摆角β均变大,导致气动力系数随着风速的增加而增加,2种底部结构模型具有相同的变化规律,气动阻力系数增幅较小,而气动侧力系数和气动升力系数增幅较大,且其增幅随风速的增加而逐渐变大,说明气动阻力受纵向气流影响更大,而气动升力和气动侧力则受横向气流影响更大。
4 侧风稳定性分析2种典型底部结构的轿车气动力和气动力矩差异会影响轿车的侧风稳定性,特别是气动升力和气动侧力的变化。为精准量化2种底部模型的影响,在车辆动力学仿真软件Carsim中进行空气动力学与系统动力学耦合建模,选取侧风风速为25 m/s的工况进行仿真分析。
4.1 仿真模型轿车侧风稳定性仿真模型如图 10所示,轿车模型包括车身系统、悬架系统、轮胎系统、转向系统、动力系统、制动系统和传动系统等,车身整体尺寸与前述几何模型保持一致。采用空气动力学模块加载侧风的耦合作用关系,根据图 9中25 m/s侧风工况下的气动六分力系数计算结果编辑气动六分力输入参数。轿车其他性能参数见表 1所示。
|
图 10 侧风稳定性仿真模型 Fig. 10 Crosswind stability simulation method |
| 表 1 轿车模型的主要性能参数 Table 1 Parameters of car dynamics model |
仿真过程中,轿车以120 km/h的速度直线行驶,仿真总时长为14 s。采用预瞄驾驶员模型进行方向修正,预瞄时间取值为1.4 s。采用阶跃阵风模型模拟侧风干扰,侧风作用时长为3 s。轿车高速行驶遭遇阵风作用,侧向位移过大将导致轿车驶入相邻车道,诱发侧偏事故,侧向加速度过大将导致轮胎侧滑,诱发侧滑事故,而横摆角过大则诱发横摆事故。文中着重分析2种底部结构的轿车在干燥路面、潮湿路面和积水路面的侧偏运动、横摆运动以及侧滑运动。
4.2 侧偏运动分析侧偏运动的主要评价指标为侧向位移和侧向加速度,2种底部结构的轿车在3种路面条件下的侧偏运动响应如图 11所示。凹凸底部和光滑底部的轿车在3种路面条件下的侧向位移变化趋势一致,而侧向加速度曲线存在一定差异。相同路面条件下,凹凸底部轿车的侧向位移峰值明显高于光滑底部轿车,且路面附着系数越低,差异越明显。侧风作用瞬间,3种路面条件下凹凸底部轿车的侧向加速度峰值均在0.147g左右,光滑底部轿车的侧向加速度峰值均在0.132g左右,峰值时刻基本一致。侧风作用消失后,路面条件下凹凸底部轿车的侧向加速度峰值分别为0.154g,0.175g,0.225g,光滑底部轿车的侧向加速度峰值分别为0.140g,0.153g,0.189g,干燥路面和潮湿路面的峰值时刻基本一致,但积水路面略微滞后。凹凸底部轿车在3种路面条件下的侧向位移峰值分别为1.247, 1.419, 1.896 m,而光滑底部轿车在3种路面条件下的侧向位移峰值分别为1.224, 1.347, 1.641 m。
|
图 11 轿车在3种路面条件下的侧偏运动响应 Fig. 11 Lateral motion response of vehicle under three kinds road conditions |
横摆运动的主要评价指标为横摆角速度和横摆角,2种底部结构的轿车在3种路面条件下的横摆运动响应如图 12所示。
|
图 12 轿车在3种路面条件下的横摆运动响应 Fig. 12 Yawing motion response of vehicle under three kinds road conditions |
凹凸底部和光滑底部的轿车模型在3种路面条件下的横摆角曲线变化趋势一致,而横摆角速度曲线存在一定差异,路面附着系数对横摆角和横摆角速度峰值有一定影响。侧风作用初始时刻,3种路面条件下凹凸底部轿车的横摆角速度峰值均为-3.6°/s左右,光滑底部轿车的横摆角速度峰值均为-3.7°/s左右,峰值时刻均在侧风作用后0.25 s左右。侧风作用消失后,3种路面条件下凹凸底部轿车的横摆角速度峰值分别为3.055,3.431,5.133°/s,峰值时刻均在侧风消失后0.2 s左右,光滑底部轿车的横摆角速度峰值分别为3.323,3.591,4.589°/s,峰值时刻均在侧风消失后0.2 s左右。凹凸底部轿车在3种路面条件下的横摆角峰值分别为1.672°、1.933°、2.767°,光滑底部轿车在3种路面条件下的横摆角峰值分别为1.663°、1.847°、2.351°,峰值时刻均在侧风消失后0.7 s左右。
4.4 侧滑临界风速分析轿车发生侧偏运动和横摆运动时,轮胎法向载荷将发生转移,诱发轿车侧滑甚至侧翻事故,但轿车在侧风作用下发生侧翻的概率较低,主要以侧滑为主。因此,文中将着重分析2种底部结构的轿车发生侧滑的临界风速,图 13为侧风作用时间内3种路面条件下的轮胎法向力变化过程。
|
图 13 轿车在3种路面条件下的轮胎法向力 Fig. 13 Tire normal force of a car under three kinds road conditions |
由图 13可知,2种底部结构轿车的轮胎法向力在侧风作用的瞬间均发生突变,轮胎载荷重新分配,3种路面条件下的变化趋势基本一致,侧风作用0.5 s左右后具有明显的变化规律,轿车的侧偏和横摆运动导致右前轮和右后轮法向力先增加后减小,而左前轮和左后轮法向力先减小后增加,光滑底部轿车的轮胎法向力明显高于凹凸底部轿车,路面附着系数越低,轮胎法向力变化越平缓,说明驾驶员控制轿车回到直线行驶状态愈发困难。侧风消失瞬间,轮胎法向力也发生突变,之后,逐渐恢复到直线行驶状态。侧风作用时间内,3种路面条件下前后轴轮胎的法向力极值见表 2,其大小决定了前后轴发生侧滑的临界极限。为量化评价不同底部结构轿车发生侧滑的临界风速,假设轿车在平直且没有坡度的路面以120 km/h的车速匀速行驶,行驶过程受到线性侧风作用后始终保持匀速行驶状态,其受力简图如图 14所示。该状态下轿车平衡方程如式(1)~(4)所示,分别联合式(1)和(2)、(3)和(4)求得轿车前后轴侧向力和法向力,如式(5)和(6)所示。
| $ {F_{\rm{S}}} - {F_{{\rm{YF}}}} - {F_{{\rm{YR}}}} = 0, $ | (1) |
| $ {M_{{\rm{YM}}}} - {F_{{\rm{YF}}}} \times a + {F_{{\rm{YR}}}} \times b = 0, $ | (2) |
| $ {F_{\rm{L}}} + {F_{{\rm{ZF}}}} + {F_{{\rm{ZR}}}} - G = 0, $ | (3) |
| $ {M_{{\rm{PM}}}} + {F_{{\rm{ZF }}}} \times a - {F_{Z{\rm{R}}}} \times b = 0, $ | (4) |
| $ {F_{{\rm{YF}}}} = \frac{{b \times {F_{\rm{S}}} + {M_{{\rm{YM}}}}}}{{a + b}}, {F_{{\rm{YR}}}} = \frac{{a \times {F_{\rm{S}}} - {M_{{\rm{YM}}}}}}{{a + b}}, $ | (5) |
| $ {F_{{\rm{ZF}}}} = \frac{{G \times b - {M_{{\rm{PM}}}} - {F_{\rm{L}}} \times b}}{{a + b}}, {F_{{\rm{ZR}}}} = \frac{{{M_{{\rm{PM}}}} + G \times a - {F_{\rm{L}}} \times a}}{{a + b}}, $ | (6) |
| 表 2 侧风作用区间轮胎法向力极值 Table 2 Maximum normal force of tire in crosswind range |
|
图 14 侧风作用下轿车受力简图 Fig. 14 Diagram of force on the car under crosswind |
式中:FS为气动侧力,由式(7)确定;FL为气动升力,由式(8)确定;FYF和FYR为地面作用在前轴和后轴的侧向力;FZF和FZR为地面作用在前轴和后轴的法向力;MYM为气动横摆力矩,由式(9)确定;MPM为气动俯仰力矩,由式(10)确定;a和b分别为轿车质心至前后轴的距离,取值见表 1所示。
| $ {F_{\rm{s}}} = \frac{1}{2} \times {C_{\rm{S}}} \times \rho \times \left( {v_x^2 + v_y^2} \right) \times A, $ | (7) |
| $ {F_{\rm{L}}} = \frac{1}{2} \times {C_{\rm{L}}} \times \rho \times \left( {v_x^2 + v_y^2} \right) \times A, $ | (8) |
| $ {M_{{\rm{YM}}}} = \frac{1}{2} \times {C_{{\rm{YM}}}} \times \rho \times \left( {v_x^2 + v_y^2} \right) \times A \times l, $ | (9) |
| $ {M_{{\rm{PM}}}} = \frac{1}{2} \times {C_{{\rm{PM}}}} \times \rho \times \left( {v_x^2 + v_y^2} \right) \times A \times l, $ | (10) |
式中:ρ为空气密度,取值1.225 kg/m3;l为轿车轴距,A为迎风面积,取值见表 1所示。
轿车前后轴不发生侧滑的临界条件如式(11)和(12)所示,联合式(5)和(6)可得轿车前后轴不发生侧滑的临界方程为式(13)和(14)。
| $ {F_{{\rm{YF}}}} < \mu \times {F_{{\rm{ZF}}}}, $ | (11) |
| $ {F_{{\rm{YR}}}} < \mu \times {F_{{\rm{ZR}}}}, $ | (12) |
| $ {F_{{\rm{YF}}}} = \frac{{b \times {F_{\rm{S}}} + {M_{{\rm{YM}}}}}}{{a + b}} < \mu \times \left( {\frac{{G \times b - {M_{{\rm{PM}}}} - {F_{\rm{L}}} \times b}}{{a + b}}} \right), $ | (13) |
| $ {F_{{\rm{YR}}}} = \frac{{a \times {F_{\rm{S}}} - {M_{{\rm{YM}}}}}}{{a + b}} < \mu \times \left( {\frac{{{M_{{\rm{PM}}}} + G \times a - {F_{\rm{L}}} \times a}}{{a + b}}} \right), $ | (14) |
式中:μ为地面与轮胎的摩擦系数,干燥、潮湿和积水路面分别取值为0.85、0.50和0.35。
根据图 9中气动六分力计算结果,拟合得到120 km/h车速下气动侧力系数、气动升力系数、气动横摆力矩系数和气动俯仰力矩系数随风速变化的函数关系式,分别带入式(7)~(10),联合式(13)和(14)即可求得轿车在3种路面条件下行驶时前后轴的侧向力和侧向附着极限变化曲线,如图 15和图 16所示。
|
图 15 光滑底部轿车前后轴的侧向力和侧向附着极限曲线 Fig. 15 Lateral force curve and lateral attachment limit curve for smooth under-body structure |
|
图 16 凹凸底部轿车前后轴的侧向力和侧向附着极限曲线 Fig. 16 Lateral force curve and lateral attachment limit curve for concave and convex under-body structure |
由图 15和图 16可知,随着侧风风速的增加,轿车前后轴的侧向力呈抛物线趋势增加。受到气动俯仰力矩的影响,轿车轴荷逐渐向后轴转移,因此,前轴的侧向附着极限随风速增加逐渐减小,而后轴的侧向附着极限随风速增加呈先减小后增加的趋势。当前轴或者后轴的侧向力达到侧向附着极限时,轿车发生侧滑,前轴的侧滑临界风速明显低于后轴。相同工况下,凹凸底部轿车发生侧滑的临界风速明显低于光滑底部轿车。对于光滑底部轿车,前轴在3种路面条件下的侧滑临界风速风别为50.6,39.2, 32.3 m/s,而后轴在3种路面条件下的侧滑临界风速分别为61.4,51.0,45.4 m/s。对于凹凸底部轿车,前轴在3种路面条件下的侧滑临界风速分别为45.2,36.2,30.1 m/s,而后轴在3种路面条件下的侧滑临界风速分别为52.5,45.3,40.8 m/s。
5 结论文章以2种典型底部结构的轿车为研究对象,分析了不同侧风风速对轿车气动力和气动力矩的影响规律,研究了底部结构对轿车侧偏运动、横摆运动以及侧滑运动的影响规律及作用机理,得到如下结论:
1) 凹凸底部结构会增加轿车的气动升力、气动俯仰力矩、气动阻力和气动侧力,其影响程度依次降低;风速越高,气动升力和气动侧力的增幅越大。
2) 凹凸底部结构会加剧轿车的侧偏运动和横摆运动。路面附着系数越低,影响越大,车速为120 km/h、风速为25 m/s时,光滑底部结构的轿车在3种路面条件下的侧向位移峰值分别降低了1.8%、5.1%和13.4%,侧向加速度峰值分别降低了9.1%、12.6%和16.1%,横摆角峰值分别降低了0.5%、4.4%和15.1%。
3) 凹凸底部结构会增加轿车侧滑的风险,前轴侧滑的临界风速低于后轴。路面附着系数越低,影响越小,车速为120 km/h时,光滑底部结构的轿车在3种路面条件下发生侧滑的临界风速分别提高了11.9%、8.3%和7.3%。
4) 进行轿车侧风稳定性分析与评价时,不能忽略凹凸底部结构的影响。对凹凸底部结构进行平整化设计或加装底部护板可降低其对侧风稳定性的影响,后续还可以进一步研究气坝和侧裙的影响。
| [1] |
Li S, Gu Z, Huang T, et al. Coupled analysis of vehicle stability in crosswind on low adhesion road[J]. International Journal of Numerical Methods for Heat & Fluid Flow, 2018, 28(8): 1956-1972. |
| [2] |
袁志群, 吕恒庆, 林立, 等. 跨海大桥上厢式货车侧风稳定性的研究[J]. 汽车工程, 2021, 43(8): 1238-1247. Yuan Z Q, Lü H Q, Lin L, et al. Study on crosswind stability of van truck on sea-crossing bridge[J]. Automotive Engineering, 2021, 43(8): 1238-1247. (in Chinese) DOI:10.19562/j.chinasae.qcgc.2021.08.016 |
| [3] |
Wang Y P, Zhang Z Y, Zhang Q W, et al. Dynamic coupling analysis of the aerodynamic performance of a Sedan passing by the bridge pylon in a crosswind[J]. Applied Mathematical Modelling, 2021, 89: 1279-1293. DOI:10.1016/j.apm.2020.07.003 |
| [4] |
Tunay T, Drugge L, O'Reilly C J. On coupling methods used to simulate the dynamic characteristics of heavy ground vehicles subjected to crosswind[J]. Journal of Wind Engineering and Industrial Aerodynamics, 2020, 201: 104194. DOI:10.1016/j.jweia.2020.104194 |
| [5] |
梁宝钰, 汪怡平, 刘珣, 等. 基于滑模理论的高速车辆侧风稳定性控制研究[J]. 汽车工程, 2022, 44(1): 123-130. Liang B Y, Wang Y P, Liu X, et al. Study on crosswind stability control of high-speed vehicle based on sliding mode theory[J]. Automotive Engineering, 2022, 44(1): 123-130. (in Chinese) |
| [6] |
Sun K, Yang Y, Gu Z, et al. Coupled analysis of transient aerodynamic characteristics of the coach under crosswind in different situations[J]. Journal of Applied Fluid Mechanics, 2021, 14(2): 527-539. |
| [7] |
陈丰, 彭浩荣, 邵晓君, 等. 侧风作用下货车和小汽车行驶稳定性对比分析[J]. 哈尔滨工业大学学报, 2021, 53(9): 10-16. Chen F, Peng H R, Shao X J, et al. Comparative analysis of driving stability between truck and car under crosswind[J]. Journal of Harbin Institute of Technology, 2021, 53(9): 10-16. (in Chinese) |
| [8] |
徐中明, 于海兴, 伍小龙, 等. 车辆侧翻指标与侧翻风险因素分析[J]. 重庆大学学报, 2013, 36(3): 25-31. Xu Z M, Yu H X, Wu X L, et al. Analysis on rollover index and rollover risk factors of vehicles[J]. Journal of Chongqing University, 2013, 36(3): 25-31. (in Chinese) |
| [9] |
袁志群, 谷正气. 基于多孔介质材料和仿生设计的汽车阻流板减阻机理[J]. 中国机械工程, 2019, 30(7): 777-785. Yuan Z Q, Gu Z Q. Aerodynamic drag reduction mechanism of automobile spoiler based on porous media and bionic design[J]. China Mechanical Engineering, 2019, 30(7): 777-785. (in Chinese) DOI:10.3969/j.issn.1004-132X.2019.07.004 |
| [10] |
Yuan Z Q, Gu Z Q, Wang Y P, et al. Numerical investigation for the influence of the car underbody on aerodynamic force and flow structure evolution in crosswind[J]. Advances in Mechanical Engineering, 2018, 10(10): 1-14. |
| [11] |
李明达, 隗海林, 门玉琢, 等. 复杂底部结构下的重型载货汽车气动阻力[J]. 吉林大学学报(工学版), 2017, 47(3): 731-736. Li M D, Kui H L, Men Y Z, et al. Aerodynamic drag of heavy duty vehicle with complex underbody structure[J]. Journal of Jilin University (Engineering and Technology Edition), 2017, 47(3): 731-736. (in Chinese) |
| [12] |
郭军朝, 史建鹏, 陈赣, 等. 某SUV车底气动附件的仿真与试验研究[J]. 汽车工程, 2016, 38(4): 511-514, 499. Guo J C, Shi J P, Chen G, et al. Simulation and experimental study on the aerodynamic accessories on the underbody of a SUV[J]. Automotive Engineering, 2016, 38(4): 511-514, 499. (in Chinese) |
| [13] |
贾青, 沙潇, 杨志刚. 前轮扰流板高度对复杂轿车风阻的影响[J]. 同济大学学报(自然科学版), 2017, 45(1): 87-91. Jia Q, Sha X, Yang Z G. Influence of front wheel spoiler height on complicated vehicle aerodynamic drag[J]. Journal of Tongji University (Natural Science), 2017, 45(1): 87-91. (in Chinese) |
| [14] |
Cho J, Kim T K, Kim K H, et al. Comparative investigation on the aerodynamic effects of combined use of underbody drag reduction devices applied to real Sedan[J]. International Journal of Automotive Technology, 2017, 18(6): 959-971. |
| [15] |
Altinisik A. Aerodynamic coastdown analysis of a passenger car for various configurations[J]. International Journal of Automotive Technology, 2017, 18(2): 245-254. |
| [16] |
Choi H A, Park S O, Moon H G, et al. Numerical study on the effect of boat tail shape on aerodynamic drag of SUV[J]. International Journal of Automotive Technology, 2021, 22(1): 165-172. |
| [17] |
张英朝, 刘涛, 曹惠南, 等. 平头货车在考虑侧风影响下的气动阻力系数优化[J]. 汽车工程, 2021, 43(5): 713-720, 745. Zhang Y C, Liu T, Cao H N, et al. Optimization of aerodynamic drag coefficient for a cabover truck considering the effects of crosswind[J]. Automotive Engineering, 2021, 43(5): 713-720, 745. (in Chinese) |
| [18] |
胡兴军, 丁九洋, 黄珊, 等. 集装箱货车高速行驶侧风稳定性分析[J]. 汽车工程学报, 2018, 8(1): 10-15. Hu X J, Ding J Y, Huang S, et al. Analysis of the crosswind stability of container trucks at high speeds[J]. Chinese Journal of Automotive Engineering, 2018, 8(1): 10-15. (in Chinese) |
| [19] |
周涛, 曾忠. FSAE赛车新型曲面前翼尾翼气动优化设计[J]. 重庆大学学报, 2017, 40(10): 40-52. Zhou T, Zeng Z. Optimal aerodynamic design for formula SAE car using curved wings[J]. Journal of Chongqing University, 2017, 40(10): 40-52. (in Chinese) |
| [20] |
严择圆, 杜常清, 胡艺凤, 等. 大学生方程式赛车尾翼负升力特性有限元探究[J]. 重庆大学学报, 2019, 42(4): 29-39. Yan Z Y, Du C Q, Hu Y F, et al. Study on aerodynamic performance of rear wing for Formula SAE racing cars based on finite element method[J]. Journal of Chongqing University, 2019, 42(4): 29-39. (in Chinese) |
2023, Vol. 46


