土木工程专业本科教育是专业人才培养的重要阶段,通过理论教学、实践教学及科研创新训练等环节培养学生工程实践和创新能力、分析和解决复杂工程问题的能力,而毕业设计作为本科阶段最后的教学实践环节,涉及内容综合而全面,是实现土木工程专业本科人才培养目标的重要环节。通过毕业设计,结合土木工程类设计规范/标准,将相关理论基础知识和工程设计方法创新性地应用于实践,实现科研创新与工程实践相结合的培养模式[1]。土木工程毕业设计是理论知识与工程实践相结合的学习环节,培养学生在解决复杂工程问题方面的创新能力[2]。国内外已有较多毕业设计(论文)教学模式改革的相关研究,旨在从不同角度提高毕业设计质量,但关于土木工程专业本科毕业设计改革和探索方面的文献相对较少。国内已有研究主要关于创新型和实践型毕业设计[3-6],探讨工程化背景下构建以创新能力为核心的毕业设计教学体系和教学模式的有效途径,加强本科毕业设计实践保障体系建设,提高土木工程本科人才培养质量。部分学者结合工程实践开展了毕业设计研究工作[7-11],强调土木工程毕业设计选题与工程实践相结合,尤其在规范/标准的应用等方面。康俊涛等[12]分析了土木工程专业毕业设计教学环节的现状及存在的问题,以武汉理工大学土木工程专业为例,对土木工程专业教学改革、质量评价体系、教师队伍建设等方面进行了研究,使之适应当代高素质土木工程专业人才培养的要求。王景玄等[13]进行了土木工程专业本科毕业设计研究型创新人才培养模式探讨,以推免生为主要对象,但未结合工程实践创新能力的培养与应用。
结合土木工程专业人才培养目标和市场需求,将工程实践与科研创新密切联系,培养具有解决复杂工程问题能力并可提出创新见解的人才,符合目前国家发展所需和综合性人才培养目标。本文以兰州理工大学土木工程专业建筑工程方向本科毕业设计为例,探索科研创新与工程实践相结合的土木工程专业毕业设计模式,以期为同类院校土木工程专业毕业设计教学提供参考。
一、毕业设计现存问题分析 (一) 教师指导时间有限由于毕业设计学生人数较多而指导教师人数有限,每位教师负责指导的学生人数较多。在兰州理工大学土木工程学院2019届和2020届毕业设计小组中,每位指导教师负责学生7~8名,加之教师在毕业设计所在学期还需要承担其他课程授课任务,同时兼顾个人科研工作,工作繁重,指导时间有限。教师在毕业设计上花费的时间和精力不足,部分教师在选题时直接套用之前做过的题目,后期指导直接采用之前的过程与成果,导致学生在毕业设计过程中积极性不高,影响毕业设计质量。此外,根据初步调研,指导教师的辅导方式主要通过QQ或微信线上辅导(图 1)。
|
图 1 毕业设计指导方式 |
毕业设计环节一般集中在大四春季学期,大部分学生在此段时间内忙于找工作或准备研究生复试,也有一部分学生认为只需走完流程能毕业即可,学生对毕业设计的重视程度不高。
为了解学生对毕业设计的重视程度,随机对兰州理工大学土木工程学院建筑工程方向2020届100名本科毕业生进行问卷调查,最终回收问卷88份,回收率为88%。调查结果显示,8人将大量时间和精力投入研究生复试方面,27人将重心放在考证及寻求心仪工作上,仅有21人表示将以保质保量完成毕业设计为本学期主要工作,约占24%,其余32人选择了其他(图 2)。由此可见,大部分学生对毕业设计重视程度并不高,需要进一步加强。
|
图 2 重视程度调查结果 |
部分高校缺乏实践基地,创新训练项目较少,导致设计题目大同小异,以宿舍楼、办公楼、教学楼、大学生活动中心等单体建筑的设计为主,甚至同一年此类题目会在多个小组重复出现。学生对此类题目已经失去新鲜感,而题目本身自由创作空间较小,还存在同题目抄袭现象,影响毕业设计质量。
对10名毕业设计指导教师及100名学生进行毕业设计选题问卷调查,问卷以“是否认为题目新颖度会影响毕业设计质量”及“毕业设计中是否应适当加入科研元素”为题来了解指导教师及学生对题目的看法,教师方面问卷回收率为100%,学生方面问卷回收率为91%。调查结果显示,80%的指导教师认为近几年毕业设计题目陈旧,不能激发学生兴趣,最终影响了毕业设计质量,90%的指导教师认为有必要适当引入科研创新元素;86.81%的学生认为新颖的选题能激发对毕业设计的兴趣,提高毕业设计质量,其余学生表示新颖的题目不会影响毕业设计结果。此外,79.12%的学生表示近几年题目陈旧老套,缺乏新意。具体毕业设计内容调研结果如图 3所示。
|
图 3 毕业设计题目调查结果 |
毕业设计题目较为陈旧,以宿舍楼、办公楼、教学楼等单体建筑为主,此类建筑更加突出实用与经济的特点,设计内容主要以工程实践训练为主,很难融入科研创新等元素。王景玄等[13]介绍了土木工程专业本科毕业设计研究型创新人才培养模式,分析了一种适合“推免生”的毕业设计培养方式。结合本科科研创新训练项目及部分指导教师的研究方向,适当引入一些科研元素,有助于提高学生对毕业设计的兴趣。此外,传统的毕业设计内容主要包括建筑设计和结构设计,在此基础上,针对单个构件和节点适当引入有限元分析,可以提高毕业设计质量。
(五) 毕业设计管理过程不严格毕业设计包含三阶段:第一阶段为建筑设计,耗时4周,第二阶段为板与楼梯的设计计算,耗时6周,第三阶段为框架配筋计算及基础计算,耗时6周。以2020届学生的毕业设计为例,尽管每一阶段后都有检查,但由于检查不严格、学生积极性不高等原因,仍有不少学生不能完成阶段性任务,即使能按时完成的学生,也是敷衍了事,结果并不理想。此外,每次检查相隔时间长,每个阶段前几周学生自由散漫,临近检查时开始突击,影响毕业设计整体质量。
二、教学模式改进探讨基于上述毕业设计现状及存在问题,探讨创新与实践综合能力培养的土木工程本科毕业设计流程,基本思路如图 4所示。在原有建筑设计和结构设计部分,引入科研创新与工程实践相结合的设计元素,在原有毕业设计成果的基础上,促使成果多元化。
|
图 4 土木工程本科毕业设计流程 |
高质量毕业设计包括高质量选题、高质量设计、高质量计算与绘图,而这些目标的达成与指导教师密不可分。根据住建部土木工程专业认证的要求,每位指导教师指导人数不得超过7人,校内指导教师人数有限,且部分青年教师缺乏工程经验,因此,兰州理工大学土木工程学院聘任校外具有高级职称的工程设计师作为副导师,校企联动,明确校内指导教师第一责任制,确保毕业设计的质量,尤其是在建筑方案的选取、结构设计以及电算等方面,充分发挥企业导师的优势和作用。整个毕业设计,从题目选取、建筑设计、结构设计到答辩环节均要求校外导师参与,落实企业兼职导师制度。该方法可实现理论设计和工程实践设计的结合,提高指导教师和学生的积极性和实践性。
(二) 多级毕业设计过程管控根据毕业设计进度缓慢等问题,采用多级毕业设计过程管控模式,从毕业设计选题—题目审核—师生双选模式—前期答辩—中期答辩—终期答辩等多级过程管控,实施“三阶段答辩”模式。其中,前期答辩占总分值的15%,检查内容以建筑图的设计和绘制为主;中期答辩主要包括检查楼盖的计算与施工图绘制、楼梯的计算与施工图绘制以及部分框架内力计算,占总分值的15%;终期答辩占70%,包括毕业设计计算书、图纸绘制质量、回答问题情况以及创新等环节。通过多级毕业设计过程管控环节,可以有效解决毕业设计进度缓慢和设计质量不高的问题,提高毕业设计的质量。具体毕业设计多级管控流程如图 5所示。
|
图 5 设计过程多级控制流程 |
过长时间的检查间隔导致自律性差的学生毕业设计效率与质量低,因此,提出一种“3+N”的检查方案,即在学院/系三阶段检查的基础上,由指导教师将每个阶段中的检查按时间或任务详细划分为N小段(图 6),小段的质量控制交由指导教师负责,若能将小段细分到每个任务点,就可避免出现进度拖延的问题,此分配方法同时使教师更清楚学生进度及面临的问题,从而做好监管督促工作。此外,还需提高设计过程在最终成绩中的占比,让学生重视过程与进度,杜绝临时抱佛脚的现象。
|
图 6 设计过程控制方案 |
将实践与创新贯穿整个毕业设计过程,设计主要包含建筑设计与结构设计两大部分。在建筑设计中,学生要结合题目特性进行设计,例如,一些建筑对空间有特殊要求,学生要抓住特性才能完成高质量设计。此外,平面图设计上要考虑各个功能区位置是否冲突,如何解决等,而对于这些问题往往指导教师也不能给出十分准确的解答,需要学生自己去解决,在完成建筑设计的同时形成设计思路。在结构设计中,很多学生不清楚钢筋排布、弯起、截断及绑扎,需要学生在实践中掌握此方面知识,最后结合理论计算给出工程中的合理配筋方案。对于部分学习能力较强的学生,在结构计算中可引入科研创新元素,结合导师科研项目,培养学生科研创新意识,并让他们了解科研过程,这对学生发展有极其重要的作用。
三、创新与实践综合能力教学实例基于上述毕业设计存在问题分析和教学模式改进探讨,以兰州理工大学土木工程专业2020届学生的毕业设计为例,在原有设计内容基础上,引入科研创新和工程实践等设计内容,以提高毕业设计的质量。毕业设计选题方面,以某市商业中心建筑设计为题材,与一般单体建筑相比,商业建筑更加突出美观、大空间等特点,根据此特点进行设计更有挑战性,可激发学生兴趣从而提升毕业设计质量。
商业建筑设计需满足大空间和采光等设计要求,但本科期间的设计均采用砌体墙体作为主要围护结构,建筑设计造型单一,太过规整,达不到商场建筑的设计效果。采用玻璃幕墙作为围护结构,赋予设计模块一定的挑战性。目前,建筑幕墙已广泛应用于民用和工业建筑中,尤其是城市中心标志性建筑,采用幕墙系统可以巧妙融合其围护功能与装饰功能,使建筑更具现代感和装饰艺术性。据统计,商业建筑在中国幕墙消费总额中占比最大,约占66.8%;其次是公共建筑,约占30.1%;高档住宅占比最小,约为3.1%。随着面板类材料与施工技术的发展,幕墙系统的应用将更加广泛,借毕业设计机会可以让学生提前了解这一系统,对未来工作有一定促进作用。
毕业设计中,幕墙系统包括铝幕墙和玻璃幕墙,较传统砌体墙围护结构增加了节点设计。完成幕墙系统设计,需要学生查阅规范图集,学习全新知识,也需要学生自己去参观玻璃幕墙建筑,了解当前幕墙系统的节点构造,在学习新事物的同时锻炼学生自学能力与实践能力。以2020届本科生设计的一个幕墙节点为例,学生通过自学对节点构造及工法有足够的了解,达到了毕业设计中建筑设计实践创新预期目标,节点施工图如图 7所示。
|
图 7 幕墙节点构造 |
结构设计上,综合抗扭刚度、抗震性能、材料用量及造价等方面的考虑,最终选择多层钢筋混凝土框架结构,根据轴压比限值,初选的钢筋混凝土柱截面尺寸为1 000 mm×1 000 mm,较大柱尺寸不符合商场高空间利用率原则,为增加空间利用率并考虑与上部钢筋混凝土梁构件之间连接,采用型钢混凝土柱(以下简称SRC柱)替换钢筋混凝土柱(以下简称RC柱)。基于此设计背景,采用有限元软件ABAQUS对型钢混凝土组合柱和传统钢筋混凝土柱建模计算,仅考虑轴力作用,根据计算结果对比分析二者在承载力、破坏特征及经济性方面的差异。
1.承载力对比原有RC柱截面信息:截面尺寸为1 000 mm×1 000 mm,底层柱高为5 400 mm。纵筋采用HRB400钢筋,直径为28 mm,箍筋采用HRB335钢筋,直径为8 mm,混凝土强度为C40。RC柱两端箍筋间距为100 mm,中间箍筋间距为200 mm,含钢率为1.5%。配筋图和箍筋布置如图 8所示。
|
图 8 RC柱截面构造(mm) |
根据RC轴心受压构件的计算公式(1),可求得RC柱承载力
| $ {N_u} = 0.9\varphi \left( {{f_c}A + f_y^\prime A_s^\prime } \right) $ | (1) |
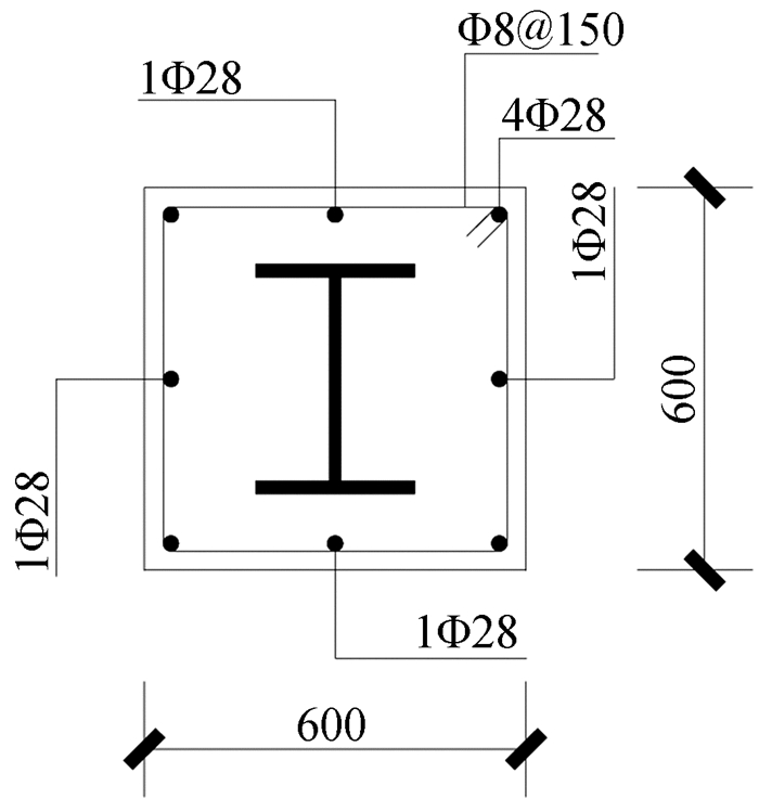
SRC柱截面与配筋信息:截面尺寸600 mm×600 mm,柱高为5 400 mm。纵筋采用HRB400钢筋,直径为28 mm,箍筋采用HRB335钢筋,直径为8 mm,箍筋间距为150 mm,混凝土强度为C40。工字型钢截面尺寸为H×B×tw×bf=360 mm×250 mm×18 mm×20 mm,强度等级为Q345,含钢率为5.8%。配筋图和箍筋布置如图 9所示。
|
图 9 SRC柱截面示意(mm) |
根据SRC轴心受压构件的计算公式(2),可求得SRC柱承载力。
| $ {N_u} = 0.9\varphi \left( {{f_c}{A_c} + {f^\prime }_y{A^\prime }_s + f_a^\prime A_a^\prime } \right) $ | (2) |
为进一步对比RC柱和SRC柱的承载力和轴压破坏特征,采用ABAQUS软件分别建立RC柱与SRC柱的模型,混凝土本构关系采用《混凝土设计规范》(GB 50010—2010)[14]给出的应力—应变关系,钢筋本构关系采用线性强化模型,在有限元模型计算中,钢材本构关系需要考虑下降段,因此,采用Esmaeily和Xiao[15]提出的本构关系模型,可较好反映钢材软化特征,有限元模型及网格划分见图 10。
|
图 10 RC柱与SRC柱有限元模型 |
有限元模型中,采用位移加载方式计算得到RC柱和SRC柱的荷载—位移关系曲线,如图 11所示。对RC柱而言,当位移达到21.8 mm时,竖向荷载达到最大值,为23 781 kN。随后曲线急剧下降至破坏,构件延性较差。对SRC柱而言,当位移达到37.4 mm时,轴力达到第一个峰值点,为23 013 kN,且由于内部型钢作用,计算曲线并没有出现明显下降段,具有较好的延性和变形能力。
|
图 11 RC柱与SRC柱荷载—位移曲线 |
通过ABAQUS有限元分析,可以获得RC柱与SRC柱最终破坏特征和应力分布图,如图 12所示。对于RC柱而言,柱中部受力较小,两端受力较大,破坏先在柱两端发生,主要表现为混凝土保护层脱落、钢筋屈服。对SRC柱而言,由于内部型钢作用,整体构件受力较为均匀,受力前期混凝土主要承担竖向荷载,后期型钢受力较大,表现出较好的受力性能。
|
图 12 RC柱与SRC柱应力分布图 |
对比可知,RC柱与SRC柱轴向承载能力基本相同,且二者前期刚度也基本相同,但在变形能力上SRC柱优势明显,更有利于抗震。在面积占用方面,SRC柱单柱面积占用相比RC柱减小64%,单层可利用面积约增加35 m2,单层面积利用率增加1.5%(单层面积约为12 575 m2)。综合承载力和经济性而言,SRC柱在大空间等建筑结构中有更好的应用价值。
4.设计实例通过上述毕业设计实例,设计创新点主要在于建筑设计部分的幕墙设计和结构设计部分融入了有限元计算,采用新型组合构件SRC柱代替RC柱,并对比了两者的承载力和经济性。在设计内容、计算方法及工程应用方面具有一定创新性(图 13)。
|
图 13 设计实例亮点与创新 |
毕业设计答辩和调查结果显示,参与调查的指导教师认为上述毕业设计培养模式有利于学生综合发展,且在设计过程中能明显看出学生积极性提高,最终设计质量也大幅提升。据调查,88.3%的学生认为此毕业设计模式对个人未来发展有利,93.3%的学生表示从毕业设计中获得了全新知识,其中,3名学生进入校级答辩并取得优异成绩,2名学生发表了学术论文。
因此,在土木工程专业毕业设计过程中,需要通过理论教学、实践教学等多途径提高学生创新能力,培养符合国家需求的复合型人才。毕业设计作为本科学习阶段的最后教学环节,还需着力提高教学质量,逐步建立科学合理的土木工程专业毕业设计创新体系,推动一流土木工程专业的建设与发展。
| [1] |
安新正, 边金明, 申彦利. 土木工程专业本科生毕业设计模式探索[J]. 实验技术与管理, 2018, 35(11): 186-188. |
| [2] |
李丽娟, 刘勇健, 吴炎海, 等. 以创新能力为核心的土木工程实践教学体系[J]. 实验室研究与探索, 2015, 34(4): 169-173. DOI:10.3969/j.issn.1006-7167.2015.04.043 |
| [3] |
杨果林, 曾伏爱. 土木工程专业创新性本科毕业设计探讨[J]. 长沙铁道学院学报(社会科学版), 2008(3): 109-111. |
| [4] |
涂光亚, 易壮鹏, 刘小燕. 基于创新能力培养的毕业设计教学体系研究与实践[J]. 高等建筑教育, 2014, 23(4): 145-148. |
| [5] |
王军, 贾致荣, 张璐. 基于卓越工程师培养的土木工程本科毕业设计改革与实践[J]. 教育现代化, 2018, 5(53): 101-102. |
| [6] |
鲁宏健. 改革土木工程专业毕业设计指导方法培养创新能力的高素质人才[J]. 居舍, 2019(15): 187. |
| [7] |
徐晓红, 李长凤, 杜文学, 等. 基于工程能力培养的土木工程专业课程设计一体化改革研究与实践[J]. 高等建筑教育, 2014, 23(3): 110-113. |
| [8] |
齐东春, 刘章军, 雷进生, 等. 基于工程素养和创新能力培养的土木工程毕业设计模式探讨[J]. 高等建筑教育, 2015, 24(1): 115-118. |
| [9] |
郭晓燕. 土木工程专业毕业设计的改革与实践[J]. 东南大学学报(哲学社会科学版), 2012, 14(S2): 259-260. |
| [10] |
陈敏. 工程范式背景下毕业设计引导策略[J]. 高等建筑教育, 2017, 26(5): 87-90. |
| [11] |
冯玉芹. 土木工程专业毕业设计改革及探索[J]. 东南大学学报(哲学社会科学版), 2012, 14(S2): 122-124. |
| [12] |
康俊涛. 国家特色专业实践教学改革研究——以土木工程专业为例[J]. 黑龙江高教研究, 2013, 31(4): 165-167. DOI:10.3969/j.issn.1003-2614.2013.04.052 |
| [13] |
王景玄, 翟思源, 王文达. 土木工程专业"本科毕业设计"研究型创新人才培养模式探讨[J]. 中国建设教育, 2019, 132(4): 30-34. |
| [14] |
中华人民共和国住房和城乡建设部. 混凝土结构设计规范: GB 50010—2010[S]. 北京: 中国建筑工业出版社, 2011.
|
| [15] |
Esmaeily A, Xiao Y. Behavior of reinforced concrete columns under variable axial loads: analysis[J]. ACI Structural Journal, 2005, 102(5): 736-744. |
2022, Vol. 31

