清华大学土木系与建筑系先后开设过定性结构力学和建筑结构型式概论两门课程,其目的在于让建筑学专业的学生针对不同的环境和条件对建筑结构形式进行合理选择,对结构的受力性能具有初步的分析能力,从而发挥其建筑才华,设计出优秀的建筑物[1]。这两门课程的设置目标符合建筑学专业学生的培养要求,主要强化了基础理论和工程案例教学,教学实践证明其对学生专业素养的提升具有重要的作用。
建筑结构及选型作为一门建筑学专业本科生所学课程,在教学过程中,通过对多类结构体系的工程实例对比,将理论教学与工程实践紧密联系,不断更新工程案例库,让学生对当前新型建筑结构发展的动态有一定的了解,再通过工程案例的分析、研究和讨论,使学生对相关工程问题有更深刻的理解,从而提升其思考、分析和解决问题的能力[2]。
目前,对于建筑学专业的学生,相当一部分人更重视建筑设计等主导课程,而忽略建筑结构等技术类课程,他们往往注重“艺术”的表达,更倾向于“概念”和“想法”,轻视方案后期的技术性细节[3],使得在结构专业方面的知识有欠缺。建筑结构及选型属于建筑结构技术类课程,对其教学方法进行探讨和优化是十分必要的。
一、建筑结构及选型课程的特点 (一)授课内容较多,知识体系覆盖面较广建筑结构及选型课程以材料力学、结构力学和弹性力学为基础,包含了建筑结构基本理论、多高层建筑结构体系和大跨度空间结构体系三个方面的专业知识,具体涉及结构选型的基本原则,建筑结构材料的特点,建筑结构基本构件受力状态和计算,建筑结构荷载的类型和估算,建筑结构构件的破坏准则与设计方法,建筑场地、地基与基础的相关理论基础,以及多高层建筑结构体系和大跨度空间结构体系等相关知识。
(二)部分授课内容与结构专业方向内容相近,授课难度较大现有建筑结构概念与体系的相关教材大多数将土木工程专业的一些专业课,如混凝土结构、钢结构、砌体结构、抗震设计原理等教材加以简单删减和改写,其中的内容不乏枯燥的理论知识、抽象的公式推导,以及复杂的构件设计理论,没有充分考虑建筑学专业的学习目的和要求,使得缺乏结构专业基础知识背景的建筑学专业学生较难理解,从而对学习的积极性产生消极影响。
二、建筑结构及选型课程开设的必要性 (一)建筑学专业本科教育知识体系要求根据全国建筑学专业指导委员会《全国高等学校建筑学专业教育评估标准》相关要求,在建筑技术方面,建筑学专业的学生要熟悉结构体系在保证建筑物的安全性、可靠性、经济性、适用性等方面的重要作用;掌握结构体系与建筑形式之间的相互关系;掌握在设计过程中与结构专业进行合作的内容;熟悉结构体系与建筑形式之间的相互关系;掌握常用结构体系在各种作用力影响下的受力状况及主要结构构造要求;能够在建筑设计中进行合理的结构选型等[4]。建筑结构及选型课程囊括了建筑学专业中建筑结构方面所要求的专业知识,对学生专业素养的培养起到了一定的积极作用。
(二)建筑学专业学生建筑设计的专业性在一项工程中,建筑师需要考虑建筑与场地的关系、周边交通的组织、建筑造型、结构选型、内部流线、功能组织和公共空间设计等事项,建筑师只有掌握了一定的结构专业知识,才能根据结构和材料所应遵循的规律,抛弃繁琐的雕琢与堆砌,力求简约,既符合建筑的空间造型和美学要求,又最大程度地将一项建筑工程做到经济、适用和合理,从而体现出建筑师极高的建筑设计专业水平。
(三)培养学生分析和解决实际问题的能力建筑结构及选型课程在多高层建筑结构体系和大跨度空间结构体系篇章中含有较多的工程案例分析,引领学生对工程案例展开分析和探讨,从中阐释结构理论的内涵,在实际工程实践中进行知识教学,可激发学生学习的积极性和主动性,提高其解决实际问题的能力[3]。在教学过程中,适当更新工程案例库,有助于学生了解新型工程技术和建筑创新理念,把握建筑结构设计的发展脉搏[5]。
(四)建筑师与结构工程师进行有效沟通的桥梁如今,建筑形式日益新颖,体型不断庞大,工程技术日趋复杂,建筑材料更加新型,要完成一项经济、适用、合理的建筑结构工程必须运用到建筑专业、结构工程专业、暖通专业等多个专业的知识和工程技术,需要众多领域的技术人员相互协作。因此,现代建筑师必须具备结构方向的专业基础理论及其他相关专业的基本知识,才能从更深入更长远的角度考虑建筑设计中遇到的问题,就某一工程问题与结构工程师和其他专业工程技术人员进行探讨,从而达到多方有效合作[6]。
基于此,建筑结构及选型课程对于培养学生的专业素养,分析解决问题能力及有效沟通能力具有一定的积极作用。
三、强化结构基本理论的教学方法探索 (一)梁的基本受力特点首先向学生介绍梁在荷载作用时产生弯曲变形和剪切变形。
弯曲变形是指梁的轴线由原来的直线变成了曲线。这种变形下,梁的截面一侧受拉应力,梁的该侧伸长;另一侧受压应力。梁的该侧缩短,梁截面应弯曲变形所受的应力称之为弯曲应力,如图 1(a)。梁中既不受拉也不受压的面层称为中性层,该面与横截面的交线称为中性轴,如图 1(b),弯曲应力大小与距中性轴的距离成正比。
|
图 1 弯曲变形 |
此外,沿梁长将梁垂直切分成几个部分,在荷载作用下,各个部分有向下滑动的趋势,相邻部分的横截面上存在着应力作用,该应力称为“剪应力”。同时,沿梁的横截面将梁切分成若干个薄板,荷载作用下,各薄板发生自由伸缩,各部分将会有沿着薄板面滑移的趋势,从而沿着薄板面产生相应应力,这种应力称为“剪应力”。如此,剪应力是纵向和横向的一对应力,作用于梁的各个部分。因此,在梁中正方形单元上,剪切变形就是欲使正方形变成菱形的变形,如图 2。
|
图 2 剪切变形和剪应力 |
先介绍钢筋混凝土梁截面构造特点。在讲授这一结构类型时首先通过多媒体课件将钢筋混凝土梁的截面形式一一标示出来,并对受拉钢筋、受压钢筋和其他定位尺寸进行标注,如图 3(a),让学生清晰明了地掌握构件的基本材料和构造要求,为后续建立计算模型厘清思路。
|
图 3 双筋矩形截面梁 |
再介绍叠加原理。即“当梁上同时作用几个载荷时,可分别算出每一个载荷单独作用时所引起的变形,然后将所求得的各个变形代数相加,即为这些载荷共同作用时的变形”,这就是叠加原理。梁在荷载作用下弹性变形微小,因而在求得的梁支反力、剪力、弯矩时可直接代入梁的截面尺寸进行计算,且所得结果与梁上荷载成正比。在这种情况下,当梁上有几项荷载作用时,由每一项荷载所引起的梁的支反力或内力将不受其他荷载影响,所以在计算梁的某截面上的作用力时,只需分别算出各项荷载单独作用时在该截面上引起的作用力,然后求其代数和,即得到该截面上的总作用力。
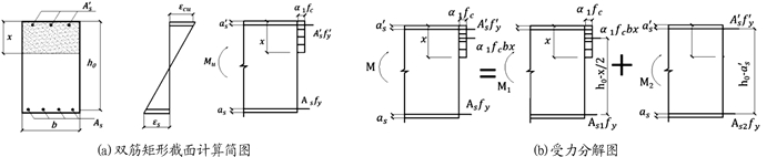
1. 正截面受弯承载力计算公式理解叠加原理后,再通过对双筋截面混凝土中纵筋的作用引出正截面受弯承载力的相关知识点。如图 4所示,为更好地讲解钢筋混凝土梁的极限荷载计算公式,先将钢筋混凝土梁的配筋图进行分解,让学生对该知识点有更进一步的认识。从截面配筋分解图 3(b)中可清晰地看出,受拉钢筋的总面积是AS1和AS2两部分之和,其中AS2是用来抵消AS′所产生的应力,且AS2=AS′, 而AS1与受压区混凝土所造成的压力相抵消[7]。
|
图 4 双筋矩形截面承载力计算 |
据图 4,由力的平衡条件及对受拉钢筋合力点取矩的力矩平衡条件,可得
| $ \sum F_x=0, A_s \cdot f_y=A_s^{\prime} f_y^{\prime}+\alpha_1 f_c b x $ | (1) |
| $ \sum M_{A_S}=0, M_u=\alpha_1 f_c b x\left(h_0-\frac{x}{2}\right)+A_S^{\prime} f_y\left(h_0-a_s^{\prime}\right) $ | (2) |
其中,
尽管上述几何关系非常简单,但当这种关系较多时学生容易混淆,而采用动画形式导入可视化图片能较好厘清以上逻辑关系。再通过相应配筋图的分解和受力分解,让学生对双筋截面梁的正截面受弯承载力的计算公式推导理解更为深刻。以上建立钢筋混凝土梁极限弯矩计算公式的过程一方面是与已知建立联系,仿效已有方法的过程,另一方面也体现了特殊问题特殊处理的思路。笔者采用上述方法开展的教学效果表明,学生能较为快速地掌握讲授内容。
2. 斜截面受剪承载力计算公式进一步引入箍筋的钢筋混凝土梁抗剪作用,介绍斜截面受剪承载力计算公式。
对于梁的三种斜截面受剪破坏形态,在工程设计时都应设法避免,但采用的方式有所不同。对于斜压破坏和斜拉破坏通常控制截面尺寸和构造;对于剪压破坏,因其承载力变化幅度较大、必须通过计算,使构件满足一定的斜截面受剪承载力,从而防止剪压破坏。重点分析梁发生剪压破坏,梁内配有箍筋和弯起钢筋时(图 5),斜截面所承受的剪力设计值由三部分组成(图 6),应用叠加原理,斜截面所承受的剪力设计值为各部分受剪承载力设计值的代数和,即
| $ \sum y=0, V_u=V_c+V_s+V_{s b} $ | (3) |
|
图 5 箍筋和弯起钢筋 |
|
图 6 受剪承载力的组成 |
式中,Vu为梁斜截面受剪承载力设计值;Vc为混凝土剪压区受剪承载力设计值;Vs为与斜裂缝相交的箍筋的受剪承载力设计值;Vsb为与斜裂缝相交的弯起钢筋的受剪承载力设计值。
最后,再分别对上述三部分的受剪承载力计算公式进行讲解。
需要说明的是,尽管上述方法看似简单,但正是由于简单才能保证课堂内容容易被学生接受,而作为直接面向学生的教师,能让课堂简单才有机会让课堂生动。
以上是叠加原理在钢筋混凝土梁正截面受弯承载力计算公式和斜截面受剪承载力计算公式推导过程中的运用。当然,在以上两个计算公式推导过程中如辅以表格,将各种材料的横截面面积、合力的大小及合力到梁顶、底面的距离(或再辅以介绍保护层概念)一一列出,则推导过程会更为清晰。
四、强化案例分析的教学方法探索通过介绍著名建筑师在进行方案设计阶段结合结构体系的受力特点,将建筑艺术与结构技术充分融合,从而产生不朽作品的经典案例,引导建筑专业学生对结构的兴趣和关注。
以英国伦敦滑铁卢国际车站为例,介绍滑铁卢国际车站的项目总体情况,再通过多媒体展示,进行案例分析,指出滑铁卢国际车站屋盖是一个应用结构弯矩图发展出建筑形态的典型工程案例(图 7)。
|
图 7 英国伦敦滑铁卢国际车站 |
由于场地几何形状的特殊性限制,使得结构和屋盖系统的设计方案非常复杂[8]。车站共有五条轨道,受列车通行要求控制,轨道上方的净高要达到一定高度,这是设计的前提条件。由于运营要求最左侧一条轨道非常靠近屋架系统的边界位置,这使得拱形屋架的左侧支座部位拱架必须更加“竖直”才能满足运行所需的最小净高要求。同时业主计划在右上方建造另一个建筑,整个屋面限高15 m,右侧屋盖要尽可能降低高度。此外,火车的进站、出站会使下部结构产生竖向变形,加速、刹车会对下部结构产生水平推力,这些因素对屋盖都会产生不利影响。
建筑师在设计顶棚屋盖时所设想的一个主要原则就是这个屋盖既可以将建筑物的内部空间围合实现遮风挡雨的建筑实用功能,又能够有充足的自然采光,尤其是西侧,对着伦敦市中心和泰晤士河方向的一侧,建筑师设想将这一侧的屋面系统设计成轻盈透明的玻璃幕墙系统。西侧的屋盖实现了采光观景的建筑美学功能,而顶部及东侧的大部分屋盖主要为较重的不透光保温屋盖系统,可以实现建筑的实用功能并尽可能节能,但是如此建筑方案会使整个屋盖结构体系受到了不对称的恒载作用。
综合上述因素,为了减少下部结构不均匀变形对上部屋盖的影响,设计师采用了三铰拱的结构形式。三铰拱是静定结构,支座变形不影响内力。火车站屋盖的形式确定为一侧陡然升起、一侧较为平缓的三铰拱架。采用了不对称的单跨跨越建筑物整个宽度的三铰拱结构体系,在构建三铰拱两拱肢的空间形态时,考虑到拱架受荷特征,按照结构在主要荷载作用下沿主屋架所受的弯矩分布特征,创造性地提出了三角形渐变梭形杆件截面的三铰拱体系。东侧的受拉杆置于主弦杆的下侧,而西侧的受拉杆置于主弦杆的上侧,以使得三铰拱具有最符合力学受力特征的几何形态,这种非对称三铰拱在重力荷载作用下,两侧分别产生上、下两个不同方向的弯矩,张弦拉杆设置的位置与体系在恒载作用下的弯矩图基本一致,弯矩图就是拉索的形态,如图 7(d)。整个屋顶的造型既与内部的使用功能高度统一,又实现了材料的优化布置,同时借助非对称的结构形态活跃了建筑造型。该案例说明结构基本理论的灵活运用也是建筑艺术表现力的重要创新源泉。
五、教学方法特色 (一)由简入繁,化繁为简在结构基础理论的教学中,传统的教学往往是将冗长复杂的公式及理论直接呈现在屏幕上,由于建筑学专业学生结构基础不够扎实,这样的方式会造成摸不着头脑,学习积极性和效率大大降低。教学中,首先,结合动画、图片和相应文字讲解,在荷载作用下梁发生弯曲变形及剪切变形的受力过程和变形状态,让学生对梁受力破坏的机理有一个较清楚的认识,再对钢筋混凝土梁截面中的构造进行一一解析。在了解梁受力破坏机理及相应梁截面构造的基础上,引入如何保证梁的安全性的问题,再进一步介绍叠加原理,并对梁进行受力分析,通过叠加原理这个工具让复杂的情况变得简单化,进而推导出梁的抗弯和抗剪承载力公式。这种由简入繁,化繁为简,层层递进的教学方法可以让学生更好地理解结构基础理论中一些冗长复杂的计算公式,在学习过程中获得满足感,学习积极性显著提高,再结合动画、工程实图和醒目性的字体,以及对部分重点内容板书呈现,使得学生的专注力大大提高。
(二)力与形的完美结合通过案例分析,将理论知识融合在具体的工程问题中,提升学生分析和解决实际工程问题的能力。传统的教学方法往往是对工程中的建筑条件、构造处理和一些参数的选取进行解析,缺少关于建筑外形设计由来的分析。教学中,更多地是对建筑艺术与结构技术充分融合的案例进行讲解,在学生了解工程背景和条件的基础之上,对结构进行简化和受力分析,再结合受力图对建筑外形进行分析,让学生领悟到力与形相结合的魅力,摈弃为了设计而设计的思想,为学生在今后工作中设计经济、适用、合理和美观的建筑物打下坚实基础。
六、结语分析了建筑结构及选型课程特点,揭示了开设这一课程的必要性,最后结合作者的教学经验对一些教学方法进行了初步探讨,主要结论如下。
(1) 建筑结构及选型课程涉及的建筑结构基本理论和结构体系内容较多、标准多,各教学内容的计算理论和计算方法差异较大。
(2) 建筑结构及选型课程可以促进学生温故知新,加深对结构的理解。无论从未来建筑师的从业角度,还是卓越工程师的培养角度都应为建筑类专业本科生开设该课程。
(3) 采用图示方法并结合工程案例分析,通过与已修课程建立联系并对特殊问题作特殊处理,引入结构基本概念和形象化的图形,力争把复杂的推导过程简化,使较为深奥难以理解的结构理论易于被建筑专业学生理解。
(4) 选取引入建筑艺术与结构技术高度融合的著名工程案例分析,介绍项目背景和方案设计中艺术和结构技术完美结合的具体应用,使学生快速进入建筑师角色,提升对结构的兴趣和关注,提高课堂教学的效果。
| [1] |
郝亚明, 江见琼. 建筑结构概念设计与选型[M]. 北京: 机械工业出版社, 2015.
|
| [2] |
郭俊辉, 曹旭华, 王富忠. 案例教学效果的最优模型探索[J]. 高等工程教育研究, 2010(3): 140-144. |
| [3] |
任宜春, 张杰峰. 建筑学专业建筑结构课程教学改革的探索[J]. 中外建筑, 2010(8): 103-104. |
| [4] |
戴秋思, 吴佳璇, 叶自仙, 等. 国内高校建筑学专业建造实践的调研与探索[J]. 高等建筑教育, 2021, 30(2): 120-126. |
| [5] |
胡波. 建筑结构概念设计课程教学案例库建设与案例教学实践[J]. 高等建筑教育, 2018, 27(4): 82-85. |
| [6] |
郭建华, 金康宁. 建筑学专业结构课程教学改革探讨[J]. 高等建筑教育, 1999, 8(4): 48-50. |
| [7] |
李志强, 唐艳娟, 夏多田. 钢筋混凝土结构设计原理教学研究Ⅰ: 双筋矩形截面正截面承载力计算[J]. 教育教学论坛, 2015(14): 160-161. |
| [8] |
胡正宇. 英国滑铁卢国际列车站TRAIN-SHED钢结构顶棚设计[J/OL]. 工业建筑, 2020, [2020-03-30]. https://www.sohu.com/a/384349874_305341.
|
2022, Vol. 31

