纯电动车是新能源汽车的发展方向之一,但动力电池的性能不足成为阻碍纯电动车市场化进程的重要原因[1, 2]。利用超级电容比功率大、效率高及可大电流充放电等优点,引入超级电容组成的复合储能装置,有效弥补了动力电池比功率小、大电流充放电能力弱、使用循环寿命有限等缺点。
目前国内外学者对复合储能装置进行了相关研究,Moren等[3]将超级电容装载到纯电动车上,在不同的循环工况和低温条件下进行了实车道路试验;Viont等[4]对用于混合动力汽车的复合储能装置能量管理策略进行了优化,仿真结果表明复合储能装置能够有效地改善蓄电池的输出电流;Hwang等[5]对燃料电池与蓄电池的复合储能装置进行了研究,且台架试验与道路试验的结果表明复合储能装置系统效率较高;吉林大学的课题组也对车载复合储能装置的混合动力客车进行了参数匹配与能量管理策略的研究[6, 7, 8]。但现有文献主要对混合动力汽车的复合储能装置进行了研究,而针对复合储能装置作为唯一能量源的纯电动汽车研究较少,尤其是在复合储能装置控制策略方面,大多数采用适应性较差的逻辑门限值控制策略,限制了功率的合理分配。
为了进一步提高纯电动车的动力性,改善电池组的输出电流以及延长电池组的使用寿命,笔者采用超级电容和蓄电池组成的复合储能装置作为纯电动车用储能装置,通过合理布局各储能单元,线性优化了各储能单元的关键参数,并提出了基于速度与电流约束策略的模糊逻辑控制策略。
1 复合储能装置的工作原理和结构选择复合储能装置中由于超级电容具有大比功率和大电流充放电下寿命长的特点,且能对蓄电池起“削峰填谷”作用,从而延长蓄电池组的使用寿命,提高纯电动车的动力性。由于超级电容与蓄电池具有不同的电压特性,复合储能装置中需要增加DC/DC功率转换器,从而调节超级电容端电压和控制复合储能装置各储能单元的充放电电流大小。就目前而言,复合储能装置的结构归纳起来如图 1所示[9, 10, 11],其中结构(b)因其结构简单、蓄电池的端电压比超级电容的端电压变化平缓、控制容易等特点而选为本复合储能装置的结构。
|
图1 复合储能装置布局结构示意图 Fig. 1 Different structure of the hybrid energy storage device |
为充分发挥复合储能装置中蓄电池和超级电容的各自优势,并适时提供纯电动车的需求功率,必须针对纯电动车的不同运行状态确定复合储能装置的工作模式并制定相应的控制策略。
2.1 复合储能装置的工作模式由超级电容和蓄电池组成的复合储能装置其电机的平均需求功率由蓄电池来承担,而高于平均功率的差值则由超级电容补充,且在制动时,首先由超级电容回收制动能量。基于复合储能装置的基本工作原理以及纯电动车的行驶工况,可将复合储能装置的工作模式分为以下5种工况模式。
1)启动/加速/爬坡时的工况。
在此工况,电机的需求功率通常较大,此时若仅采用蓄电池提供所需的功率,则蓄电池的电流输出会较大,甚至超出承受极限,造成蓄电池温度急剧上升,寿命降低[12]。因此应由超级电容和蓄电池共同输出功率满足电机的需求,如图 2(a)所示。
|
图2 复合储能装置工作模式示意图 Fig. 2 Different work modes of the hybrid energy storage device |
2)恒定车速行驶,且超级电容储能状态适中时的工况。
在此工况,电机的需求功率往往较小,此时仅采用蓄电池即可满足电机所需的功率,如图 2(b)所示。
3)恒定车速行驶时,且超级电容储能状态较低时的工况。
在此工况,电机的需求功率也较小,由于此时超级电容储能状态较低,蓄电池驱动纯电动车,同时可向超级电容补充能量,以满足纯电动车在超车加速等大功率输出工况下的需求,如图 2(c)所示。
4)制动能量回收时,且超级电容具有储能空间时的工况。
在此工况,由于超级电容具有能量储存空间,且具有大电流充电的优点,故优先采用超级电容回收制动能量,当且仅当超级电容不再具有储存空间时,才用蓄电池回收制动能量,分别如图 2(d)和2(e)所示。
5)纯电动车静止时,蓄电池对超级电容进行补充充电时的工况。
在此工况,由于超级电容所储存的能量不能满足纯电动车一次起步加速的能量需求,利用DC/DC的降压作用,蓄电池对超级电容补充能量,避免下次起步时大电流输出对蓄电池的冲击,如图 2(f)所示。
2.2 复合储能装置的控制策略在确定了复合储能装置工作模式的基础上,需制定复合储能装置的控制策略,以合理分配蓄电池和超级电容之间的能量与功率。通常让蓄电池满足电机驱动过程中所需的平均功率,以保证纯电动车的基本性能,而超级电容主要是满足电机的峰值功率减去平均功率的额外部分,以发挥其比功率高、大电流充放电等特性,从而充分利用超级电容和蓄电池的各自特性。所制定的复合储能装置控制策略如下。
1)速度约束控制策略。
速度约束控制策略主要是根据纯电动车的实际行驶状况使超级电容储存适当的能量。当汽车处于起步状态时,此时需要超级电容放电给予功率上的辅助,从而保证电动汽车的动力性能,因此超级电容应当存储相对较多的能量。当汽车处于较低车速行驶时,超级电容也应当储存较多的能量以保证纯电动车的加速性;而当汽车处于较高车速行驶时,显然是不会再出现对储能装置大功率的输出请求,则此时超级电容的储能状态应该较低,利于在制动时回收更多的能量。
根据超级电容的匹配原则,使其能回收最大的制动能量时,对超级电容组存在式(1)的关系。
| $0.5C\left( V_{\max }^{2}-V_{\min }^{2} \right)N=0.5mv_{\max }^{2}$ | (1) |
而对于其他车速,则需要满足式(2):
| $ 0.5C\left( V_{\max }^{2}-{{V}^{2}} \right)N=0.5m{{v}^{2}}$ | (2) |
结合式(1)、(2),可得车辆的车速与超级电容所处电压值的关系式(3):
| $\frac{V}{{{V}_{\max }}}=\sqrt{1-\left( 1-{{k}^{2}} \right)\cdot {{\left( \frac{v}{{{v}_{\max }}} \right)}^{2}}}$ | (3) |
由于式(1)~(3)中只考虑了汽车理想行驶状态,没有考虑纯电动车在制动能量回收时电机效率和纯电动车行驶阻力等产生的能量损失,从而造成实际应用中电压储存状态有一定的偏差,为了便于修改及优化超级电容的状态值,笔者根据当前车速和蓄电池充电状态来确定超级电容充电状态,如图 3所示。
|
图3 车速、蓄电池充电状态与超级电容充电状态的关系图 Fig. 3 Relationship between vehicle speed and ultra-capacitor SOC under different battery SOC |
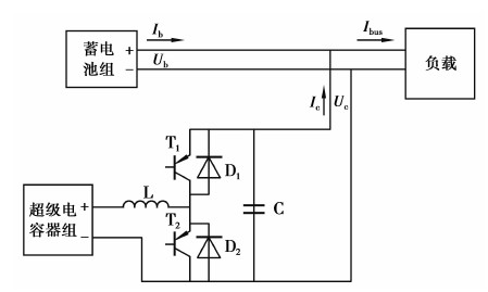
2)电流约束控制策略。
电动汽车若处于频繁的加速、减速或上下坡的工况,此时负载的功率需求波动较大。而当负载电流处于波峰或波谷时,通常会超过蓄电池的承受能力,从而导致蓄电池寿命的缩短及可放出的能量快速降低。复合储能装置中由于超级电容的引入,从而降低了蓄电池的输出电流大小。复合储能装置的结构示意简图如图 4所示。
|
图4 复合储能装置结构示意简图 Fig. 4 Scheme of the hybrid energy storage device |
复合储能装置电流关系有:
| $ {{I}_{\text{bus}}}={{I}_{\text{b}}}+{{I}_{\text{c}}}$ | (4) |
| $-{{I}_{\text{bN}}}\le {{I}_{\text{b}}}\le {{I}_{\text{bp}}}$ | (5) |
| ${{I}_{\text{bN}}}={{k}_{1}}{{C}_{\text{rate}}}$ | (6) |
| ${{I}_{\text{bN}}}={{k}_{2}}{{C}_{\text{rate}}}$ | (7) |
由式(4)、(5)、(6)和(7)得到式(8):
| ${{I}_{\text{bus}}}-{{k}_{2}}{{C}_{\text{rate}}}\le {{I}_{\text{c}}}\le {{I}_{\text{bus}}}-{{k}_{1}}{{C}_{\text{rate}}}$ | (8) |
3)基于速度约束和电流约束的模糊控制策略。
在电流约束控制策略中,虽然对蓄电池的输出电流进行了控制,防止了大电流对蓄电池组的伤害,但在IbN、IbP取值过程中,通常对蓄电池的取值较大,因而也会缩短蓄电池的寿命,且没有考虑超级电容的储能状态,不利于超级电容的辅助作用的发挥。为此,本策略是在基于速度与电流约束策略的基础上,应用模糊控制思想[13, 14],根据蓄电池、超级电容所处的储能状态及需求功率参数,更好地控制超级电容辅助蓄电池组的充放电过程,从而在不降低汽车动力性的前提下,使蓄电池组更少地面对大电流冲击。
此模糊控制器的设计采用了三输入、单输出的Mamdani结构,三输入分别为需求功率Pe、蓄电池荷电状态SOCbat和超级电容荷电状态SOCuc,输出为蓄电池的功率分配比例大小Kbat,其定义为蓄电池输出功率与电机需求功率的比值。需求功率的论域为{负大,负中,负小,正零,正小,正中,正大},可表示为{NB,NM,NS,ZE,PS,PM,PB}。蓄电池荷电状态论域为{小,中,大},可表示为{BS,BM,BB}。超级电容荷电状态论域为{小,中,大},可表示为{US,UM,UB}。蓄电池的功率分配比例的论域为{很小,小,中,大,很大},可表示为{TS,S,M,B,TB}。其输入输出变量的各自隶属度函数如图 5所示。
|
图5 输入输出变量的隶属度函 Fig. 5 Membership functions of input and output variables |
基于工程经验及定义的模糊论域,笔者采用IF-THEN规则制定了63条模糊控制规则。限于篇幅,只列出了当超级电容器荷电状态SOCuc的论域为UM(中)时的模糊控制规则表,如表 1所示。
| 表1 超级电容器SOCuc的论域为UM时的模糊规则表 Table 1 Fuzzy rule table when SOCuc is UM |
对于复合储能装置,常需要讨论两个参数,一个是质量比,另一个是混合比[15]。质量比是指复合储能装置占整车整备质量的比例,而混合比指超级电容占复合储能装置质量的比例。
通过定性分析易知,当同等的车辆质量下(不包括储能单元),质量比越大,储存能量越多,续驶里程越长,但由于汽车的行驶阻力与其质量成正比,如果继续增大储能装置的质量,就会使单位里程耗能增加,甚至续驶里程减少。
当混合比较小时,在一定范围内增加其值,则复合储能装置能输出更大的功率,能有效提高动力性能,若混合比继续增加,使复合储能装置输出功率等于电机的最大需求功率时,动力性能的增加将达到极限,如果还继续增加,由于单位质量储存的能量将减少,从而缩短续驶里程。
在纯电动车行驶过程中,复合储能装置通过电机驱动汽车,需要满足关系式(9):
| ${{P}_{\text{b}}}+{{P}_{\text{c}}}\ge {{P}_{\text{e}}}$ | (9) |
| ${{P}_{\text{b}}}={{m}_{\text{z}}}{{\eta }_{\text{m}}}\left( 1-{{\eta }_{\text{h}}} \right){{\bar{P}}_{\text{b}}}$ | (10) |
| ${{P}_{\text{c}}}={{m}_{\text{z}}}{{\eta }_{\text{m}}}{{\eta }_{\text{h}}}{{\bar{P}}_{\text{c}}}$ | (11) |
| $ {{m}_{\text{z}}}={{m}_{\text{e}}}+{{m}_{\text{d}}}={{m}_{\text{z}}}{{\eta }_{\text{m}}}+{{m}_{\text{d}}}$ | (12) |
| $\frac{{{m}_{\text{d}}}}{1-{{\eta }_{\text{m}}}}{{\eta }_{\text{m}}}\left( 1-{{\eta }_{\text{h}}} \right){{\bar{P}}_{\text{b}}}+\frac{{{m}_{\text{d}}}}{1-{{\eta }_{\text{m}}}}{{\eta }_{\text{m}}}{{\eta }_{\text{h}}}{{\bar{P}}_{\text{c}}}\ge {{P}_{\text{e}}}$ | (13) |
通常汽车在水平路面行驶时应具有一定的加速性能,在GB/T 28382—2012中规定0~50 km/h的加速时间不超过10 s。其中在水平加速时,需满足以下汽车行驶方程:
| ${{F}_{\text{t}}}={{F}_{\text{w}}}+{{F}_{\text{f}}}+\delta {{m}_{z}}a={{F}_{\text{w}}}+F+\delta {{m}_{z}}\frac{\text{d}v}{\text{d}t}$ | (14) |
把${{F}_{\text{f}}}={{m}_{z}}gf$和${{F}_{\text{w}}}=\frac{{{C}_{D}}A{{v}^{2}}}{21.15}$代入式(14)中得
| $\frac{\text{d}v}{\text{d}t}=\frac{\frac{iT}{r}-\frac{{{m}_{\text{d}}}}{1-{{\eta }_{\text{m}}}}gf-\frac{{{C}_{D}}A{{v}^{2}}}{21.15}}{\delta \frac{{{m}_{\text{d}}}}{1-{{\eta }_{\text{m}}}}}$ | (15) |
同理,可推导出爬坡度和质量比的关系为
| $\sin \alpha =\frac{{{F}_{\text{t}}}+{{F}_{\text{w}}}-{{F}_{\text{f}}}}{{{m}_{z}}g}=\frac{\frac{iT}{r}-\frac{{{m}_{\text{d}}}}{1-{{\eta }_{\text{m}}}}gf-\frac{{{C}_{D}}A{{v}^{2}}}{21.15}}{\frac{{{m}_{\text{d}}}}{1-{{\eta }_{\text{m}}}}g}$ | (16) |
| $\frac{iT}{r}-\frac{{{m}_{\text{d}}}}{1-{{\eta }_{\text{m}}}}gf-\frac{{{C}_{D}}A{{v}^{2}}}{21.15}=0$ | (17) |
在复合储能装置中,各储能单元的组合还影响着纯电动车的续驶里程,这里忽略纯电动车附件功率的损耗,主要考虑车辆行驶过程中克服道路阻力和空气阻力所消耗的能量,并假定车辆行驶在平坦路面上,且为匀速行驶状态。
复合储能装置的能量总和为蓄电池组和超级电容组的总和,即
| $E={{m}_{\text{c}}}{{\bar{E}}_{\text{c}}}+{{m}_{\text{b}}}{{\bar{E}}_{\text{b}}}={{m}_{\text{z}}}{{\eta }_{\text{m}}}{{\eta }_{\text{h}}}{{\bar{E}}_{\text{c}}}+{{m}_{\text{z}}}{{\eta }_{\text{m}}}\left( 1-{{\eta }_{\text{h}}} \right){{\bar{E}}_{\text{b}}}$ | (18) |
| ${{P}_{\text{fw}}}={{m}_{\text{z}}}gfv+\frac{{{C}_{\text{D}}}A{{v}^{3}}}{21.15}=\frac{{{m}_{\text{d}}}}{1-{{\eta }_{\text{m}}}}gfv+\frac{{{C}_{\text{D}}}A{{v}^{3}}}{21.15}$ | (19) |
| $ S=v\frac{E{{\eta }_{\text{all}}}}{{{P}_{\text{fw}}}}$ | (20) |
综合式(18)~(20),可得出单位里程所消耗的能量e为:
| $e=\frac{E}{S}=\frac{E}{v\frac{E{{\eta }_{\text{all}}}}{{{P}_{\text{fw}}}}}=\frac{{{P}_{\text{fw}}}}{v{{\eta }_{\text{all}}}}=\frac{\frac{{{m}_{\text{d}}}}{1-{{\eta }_{\text{m}}}}gfv+\frac{{{C}_{D}}A{{v}^{3}}}{21.15}}{v{{\eta }_{\text{all}}}}$ | (21) |
从式(21)中可以得出单位里程所消耗的能量e和质量比ηm成反比,即可让复合储能装置的总质量在满足续驶里程的前提下尽量偏小。
对于超级电容,设计中主要考虑其辅助充放电时的大电流工况。其大电流放电时的能量交换小于大电流充电时从最高速刹车时的制动工况。设计中应考虑最高速刹车时的制动能量回收,其关系式需要满足:
| ${{m}_{\text{z}}}{{\eta }_{\text{m}}}{{\eta }_{\text{h}}}{{\bar{E}}_{\text{c}}}\ge 0.5{{m}_{z}}v_{h}^{2}{{\eta }_{\text{breake}}}$ | (22) |
通过以上分析,代入相关的数据进行各种性能约束后,得到约束后的质量比和混合比的可行域,如图 6所示。现选择3个比较有代表性的点进行阐述。A 点,刚好满足续驶里程要求,且动力性最好,此时的储能装置搭配适合于偏重动力性而对续驶里程没有高要求的纯电动车。B点的质量比和混合比均有缺陷,此时的储能装置搭配使纯电动车的能耗及动力性均变差。C点,刚好满足对能耗限制的要求,且续驶里程是最长的,但动力性相对较差,此时的储能装置搭配适合于偏重续驶里程而对动力性没有高要求的纯电动车。权衡各影响因素,选择处于K点时的储能装置(质量比为0.3,混合比为0.2)作为复合储能装置的特征参数。可算得超级电容组muc为85.71 kg,蓄电池组mbat为342.86 kg。
|
图6 质量比与混合比的可行域 Fig. 6 Feasible region about mass ratio and mixture ratio |
为了验证加装复合储能装置的纯电动汽车的优越性及所采用的控制策略的有效性,利用仿真软件Matlab/Simulink建立整车模型进行仿真实验。加装复合储能装置的纯电动汽车的整车总质量为1 420 kg,迎风面积为2 m2,滚动阻力系数为0.012,空气阻力系数为0.335,其他主要参数如表 2所示。
| 表2 加装复合储能装置的纯电动汽车的主要参数 Table 2 Main parameters of the pure electric vehicle with the hybrid energy storage device |
纯电动车的动力性是其重要的评价指标之一,为检验所提出控制策略复合储能装置的性能,进行了纯电动车起步加速至100 km/h的加速性能仿真研究,结果如图 7所示。由仿真结果可知,由于超级电容的功率辅助作用,加装复合储能装置的纯电动车的加速时间比只采用蓄电池的纯电动车减小了12%。
|
图7 加速过程对比曲线图 Fig. 7 Comparison of the curve chart about the acceleration |
图 8为纯电动车从0加速至50 km/h时各储能单元的电流输出特性。从仿真结果可得出,仅采用蓄电池时,其最大输出电流超过140 A。而采用复合储能装置时,蓄电池的输出电流降为17.5 A,但此时超级电容的输出电流为400 A,充分发挥了超级电容能够大电流充放电的优势。
|
图8 各储能单元输出电流曲线图 Fig. 8 Output current of energy storage units |
为了进一步评价装配复合储能装置的纯电动车在城市道路行驶状况下的输出功率、蓄电池的电流输出状态以及整车能耗,选用NYCC循环工况作为整车仿真行驶工况,对纯电动车在城市道路行驶状况下的性能进行仿真,仿真结果如图 9~13所示。
|
图9 仅采用蓄电池时的实际车速和目标车速 Fig. 9 Actual velocity and target velocity when the vehicle equipped with battery only |
由图 9、10得出,当仅采用蓄电池时,由于其输出功率的能力有限,实际车速在某些局部高功率需求时不能很好地跟随目标车速,而采用复合储能装置的纯电动车,实际车速能很好地跟随目标车速。
|
图10 采用复合储能装置的实际车速和目标车速 Fig. 10 Actual velocity and target velocity when the vehicle equipped with the hybrid energy storage device |
从图 11~13可得出,对于只使用蓄电池的纯电动车,其输出电流在点A、B、C处出现峰值,且不能满足纯电动车驱动的需要,而采用复合储能装置后,由于超级电容起到“削峰填谷”的作用,使蓄电池对应的A′,B′,C′点处的输出电流较为理想。且由于超级电容的加入,储能单元的输出能力增加,更好地满足了循环工况中纯电动车的功率需求。
|
图11 仅采用蓄电池的电流输出情况 Fig. 11 Output current of battery when the vehicle equipped with battery only |
|
图12 采用复合储能装置时蓄电池输出电流曲线 Fig. 12 Output current of battery when the vehicle equipped with the hybrid energy storage device |
|
图13 采用复合储能装置时超级电容输出电流曲线 Fig. 13 Output current of ultra-capacitor when the vehicle equipped with the hybrid energy storage device |
在NYCC循环工况下,两种储能装置的能耗仿真结果如表 3所示。对于装载复合储能装置的纯电动车,虽然蓄电池在整个循环工况中对超级电容补充2.46 kW·h的电能,但相对于蓄电池,超级电容具有较高的能量转换效率和大电流快速充电特性,使得复合储能装置的制动回收能量增加了39%,最终装配复合储能装置的纯电动车的百公里耗电量比仅采用蓄电池的纯电动车减少了8.55%,有效地延长了纯电动车的续驶里程。
| 表3 不同储能装置的仿真结果 Table 3 Simulation results equipped with different energy device kW·h |
1)根据复合储能装置的特性及其控制目标,确定了其不同的工作模式,提出了基于速度与电流约束控制的模糊控制策略。
2)基于优化后的复合储能装置,进行了加速与城市道路工况下的性能仿真,结果表明:复合储能装置有效地提高了纯电动车的动力性和制动能量回收率,降低了蓄电池的输出电流和整车百公里耗电量,延长了蓄电池的使用寿命和纯电动车的续驶里程。
3)进一步的研究工作将围绕纯电动车复合储能装置台架试验展开,通过进行包括加速时间、最大爬坡度、续驶里程等动力性及能耗特性台架试验,以验证所提出控制策略的有效性。
| [1] | 赵航.混合动力电动汽车技术[M].北京:机械工业出版社,2012. ZHAO Hang. Hybrid electric vehicle technology[M]. Beijing: China Mechane Press,2012.(in Chinese)( 1) |
| [2] | 秦大同,王禹寒,胡明辉.考虑运行工况的纯电动汽车动力传动系统参数设计[J].重庆大学学报,2014,37(1):7-14. QIN Datong,WANG Yuhan,HU Minghui. Powertrain of parameter design for the electric vehicle considering driving cycle[J].Journal of Chongqing University,2014,37(1):7-14.(in Chinese)( 1) |
| [3] | Moren J,Ortuzar M E,Dixon J W. Energy-management system for a hybrid electric vehicle,using ultra-capacitors and neural networks[J]. IEEE Transaction on Industry Applications,2006,53(2):614-623.( 1) |
| [4] | Vinot E,Trigui R. Optimal energy management of HEVs with hybrid storage system[J]. Energy Conversion and Management,2013,76(30):437-452.( 1) |
| [5] | Hwang J J,Wei R C. Characteristic study on fuel cell/battery hybrid power system on a light electric vehicle [J]. Journal of Power Sources,2012,207(3):111-119.( 1) |
| [6] | 闵海涛,刘杰,于远彬,等.混合动力汽车复合电源参数优化与试验研究[J].汽车工程,2011,33(12):1078-1083. MIN Haitao,LIU Jie,YU Yuanbin,et al. Parameters optimization and experiment study on ultra-capacitor/battery hybrid energy storage for a HEV[J]. Automotive Engineering,2011,33(12):1078-1083.(in Chinese)( 1) |
| [7] | 王庆年,曲晓冬,于远彬.基于目标工况的复合电源混合动力客车优化匹配[J].吉林大学学报:工学版,2013,43(5):1153-1159. WANG Qingnian,QU Xiaodong,YU Yuanbin. Optimal matching of HEV with composite electric power supply[J]. Journal of Jilin University:Engineering and Technology Edition,2013,43(5):1153-1159.(in Chinese)( 1) |
| [8] | 于远彬,王庆年,王伟华,等.应用复合电源的轻度混合动力汽车的参数匹配[J].吉林大学学报:工学版,2009,39(2):281-285. YU Yuanbin,WANG Qingnian,WANG Weihua,et al. Parameter matching of mild hybrid electric vehicle with compound power supply[J]. Journal of Jilin University:Engineering and Technology Edition,2009,39(2):281-285.(in Chinese)( 1) |
| [9] | Kuperman A,Aharon I. Battery-ultracapacitor hybrids for pulsed current loads:A review[J]. Renewable and Sustainable Energy Reviews,2011,15(2):981-992.( 1) |
| [10] | Cao J,Emadi A. A new battery/ultra-capacitor hybrid energy storage system for electric,hybrid,and plug-In hybrid electric vehicles [J].IEEE Transactions on Power Electronics,2012,27(1):122-131.( 1) |
| [11] | Bolborici V,Dawson F P,Lian K K. Hybrid energy storage systems:Connecting batteries in parallel with ultra-capacitors for higher power density[J]. Industry Applications Magazine IEEE,2014,20(4):31-40.( 1) |
| [12] | 胡春花.纯电动大客车复合电源系统能量管理关键技术研究[D]. 镇江:江苏大学,2012. HU Chunhua. Research on key technologies of supply energy management for electric bus[D].Zhenjiang:Jiangsu University,2012.(in Chinese)( 1) |
| [13] | 胡洪祥,秦大同,舒红,等.ISG型混合动力汽车模糊控制策略及仿真[J].重庆大学学报(自然科学版),2006,29(11):1-5. HU Hongxiang,QIN Datong,SHU Hong,et al. Fuzzy Control Strategy and Simulation for ISG-Type Hybrid Electric Vehicles[J]. Journal of Chongqing University:Natural Science Edition,2006,29(11):1-5.(in Chinese)( 1) |
| [14] | García P,Torreglosa J P,Fernández L M,et al. Control strategies for high-power electric vehicles powered by hydrogen fuel cell,battery and supercapacitor[J]. Expert Systems with Applications,2013,40(12):4791-4804.( 1) |
| [15] | Chau K T,Wong Y S. Hybridization of energy sources in electrics vehicle[J]. Energy Conversion and Management,2001,42(9):1059-1069.( 1) |
2016, Vol. 39


1)