曹净 , 孙华峰 , 黄思洋 , 孔程 , 刘方毅 , 刘富华 , 田林 , 朱伟明
2025, 47(2):1-12. DOI: 10.11835/j.issn.2096-6717.2022.144
摘要:在云南环滇池、洱海地区,泥炭土地基的处理是实际工程项目的难题,仅依靠普通水泥加固泥炭土已不能满足要求。在有机质含量较低的冲洪积黏性土中掺入胡敏酸、水泥,并变化超细水泥(UFC)掺入占比,制备成水泥土试样。将试样浸泡在富里酸液中,以模拟泥炭土环境中的水泥土,通过对浸泡时间为28、90 d的水泥土试样进行无侧限抗压强度(UCS)试验和扫描电镜(SEM)试验,分析掺入UFC对泥炭土环境中水泥土强度的影响。结果表明:在不考虑胡敏酸和富里酸的影响时,掺入UFC可明显提高水泥土的UCS,其细颗粒快速水化,生成大量胶凝产物,提升了土体骨架的联结性并填充了孔隙;UFC掺入占比增加后,因细颗粒过多,形成的团聚体结构降低了水泥的水化速率和水化程度,进而使得水泥土的UCS增长率不明显;泥炭土环境下,胡敏酸在物理和化学方面都对水泥土的UCS产生了显著的削弱作用,而UFC凭借其粒径小、表面能高、结合能力强的特点,能适当削弱胡敏酸对水泥土造成的不利影响。此外,富里酸对浸泡时间为28、90 d的水泥土UCS具有一定的增强作用,而且添加UFC可适当促进富里酸对水泥土UCS的增强效果。扫描电镜(SEM)试验结果表明,随着UFC掺量的增加,水泥水化产物明显增多,水化产物和土颗粒间的胶结作用明显增强,水泥土孔隙的孔径显著减小,连通性显著降低,结构整体性增强。
2025, 47(2):13-19. DOI: 10.11835/j.issn.2096-6717.2023.153
摘要:利用月面原位资源制备建筑结构材料是降低月球基地建设造价的重要手段。在制备模拟月壤的基础上,对辐射烧结硬化模拟月壤的物理和力学性能进行研究。结果表明:以火山渣为原材料,可以通过烘干、除杂、粉碎、筛分等处理来制备模拟月壤;在微观形态、颗粒级配、化学组成、矿物组成等方面,制备的模拟月壤与真实月壤和既有的模拟月壤都具有较好的相似性;通过辐射烧结实现模拟月壤硬化,研究烧结温度和模拟月壤颗粒级配对硬化月壤表观密度、烧结收缩率和质量损失率的影响;通过单轴压缩试验明确了硬化模拟月壤的力学性能;烧结温度和模拟月壤颗粒级配对烧结硬化月壤的力学性能有显著影响;在单轴压缩试验破坏前,试件没有发生明显塑性变形,弹性模量无明显变化,近似理想线弹性材料。
2025, 47(2):20-29. DOI: 10.11835/j.issn.2096-6717.2024.048
摘要:为探究微生物固化月壤作为建筑材料的潜力,通过微生物诱导碳酸钙沉淀(MICP)对模拟月壤CQU-L1和CQU-L2进行加固,对不同加固次数和不同胶结液(CS)浓度的固化模拟月壤进行无侧限抗压试验、剪切波速试验及扫描电镜SEM微观观测。结果表明:随着MICP加固次数和胶结液浓度的增加,固化模拟月壤强度提升显著。相同加固次数下,固化模拟月壤的强度随胶结液浓度的提升而提升,用浓度为2.0 mol/L的胶结液加固12次的试样峰值强度可达1.303 MPa。土体剪切波速与无侧限抗压强度增加的趋势相似,最大剪切波速可达508 m/s。微生物注浆加固对模拟月壤CQU-L1的加固效果较CQU-L2差,原因在于模拟月壤CQU-L1颗粒较细,在相同加固次数下,其渗透性下降更显著,使得有效加固次数降低。SEM试验结果表明:随着加固次数和胶结液浓度的增加,固化模拟月壤孔隙中形成更为明显的致密结构,并且碳酸钙以球霰石为主。微生物加固有望为月球建造提供一种新的方式,但需要根据月壤的级配以及月壤的物理化学特性对加固方法进行改进。
2025, 47(2):30-38. DOI: 10.11835/j.issn.2096-6717.2023.010
摘要:胶结物对花岗岩残积土的力学性质有着重要的影响。以高岭石粉、蒙脱石粉、伊利石粉、红黏土粉代替花岗岩残积土细粒制作重塑土样,分别开展抗压、抗剪、抗拉及崩解试验,研究不同胶结剂对土体力学强度的影响。结果表明:经过高岭土处理的土体颗粒团聚体增多,团聚体之间形成了强度较高的骨架结构,但骨架间大量孔隙的存在为水的侵入提供了通道,导致土体的吸水性增强。受益于蒙脱石的遇水膨胀特性,其处理后的土体表面孔隙较少、结构密实,且膨胀体提供了高强度的胶结能力,使土体的各种力学性能得到明显改善。伊利石处理土样的各种力学强度都较低,但土体表面看起来比较密实,从土体表面分散的颗粒来看,伊利石粉更多是作为细粒材料填充大颗粒之间的孔隙,而不是作为强度较高的胶结物存在于土体颗粒之间。经过物理击实,由于受到压缩,颗粒之间咬合作用增强;同时,经过长时间的水化反应,胶结物在颗粒表面形成桥状胶结,在物理和化学的共同作用下,土体的力学强度得到大幅提升。胶结物的种类会对力学性能产生极大影响,一方面取决于其自身特性,如蒙脱石的遇水膨胀特性,另一方面取决于其对土体的结合作用,土样的抗压、抗剪、抗拉及抗崩解能力受制于胶结物与土样的结合方式。
2025, 47(2):39-48. DOI: 10.11835/j.issn.2096-6717.2023.105
摘要:由于长期受冷热交替作用的影响,石窟寺岩体力学特性随之发生变化,给石窟寺的保护利用工作造成影响。以重庆大足石刻石窟砂岩为研究对象,通过三轴压缩试验对大足石刻砂岩的力学特性进行研究,温度变化过程设计为高温(60 ℃)、常温(25 ℃)、低温(0 ℃),并设置不同冷热循环次数(5、10次)、不同高温和低温持续时间(2、4 h)、不同冷却方式(自然冷却和水冷却)等多种试验工况,以分析不同温度变化对大足石刻砂岩的峰值应力和应变、弹性模量、内摩擦角、黏聚力和破坏形态的影响。结果表明:经过冷热循环作用后,砂岩的力学性能发生劣化,强度、弹性模量、黏聚力和内摩擦角不同程度减小;砂岩的峰值应变增加;三轴压缩的破坏形式以单剪切面的剪切破坏为主,经过冷热循环后,破坏变复杂,出现“Y”型共轭剪切破坏;围压可以改善力学性能,增加岩样强度和弹性模量。
2025, 47(2):49-56. DOI: 10.11835/j.issn.2096-6717.2023.005
摘要:在深地质处置库运营过程中,作为缓冲层材料的膨润土将长期处于高温强碱环境中,其物理性能会随时间发生劣化效应。为探讨高温强碱条件下膨润土物理性能的时效性,对MX-80膨润土粉末进行不同时长(t=0、15、30、45、60、90 d)的高温强碱作用预处理(温度T=90 ℃,碱溶液浓度CNaOH=0.5 mol/L),通过室内试验研究了MX-80膨润土的比重、比表面积和膨胀指数等物理性能指标随反应时长t的变化规律,并选择部分代表性试样进行X射线衍射(XRD)试验和热重分析(TGA)试验,从微观角度对高温强碱条件下膨润土物理性能的时效性进行解释。结果表明,高温强碱作用预处理后,MX-80膨润土的比重、比表面积和膨胀指数在0~45 d内急剧下降,45 d后趋于稳定,90 d后三者降幅分别为13.6%、18.5%、58.1%;膨润土的主要矿物蒙脱石含量大幅减少,钠长石含量有所增加,90 d后二者变化量分别为-23.3%、+3.7%;膨润土颗粒吸附的自由水、弱结合水和强结合水的含量减少,90 d后三者含量分别减少2.84%、0.13%、0.24%;高温强碱条件下膨润土物理性能随时间发生劣化效应的根本原因在于膨润土中有效成分蒙脱石发生溶解,其含量下降导致比重、膨胀指数和比表面积降低。
2025, 47(2):57-65. DOI: 10.11835/j.issn.2096-6717.2022.120
摘要:预制竖向排水板(PVD)-真空预压技术是处理疏浚淤泥地基常用的有效方法之一。然而,在使用真空预压法处理疏浚淤泥过程中,PVD周围会产生自上而下半径逐渐减小的致密土层(土柱),从而延缓土体的固结速率。针对该问题,假设土柱半径随深度呈线性衰减,并基于等应变假设,在Hansbo固结理论的基础上推导了考虑土柱半径随深度衰减的固结方程;利用该方程进行计算,探究土柱淤堵区的渗透系数大小、土柱半径的大小以及土柱半径的衰减程度对土体固结速率的影响,并与已有室内试验实测数据进行对比。结果表明:土柱淤堵区渗透系数越小,孔压消散越慢,固结速率越小;随着土柱半径的逐渐增大,土体的固结速率逐渐降低;土柱半径衰减后的残余系数越小,土柱半径衰减程度越大,对软弱区土体固结的影响越小,土体的固结速率越快;在考虑土柱半径衰减的情况下,计算结果与试验实测结果吻合较好。
2025, 47(2):66-75. DOI: 10.11835/j.issn.2096-6717.2022.143
摘要:为实现泥水盾构废弃渣土的资源化利用,在石灰这一传统改良材料的基础上,通过掺入碱渣、脱硫石膏等工业废渣,以期将盾构渣土改良为路基填料。通过室内击实试验、CBR试验、无侧限抗压强度试验、干湿循环试验以及微观试验,研究石灰-碱渣、石灰-脱硫石膏改良盾构渣土的力学性能及其浸水稳定性与耐久性,并分析其改良机理。结果表明:掺入改良材料后,渣土的力学性能得到很大改善,水稳性与耐久性也大幅提高,具有较好的路用力学性能,其中石灰-脱硫石膏组的整体水稳性与耐久性优于石灰-碱渣组。干湿循环过程中,掺入3%脱硫石膏的试样耐久性相对较好,在循环期间仅出现细小裂缝并未贯穿试样。经过石灰与脱硫石膏等复合改良后,盾构渣土具有良好的路用力学性能,可以作为路基填筑材料使用。
2025, 47(2):76-88. DOI: 10.11835/j.issn.2096-6717.2024.015
摘要:作为地震滑坡治理中最常见的支护结构体系之一,桩锚结构在强震作用下抗震韧性的提升已成为当前工程领域研究的热点。通过引入黏滞阻尼器以及ECC韧性构件对桩锚结构抗震性能进行优化,并基于振动台试验从宏观破坏现象、模型动力特性、加速度响应、桩身位移响应、动态弯矩响应、动态轴力响应等方面分析新型桩锚结构的动力响应特征。结果表明,阻尼器的设置能有效降低锚索动态轴力并防止其累积,最大降低幅度可达47%,随着震级的升高,降低幅度先增大再减小,并可以通过阻尼器的优化设计对其进行调节;ECC材料的使用则提高了桩身变形能力,增强了地震作用下抗滑桩的耗能能力,克服了因设置阻尼器位移有所增大的问题;两者的联合作用显著改善了桩锚结构的抗震性能;地震波频谱特性对新型结构地震响应规律有显著影响,含有接近边坡基频的频率分量越多,地震波动力放大效应越突出,与Sine_5Hz地震波作用相比,汶川波作用下坡顶PGA放大系数增幅可达100%。
2025, 47(2):89-97. DOI: 10.11835/j.issn.2096-6717.2023.028
摘要:为研究水平荷载作用下竖向负载岩质边坡单桩承载特性,鉴于开展动力学试验较为困难和复杂,采用拟静力试验方法,以相似材料模拟岩体及桩基,施加竖向与水平荷载,开展3组试验,分析不同坡度及桩岩弹性模量比下桩身弹性弯矩、桩周岩石压力及桩顶滞回曲线的变化规律。结果表明:岩质边坡桩基水平承载力主要与埋深3D(D为桩径)以上范围内的浅层坡体有关;下坡向岩体的破坏形式与土质边坡类似,经历了裂缝出现,破坏面发育、浅层坡体破坏3个阶段,但上坡向岩体并未形成完整破坏面;桩基最终剪切破坏表明,在中风化岩质边坡条件下,水平承载力主要由桩身强度控制;坡度主要影响上坡向承载力,当坡度由15°变化为30°时,上坡向承载力提高了41.3%,下坡向承载力仅提高了0.15%,而当桩岩弹性模量比由2.8变为0.9时,正向承载力提高了80.7%,负向承载力也提高了73.5%。
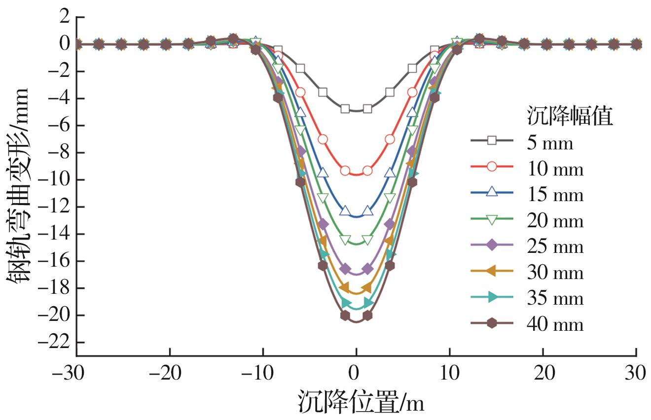
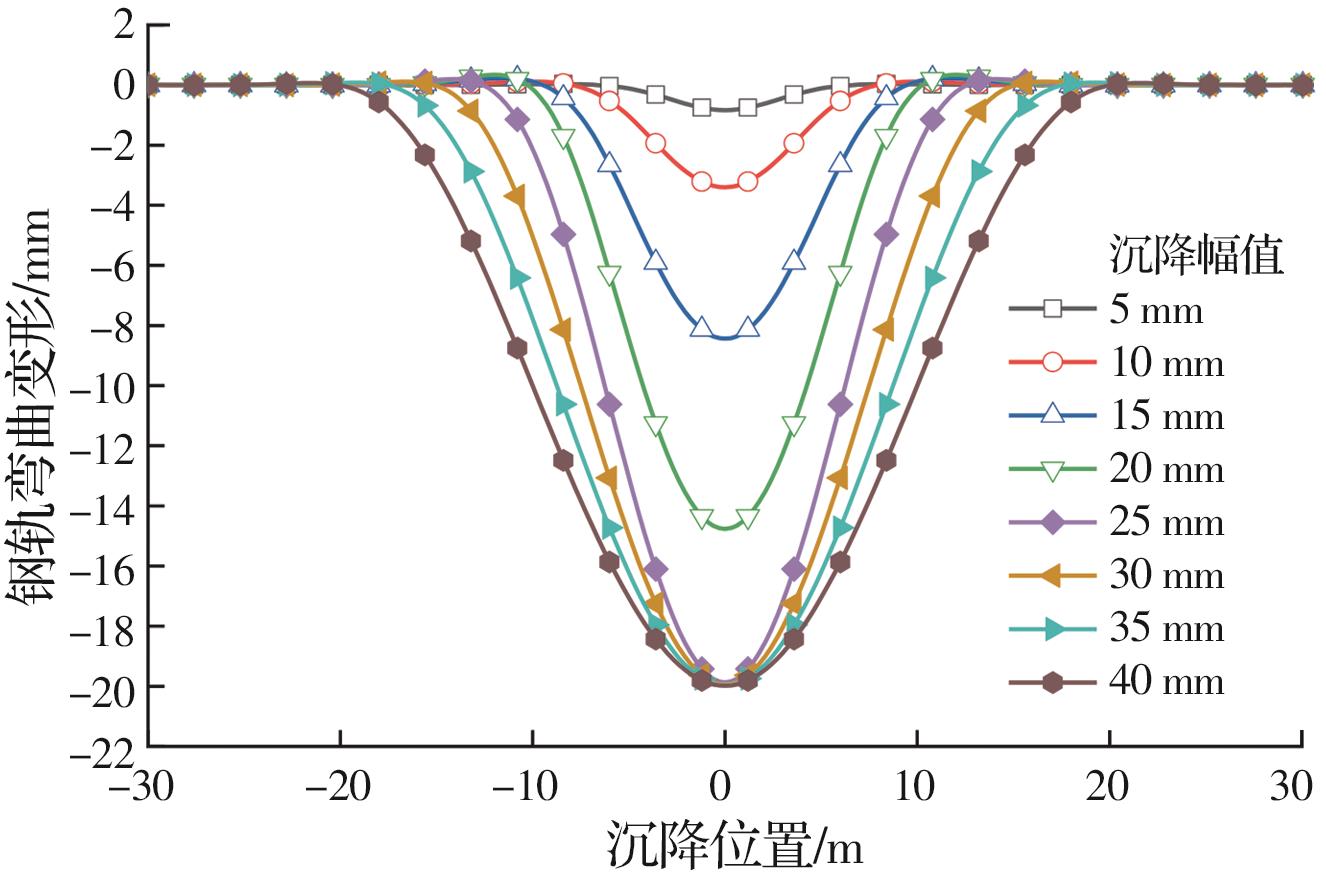
2025, 47(2):98-106. DOI: 10.11835/j.issn.2096-6717.2023.008
摘要:基于无拉力Pasternak地基叠合梁理论,提出考虑土体剪切和层间脱空的轨道变形解析法,探讨路基不均匀沉降对双块式无砟轨道受力变形的影响规律。引入Heaviside阶梯函数描述轨道与路基的脱空行为,采用有限差分法求解微分控制方程,建立三维梁-体空间有限元模型对比验证分析解析模型的适用性并确定其适用范围。结果表明:路基沉降变形较平缓时,解析模型与有限元模型计算结果几乎无差异,随着路基沉降变形加剧,两种模型计算偏差越来越大;在路基沉降波长为20 m的工况下,沉降幅值超过21 mm时,解析模型不再适用;在给定路基沉降幅值为20 mm的条件下,解析模型适用于沉降波长大于19.8 m的路基沉降工况。
2025, 47(2):107-115. DOI: 10.11835/j.issn.2096-6717.2022.128
摘要:地下电力管线常以箱涵包裹的形式埋于土体,当地下工程施工涉及此类既有管线时,一般采用原位支撑保护法确保箱涵在施工过程中的稳定性,目前,支撑保护法中支撑点间距的确定主要依赖工程经验。考虑箱涵截面属性以及在土中的沉降效应,分别建立箱涵中跨段和端部的力学模型,计算箱涵竖向位移,推导支撑点容许最大间距值,提出原位支撑保护下埋地箱涵支撑点间距计算方法,以南京地铁五号线云南路站大直径管涵原位保护工程实例验证该计算方法的准确性和工程适用性,并通过数值模拟进一步分析埋地箱涵全跨纵向变形规律和参数敏感性。研究表明:箱涵边跨段支撑点间距为8 m,中跨段间距为8.73 m,全跨总计至少需要设置12个支撑点;在参数放大3倍范围内,随着加固深度、宽度、土体压缩模量的增加,箱涵位移逐渐变小。
吕岸霖,张凯,吴振宇,王建新,范佰通,彭琦,柴德华,王邦浩,朱建波
2025, 47(2):116-125. DOI: 10.11835/j.issn.2096-6717.2023.014
摘要:为有效降低爆破施工对邻近建(构)筑物的动态扰动,以深圳地铁16号线1号综合井基坑爆破工程为依托,开展减振孔减振效应现场试验研究。通过对不同参数条件下减振孔地表振动的实时监测,研究减振孔对地表峰值质点振动速度(PPV)和主振频率的影响,分析减振孔参数对减振效应的影响。结果表明:随着减振孔直径的增加,水平径向隔振率与水平切向隔振率先增加后减小,竖直方向隔振率整体上逐渐增加,基于合速度的隔振率呈显著增大趋势;随着减振孔排间距的增加,减振孔的隔振率先显著减小后逐渐趋于稳定;当减振孔内充填水时,随着减振孔充填度的增加,水平径向隔振率逐渐减小,水平切向隔振率与竖直方向隔振率先增加后减小,基于合速度的隔振率先增加后逐渐减小。
2025, 47(2):126-133. DOI: 10.11835/j.issn.2096-6717.2024.020
摘要:在城市建设中,基坑工程的安全性和经济性至关重要。由于传统的基坑围护结构设计方法通常依赖保守策略并主要关注强度控制,导致其在精确控制变形方面效率低下,无法满足现代城市建设的复杂需求。为解决这些问题,提出一种新的逆向设计多目标优化模型,该模型融合了变形控制与经济性,旨在提高基坑围护结构设计的效率和经济效益。该模型包含一个双边耦合的基坑围护变形计算模型、一个整合变形控制和成本优化的多目标框架、一个基于元启发式算法的求解策略。与四种元启发式算法的比较和结合实际工程案例的深入分析表明,该方法不仅能实现基坑围护结构的精确变形控制,同时优化了成本效益,特别是半经验半随机的启发式算法在处理复杂优化问题时表现出的更高效率和广泛适用性。
2025, 47(2):134-140. DOI: 10.11835/j.issn.2096-6717.2024.046
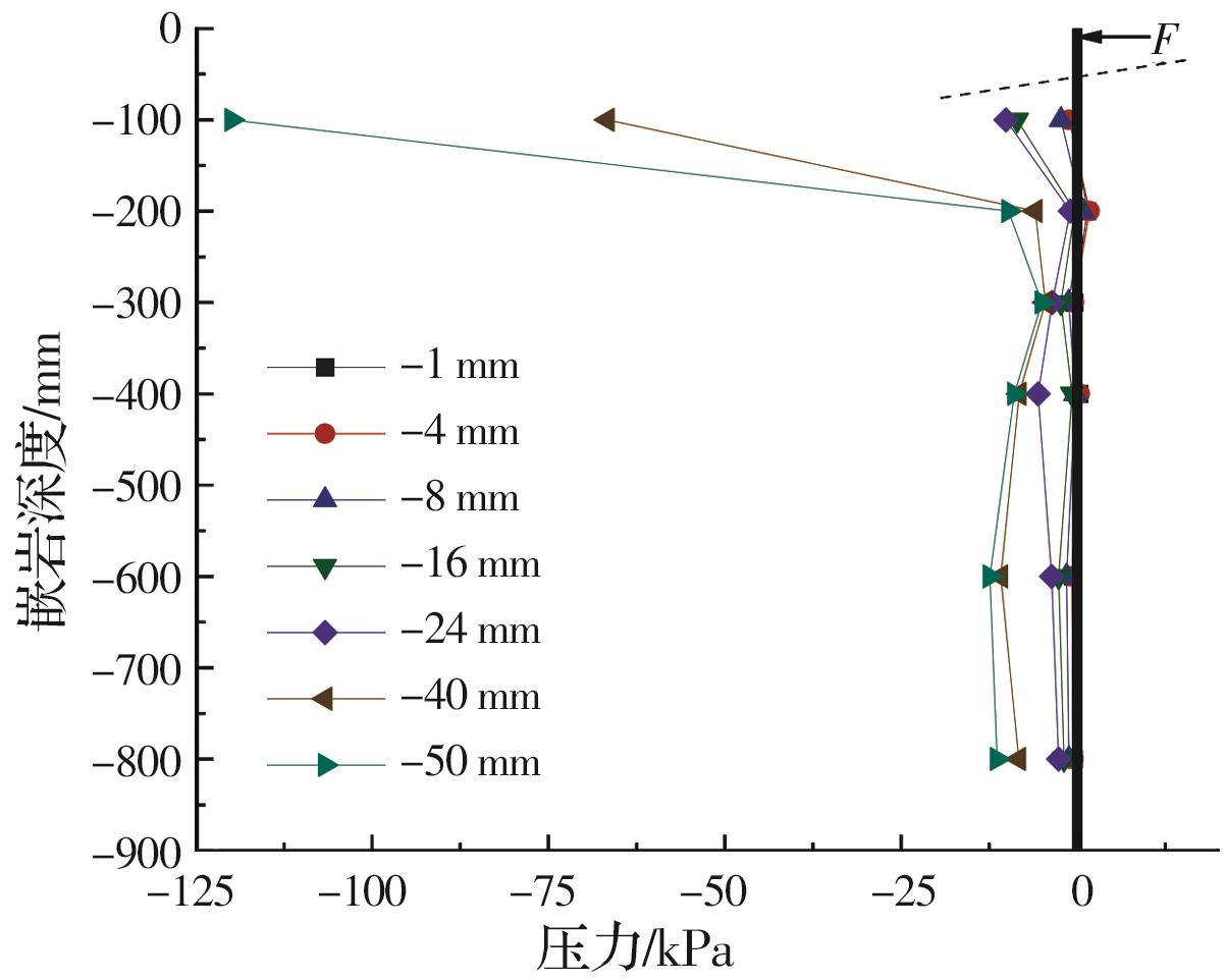
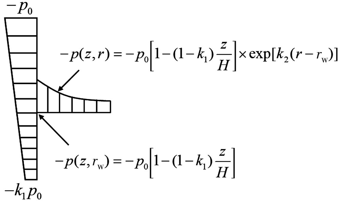
摘要:合理设计开挖面主动破坏极限支护力是维持盾构隧道稳定性的关键,目前,大部分主动破坏极限支护力计算方法难以完全适用于复杂盾构隧道工程设计。基于楔形体计算模型,考虑土拱效应影响下的侧压力系数,引入盾构隧道开挖倾角和渗流作用等参数,建立适用于多层土中开挖面主动破坏极限支护力计算模型并推导出解析解;结合实际工程案例,对影响主动破坏极限支护力的土体和设计参数进行分析。结果表明:主动破坏极限支护力随施工深度、地下水水位高度、土体重度和开挖倾角的增大而显著增大,随内摩擦角和黏聚力的增加而非线性减小;采用考虑土拱效应影响的侧压力系数有利于减小主动破坏极限支护力设计值;考虑渗流作用后主动破坏极限支护力显著增加;土层的参数变化对主动破坏极限支护力影响显著。
2025, 47(2):141-150. DOI: 10.11835/j.issn.2096-6717.2023.004
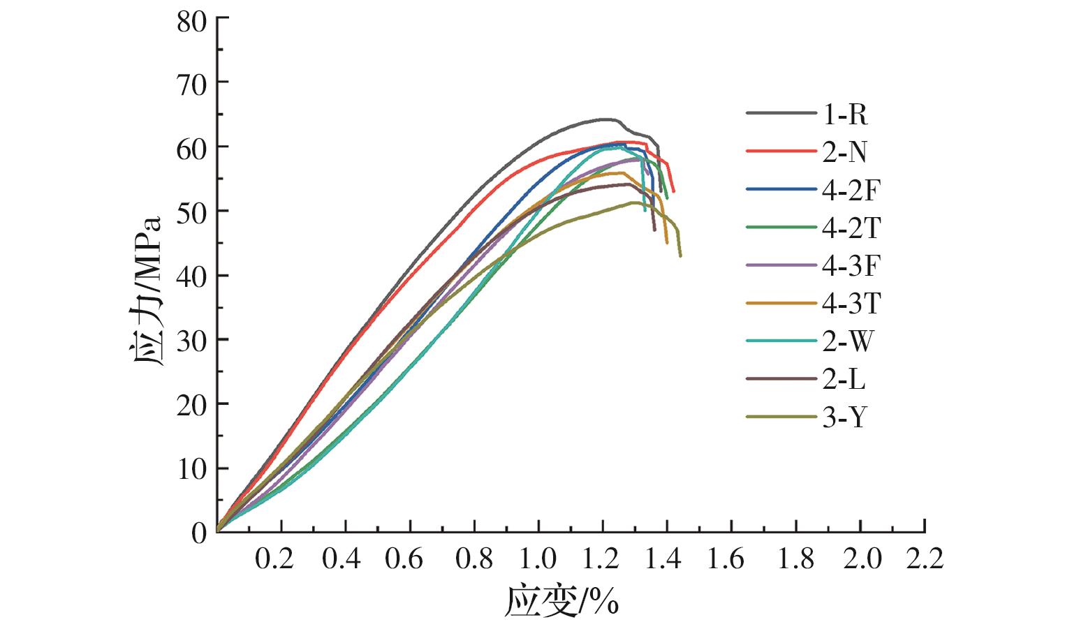
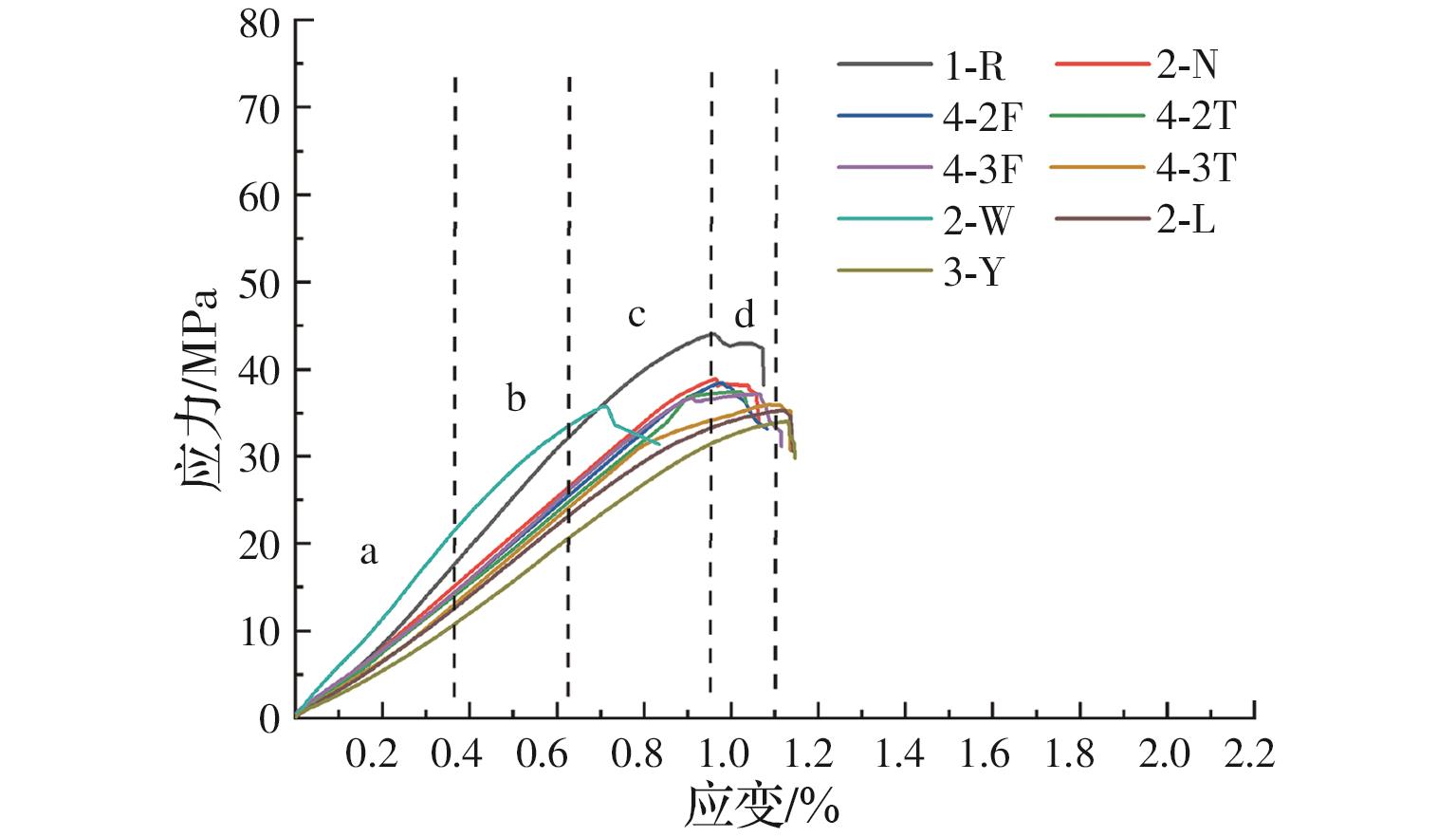
摘要:为提升拉挤型玻璃纤维复合材料(GFRP)管混凝土组合柱的承载能力,采用碳纤维增强复合材料(CFRP)布,以不同约束方式制作5根试件,并进行轴压试验,得到约束组合柱的破坏模式;通过对CFRP的约束效应及柱的承载性能分析,建立承载力计算模型。研究表明:试件破坏时拉挤型GFRP管及混凝土被压坏,部分试件伴有CFRP条带状撕裂。随着横向约束效应的增加,破坏形态由典型的劈裂破坏向脆性压碎破坏及剪切破坏发展。试件承载力随CFRP间距的减小逐渐增大,CFRP间距<100 mm时试件承载力大幅提高,最大可达1.5倍以上,CFRP间距≥100 mm时,承载力提升并不明显。CFRP间距变化、布置方式对试件变形性能影响显著,可明显改善构件的延性。基于约束混凝土理论,考虑不同CFRP间距及GFRP承载作用效应,建立的试件承载力计算模型计算结果精度较高。
2025, 47(2):151-161. DOI: 10.11835/j.issn.2096-6717.2023.017
摘要:结构型高强铆钉具有预紧力稳定、防松性能优异、抗疲劳和抗延迟断裂能力强等优点,有望取代目前风电塔筒环法兰连接采用的高强螺栓,但其在法兰中的疲劳性能尚待相关研究检验。针对采用结构型高强铆钉的环法兰连接,开展对照性模型疲劳试验和精细化数值分析,探究其疲劳特性与劣化机理。基于环法兰荷载传递特征,在静载拉伸试验的基础上,开展12件模型试件的疲劳试验,包含高强螺栓和高强铆钉试件各6件;结合基于局部应变的SWT疲劳评价方法,开展精细化多尺度有限元分析。结果表明:两类试件的疲劳失效均易见于第一扣螺纹处;在200万次加载循环下,高强铆钉试件的平均等效疲劳强度为68.9 MPa,较高强螺栓的52.1 MPa提高约32.2%;由于高强铆钉与套环间的螺纹更加平缓且内、外螺纹间接触面积更大,更能有效降低螺纹根部应力集中,提升抗疲劳性能。对采用结构型高强铆钉的环法兰连接进行疲劳验算时,铆钉疲劳强度等级可取为FAT 56,配合指数常数m=3。
2025, 47(2):162-173. DOI: 10.11835/j.issn.2096-6717.2023.032
摘要:寒区道路、桥梁、水库大坝面板积雪结冰严重影响工程性能发挥,对工程安全运维产生较大影响。长期以来,大量使用除冰盐、融雪剂等除冰材料给环境造成较大污染。作为一种环保、高效融雪除冰技术,导电混凝土在保障工程安全、延长工程服役寿命、提升工程服务质量等方面发挥着重要作用。将导电混凝土用作寒冷地区房屋建筑材料,不仅兼具室内采暖功能,还能在一定程度上缓解能源紧张。综述常用导电混凝土的制备工艺,分析碳质类导电混凝土、金属类导电混凝土及复相导电混凝土的力-电-热性能,阐述导电材料对导电混凝土综合性能(包括导电性、抗冻性、耐久性)的影响机制。基于此,围绕高性能、低成本目标,提出寒区导电混凝土的研究构想:广泛使用回收碳纤维等回收材料,发展多相导电混凝土技术;将磁选粉煤灰、矿渣和硅灰等作为掺合料应用于导电混凝土中;开展低电压下导电混凝土的升温性能和导电性能研究;综合利用清洁能源(如太阳能、风能等)发电为导电混凝土提供电源;开展复杂工程环境下导电混凝土-岩土体-环境反馈机制研究。
2025, 47(2):174-181. DOI: 10.11835/j.issn.2096-6717.2023.006
摘要:为探究混凝土及其组成材料损伤破坏的声发射特征之间的关系,开展了混凝土、水泥砂浆和石灰岩单轴压缩试验,并同步采集三者破坏过程中的声发射信号,统计分析三者力学特性与声发射能量谱、幅值与频率、峰值频率以及声发射b值等参数。结果表明:在濒临破坏时,三者产生的声发射信号峰值频率与幅度均会上升;三者的频率分布近似呈正态分布,均在90~120 kHz区间占比最多;水泥砂浆与混凝土声发射动态b值趋势平缓,维持在相对较高数值区间,石灰岩动态b值呈先增后减趋势,在临近应力峰值时快速下降,预示着主破裂的来临;混凝土的整体b值与峰值频率分布均介于石灰岩和水泥砂浆之间,水泥砂浆与石灰岩混合之后的声发射整体b值与混凝土接近,体现了混凝土与其组成材料破坏声发射特征的叠加效应。
2025, 47(2):182-190. DOI: 10.11835/j.issn.2096-6717.2022.126
摘要:将磷石膏用于建筑材料的制备,是规模化消纳磷石膏的有效方式。然而,将粉末状态的磷石膏直接掺入,存在面源污染的风险。为此,提出制备以磷石膏为主要原料的压制团粒,以团粒的形式填充于胶凝材料,利用水泥胶凝团粒制备填充试样,开展抗压强度、磷(氟)污染物测定、孔隙结构分析、微观形貌分析等试验,验证磷石膏团粒的填充效应。结果表明,与粉末填充试样相比,团粒填充试样的强度性能更具优势,磷(氟)固定效果更佳。试样浸泡90 d后,浸泡溶液中氟离子质量浓度为0.035 mg/L,磷离子质量浓度为0.35 mg/L,均满足一级排放标准。另外,通过孔隙结构分析和微观形貌分析解释了团粒填充试样展现出的优异性能,验证了磷石膏以团粒形式填充于建筑材料中良好的填充效应。
2025, 47(2):191-196. DOI: 10.11835/j.issn.2096-6717.2023.044
摘要:为了研究负温环境下电养护对掺甲酸钙早强剂砂浆早期强度发展的影响,在砂浆中添加甲酸钙早强剂,掺量为胶凝材料的2%质量分数,并在-10 ℃环境下通交流电进行电养护。试验过程中,通过温度仪监测不同通电参数下砂浆内部温度的实时变化,测试不同通电参数下砂浆通电1 d的强度以及后续标准养护3、7 d的强度。结果表明:电养护可以有效预防新拌砂浆在-10 ℃环境下产生受冻损伤并加速砂浆固化成型;掺甲酸钙砂浆试件初始电阻仅为未掺甲酸钙砂浆的1/4,说明掺甲酸钙能有效降低砂浆电阻,从而提高通电效率;掺甲酸钙砂浆的3、7 d强度较相同通电参数下未掺甲酸钙砂浆分别提高了59%、29%,说明甲酸钙在电养护1 d后同样具有明显的早强作用,可以快速促进砂浆早期强度发展。
2025, 47(2):197-208. DOI: 10.11835/j.issn.2096-6717.2024.027
摘要:市树是城市园林绿化的重要组成部分,近年来气候变化使市树适生区迁移,影响城市人居环境可持续发展,因此,亟需了解气候变化下市树适宜分布区和适生规律。基于中国147个城市50种市树分布现状,使用最大熵(MaxEnt)模型研究2070s气候下市树适宜分布区变化,并通过分布区与城市行政区域重合度分析市树未来适生程度,为中国城市园林规划提供依据。结果表明:中国常见市树共50种,隶属24科42属,其中槐(Styphnolobium japonicum)、樟(Cinnamomum camphora)和银杏(Ginkgo biloba)应用最广,65.6%的城市选用乡土树种,89.5%的城市应用阔叶树;气候变化下,市树适生区移动方向复杂,面积趋于收缩(68%),以红树(Rhizophora apiculata)和欧洲白榆(Ulmus laevis)变化最大;未来市树适生性与其来源、城市区位相关,乡土植物相较于外来种适生性高,北方城市高适生市树比例较高,而南方以低适生市树为主。未来应综合考虑,因地制宜,引导城市园林绿化高质量发展。
2025, 47(2):209-220. DOI: 10.11835/j.issn.2096-6717.2024.032
摘要:基于强氧化剂的化学氧化技术是实现难降解有机污染物去除的有效手段。相比臭氧等气态氧化剂和过氧化氢等液态氧化剂,高锰酸盐等固态氧化剂具有寿命长、使用方便、泄漏风险低等优点,在去除水中难降解有机污染物方面极具优势。近年来,为进一步提高固态氧化剂去除难降解污染物的效能,通过添加还原性介体的方法增强氧化剂对有机污染物转化去除得到普遍认可,尤其是其在降解有机新污染物方面展现出的良好强化效能。为了促进该领域全面深入的研究,指导还原性介体强化法在水处理工程中更切合实际的推广与应用,对水处理领域涉及的几种还原性介体与固态氧化剂高锰酸盐、高铁酸盐和高碘酸盐的组合体系进行详细介绍与总结,并对还原性介体强化固态氧化剂体系在实际水处理工程中的应用进行总结与评述。
李佳宁,袁艺博,张峻达,李宁,郭钦,余扬逸,黄倩倩,魏西鹏,江进
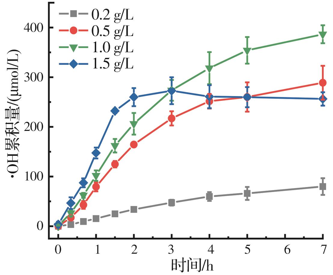
2025, 47(2):221-231. DOI: 10.11835/j.issn.2096-6717.2024.011
摘要:铁/锰硫矿物广泛存在于缺氧地下环境中,铁(Fe)、锰(Mn)和硫(S)元素的循环过程控制着地下环境的物质循环和能量转化过程。氧气(O2)扰动下,铁硫矿物可通过双电子路径还原O2,产生活性氧(ROS),但锰硫矿物与O2反应产生ROS的反应过程还不清楚。以自然界中普遍存在的典型锰硫矿物硫化锰(MnS)为研究对象,探究MnS活化O2产生ROS的种类、动力学原理及反应机制。结果表明,MnS可以活化O2产生大量ROS,包括羟基自由基(·OH)、过氧化氢(H2O2)和超氧阴离子自由基(O2·-);相同条件下,MnS/O2体系中产生·OH累积量高达389.0 μmol/L,其产量分别为相同浓度马基诺矿(FeS)和黄铁矿(FeS2)体系的4.4、149.6倍;O2首先被MnS提供的单电子还原,产生O2·-,继而再获得一个电子,生成H2O2;溶解性Mn2+催化O2/H2O2产生·OH的效率比较低,但结构态Mn(Ⅱ)可以高效催化H2O2产生·OH,因此,非均相催化H2O2是产生·OH的重要途径;溶解性的S2-将电子传递至高价态的Mn(Ⅲ)/Mn(Ⅳ),促进了结构态Mn(Ⅱ)的再生,强化了Mn(Ⅱ)/Mn(Ⅲ)电子循环,进而提升了·OH的产生效率;以苯酚为目标污染物,MnS/O2体系3 h内对5 mg/L苯酚的降解效率高达97.4%,表明利用MnS活化O2具有较好的环境修复应用前景。
2025, 47(2):232-240. DOI: 10.11835/j.issn.2096-6717.2023.111
摘要:作为处理染料废水的新途径,臭氧催化氧化工艺结合微纳米气泡曝气技术解决了染料废水中有机污染物难降解和色度难去除问题,具有较好的应用前景。以模拟阳离子染料废水为研究对象,采用硝酸锰/活性炭(Mn/GAC)作为催化剂,使用臭氧催化氧化工艺结合微纳米气泡曝气技术处理阳离子染料废水。以色度去除率作为考察指标,在确定阳离子染料废水的初始浓度和臭氧浓度的基础上,对催化剂使用量、废水的初始pH值和废水的初始温度3个因素进行正交实验,考查其对阳离子金黄X-GL染料废水处理效果的影响。结果表明:采用微纳米气泡臭氧催化氧化去除阳离子金黄X-GL染料废水色度能达到较好的效果。在催化剂的投加量为3.5 g/L、初始pH值为9.4、初始温度为23.6 ℃的条件下进行验证实验,结果表明,最佳色度去除率为95.6%,说明该工艺处理染料废水能达到预期效果。
您是本站第 4754718 访问者 
通信地址:重庆市沙坪坝区沙正街174号,重庆大学A区 邮编:400044
电话:023-65111322;023-65111863 E-mail:xuebao@cqu.edu.cn
版权所有:土木与环境工程学报(中英文) ® 2026 版权所有