• Volume 48,Issue 12,2025 Table of Contents
    Select All
    Display Type: |
    • >Resources and Environmental Engineering
    • A method for constructing a high-accuracy prediction model for zirconium alloy fatigue life based on the three-parameter Weibull distribution

      2025, 48(12):1-11. DOI: 10.11835/j.issn.1000-582X.2024.262

      Abstract (101) HTML (59) PDF 1.53 M (277) Comment (0) Favorites

      Abstract:During the operation of nuclear reactors, zirconium alloy claddings are subjected to significant cyclic stresses, necessitating an accurate evaluation of their fatigue properties essential for preventing structural failure. This study proposes a high-accuracy prediction method for the fatigue life of zirconium alloys by employing fatigue test data from alloys subjected to two distinct heat-treatment conditions. A three-parameter Weibull distribution model was established using the probabilistic weighted moments method to construct reliability-stress-number (R-S-N) cycles curves. These curves were rigorously compared and validated against those obtained from the traditional Basquin model. The findings indicate that the R-S-N curves derived from the three-parameter Weibull distribution demonstrate superior fitting accuracy and significantly outperform the conventional model. This advanced modeling approach provides a reliable and effective means for predicting the fatigue behavior of zirconium alloys, offering significant implications for the structural design and safety assessment of nuclear reactors.

      • 0+1
      • 1+1
      • 2+1
      • 3+1
    • Study on the formation mechanism and influencing factors of banded structures in steel materials

      2025, 48(12):12-19. DOI: 10.11835/j.issn.1000.582X.2025.12.002

      Abstract (116) HTML (116) PDF 3.76 M (276) Comment (0) Favorites

      Abstract:The formation mechanism and influencing factors of banded structures in steel materials are investigated through homogenization treatment tests and slow cooling experiments, combined with optical microscopy and electron probe micro-analyzer. The results indicate that banded structures primarily form within the temperature range of the two-phase region, and their banding characteristics become more pronounced with decreasing cooling temperatures. Homogenization treatment effectively reduces the segregation of Mn elements, thereby inhibiting the formation of banded structures. Specifically, under a slow cooling rate of 0.05 ℃/s, short-term homogenization treatment (1 h) weakens the banding characteristics, while long-term homogenization treatment (≥2 h) completely eliminates the banded structures. However, after slow cooling at a rate of 0.02 ℃/s, banded structures still appear in samples even after long-term homogenization treatment (≥2 h). In conclusion, the combined effects of cooling rate and homogenization treatment significantly influence the formation of banded structures in steel materials.

      • 0+1
      • 1+1
      • 2+1
      • 3+1
      • 4+1
      • 5+1
    • Combined stress effects of polystyrene nanoplastics and Cu2+ on Pseudomonas stutzeri

      2025, 48(12):20-32. DOI: 10.11835/j.issn.1000-582X.2024.265

      Abstract (109) HTML (45) PDF 4.08 M (267) Comment (0) Favorites

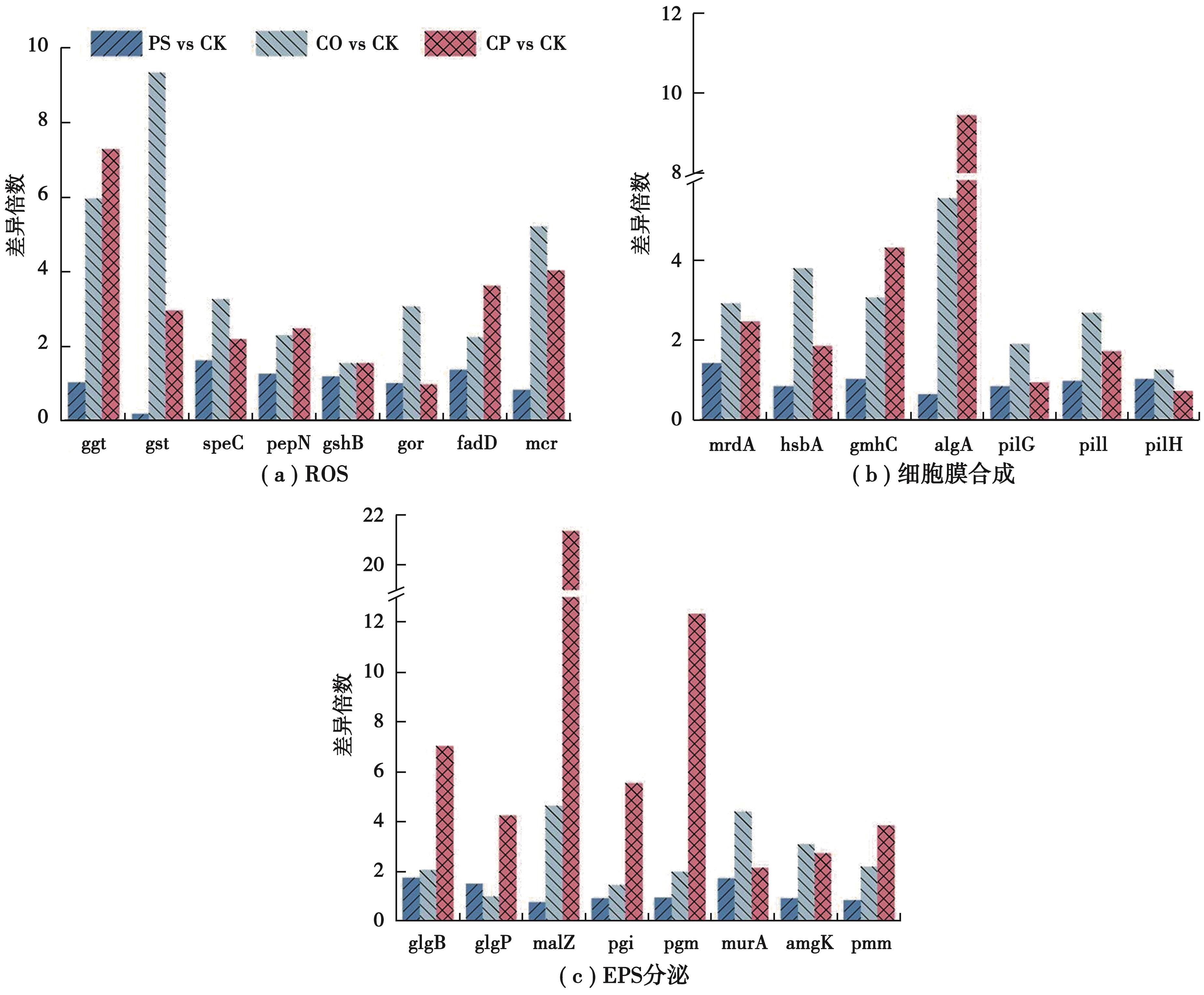
      Abstract:The coexistence of polystyrene nanoplastics (PS-NPs) and Cu2+ in wastewater can induce compound stress effects on microorganisms. This study investigated the effects of PS-NPs and Cu2+ on the growth, nitrogen removal, and biochemical characteristics of the aerobic denitrifying bacterium Pseudomonas stutzeri, and further elucidated the stress mechanism through transcriptomics analysis. The results showed that under exposure to 50 mg/L PS-NPs, bacteria growth activity increased by 25.3% compared to the control, accompanied by enhanced nitrogen removal and significant upregulation of genes related to ribosome function, the tricarboxylic acid (TCA) cycle, and ABC transport pathways. In contrast, under 10 mg/L Cu2+ stress, bacterial growth activity decreased by 83.2% compared to the control, with severe inhibition, cell membrane damage, and marked downregulation of ribosomal, nitrogen metabolism, and ABC transport pathways. Genes related to extracellular polymeric substances (EPS) secretion and cell membrane synthesis were significantly upregulated. Under combined stress, Cu2+ exerted the dominant inhibitory effect; however, PS-NPs promoted EPS secretion, which, along with PS-NPs themselves, adsorbed part of the Cu2+ ions and mitigated their toxicity.

      • 0+1
      • 1+1
      • 2+1
      • 3+1
      • 4+1
      • 5+1
      • 6+1
      • 7+1
      • 8+1
    • Effect of the rural-urban binary structure on the spatial distribution and sources of heavy metals in the sediments of a typical mountainous river

      2025, 48(12):33-48. DOI: 10.11835/j.issn.1000-582X.2024.277

      Abstract (76) HTML (39) PDF 4.84 M (269) Comment (0) Favorites

      Abstract:The spatial distribution of heavy metals in the sediments of mountainous rivers is significantly influenced by population density and industrial structure. In December 2019, sediment samples were collected from the Taohuaxi River-a typical mountainous river spanning both urban and rural areas in Changshou District, Chongqing-to investigate heavy metal contamination. The concentrations of eight heavy metals were measured, revealing that their average contents in the urban section were higher than those in the rural section, with cadmium(Cd) and copper (Cu) showing significant differences. Population density was found to be a key factor shaping the spatial distribution of heavy metals in river sediments. According to the improved geoaccumulation index (Im), 20.59% of the monitored sites exhibited near moderate or moderate pollution, indicating localized enrichment of heavy metals along the river. Based on the potential ecological risk index (RI), 67.65% of sites presented medium or high potential ecological risks. The sediment quality guidelines (SQGs) assessment further indicated that heavy metals posed a moderate toxicological risk to aquatic organisms. Overall, the ecological risk of heavy metals in the sediments of the Taohuaxi River should not be overlooked. Positive matrix factorization (PMF) model analysis identified five major sources of heavy metals, with contributions in the order of aquaculture sources (38.79%) > natural sources (20.40%) > mixed anthropogenic sources (20.35%) > industrial sources type II (16.69%) > industrial sources type I (3.78%).

      • 0+1
      • 1+1
      • 2+1
      • 3+1
      • 4+1
      • 5+1
      • 6+1
      • 7+1
      • 8+1
      • 9+1
      • 10+1
      • 11+1
      • 12+1
      • 13+1
      • 14+1
      • 15+1
      • 16+1
      • 17+1
    • Coalescence or bounce criterion for droplet collision on a superhydrophobic surface

      2025, 48(12):49-59. DOI: 10.11835/j.issn.1000-582X.2024.281

      Abstract (96) HTML (29) PDF 3.86 M (286) Comment (0) Favorites

      Abstract:This study investigates the influence of droplet velocity on the collision behavior of equal-sized binary water droplets impacting head-on on a superhydrophobic surface. Using a high-speed camera, the dynamic process of droplet collision process was recorded, and a theoretical model was developed to describe the critical conditions governing post-collision coalescence or bouncing. The model accurately predicts the critical velocity that determines whether droplets coalesce or rebound after collision. Experimental results show that as droplet velocity increases, the probability of coalescence also increases, while larger droplet diameters correspond to lower critical velocities for the coalescence-bouncing transition. During the deformation stage of collision, internal pressure within the droplets may exceed the surface tension threshold, resulting in coalescence. The proposed theoretical model demonstrates strong agreement with experimental observations and can effectively predict droplet behavior at various velocities. This provides a theoretical basis for controlling droplet collision dynamics, with potential applications in droplet manipulation, sensing, and microreactor technologies.

      • 0+1
      • 1+1
      • 2+1
      • 3+1
      • 4+1
      • 5+1
      • 6+1
      • 7+1
      • 8+1
    • Compaction and re-crushing characteristics of granules with varying lithologies under multiple mining-induced disturbances

      2025, 48(12):60-72. DOI: 10.11835/j.issn.1000.582X.2025.12.006

      Abstract (77) HTML (34) PDF 3.68 M (262) Comment (0) Favorites

      Abstract:To investigate the compaction and re-crushing characteristics of fractured rock under multiple mining. This study conducted cyclic loading and unloading mechanical tests on aggregates of different lithologies. The variation patterns of mechanical parameters of granules were systematically investigated. The granules energy evolution characteristics and fractal dimension were clarified. The research findings indicate that low-strength mudstone granules exhibit the greatest strain under identical loading conditions, requiring relatively low cumulative energy during compaction. Meanwhile, mudstone shows the highest fractal dimension, indicating the greatest degree of crushing. During the initial loading stage, the granules porosity rapidly decreases, the compressive modulus rises, and the granules is rapidly compacted. When stress exceeds a certain threshold, the compressive modulus continues to decrease, energy density increases significantly, and the granules undergo extensive fracture. The research findings provide significant support for elucidating the compaction and re-crushing mechanisms of granules in caving zones under multiple mining.

      • 0+1
      • 1+1
      • 2+1
      • 3+1
      • 4+1
      • 5+1
      • 6+1
      • 7+1
      • 8+1
      • 9+1
      • 10+1
      • 11+1
      • 12+1
      • 13+1
      • 14+1
      • 15+1
      • 16+1
    • >Special Colum for New Technologies of Electric Power Transmission
    • Research on high-power and high-efficiency wireless power transfer system based on LCC-S topology

      2025, 48(12):73-81. DOI: 10.11835/j.issn.1000-582X.2025.007

      Abstract (114) HTML (39) PDF 3.19 M (256) Comment (0) Favorites

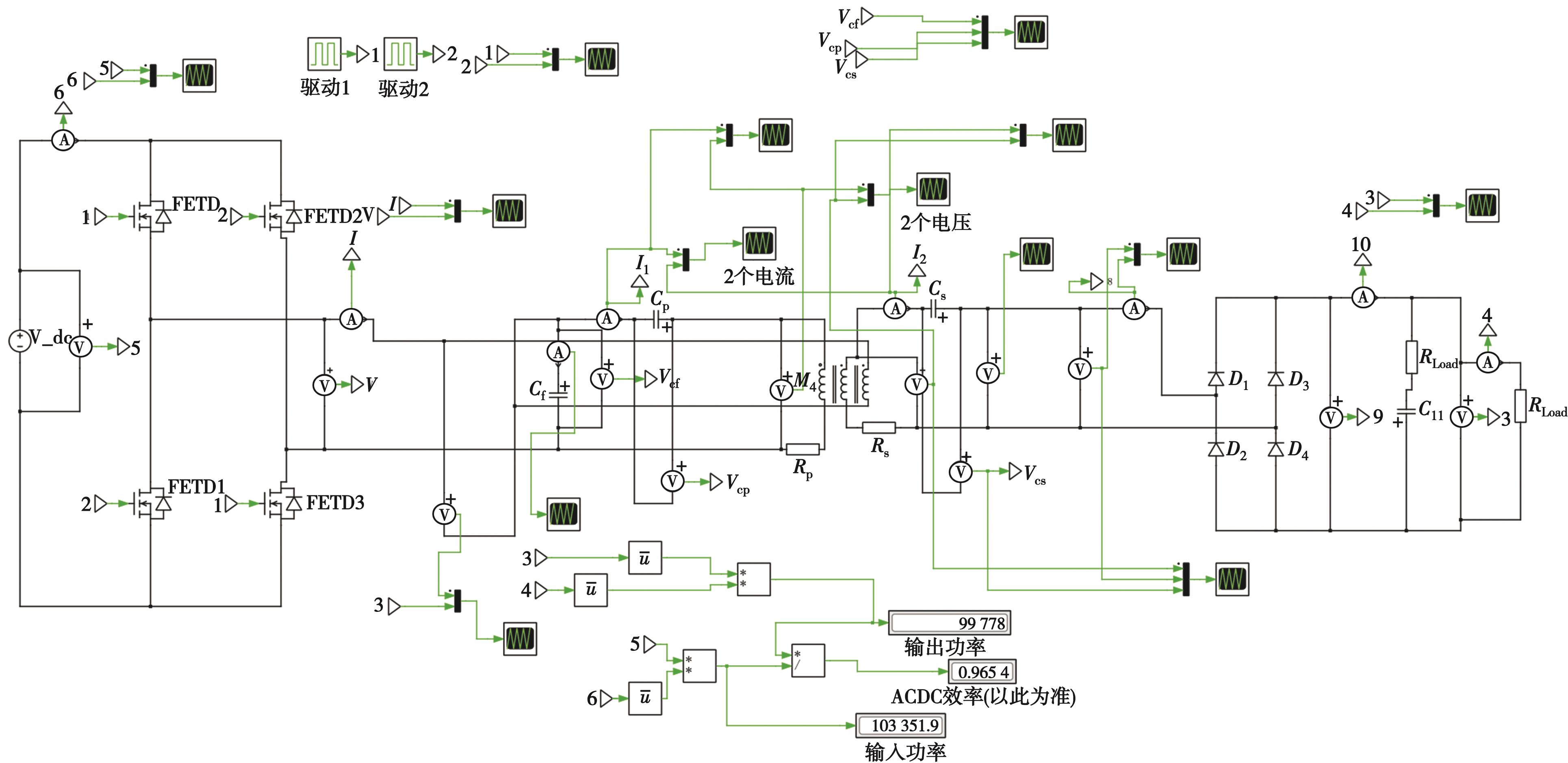
      Abstract:Wireless power transfer (WPT) technology provides an effective solution for near-shore energy transmission in ships. This paper proposes a design method for a high-power, high-efficiency WPT system based on the LCC-S compensation topology. The loss characteristics of the WPT system are analyzed, followed by a detailed examination of the relationship between system efficiency and primary inductance. Optimal efficiency point parameters are determined, and a magnetic integrated coupling mechanism is designed to enhance transmission performance. Circuit simulations are conducted to validate the theoretical analysis. Furthermore, an experimental platform is established, and the experimental results confirm the effectiveness of the proposed method. The system achieves an output power of 93 kW and an overall efficiency of 96%, demonstrating the feasibility and superior performance of the proposed design approach.

      • 0+1
      • 1+1
      • 2+1
      • 3+1
      • 4+1
      • 5+1
      • 6+1
      • 7+1
      • 8+1
      • 9+1
      • 10+1
      • 11+1
    • Reduced-scale modeling method and experiments on the dynamic responses of bundle conductor lines after ice-shedding

      2025, 48(12):82-98. DOI: 10.11835/j.issn.1000-582X.2025.267

      Abstract (69) HTML (35) PDF 8.20 M (310) Comment (0) Favorites

      Abstract:Based on similarity principles, this study proposes a reduced-scale modeling and testing method to investigate the dynamic responses of twin-bundle conductor lines after ice-shedding. The processes of ice-accretion and subsequent shedding on sub-conductors of bundled conductors were successfully simulated. A reduced-scale experimental platform was established to measure the in-plane, out-of-plane, and torsional motions of conductors after ice-shedding, as well as the time histories of conductor tension and the longitudinal, vertical, and horizontal components of reaction forces at the suspension points. Reduced-scale tests were conducted on a representative twin-bundle conductor line under three conditions: partial ice-shedding and unzipping ice-shedding from a single sub-conductor, and asynchronous ice-shedding between two sub-conductors. The variations in jumping height, lateral swing amplitude, torsion angle, and conductor tension, along with the reaction forces at suspension points over time, were recorded and analyzed.

      • 0+1
      • 1+1
      • 2+1
      • 3+1
      • 4+1
      • 5+1
      • 6+1
      • 7+1
      • 8+1
      • 9+1
      • 10+1
      • 11+1
      • 12+1
      • 13+1
      • 14+1
      • 15+1
      • 16+1
    • Research on transmission line galloping monitoring technology

      2025, 48(12):99-112. DOI: 10.11835/j.issn.1000-582X.2025.009

      Abstract (135) HTML (66) PDF 2.86 M (261) Comment (0) Favorites

      Abstract:The frequent occurrence of transmission line galloping induced by wind deflection poses a serious threat to the stable operation of power systems and results in significant economic losses. Therefore, the real-time online monitoring of transmission line galloping has become a key focus of research. This paper reviews the causes of transmission line galloping and discusses the current online monitoring technologies and system performance. Commonly used monitoring methods, and existing limitations are analyzed, and the major challenges faced by current galloping monitoring technologies are summarized. To address these challenges, a fusion monitoring method combining MEMS vibration sensing and BeiDou (BD) differential positioning is proposed. By integrating WSN/GPRS/BD communication networks, a real-time online monitoring platform for large-span transmission lines is established. This platform, which unifies sky, ground and space communication through the Beidou system, enables accurate real-time monitoring of transmission line galloping. The proposed approach provides valuable guidance for the real-time online galloping monitoring technologies for transmission lines.

      • 0+1
      • 1+1
      • 2+1
      • 3+1
      • 4+1
      • 5+1
      • 6+1
      • 7+1
      • 8+1
      • 9+1
      • 10+1
      • 11+1
    • Research on power and data parallel transmission technology via a dual-channel for WPT system

      2025, 48(12):113-122. DOI: 10.11835/j.issn.1000-582X.2025.010

      Abstract (55) HTML (49) PDF 4.13 M (260) Comment (0) Favorites

      Abstract:To solve the problem of power and data parallel transmission simultaneously in wireless power transfer system for rotating mechanism, a parallel transmission method of power and signal based on dual-channel mode was proposed. Based on analyzing the power and signal transmission mechanism in dual-channel mode, a mutually decoupled power and signal transmission coil is designed. The power transmission is based on the induction coupling technology of series-none (SN) topology, and the signal transmission is based on the amplitude modulation mode, combined with the envelope demodulation technology, realizing the two-way signal transmission. Experimental results verify the effectiveness of the proposed method, the power signal transmission channels do not interfere with each other, and the signal transmission error rate is zero.

      • 0+1
      • 1+1
      • 2+1
      • 3+1
      • 4+1
      • 5+1
      • 6+1
      • 7+1
      • 8+1
      • 9+1
      • 10+1
      • 11+1
      • 12+1
      • 13+1
      • 14+1
    • Design of current bandgap startup circuit with dynamic threshold control

      2025, 48(12):123-132. DOI: 10.11835/j.issn.1000-582X.2025.011

      Abstract (110) HTML (48) PDF 1.90 M (239) Comment (0) Favorites

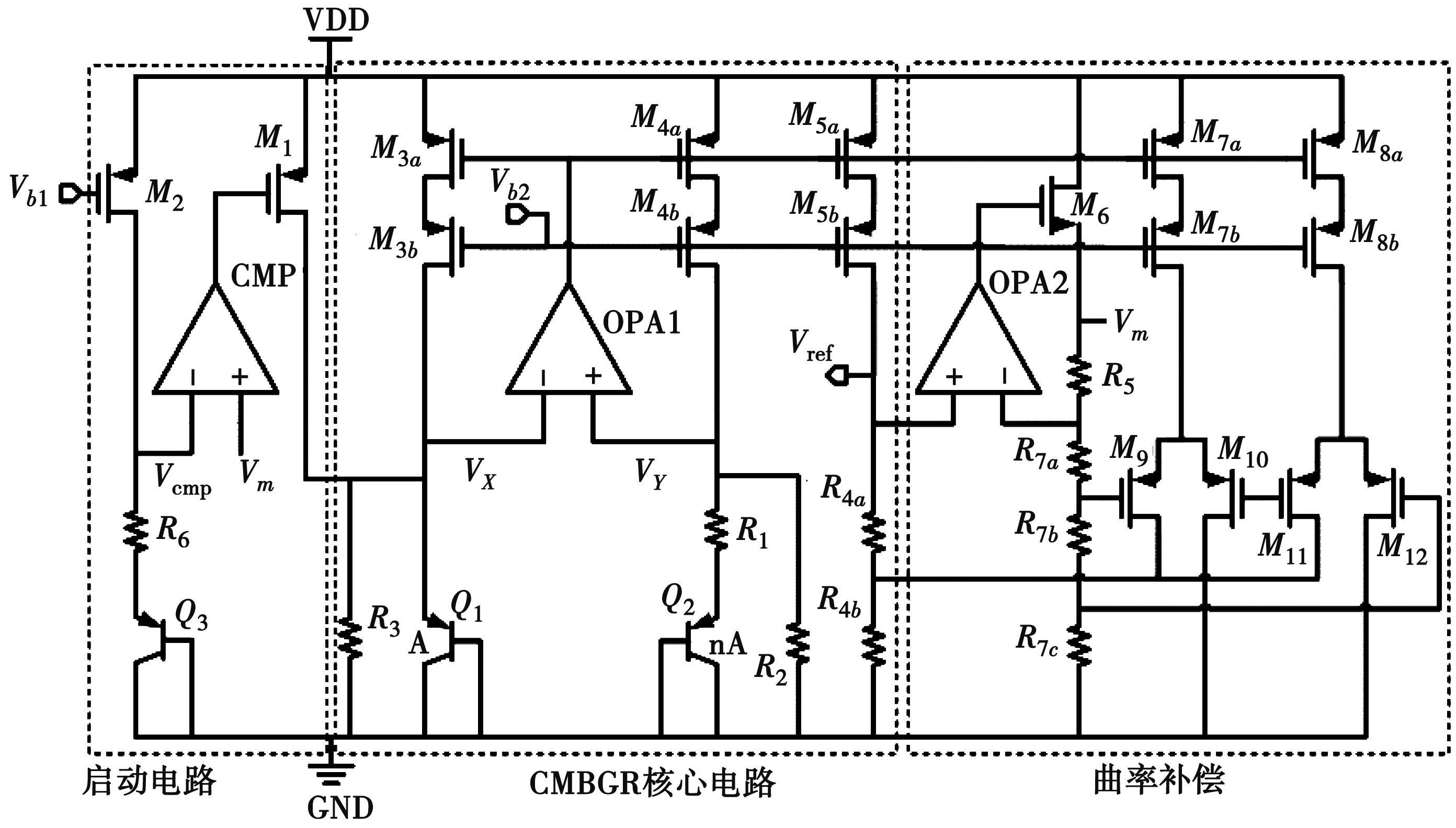
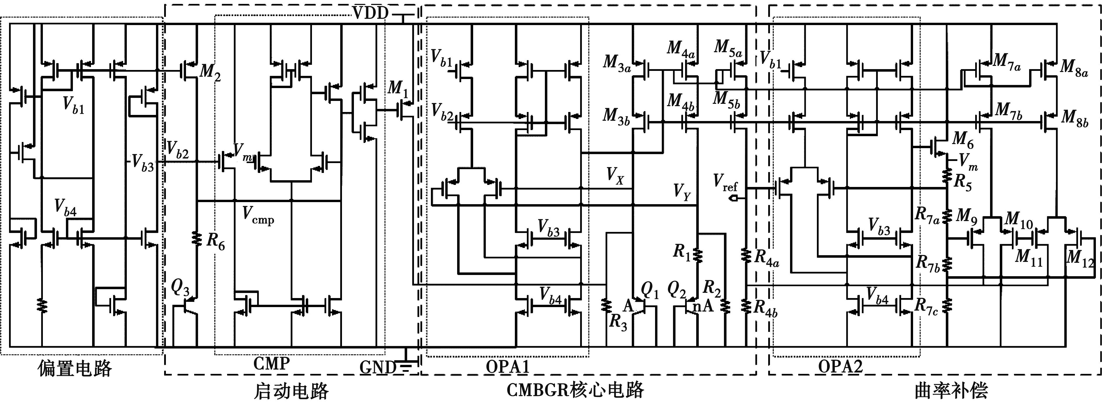
      Abstract:This paper proposes a novel startup circuit for a current-mode bandgap reference (CMBGR) to resolve startup issues in low-voltage CMOS processes while balancing design cost, PVT (process, voltage, temperature) robustness, CMBGR performance, and curvature compensation compatibility. The proposed circuit employs a dynamic threshold voltage mechanism, implemented in 0.11 μm CMOS technology, which dynamically adjusts the startup threshold to ensure reliable operation across varying PVT conditions. Validation through 20 400 Monte Carlo simulations under diverse PVT settings confirmed successful startup without failure. The CMBGR operates over a supply voltage range from 2.3 V to 4.3 V, delivering a configurable reference voltage output from 0.1 V to 2.0 V. A temperature coefficient of 8.7×10-6 /℃ was achieved, which is superior to current 41.5×10-6 /℃ and maintains the inherently low-temperature sensitivity of the CMBGR. Moreover, the design preserves full compatibility with curvature compensation strategies and requires no additional circuitry or performance trade-offs. This approach provides a comprehensive and efficient solution for achieving stable startup in configurable CMBGR applications.

      • 0+1
      • 1+1
      • 2+1
      • 3+1
      • 4+1
      • 5+1
      • 6+1

Current Issue


Volume , No.

Table of Contents

Archive

Volume

Issue

Most Read

Most Cited

Most Downloaded