• Volume 48,Issue 4,2025 Table of Contents
    Select All
    Display Type: |
    • >Materials Engineering
    • Modeling and optimization design of post-buckling tensegrity metamaterial

      2025, 48(4):1-11. DOI: 10.11835/j.issn.1000-582X.2024.270

      Abstract (456) HTML (167) PDF 2.71 M (602) Comment (0) Favorites

      Abstract:Achieving a balance between low-frequency bandgaps and high load capacity is a critical challenge in metamaterial design. Leveraging the post-buckling behavior of bars, this study proposes a novel tensegrity metamaterial where post-buckling induces a reduction in structural stiffness, thereby enabling low-frequency vibration isolation while enhancing load-bearing capacity. The elliptic integral method is employed to rapidly compute post-buckling deformations and determine the stiffness of the tensegrity unit. Bandgap frequencies are calculated using Bloch’s theorem under periodic boundary conditions, combined with a spring-mass diatomic chain model. To optimize both band gap and load capacity, a data-driven, dual-objective optimization method is employed, yielding the Pareto frontier for the metamaterial’s ultimate load and lower bandgap limit. The results demonstrate that the optimized structure can achieve bandgap frequency as low as 3 Hz, with a load capacity exceeding 100 N. Compared to existing low-frequency vibration isolation metamaterials, the ultimate load capacity is increased by over 3.6 times at the same bandgap frequency.

      • 0+1
      • 1+1
      • 2+1
      • 3+1
      • 4+1
      • 5+1
      • 6+1
      • 7+1
      • 8+1
    • Phase-field lattice Boltzmann method simulation of shear dynamic behavior of surfactant-laden droplets

      2025, 48(4):12-28. DOI: 10.11835/j.issn.1000-582X.2024.254

      Abstract (395) HTML (127) PDF 3.39 M (623) Comment (0) Favorites

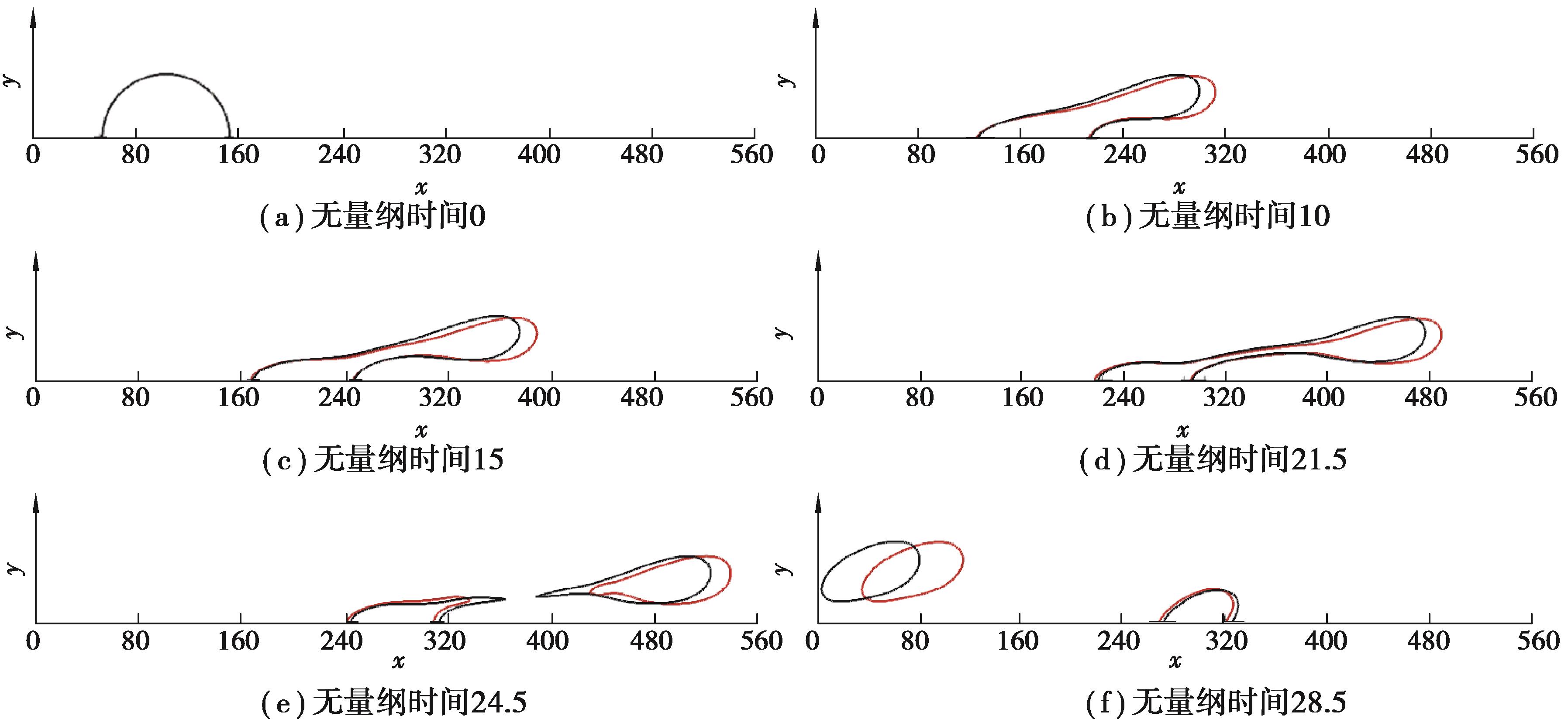
      Abstract:Surfactants can reduce fluid interface tension and significantly alter the wetting properties of solid surfaces, making them essential in various industrial applications. To investigate the motion characteristics of surfactant-laden droplets on solid surfaces, a coupled model incorporating soluble surfactant flow and contact line dynamics was established using the Cahn-Hilliard phase field lattice Boltzmann method, alongside the Yokoi dynamic contact angle model considering the velocity of the three-phase contact line based on experimental data. A computational program was independently developed and optimized with parallel processing to improve computational efficiency. Subsequently, the dynamic behavior of droplets under linear shear flow was studied, focusing on the influence of the effective capillary number (Cae) and surface wettability on the deformation of both clean and surfactant-laden droplets. The results show that an increase in the effective capillary number (Cae) promotes droplet deformation, but beyond a critical threshold, the droplet ruptures. Surfactant-laden droplets exhibit greater deformation and faster movement compared to pure droplets. On hydrophilic surfaces, droplets elongate further under shear, with surfactant-laden droplets exhibiting longer relative arc and wetting length than their pure counterparts. Conversely, on hydrophobic surfaces, droplets tend to detach under shear, with surfactant-laden droplets detaching earlier than pure droplets. These findings indicate that soluble surfactants significantly impact droplet shear dynamics by promoting deformation and increasing movement speed. The numerical methods presented in this study offer a robust approach for simulating moving contact line problems in droplets containing soluble surfactants.

      • 0+1
      • 1+1
      • 2+1
      • 3+1
      • 4+1
      • 5+1
      • 6+1
      • 7+1
      • 8+1
      • 9+1
      • 10+1
      • 11+1
      • 12+1
      • 13+1
    • Prediction of threshold value of creep stress in Ti60 alloy under fatigue-creep interaction

      2025, 48(4):29-39. DOI: 10.11835/j.issn.1000-582X.2024.257

      Abstract (278) HTML (110) PDF 1.60 M (580) Comment (0) Favorites

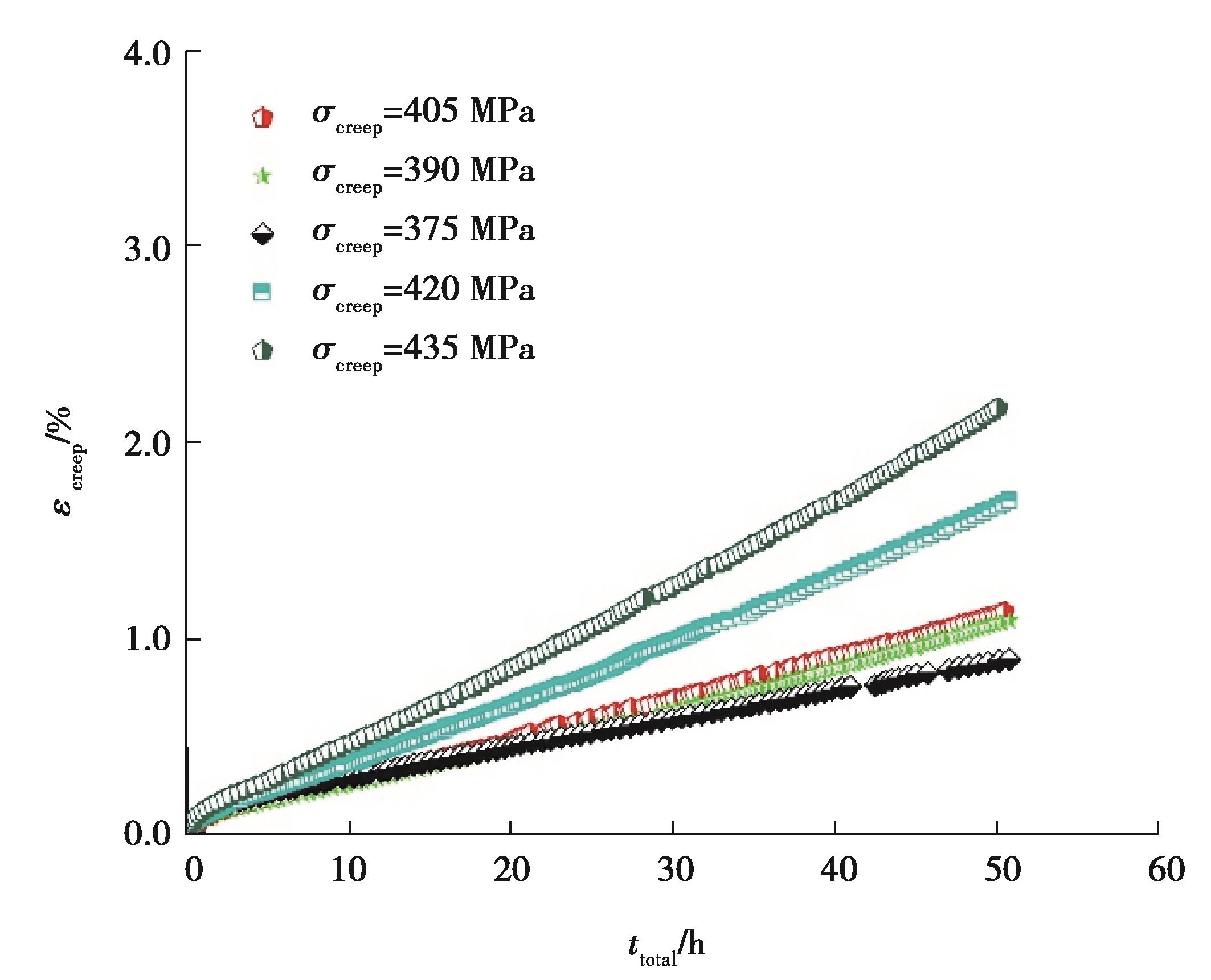
      Abstract:Fatigue-creep interaction tests were conducted on Ti60 alloy specimens at 550 ℃. Under test conditions of maximum fatigue stress σmax=450 MPa and stress ratio R=0.1, the influence of different creep stresses on the fatigue-creep behavior of the alloy was investigated. Based on the test data and the Norton model, a novel method was proposed to improve the understanding of fatigue-creep behavior with a limited number of samples. This approach establishes a prediction model capable of estimating the threshold value of creep stress over extended periods through short-term experimental data. The model’s predictions were compared with results from the maximum axial stress method and the step-loading method, yielding a relative error of less than 2%. The results show that the proposed prediction model can accurately determine the creep stress threshold under fatigue-creep interaction conditions.

      • 0+1
      • 1+1
      • 2+1
      • 3+1
      • 4+1
      • 5+1
      • 6+1
      • 7+1
      • 8+1
      • 9+1
      • 10+1
    • A closed-form solution to an elliptic cylindrical thermal inclusion in a bi-material under plane strain

      2025, 48(4):40-53. DOI: 10.11835/j.issn.1000-582X.2024.268

      Abstract (275) HTML (56) PDF 3.07 M (417) Comment (0) Favorites

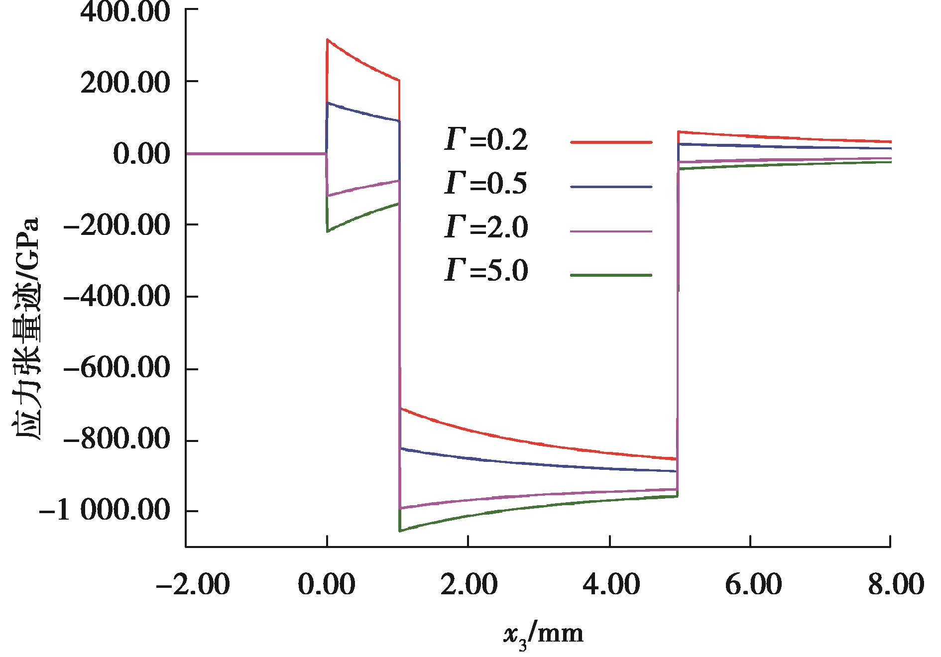
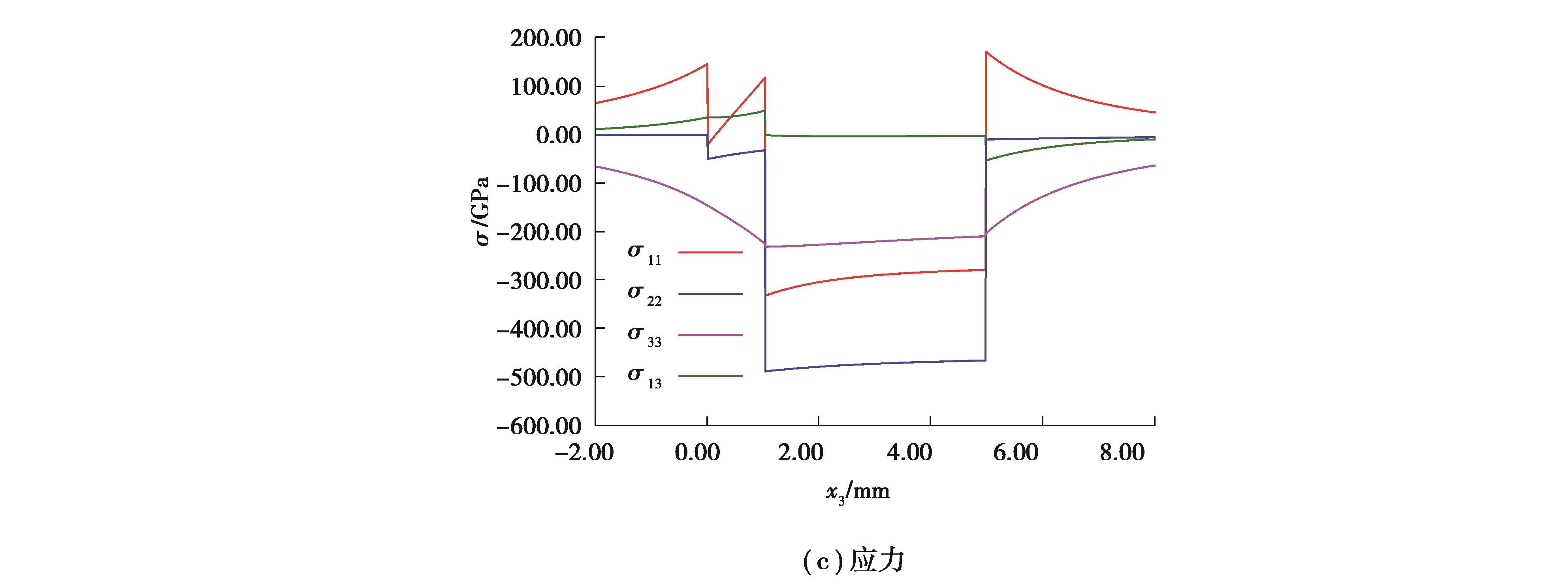
      Abstract:This article addresses the plane strain problem of a bi-material system containing an elliptical cylindrical thermal inclusion. Using Eshelby’s inclusion analysis method, we derive closed-form analytical solutions for the elastic field induced by the thermal inclusion. Inspired by Dundurs’ parameters, we introduce a new material parameter (ranging from -1 to 1) and five tensorially structured expressions to succinctly represent the analytical solution, facilitating its practical applications. For circular inclusion scenarios, the analytical solution simplifies significantly, and we derive explicit jump conditions for displacement, strain, and stress at the bonded interface of the bi-material. By adjusting the Young’s moduli and Poisson’s ratios of the bi-material, the solution can reduce to cases of a full or half-plane containing a thermal elliptical inclusion. The accuracy of the proposed solution is validated through consistency with previously published analytical results and by matching numerical solutions from the literature, confirming the correctness and reliability of the derived analytical expressions.

      • 0+1
      • 1+1
      • 2+1
      • 3+1
      • 4+1
      • 5+1
      • 6+1
      • 7+1
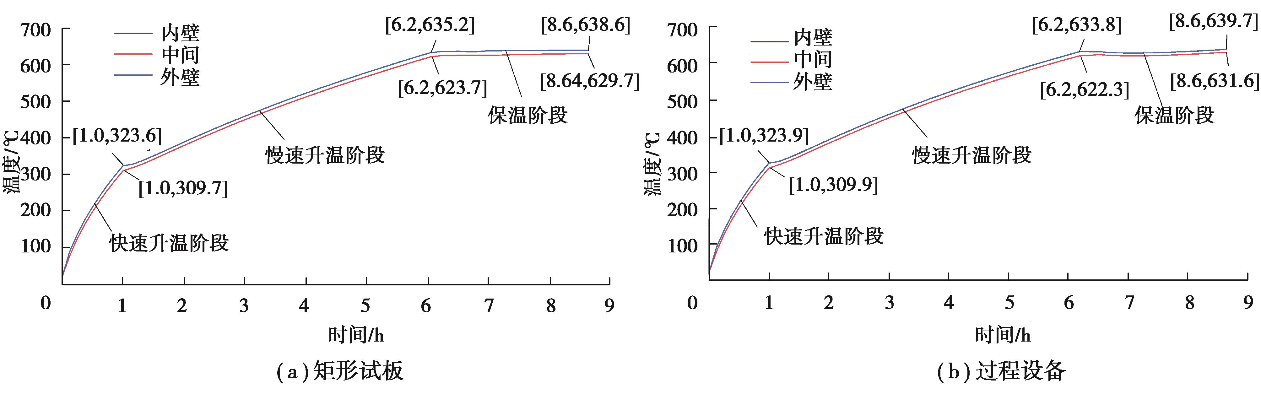
    • Simulation of in situ heat treatment processes for large equipment using a heat treatment test plate

      2025, 48(4):54-66. DOI: 10.11835/j.issn.1000-582X.2025.04.005

      Abstract (298) HTML (234) PDF 2.37 M (404) Comment (0) Favorites

      Abstract:To establish a localized heat treatment technique, a heat treatment test plate capable of withstanding destructive testing was developed. Through boundary condition analysis, the equivalent boundary conditions for both the heat treatment test plate and the process equipment were determined. The numerical thermal simulation method, implemented by ANSYS software and validated through experiments, was employed to analyze the heat treatment process for the test plate and the corresponding equipment. The results demonstrate that the temperature distribution and holding temperature of the test plate align closely with those of the equipment, confirming the feasibility of deriving the equipment’s heat treatment technique from the test plate results. However, the complex manufacturing processes of the test plate make single-use applications economically unviable. To enhance its utility, thermodynamic and heat transfer calculations were used to formulate equations for test plates with varying materials and thicknesses. These formulas allow for the determination of heat treatment techniques for equipment of different materials and thicknesses using a single test plate. The results indicate that the temperature gradient across the plate thickness increases with thickness, and when the thickness exceeds 120 mm, single-sided heating may cause treatment failure due to excessive temperature differences between the two sides. Moreover, material properties such as specific heat capacity and thermal conductivity influence the heat treatment process: materials with higher specific heat capacity have lower thermal conductivity, and higher heat treatment temperatures require longer processing times and greater energy consumption.

      • 0+1
      • 1+1
      • 2+1
      • 3+1
      • 4+1
      • 5+1
      • 6+1
      • 7+1
      • 8+1
      • 9+1
      • 10+1
      • 11+1
      • 12+1
      • 13+1
      • 14+1
    • >Communication, Computer and Automation Engineering
    • A finite volume-based phase field method for two-phase ferrofluid flows

      2025, 48(4):67-83. DOI: 10.11835/j.issn.1000-582X.2024.271

      Abstract (375) HTML (114) PDF 3.37 M (732) Comment (0) Favorites

      Abstract:This paper presents a finite volume method based on the weighted essentially non-oscillatory(WENO) scheme to develop a phase field method for simulating two-phase ferrofluid flows. The incompressible Navier-Stokes equations is used to describe fluide flow, the Cahn-Hilliard equation is adopted to capture interfacial motion of two-phase flow, and the Maxwell equation is used to describe external magnetic field distribution. At the same time, adding Kelvin force and surface tension to the fluid flow control equation to achieve the description of interface dynamic behavior by magnetic field. To address the challenges posed by the fourth-order nonlinear diffusion terms, the Cahn-Hilliard equation is decomposed into two Helmholtz equations. The fifth-order WENO scheme is employed to handle the convection term, enhancing computational accuracy and mitigating numerical oscillations. Validation through Zalesak’s disk problem shows that the proposed method achieves higher phase interface capture accuracy compared to existing references, while maintaining performance comparable to high-precision phase field methods. The method is applied to investigate droplet shear deformation, revealing its capability to capture more satellite droplets. Moreover,research on the shear deformation of ferromagnetic fluid droplets under the influence of magnetic fields and with lower capillary numbers indicates that the magnetic interfacial force favors droplet deformation when the external magnetic field direction aligns with the hydrodynamic deformation. Furthermore, increasing the magnetic field intensity leads to droplet splitting. Conversely, when the magnetic field is nearly perpendicular to the deformation direction, a low-intensity field alters the deformation trajectory, while a high intensity magnetic field enforces deformation along the magnetic field direction.

      • 0+1
      • 1+1
      • 2+1
      • 3+1
      • 4+1
      • 5+1
      • 6+1
      • 7+1
      • 8+1
      • 9+1
      • 10+1
      • 11+1
      • 12+1
      • 13+1
      • 14+1
      • 15+1
      • 16+1
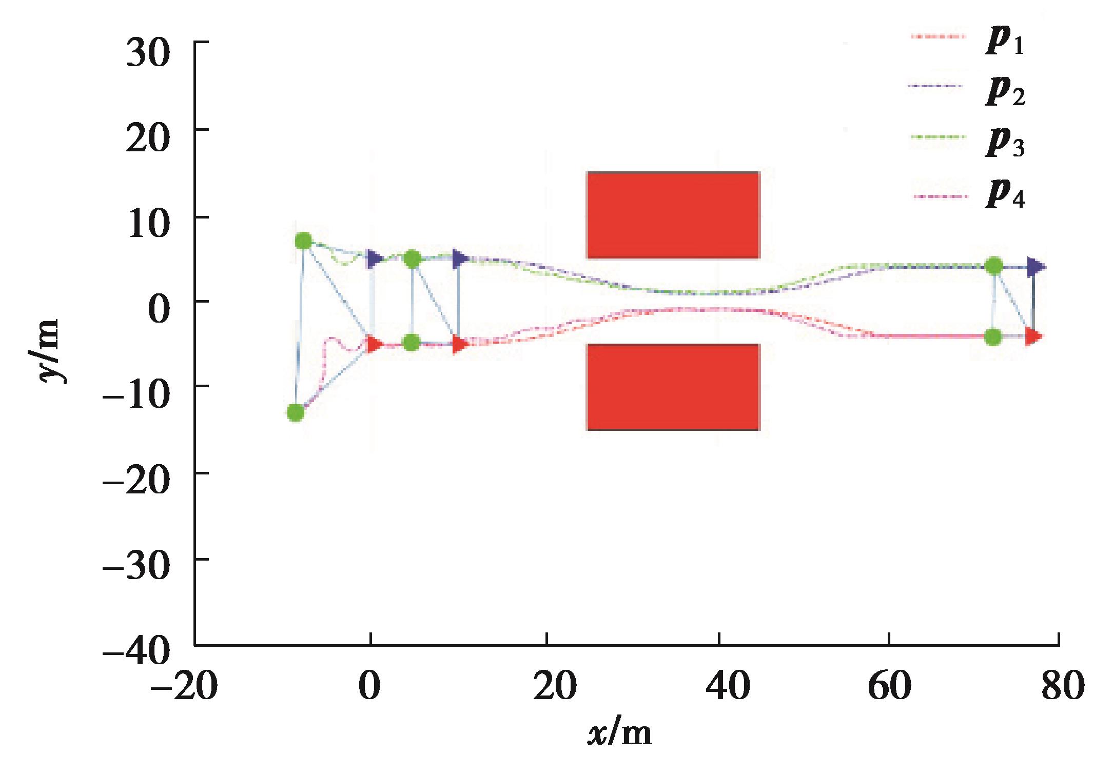
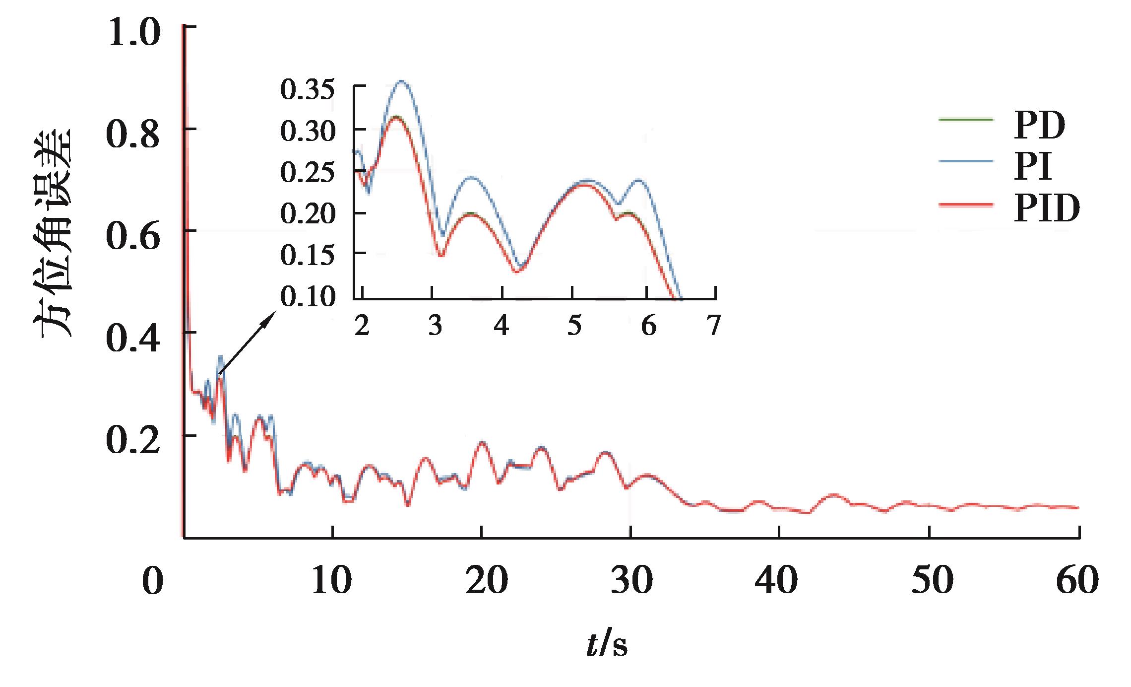
    • Dynamic formation control of wheeled robots based on azimuth information

      2025, 48(4):84-96. DOI: 10.11835/j.issn.1000-582X.2025.04.007

      Abstract (376) HTML (158) PDF 2.32 M (393) Comment (0) Favorites

      Abstract:Addressing the scenario in which each robot can only acquire the azimuth information of adjacent robots in dynamic formations with incomplete constraints, this paper proposes a distributed PID formation control algorithm based solely on azimuth information. With considering that the pilot robot is susceptible to disturbances such as wind direction or road surface irregularities, which may disrupt formation maintenance, the algorithm introduces relative position and velocity feedback of the follower robots. This approach effectively eliminates steady-state error, suppresses the influence of disturbances, improves system dynamic performance, and ensures global system stability. Then, the Routh-Hurwitz stability criterion is used for stability analysis, verifying the global stability of the formation system. Finally, simulation experiments compare the performance of the proposed control law with control laws based on pure proportional and proportional-integral strategies in terms of convergence speed and disturbance rejection. The results show that the proposed control law enables the formation to recover after disturbances and achieve rapid trajectory tracking of the leader, with the relative maximum deviation of the total azimuth error reduced by 5.4%.

      • 0+1
      • 1+1
      • 2+1
      • 3+1
      • 4+1
      • 5+1
      • 6+1
      • 7+1
      • 8+1
      • 9+1
      • 10+1
      • 11+1
      • 12+1
      • 13+1
      • 14+1
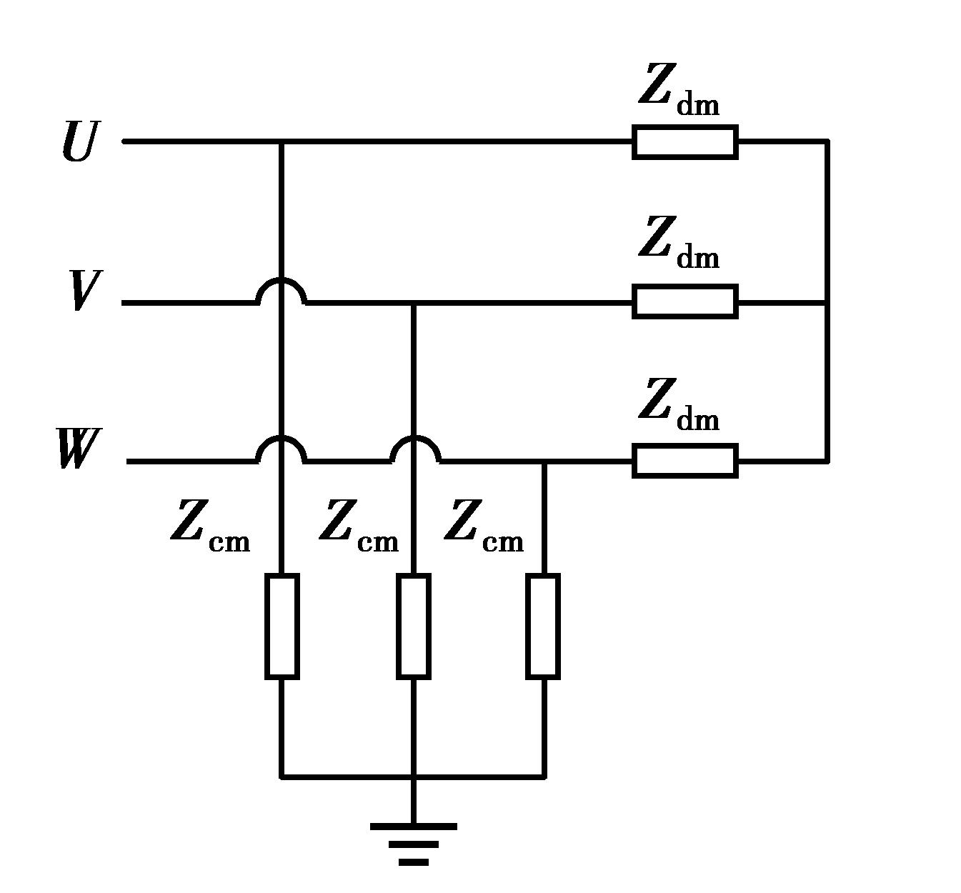
    • Electromagnetic compatibility performance optimization of E-axle drive

      2025, 48(4):97-107. DOI: 10.11835/j.issn.1000-582X.2025.04.008

      Abstract (432) HTML (265) PDF 3.38 M (506) Comment (0) Favorites

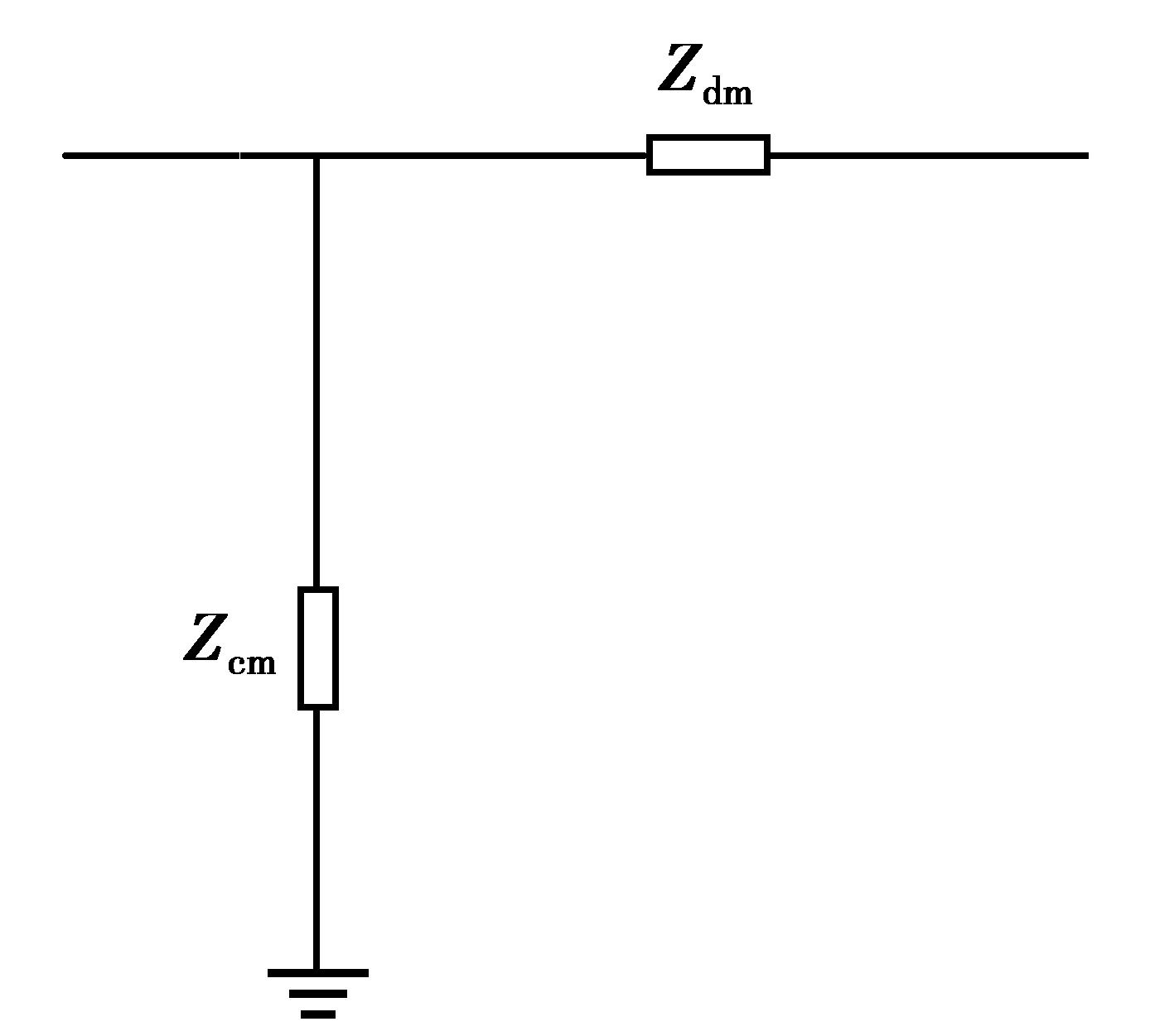
      Abstract:With the increasing adoption of electric vehicles, the electro magnetic compatibility(EMC) issues caused by high-frequency switching of power devices have become increasingly important. This paper analyzes the noise interference transmission path mechanism and establishes a conduction interference simulation model for the motor drive system. Closed-loop control is implemented based on the real vehicle control strategy using space vector pulse width modulation(SVPWM). An experimental test platform for conduction and radiation interference is constructed within an electromagnetic shielding chamber. By optimizing filtering, shielding, grounding, and loop design, the electromagnetic compatibility performance of the electric drive system is substantially improved. The results indicate that the optimized system exhibits significant enhancements in radiation emission, conduction current, and conduction voltage performance. This research provides robust data support for improving the electromagnetic compatibility performance of electric drives and offers valuable guidance for practical applications.

      • 0+1
      • 1+1
      • 2+1
      • 3+1
      • 4+1
      • 5+1
      • 6+1
      • 7+1
      • 8+1
      • 9+1
      • 10+1
      • 11+1
      • 12+1
      • 13+1
      • 14+1
    • Agricultural greenhouse temperature prediction based on the XGB-KF model

      2025, 48(4):108-114. DOI: 10.11835/j.issn.1000-582X.2025.04.009

      Abstract (277) HTML (134) PDF 1.41 M (437) Comment (0) Favorites

      Abstract:To address the challenge of agricultural greenhouse temperature measurement being highly susceptible to noise, which limits direct prediction accuracy, this study proposes an integrated prediction model, XGB-KF, combining XGBoost and the Kalman filter. First, the model estimates the current greenhouse temperature using XGBoost. Then, the Kalman filter dynamically adjusts the estimated result to refine the prediction. Numerical experiments are conducted using sensor data from a greenhouse in Zhuozhou, with root mean square error (RMSE) as the main evaluation metric. Compared with XGBoost, Bi-LSTM, and Bi-LSTM-KF methods, the XGB-KF model reduces RMSE by 5.22%, 10.85% and 7.45% respectively.

      • 0+1
      • 1+1
      • 2+1
      • 3+1
      • 4+1
      • 5+1
      • 6+1
      • 7+1
      • 8+1
    • Inspection of image fog Concentration using regression-fitting NR function and GPDR prior

      2025, 48(4):115-126. DOI: 10.11835/j.issn.1000-582X.2025.04.010

      Abstract (283) HTML (106) PDF 3.38 M (383) Comment (0) Favorites

      Abstract:Addressing the limitations of fog concentration inspection in image defogging, an algorithm based on the scatterplot prior of the generalized pixel difference-ratio(GPDR) and the Naka-Rushton(NR) fitting function was proposed. First, the GPDR prior for gray scatterplots in standard foggy image sets across various scenes was extracted. Next, the NR function, constrained by the prior, was introduced, and a lookup table of parameters (n,k) corresponding to fog concentration levels was established by calculating the parameters (n,k) of NR function for standard image sets. Regression analysis was then used to calculate the parameters (n',k') for real foggy images, and the comprehensive correlation coefficient between (n,k) and (n',k') was calculated. Parameters (n,k) with correlation coefficients exceeding a set threshold were considered indicative of the fog concentration level. Simulations show that the algorithm accurately reflect changes in fog concentration across images with varying densities. Additionally, correlation coefficients between the algorithm’s results and PM2.5 measurements reached up to 0.95, both within the same and across different scenes. This shows that the algorithm can be effectively used for fog concentration rating in visual field. Horizontal comparison tests show that the inspection accuracy of the proposed algorithm can reach up to 4.8%, making it suitable for field fog concentration detection.

      • 0+1
      • 1+1
      • 2+1
      • 3+1
      • 4+1
      • 5+1
      • 6+1
      • 7+1
      • 8+1
      • 9+1
      • 10+1
      • 11+1

Current Issue


Volume , No.

Table of Contents

Archive

Volume

Issue

Most Read

Most Cited

Most Downloaded