随着能源危机的逐渐加重,世界对于能源的有效利用越来越受到人们的关注,为了更好地节约电能和提高电能利用率,电能质量检测系统是必不可少的,而第一步就是做好电能质量参量的数据采集[1-2]。电能质量参量的准确采集是电能质量检测系统优劣的重要指标,同时,准确实时的数据采集也是谐波分析和无功补偿系统研究的重要前提。因此,如何准确实时地对电能质量参量进行采集成为国内外学者关注的问题。通常的做法往往是选择标准化硬件,硬件的增加导致系统的复杂程度增加,并且在数据采集的同时增加了成本和系统干扰。目前,大都采用DSP作为核心控制器,采用C系列语言编程,编程复杂,界面不够直观,给DSP的学习和开发带来不利影响,开发周期较长。
随着虚拟仪器技术的发展,LabVIEW作为第一个实现利用虚拟仪器和方框图进行图形化编程的平台,提供完整的数据采集模块和数据分析控件[3],利用软件模块代替硬件仪器,可以避免硬件连接和使用过程中的损害和维护等,提高系统的准确性和实时性,程序可读性强,大大缩短开发周期[4]。基于LabVIEW的FPGA工具包作为开发工具,研究设计了一套数据采集系统,实现了包括数据采集、数据分析与数据处理等功能,实验验证系统能够准确实时进行数据采集和处理,有良好的应用价值。
1 采集系统整体设计基于LabVIEW数据采集系统,由硬件和软件两部分组成,其结构框图如图 1所示。
|
图 1 基于LabVIEW数据采集系统整体设计框图 Figure 1 The overall design diagram of LabVIEW data acquisition system |
数据采集系统硬件采用NI sbRIO-9606板卡附加NI9683夹层板使用,软件由FPGA程序和上层VI组成。LabVIEW中为数据采集硬件提供驱动程序[5-6],用户通过驱动程序的用户接口Measurement & Automntion Explorer (MAX)对硬件进行各种必要的设置与测试,从而完成上位机与硬件之间的数据传递。LabVIEW的数据采集VI按Measurement & Automntion Explore中的设置采集数据,并进行相应的数据分析与处理[7-9]。
1.1 采集系统硬件设计NI sbRIO-9606嵌入式控制和采集设备在单块印刷电路板(PCB)上集成了实时处理器、可重新配置FPGA和I/O。它具有400 MHz工业处理器、Xilinx Spartan-6 LX45 FPGA、RIO夹层卡连接器;RIO夹层卡连接器是一类高速度、高带宽连接器,可直接访问处理器和96条3.3 V数字I/O FPGA线。sbRIO-9606在设计上能够轻松嵌入高容量的应用,具有灵活性和可靠性。
NI 9683是一款适用于任何NI Single-Board RIO设备的多模拟I/O和数字I/O板卡。用户可通过RIO夹层卡(RMC)连接器将所有输入和输出连接至NI Single-Board RIO控制器板卡。NI 9683提供了16路同步模拟输入通道与绝缘接地参考的连接;8路扫描模拟输入通道;借助NI 9683 I/O通道的多个功能,用户可将该板卡用于从与工业设备(如电磁阀、激励器、继电器)进行通信到电力电子和电机控制等一系列工业应用。
1.2 采集系统软件设计软件设计是整个数据采集系统的核心,采用模块化和层次化的编程思想,从底层FPGA到上层VI的层次化,不但增加程序的可读性和清晰性,还大大缩短开发周期[7]。LabVIEW的FPGA项目的建立必须通过项目管理器进行,在项目管理器下选择板卡NI 9606,然后手动创建FPGA项目,并配置相应的夹层板和IP,在FPGA终端(FPGA Target)创建FPGA VI,打开该VI进行编程,同时对于采集FPGA终端需要配置相应的采集范围,选择±10,将编好的FPGA程序进行编译即下载到板卡运行,然后经过顶层VI的调用、读取和关闭,采集数据。采集系统软件部分主要包括数据采集模块和功率模块设计[10],基于LabVIEW数据采集系统软件方框图如图 2所示。
|
图 2 数据采集系统软件方框图 Figure 2 Software block diagram of data acquisition system |
系统电压电流参量经过调理电路,得到±10范围内的信号,经过A/D转换送入NI 9683的模拟输入端口,LabVIEW利用FPGA模块进行数据采集,FPGA全称为现场可编程门阵列[8-9]。集成数字电路芯片都是由各种基本的门电路组成的,每种特定的芯片都是为特定功能设计的,虽然规模更大、功能更强的芯片能带来方便,但其种类繁多、功能各异给学习造成困难,而LabVIEW中的FPGA模块用软件来改变硬件功能,很好地解决了这个问题[11-12]。未上电之前,FPGA内部是空白的。上电后,通过读取里面存储的内容,FPGA会自动配置,形成了需要的功能芯片。数据采集FPGA程序框图及前面板如图 3所示。
|
图 3 FPGA程序 Figure 3 FPGA Program |
FPGA有自己的基准时钟,最高能达到400 MHz,通常采用40 MHz板载时钟,一个时钟周期即一个脉冲周期25 ns,以往单片机等采样硬件的采样时钟都是毫秒级的,因此,能保证FPGA数据采集的快速性和实时性。Ni的FPGA模块以LabVIEW作为基本开发环境,采用图形化编程,极大地方便开发,缩短开发周期。数据采集系统采集部分程序框图如图 4所示。
|
图 4 数据采集部分程序框图 Figure 4 The program block diagram of data acquisition |
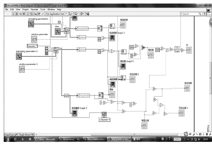
对电能质量的检测,功率模块是不可缺少的,利用FFT算法对采样信号电压电流进行分析得到各自的相频和幅频特性,求出电压电流的相位差,从而求得功率因数PF,采样信号为线电压和线电流,经过RMS单元得到线电压和线电流的有效值,根据三相电路功率计算公式,再根据有功功率、无功功率、视在功率和功率因数之间的关系[13-14],得到视在功率、有功功率和无功功率。其软件流程图如图 5所示。
|
图 5 功率模块软件流程图 Figure 5 Power module software flow chart |
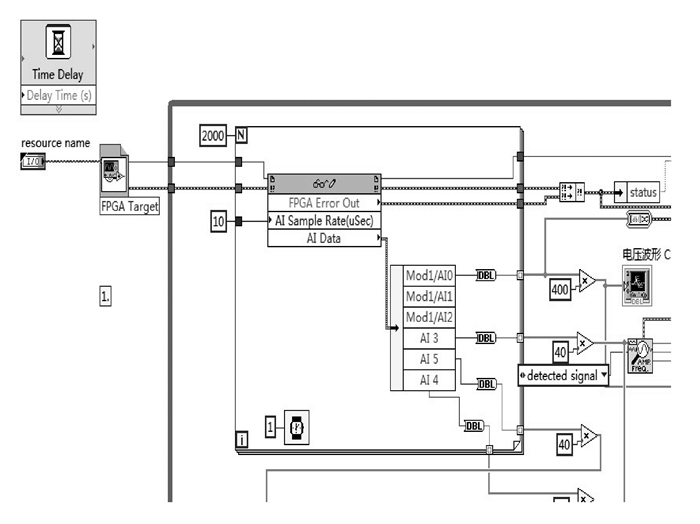
基于LabVIEW数据采集系统,对电能质量的电压、电流参量进行数据采集,所采集系统为三相供电系统,AI0-AI2为三相电压A, B, C,AI3-AI5为三相电流,通过FPGA程序采集数据,顶层VI通过调用FPGA程序,读取采样结果,提取采样数据,从而进行功率运算,数据采集系统程序框图如图 6所示。
|
图 6 功率模块部分程序框图 Figure 6 The program block diagram of power module |
从图中可以看到其中一相的电压为标准正弦波,其有效值为380V,电流波形含有谐波,其基波如图为标准正弦波,同时还可观测到电压电流的幅频特性,经过处理得到视在功率、有功功率、无功功率和功率因数。实验用HIOKI3169-20钳式功率计检测结果与之对照,HIOKI3169-20钳式功率计的检测精度为有功功率:±0.2%rdg。
以电能质量分析仪的视在功率1 338.9VA为测量真值,检测系统测量值如表 1所示。
| 表 1 检测参数表 Table 1 Detection parameters |
经过实验运行得到的结果如图 7所示。
|
图 7 数据采集系统前面板 Figure 7 Front panel of Data acquisition system |
由表中可知,以电能质量分析仪测量值作为系统真值,得到采集系统采样误差为0.12%,采样精度为0.26%,在误差允许的范围内,达到测量要求。
3 结语LabVIEW是一套专为数据采集与仪器控制、数据分析和数据表达而设计的一种图形化编程软件,虚拟仪器技术是当前测控领域应用和研究的重要方向之一,将其应用于实际电能质量检测中,节省了项目开发时间,增强了系统的开放性。笔者设计的基于LabVIEW的数据采集系统,使用现场可编程门阵列(FPGA)实现软件,同时,加入了传统仪器不具备的数据分析与处理能力。对潜油电泵电压、电流参量进行采集,通过软件分析处理得到功率参数,所得结果与电能质量检测仪测量结果在误差允许范围内相符,实验验证了系统的准确性,具有一定的应用价值。
| [1] |
陈树学, 刘萱. LabVIEW宝典[M]. 北京: 电子工业出版社, 2011.
CHEN Shuxue, LIU Xuan. LabVIEW collection[M]. Beijing: Publishing House of electronics industry, 2011. (in Chinese) |
| [2] |
徐超.LabVIEW在实时测控系统中的应用研究[D].重庆:重庆大学, 2005. XU Chao. Application on the measure and control system based on LabVIEW[D]. Chongqing: Chongqing University, 2005.(in Chinese) |
| [3] |
杨忠仁, 饶程, 邹建, 等.
基于LabVIEW数据采集系统[J]. 重庆大学学报:自然科学版, 2004, 27(2): 32–35.
YANG Zhongren, RAO Cheng, ZHOU Jian, et al. Study on data acquisition system by using LabVIEW[J]. Journal of Chongqing University:natural science edition, 2004, 27(2): 32–35. (in Chinese) |
| [4] |
向科峰.
基于LabVIEW的数据采集系统设计与实现[J]. 机械管理开发, 2011(4): 191–192.
XIANG Kefeng. The design and implement of data acquisition system based on LabVIEW[J]. Mechannical Management and Development, 2011(4): 191–192. (in Chinese) |
| [5] |
高玺亮.基于LabVIEW的电能质量分析系统的研究[D].哈尔滨:哈尔滨理工大学, 2012. GAO Xiliang. Study of power quality analysis system used on LabVIEW[D]. Harbin: Harbin University of Science and Technology, 2012.(in Chinese) http://cdmd.cnki.com.cn/Article/CDMD-10214-1013173899.htm |
| [6] | Kocatepe C, Nan A, Kan O, et al. Power quality assessment of grid-connected wind farms considering regulations in turkey[J]. Renewable & Sustainable Energy Reviews, 2009, 13(9): 2553–2561. |
| [7] | Member T K S, Member M K, Member K I. Development of recursive interpolated d/fft for on-line and highly accurate frequency analysis[J]. IEEE Transactions on Electrical & Electronic Engineering, 2008, 3(5): 574–582. |
| [8] | Yang H, Bi Z. The power quality monitoring system based on virtual instrument[J]. World Congress on Software Engineering, 2009, 4: 243–245. |
| [9] | Salehi V, Mazloomzadeh A, Mohammed O. Real-time analysis for developed laboratory-based smart micro grid[C]//Power and Energy Society General Meeting. [s.n.]:IEEE, 2011:1-8. |
| [10] | Wang W, Xu Y, Khanna M. A survey on the communication arehiteetures in Smart grid[J]. Computer Networks, 2011, 55(15): 3604–3629. DOI:10.1016/j.comnet.2011.07.010 |
| [11] | Chen A, Liu J. A kind of virtual oscilloscope used in experiment teaching based on sound card and LabVIEW[C]//ETT′09 Proceeding of the 2009 Second International Conference on Education Technology and Training. Washington, DC:IEEE Computer Society, 2009:118-121. |
| [12] |
黄武煌, 王厚军.
一种高速并行采样技术的实现[J]. 电子测量与仪器学报, 2009, 8: 161–167.
HUANG Wuhuang, WANG Houjun. Research and implementation of ultra-high-speed parallel sampling technology[J]. Journal of electronic measurement and instrument, 2009, 8: 161–167. (in Chinese) |
| [13] | Liu Y, Han Y, Yu S. Research and development of virtual oscillo graph based on LabVIEW[J]. Industrial Informatics, Singapore, 2006, 1: 56–170. |
| [14] |
杜芳.基于LabVIEW的PXI虚拟数字示波器设计[D].哈尔滨:哈尔滨工业大学, 2010. DU Fang. The design of PXI virtual digital ascilloscope besed on LabVIEW[D]. Harbin: Harbin Institute of Technology, 2010.(in Chinese) http://cdmd.cnki.com.cn/Article/CDMD-10213-1011279458.htm |
2015, Vol. 38

