2. 重庆市计量质量检测研究院 重庆 401121;
3. 重庆文理学院 电子电气工程学院 重庆 402160
2. Chongqing Institute of Measurement and Quality Inspection, Chongqing 401121, P. R. China;
3. Electronic and Electrical Engineering College, Chongqing Academy of Arts and Sciences, Chongqing 402160, P. R. China
励磁系统是发电机组非常重要的组成部分,性能上佳的励磁系统与其功率单元的稳定运行是密不可分的,优良的励磁系统功率单元不但可以保证励磁系统的安全性和可靠性,还对整个发电机组的技术指标有显著的提高[1-2]。但在功率单元的正常运行过程中,其主回路的运行情况起着决定作用。通过大量现场数据总结研究发现,发电机组励磁系统功率单元主回路的最常见故障是其整流回路的晶闸管发生故障,晶闸管的故障又分为晶闸管直通故障、晶闸管开路故障[3-5]。晶闸管直通故障是指当三相主回路中任意相电路中晶闸管发生故障使其该相电路直通,从而造成该相电路发生短路,引起该相电路电流急剧上升,导致系统保护动作切除短路故障,通常晶闸管直通故障包括晶闸管被短路;晶闸管开路故障是指当三相主回路任意桥臂的晶闸管发生故障时,该相桥臂电路依然能够正常工作,但是其输出的励磁电压波形出现畸变并且脉动明显增大,其平均输出电压明显降低,使得整个发电机组不能够正常稳定的工作,其常见故障变为晶闸管损坏、熔断等[6]。
现阶段大多数发电机组功率单元发生故障时[7],通常的故障诊断并不能准确地发现发生故障的具体晶闸管,目前,发电机组主回路故障的诊断主要有以下方法:通过快速傅里叶分析还原电压波形,建立诸如模式识别、模糊故障诊断、信息融合故障诊断、智能体故障诊断、BIT故障诊断、神经网络故障诊断、专家系统故障诊断、网络化故障诊断、集成化故障诊断等算法建立数学模型,然后通过虚拟仪器为基础建立故障诊断系统,该方法模型建立复杂,最后得到的真实结果往往需要大量的编程和调试,最后得出诊断故障结果并不快速和准确[8-10]。另外,传统的故障诊断算法,比如模糊诊断模型研究对象过于复杂;智能体故障诊断往往需要在特定的环境下才能适用[11];神经网络故障诊断的故障元定位不准确;信息融合故障诊断系统内某一部位或者某一设备发生故障时,将通过信息传导表现为整个系统的一个故障;专家系统故障诊断有些情况是用以牺牲性能为代价,用来保证系统在规定的时间内正常运行[12]。同时,现阶段对模拟电路进行的故障诊断也一直是电子工业的研究重点,考虑到故障模型匮乏、电路元件非线性等因素的影响,模拟电路被视为最不稳定的可测系统,其故障诊断依然存在诸多难题。例如外界噪声的随机干扰、无故障元件偏离其容限允许程度的未知性以及软故障的不确定性等问题,准确地诊断模拟电路故障带来很大困难[13]。
笔者以功率单元三相整流回路为重点研究对象,通过分析总结励磁系统功率单元的故障类型和常见故障,建立励磁系统功率主回路仿真模型以模拟主要故障现象[14];然后根据励磁系统功率单元三相整流回路的结构和故障特点非线性、参数时变性以及诊断方法的实时性,研究基于频谱分析的定量故障特征提取和故障分类,提供了一种快速有效的针对功率单元主回路的故障诊断方法。
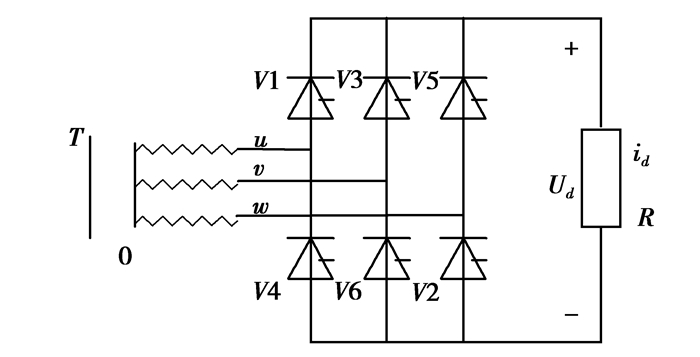
1 功率单元主回路工作原理及故障类别发电机组转子回路可以当做为一个很大的电感,励磁系统功率单元主回路主要部分为三相全控整流电路,三相桥式全控电路既可以工作于整流工作状态,将交流转换为直流,用来供给发电机组转子绕组励磁;也可以工作于逆变工作状态,将直流转换为交流,将其反馈给发电机组实现对其的灭磁作用[13-14]。
图 1所示为发电机组励磁系统功率单元主回路三相可控晶闸管整流桥回路[15],上半桥由共阴极的3个可控晶闸管T1、T3、T5组成,当工作于正半周期时导通,下半桥由共阳极的3个可控晶闸管T4、T6、T2组成,当工作于负半周期时导通。如果自然换相点当做计算触发角的起点,即触发角在0~90°触发时,功率单元主回路处于整流工作状态;触发角在90°~180°触发时,功率单元主回路处于逆变工作状态。当整流回路正常工作时,输出的励磁工作电压每个周期脉动6次,且每一个工频周期脉动波形由6个相同的波头构成,晶闸管的导通顺序依次为:T6、T1、T2、T3、T4、T5、T6。在发电机组励磁系统功率单元主回路运行过程中,可控晶闸管的断开或者触发脉冲丢失是最常见的故障,当此类故障发生时[16-18],其端口励磁电压输出波形产生一定的规律,通过对规律的总结分析可以得出可控晶闸管是否发生故障的信息。综合总结各类故障信息,可将晶闸管故障[19-21]大致分为3种情况,即单管故障、双管故障、三管故障。通过大量的数据表明[21-24],通常情况下励磁系统主回路工作的时候,往往3个晶闸管同时发生故障的概率非常小,故在故障诊断分析时将三管故障的情况排除,重点分析了单管故障与双管故障。单管故障即为VT1、VT3、VT5、VT4、VT6、VT2;双管故障又分为上下桥臂的2个晶闸管故障VT1VT4、VT1VT6、VT1VT2、VT3VT4、VT3VT6、VT3VT2、VT5VT6、VT5VT2,上桥臂的2个晶闸管故障VT1VT3、VT1VT5、VT3VT5,下桥臂的2个晶闸管故障VT4VT6、VT4VT2、VT6VT2。其中晶闸管发生短路、触发信号丢失等故障表现均为相应的晶闸管发生故障,故上述单管故障和双管故障模式可以代表发电机组励磁系统功率单元主回路故障的全部故障。
|
图 1 功率单元主回路简化电路 Figure 1 Simplified circuit of main circuit of power unit |
用Matlab中Simulink模块对其发电机组励磁系统功率单元主回路进行仿真,在仿真模型中只需改变故障所在单元,即可获得针对功率单元主回路晶闸管的一组形象的频谱曲线图像,针对故障单元的频谱分析是故障诊断中的主要研究策略,通过二次定位确立诊断规则,能够快速方便地诊断出故障晶闸管的位置。
利用Simulink模块针对发电机组功率单元主回路建模非常方便,将建模时所需的模块放入建模窗口,将各个模块连线正确地连接,设置合适的参数[24]。设置的仿真参数包含了仿真的起始时间、终止时间、仿真算法、最大相对误差、固定步长等,具体的参数设置需要根据主回路模型的性质以及对仿真需求来决定。主回路模型搭建中算法的选定,对后面仿真的正确性以及仿真时间很大程度上起到决定性的作用。当对仿真模型中元器件参数选取时,一定要考虑到电压、频率等级需要相匹配的问题,在选择可控硅晶闸管时需要注意其参数的设置范围,合理地调节各个参数的数值可以使得整个功率单元主回路输出正确的连续完整波形,而电阻、电感、电容等阻抗性元件可以直接参考原始值,不需要设置参数的元器件将其设置为零即可。图 2为将各个模块正确连接之后的发电机组功率单元主回路模型[25-27]。模型中用的是3个交流电源组成的三相正弦交流电源,幅值均为380 V,频率为50 Hz, 相位依次相差120°,分别为:U(A)=220sin (wt-120°)、U(B)=220sin (wt)、U(C)=220sin (wt+120°),Synchronized 6-Pulse Generator模块为主回路中可控硅晶闸管提供的触发脉冲,alpha_deg为触发角,可控硅晶闸管的触发角就是通过alpha_deg来设置,pulses为该Synchronized 6-Pulse Generator触发模块的输出口,其产生的宽脉冲和双窄脉冲相位上相差60°,通过该输出口为可控硅晶闸管提供触发脉冲。
|
图 2 功率单元主回路仿真模型 Figure 2 Simulation model of main circuit of power unit |
通过仿真分析了单个桥臂故障和2个桥臂故障的情况,传感器采集励磁变二次侧交流电流。对交流电流的波形总结分析,得到故障分部真值表,该真值表包含了所有电流波形情况和相应故障的一一对应关系。
首先,仿真单个可控硅晶闸管发生故障的是波形,此时闭环电流大小为300 A,通过设置晶闸管的延时时间模拟故障状态,分别设置可控硅晶闸管VT1、VT3、VT4、VT6单个的延迟时间,得到如图 3~6所示的单管故障时闭环电流波形图,通过波形的情况,可以清楚地看到,当整流桥上半桥的单管发生故障时,故障晶闸管的电流波形上波头缺失,整流桥下半桥单管发生故障时,其故障晶闸管的电流波形下半波头缺失[28]。
|
图 3 可控硅晶闸管VT1发生故障时的波形 Figure 3 The waveform of thyristor VT1 |
|
图 4 可控硅晶闸管VT3发生故障时的波形 Figure 4 The waveform of thyristor VT3 |
|
图 5 可控硅晶闸管VT4发生故障时的波形 Figure 5 The waveform of thyristor VT4 |
|
图 6 可控硅晶闸管VT6发生故障时的波形 Figure 6 The waveform of thyristor VT5 |
图 7、图 8为上下桥臂同时发生一个可控硅晶闸管故障时的电流波形,电流闭环300A分别仿真了VT1VT4、VT1VT6两个管子故障,通过对仿真闭环电流波形的分析,可以清楚地看到:当VT1和VT4同时发生故障时,其第一个波形的上下波头同时丢失,呈一条直线;当VT1和VT6同时发生故障时,第一个波形的上半波头和第二个波形下半波头缺失。
|
图 7 可控硅晶闸管VT1和VT4发生故障时的波形 Figure 7 The waveform of thyristor VT1 and VT4 |
|
图 8 可控硅晶闸管VT1和VT6发生故障时的波形 Figure 8 The waveform of thyristor VT1 and VT6 |
图 9、图 10为同上桥臂或者同下桥臂同时发生两个可控硅晶闸管故障时的电流波形,电流闭环为300A,分别仿真了VT1VT3、VT1VT5的故障,通过对仿真闭环电流波形的分析,可以清楚地看到:当VT1VT3同时发生故障时,第一个波形和第二个波形的上半波头缺失,第三个波形的下半波头缺失;当VT1VT5同时发生故障时,第一个波形和第三个波形的上半波头缺失,第二个波形的下半波头缺失。
|
图 9 可控硅晶闸管VT1和VT3发生故障时的波形 Figure 9 The waveform of thyristor VT1 and VT3 |
|
图 10 可控硅晶闸管VT1和VT5发生故障时的波形 Figure 10 The waveform of thyristor VT1 and VT5 |
通过对发电机组功率单元主回路的建模,延迟可控硅晶闸管仿真时间模拟故障的发生,总结单个可控硅晶闸管故障、上下桥臂交叉2个可控硅晶闸管故障、同上桥臂或同下桥臂可控硅晶闸管故障闭环电流波形情况[29-30],提出发电机组功率单元主回路可控硅晶闸管故障的真值表,如表 1所示:正常电流用0表示,只有正向电流用1表示,只有负向电流用-1表示,*电流为0,该表覆盖了所有可控硅晶闸管故障信息,通过该真值表能够快速准确地发现可控硅晶闸管故障的具体位置。
| 表 1 可控硅晶闸管故障真值表 Table 1 True value for thyristor fault |
对单个可控硅晶闸管故障,上下桥臂2个交叉可控晶闸管故障,同上或同下桥臂2个可控硅晶闸管故障验证分析:假设单个可控硅晶闸管VT5发生故障,按照表 1所示,如果VT5管子发生故障,Ia的电流值为0(表示正常), Ib的电流值为0(表示正常),Ic的电流值为-1, 即仿真闭环电流的第三个波形在发生故障之后上波头缺失,通过仿真得到闭环电流波形如图 11所示,通过图 11电流波形图验证了单个可控硅晶闸管故障时真值表的正确性。
|
图 11 可控硅晶闸管VT5发生故障时的波形 Figure 11 The waveform of thyristor VT5 |
假设上下桥臂2个交叉可控晶闸管VT1VT2发生故障,按照表 1所示,如果VT1VT2发生故障,Ia的电流值为-1, Ib的电流值为0(表示正常),Ic的电流值为1, 即仿真闭环电流的第一个波形在发生故障之后上波头缺失,第三个波形下半波头缺失,通过仿真得到闭环电流波形如图 12所示,通过图 12电流波形图验证了上下桥臂2个交叉可控晶闸管故障时真值表的正确性。
|
图 12 可控硅晶闸管VT1VT2发生故障时的波形 Figure 12 The waveform of thyristor VT1 and VT2 |
假设同上或同下桥臂2个可控硅晶闸管故障VT3VT5发生故障,按照表 1所示,如果VT3VT5管子发生故障,Ia的电流值为1, Ib的电流值为-1,Ic的电流值为-1, 即仿真闭环电流的第一个波形在发生故障之后下半波头缺失,第二个波形上半波头缺失,第三个波形上半波头缺失,通过仿真得到闭环电流波形如图 13所示,通过图 13电流波形图验证了同上或同下桥臂2个可控硅晶闸管故障时真值表的正确性。
|
图 13 可控硅晶闸管VT3VT5发生故障时的波形 Figure 13 The waveform of thyristor VT3 and VT5 |
利用仿真软件Matlab中Simulink模块对发电机组功率单元主回路进行了仿真,仿真得出的电流波形清晰准确,通过模拟了单晶闸管故障、同一相电源的两只晶闸管故障、同一半桥中的两只晶闸管故障、交叉两只晶闸管故障、三相桥臂中各有一只晶闸管故障且为上下交叉故障、任意二相桥臂中共三只晶闸管故障、三相桥臂中各有一只晶闸管故障,同时,给出了双桥并联时某一桥晶闸管故障的电流波形,分析故障状态下闭环电流波形特征,提出可控硅晶闸管故障的真值法,定量地分析并诊断励磁系统功率单元主回路中典型的故障。通过仿真实验论证了该方法的正确性,使得针对可控硅晶闸管故障类别的诊断更加快速和实用。当然,这种方法还仅仅在仿真实验中得到验证,在现有复杂的诊断办法中做出的改进诊断方法,而用于实际的故障还需要进一步研究探讨。
| [1] |
肖志怀, 张诚.
励磁功率单元模型参考故障诊断方法[J]. 水电自动化与大坝监测, 2002, 26(6): 10–14.
XIAO Zhihuai, ZHANG Cheng. The reference method for fault diagnosis of excitation power unit model[J]. Hydropower Automation and Dam Monitoring, 2002, 26(6): 10–14. (in Chinese) |
| [2] |
王亮, 王文策.
基于Simulink的发电机励磁系统整流单元的建模与仿真[J]. 研究与分析, 2011, 5(3): 25–29.
WANG Liang, WANG Wence. Modeling and simulation of the excitation system of generator rectifier unit based on simulink[J]. Research and Analysis, 2011, 5(3): 25–29. (in Chinese) |
| [3] |
刘取. 电力系统稳定性及发电机励磁控制[M]. 北京: 中国电力出版社, 2007.
LIU Qu. Power system stability and control[M]. Beijing: Chinese Power Press, 2007. (in Chinese) |
| [4] |
秦华标, 林士胜, 赖声礼, 等.
电网测试与分析专家学院[J]. 小型微型计算机学院, 2000, 21(5): 541–543.
QIN Huabiao, LIN Tusheng, LAI Shengli, et al. An expert system for power system based on parameter testing[J]. Mini-micro Systems, 2000, 21(5): 541–543. (in Chinese) |
| [5] |
王海. 水轮发电机组状态检修技术[M]. 3版. 北京: 中国电力出版, 2004.
WANG Hai. The technology of condition based maintenance of hydro generating unit[M]. 3rd edition. Beijing: Chinese Power Press, 2004. (in Chinese) |
| [6] | Liu B, Zhuo F, Bao X. Control method of the transient compensation process of a hybrid energy storage system based on battery and ultra-capacitor in micro-grid[J]. IEEE International Symposium on Industrial Electronics, 2012: 1325–1329. |
| [7] |
毕天姝, 倪以信, 吴复立.
基于混合神经网络和遗传算法的故障诊断系统[J]. 现代电力, 2005, 10(2): 31–36.
BI Tianshu, NI Yixin, WU Fuli. Hybrid fault diagnosis system based on neural network and genetic algorithm[J]. Modern Power, 2005, 10(2): 31–36. (in Chinese) |
| [8] | Assaf T, Bechta Dugan J. Automatic generation of diagnostic expert systems from fault trees[C]//Reliability and Maintainability Symposium, 2003. Annual: IEEE, 2003:143-147. |
| [9] | Orelind G, Wozniak L, Medanic J, et al. Optimal PID gain schedule for hydrogenerators-design and application[J]. IEEE Transactions on Energy Conversion, 1989, 4(3): 300–307. DOI:10.1109/60.43228 |
| [10] |
陆继明, 毛承雄, 范澍, 等. 同步发电机微机励磁控制[M]. 北京: 中国电力出版社, 2005.
LU Jiming, MAO Chenxiong, FAN Peng, et al. Microcomputer excitation control of synchronous generator[M]. Beijing: Chinese Power Press, 2005. (in Chinese) |
| [11] |
李先彬. 电力系统自动化[M]. 5版. 北京: 中国电力出版社, 2007.
LI Xianbin. Automation of electric power systems[M]. 5th edition. Beijing: Chinese Power Press, 2007. (in Chinese) |
| [12] | Hao C, Wu Y. Preliminary research on key technologies and problems of using domestic turbine governors for three gorges project[J]. Journal of Yangtze River Scientific Research Institute, 2003, 20: 53–55. |
| [13] |
李鹏华, 蒋建春, 邱宝梅, 等.
模拟电路在小波能量描述下的Hopfield神经网络故障诊断方法[J]. 重庆大学学报, 2014, 37(7): 136–145.
LI Penghua, JIANG Jianchun, QIU Baomei, et al. A fault diagnosis method of analog circuit using energy calculation and hopfild neural network[J]. Journal of Chongqing University, 2014, 37(7): 136–145. (in Chinese) |
| [14] |
吴今培, 肖建华. 智能故障诊断与专家系统[M]. 北京: 科学出版社, 1997.
WU Jinpei, XIAO Jianhua. Intelligent fault diagnosis and expert system[M]. Beijing: Science Press, 1997. (in Chinese) |
| [15] |
徐德鸿, 马皓. 电力电子装置故障自动诊断[M]. 北京: 科学出版社, 2001.
XU Dehong, MA Hao. Fault diagnosis of power electronic device[M]. Beijing: Science Press, 2001. (in Chinese) |
| [16] | Ayasun S, Gelen A. Stability analysis of a generator excitation control system with time delays[J]. Electrical Engineering, 2010, 91(6): 347–355. DOI:10.1007/s00202-009-0142-x |
| [17] | Yu Y, Bai Y, Xi G, et al. Fault analysis expert system for power system[C]//PowerCon 2004. 2004 International Conference on Power System Technology. Singapore: Powercon 2004(11):1822-1826. |
| [18] | Wei Q, Harley R G. Fault-tolerant optimal neurocontrol for a static synchronous series compensator connected to a power network[J]. IEEE Trans on Industry Applications, 2008, 44(1): 74–84. DOI:10.1109/TIA.2007.912730 |
| [19] | Benarouche A, Milanovic J V, Hughes F M. Improvement in power system voltage control and power transfer capabilities using enhanced generator excitation control[J]. Iet Digital Library, 2002: 275–280. |
| [20] | Fusco G, Russo M. A nonlinear control of synchronous generator excitation for voltage regulation in power systems[J]. Control & Automation Mediterranean Conference on, 2008: 158–162. |
| [21] | Lahdhiri T, Alouani A T. Design of a nonlinear excitation controller for a synchronous generator using the concept of exact stochastic feedback linearization[C]//American Control Conference, 1997. Proceedings of the 1997. IEEE, 1997:1963-1967. |
| [22] |
杜一, 郁惟镛.
采用神经网络和专家系统的变电站故障诊断系统[J]. 电力自动化学报, 2003, 15(5): 28–29.
DU Yi, YU Huaiyong. A substation fault diagnosis system using artificial neural network and expert system[J]. Journal of Electric Power Automation, 2003, 15(5): 28–29. (in Chinese) |
| [23] | Chen Z H, Xia H, Liu M. Study of expert system of fault diagnosis for nuclear power plant[J]. Nuclear Power Engineering, 2005, 26(5): 523–527. |
| [24] |
王仲生. 智能故障诊断与容错控制[M]. 2版. 西安: 西北工业大学出版社, 2005.
WANG Zhongsheng. Intelligent fault diagnosis and fault tolerant control[M]. 2nd editio. Xi'an: Northwestern Polytechnical University press, 2005. (in Chinese) |
| [25] |
徐显明, 张江滨.
基于R-NN的可控硅励磁系统故障诊断[J]. 微计算机信息, 2007, 23(25): 186–188.
XU Xianming, ZHANG Jiangbin. Fault diagnosis of silicon controlled excitation system based on R-NN[J]. Microcomputer Information, 2007, 23(25): 186–188. (in Chinese) |
| [26] |
张雨, 徐小林, 张建华. 设备状态监测与故障诊断的理论和实践[M]. 北京: 国防科技大学出版社, 2000.
ZHANG Yu, XU Xiaolin, ZHANG Jianhua. The theory and practice of equipment condition monitoring and fault diagnosis[M]. Beijing: National University of Defense Technology press, 2000. (in Chinese) |
| [27] | Wrate C A, Wozniak L. Hydrogenerator system identification using a simple genetic algorithm[J]. IEEE Transactions on Energy Conversion, 1997, 12(1): 60–65. DOI:10.1109/60.577281 |
| [28] | Zalis K. Application of expert systems in diagnostics of high voltage insulating systems[C]//Proceedings of the 2004 IEEE International Conference on Solid Dielectrics. [s.n]: IEEE, 2004:691-694. |
| [29] |
张俊良, 李晓波.
基于Labwindows/CVI的发电励磁系统故障诊断[J]. 电机与控制应用, 2012, 39(9): 51–56.
ZHANG Junliang, LI Xiaobo. Fault diagnosis of generator excitation system based on Labwindows/CVI[J]. Motor and Control Application, 2012, 39(9): 51–56. (in Chinese) |
| [30] | Valverde L, Bordons C, Rosa F. Power management using model predictive control in a hydrogen-based microgrid[C]//IECON 2012-38th Annual Conference on IEEE Industrial Electronics Society.[s.n]: IEEE, 2012:5669-5676. |
2015, Vol. 38

