脉冲功率电源是基于电力电子和高电压与绝缘学科的产物,主要技术包括脉冲功率技术、电磁技术、自动控制技术和现代电源技术等。所谓脉冲功率技术就是把“慢”储能起来的具有较高能量密度的能量,进行压缩转化对负载实现“快”释放的电物理技术[1]。高压脉冲电源广泛应用于电磁脉冲发射研究、等离子体物理与受控核聚变研究、生物医学、食品加工、粒子束武器等领域[1-2]。
高压脉冲电源的脉冲波形包括方波、三角波、正弦波、衰减波、多电平组合波等多种。由于方波较其他波形的通用性更好,能量利用率更高而被广泛选用。在高压方波波形的实现,涉及复杂的高压脉冲波形调制和传输线技术[3]。高压脉冲电源的极性一般可分为单极性和双极性脉冲,相对于单极性脉冲电源,双极性脉冲电源在食品杀菌、水处理等方面表现出更优异的性能,能量利用效率更高;在烟气脱硫处理上,双极性供电可以降低火花击穿频率以及更好的脱硫效果;在绝缘测试领域,双极性测试脉冲更符合变频失效机理,并且更易实现相关标准的规范化等。其中,采用双极性脉冲电源更详尽的理论依据分析将在主要研究领域部分加以阐述。由于双极性脉冲在越来越多的场合发挥出明显的优势,继而引起越来越多学者对高频高压双极性方波脉冲电源的研究兴趣。
对双极性高频高压方波脉冲电源主要应用领域和发展情况进行了相应概述。以固态电力电子开关器件为基础,对双极性高频高压方波脉冲电源的几种主要技术实现方案进行了归纳。对能够改善双极性高频高压脉冲电源性能的均压技术和脉冲沿的陡化技术进行了介绍,同时对双极性高频高压脉冲电源的未来发展进行展望。
1 主要应用领域 1.1 食品杀菌领域随着科技的进步,人们对食品安全问题逐渐重视,如今常用的食品杀菌方法主要包括热杀菌和非热杀菌两种技术途径。热杀菌技术包括巴氏杀菌、高温杀菌、短时超高温杀菌、欧姆加热杀菌、微波杀菌等,被广泛应用的是巴氏杀菌技术[4]。非热杀菌技术是利用热力之外的其他物理化学手段,在几乎不影响被处理液体食品的温度的情况下使微生物被杀灭的技术。非热杀菌技术主要有超高压力杀菌、脉冲强光杀菌、脉冲磁场杀菌、高压脉冲电场杀菌等[5-7]。其中,高压脉冲电场杀菌技术更是得到了广泛研究。
高压脉冲电场灭菌装置是脉冲电场灭菌技术研究的重点,主要包括高压脉冲发生电路、处理腔、测量装置以及被处理液体食品储存、输送装置,其核心是一台性能优良的高压脉冲源[8]。
由于高压脉冲电源性能的优良,直接决定了高压脉冲抑菌系统的优劣性能。并且经研究表明,对处理腔施加双极性脉冲能有效避免单极性脉冲处理时的电极电化学腐蚀问题[9-10]。因而制造出满足要求的双极性高频高压脉冲电源对食品杀菌处理领域的研究进展起着至关重要的作用。
1.2 烟气脱硫处理领域随着中国经济改革的迅猛发展,全国的煤炭消费需求的逐渐加大导致了大量的SO2直接排入空气中,造成空气污染和雾霾加重。遏制城市污染的主要途径是控制SO2的排放[11]。
目前电子束法在脱硫技术中得到广泛应用,其主要原理由电子枪射出的高能电子与烟气中的中性气体分子碰撞所产生的自由基可以与其中的SO2和NOx分子反应生成三氧化硫、二氧化氮、硫酸和硝酸,烟气中有NH3存在的条件下,生成氨盐,将其进一步处理达到污染物资源化治理[12]。上世纪八十年代日本学者基于电子束法,提出了脉冲电晕法,脉冲放电等离子体烟气脱硫脱硝和电子束辐射脱硫脱硝的的基本原理相同[13]。脉冲电晕法的优点是操作便捷、系统简易、适应性和负荷跟踪性好。生成的硫氨和硝氨的混合物还可加工为化肥,具有广阔的应用市场。
脉冲电源设备的性能直接影响脱硫效果,采用双极性脉冲电源供电时不会在放电时反应器上积累电荷形成拖尾,造成后续供电脉冲所形成的空间电场增强,有利于能量的注入。经研究表明,正、负脉冲分别对SO2和NOx的脱除效果明显,并且双脉冲供电不易造成火花击穿[12]。因此设计双极性高频高压脉冲电源更能满足脱硫处理要求。
1.3 绝缘材料寿命评估领域随着固态电力电子器件的市场化,PWM技术得到广泛应用,尤其是在变频电机当中。而变频器输出所具有的上升/下降沿陡峭、幅值和频率高等特点,将导致变频电机的绝缘材料过早失效,降低变频电机的运行可靠性。我国目前已经进入高铁时代,其中变频牵引电机是高铁的核心部分,因此研究变频电机绝缘材料寿命评估是其关键一步。
研究表明变频电机运行时,绝缘发生局部放电的几率比以往的工频电机高得多,而局部放电是绝缘材料产生电老化和绝缘失效的主要原因[14-15]。变频电机绕组的对地杂散电感和寄生电容在高频电压的作用下,会使绕组匝间产生局部产生过电压,所以针对工频正弦交流电应用场合所制定的绝缘寿命评估方法和研制的试验设备已不能完全满足脉冲应力下的绝缘寿命评估的需要[16-18]。因此,对高频高压脉冲电源研究会促进变频绝缘检测系统整体水平和标准的提升。
在绝缘失效机理不发生变化的条件下,采取加速老化因子来缩短寿命评估时间,使真实应力环境与加速应力环境下的寿命具有单值映射关系时,评估绝缘寿命的效果更好。从规范化的角度考虑,变频电机的逆变器实际输出的是正负极性对称的方波脉冲,采用双极性对称方波脉冲更符合实际的绝缘失效机理;另外由于双极性对称方波脉冲的频率和幅值等参数易于控制,可实现双极性对称方波高频高压脉冲电源的规范化。
1.4 其他应用领域除了上述的应用领域之外,双极性高频高压方波脉冲电源还在基于瞬变电磁法的能源探测领域、基于介质阻挡放电(DBD)的等离子体污水处理的环保领域、生物医学检测领域、军事武器等领域取得广泛的应用。
2 关键技术问题 2.1 固态半导体开关器件在双极性高频高压脉冲电源设备中,开关器件不仅影响脉冲输出的电圧上升率和设备运行的稳定性,还决定脉冲电源的输出重复频率及电源的整体功率水平。因此关于开关器件的研究,对高频高压脉冲电源的发展起着至关重要的作用。
双极性高频高压脉冲电源的开关器件应该满足开通、关断速度快,通流能力强,运行频率高等要求。以往传统的气体开关由于存在重复频率低、使用寿命短、电极烧烛严重等缺点,不适用于高频脉冲功率装置中。由于固态半导体开关器件具有体积小、寿命长、高重频、导通压降低、可控性强等优点,而逐渐取代气体开关而被广泛使用。
目前在高频高压脉冲电源中常用的两类固态半导体开关器件是MOSFET和IGBT。但固态半导体开关的容量与其开关频率之间依然存在功率越大,器件的开关频率越低的问题。其中,MOSFET的开关速度很快而通流能力较低,而IGBT的综合性能最好但是其重复频率也不高,可以根据设备的应用场合选择开关管的类型[19-20]。
由于目前固态半导体开关的额定参数还比较低,通常需要采用电压提升技术和多个固态半导体开关管串并联等方式,实现高压脉冲输出。因此,随着固态半导体开关器件的深入研究,全固态高频高压脉冲电源的各方面性能也将有极大提升。
2.2 主电路拓扑结构双极性高频高压方波脉冲电源一般由初级能源、中间储能环节和脉冲形成网络三部分组成,其中,中间储能系统主要分为电磁储能和旋转机械储能,电磁储能又可细分为电容储能、电感储能[21]。虽然电感比电容储能密度大,但电感储能的放电波形振荡大,不易产生高频方波脉冲,故双极性高频高压脉冲方波电源的中间储能环节一般采用电容储能的形式。
双极性高频高压方波脉冲电源的主电路拓扑一般是将市电整流滤波后,在中间储能环节处理成直流高压,然后经过固态半导体开关管控制的逆变环节输出双极性的高频高压方波脉冲。为满足高电压等级的脉冲输出需求,目前常采用开关串联技术、脉冲变压器升压技术、感应电压叠加技术、全固态脉冲电压倍增技术等四种半导体开关的电压提升技术[22]。
3 技术实现方案 3.1 多电平变换器法实现双极性高频高压脉冲输出的多电平变换器法主要包括输出串联型多电平变换器和模块化多电平变换器两种。其中,模块化多电平变换器拓扑是一种刚刚兴起的实现双极性脉冲电源的方案。
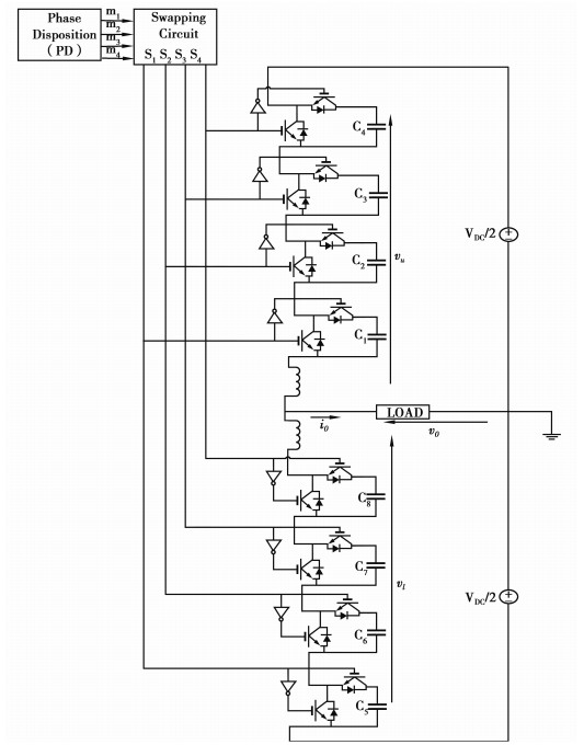
3.1.1 输出串联型多电平变换器输出串联型多电平变换器即采用逆变桥级联的模式,将若干个结构相同且经同步控制的逆变模块,通过输出端级联的形式组成的逆变器,由每一个逆变模块输出的独立脉冲叠加合成,从而获得双极性高频高压脉冲输出。输出串联型多电平逆变器的电路原理图如图 1所示。
|
图 1 输出串联型多电平变换器拓扑 Figure 1 Topology of output cascaded multilevel converter |
一般每个逆变模块主要包括高电压隔离度电源、升压电路和全桥逆变电路。通过控制升压电路和逆变电路的开关管开断可实现对输出脉冲的幅值和频率的调整。
该电路的技术难度较高,首先由于各逆变模块的输出独立、不共地,所以在每个单元模块上都存在较大的电位差,并随级数的增多,电位差的绝对值随之变大,故需需要采用多路隔离输出的直流电源和辅助电源、升压电路、驱动电路等;其次为满足多单元逆变模块的脉冲同步叠加,各逆变桥的同步信号的同步性要求高,以实现更高电压峰峰值的对称双极性方波脉冲输出;最后为减少对脉冲上升沿和下降沿的拖尾影响,要求杂散电容尽量小[23]。
该电路的优点是既实现较宽范围的调频,又降低了对开关管的耐压要求。通过改变级联的单元模块的数量以灵活达到试验所需求的电压峰峰值。
3.1.2 模块化多电平变换器(MMC)德国的Marquardt等于2001年提出的模块化多电平变换器拓扑,由于实现高度的模块化,已被公认为最具发展前景的多电平变换器方案[24-25]。
最近几年,国外的一些研究机构将该拓扑应用在大功率变频器中,以取代传统的级联H桥型电压逆变器[26-31]。通过该拓扑结构所实现的双极性高压脉冲电源,不仅可以解决传统H桥级联多电平逆变器所需要的多路隔离直流电源而用悬浮电容代替,也可以避免采用串联开关管所引起的复杂性[32]。Elserougi等日前提出一种基于无传感器电容电压平衡技术的模块化多电平变换器,通过载波层叠PWM调制技术结合子模块电容电压平衡控制算法,实现双极性脉冲输出实现双极性高压脉冲电源,其电路原理图如图 2所示[33]。
|
图 2 MMC电路拓扑 Figure 2 Topology of MMC |
该技术方案的优点是无复杂的均压电路,每个桥臂上所产生的电压纹波小,无需大容量的集中式储能元件,采用无传感器电容电压平衡技术等。但是MMC启动前需要采用直流辅助电源给各个子模块的直流侧电容充电,并且子模块电容电压存在低频脉动等问题都会降低双极性高频髙压脉冲电源的性能。
感兴趣的读者可以采用载波移相PWM、空间矢量PWM等其他多电平调制技术进行下一步探索,同时也可以展开对抑制桥臂环流谐波分量控制器的研究,以提升其快速性和鲁棒性。
3.2 高频脉冲变压器法高频脉冲变压器法是通过将脉冲逆变电路的输出脉冲通过高频变压器提升至更高水平的电压等级,实现双极性的高电压脉冲输出,其主电路一般由高频脉冲电源和高频脉冲变压器两部分组成。
高频脉冲电源一般采用IGBT和MOSFET等全固态半导体开关器件,实现输出电压幅值和频率连续可调的高频脉冲方波;由于高频变高频的输入电压是双极性的脉冲方波,导致铁心损耗比工频变压器大很多,设计应着重考虑分布参数的影响,使输出波形畸变尽量小。基于高频脉冲变压器法的脉冲发生器主回路如图 3所示。图中T1为隔离调压变压器,T2为高频脉冲变压器。
|
图 3 基于脉冲变压器法脉冲发生器主回路 Figure 3 Main circuit of pulse generator based on high frequencypulse transformer |
基本实现方式为:首先将市电经隔离调压变压器调压之后,通过整流电路整流并滤波,再经过斩波调压电路进行调压、稳压,之后由全桥逆变电路输出双极性脉冲,最后通过高频脉冲变压器升高脉冲电压,输出双极性高频高压脉冲。采用高频变绕组分段绕制和高频变多级串并联等方法,可减小由于高频变压器存在漏感和分布电容所导致的脉冲输出波形畸变[34-35]。
该技术方案的优点是电路设计较为容易,开关管的数量使用数量较少;缺点是对高频变压器的性能要求高、制造难度大,不适用于要求输出脉冲高频和宽频可调的场合。
3.3 Marx原理法基于“并联充电、串联放电”工作原理的Marx发生器,是于1923年由德国的欧文·马克斯教授提出[36]。通过储能元件串联放电所形成的脉冲高压,实现脉冲电压的输出倍增。由于传统的Marx发生器的输出脉冲为单极性脉冲,可采用如下的几种方式实现双极性高频高压脉冲输出。
3.3.1 单极性Marx发生器+全桥固态调制器方式由于传统Marx电路在采用大电阻或大电感隔离保护直流充电电源存在电源利用率低、设计难度大等问题,Redondo等提出的拓扑结构可以通过断开TC0开关,实现直流充电电源与高压脉冲输出回路的隔离[37]。通过将此种拓扑结构结合全桥固态半导体高压开关,可以实现高压方波脉冲的双极性输出,其拓扑如图 4所示[38]。图中UDC为直流电源,TC0~TCn为充电开关,Td1~Tdn为放电开关,DC1~DCn-1为级间二极管,C1~Cn为储能电容。
|
图 4 全桥固态调制器拓扑 Figure 4 Topology of full bridge solid state modulator |
当充电开关闭合,放电开关断开时,DC1~DCn-1均正向导通,直流电源对储能电容并联充电;当充电开关断开,放电开关闭合时,储能电容串联放电。当HA+和HA-闭合,HB+和HB-断开时,输出正脉冲;当HB+和HB-闭合,HA+和HA-断开时,输出负向脉冲。
由于全桥固态半导体高压开关一般采用的是串联若干个全固态半导体开关构成的高压开关组件,这就不得不考虑串联开关管的均压问题,对于开关管串联均压的技术方案将在4.1节中详细介绍。
3.3.2 半桥逆变级联方式基于半桥逆变级联的双极性脉冲电源电路结构如图 5所示,其中Ta1~Tan、Tb1~Tbn为充电开关,T21~T2n为放电开关。当所有开关都保持关断状态时,电路处于等待状态。
|
图 5 半桥逆变级联拓扑 Figure 5 Topology of half bridge cascaded inverter |
打开充电开关中Ta1~Tan、Tb1~Tbn,对储能电容充电。当其电压达到需要的值以后,断开所有充电开关,放电开关T11~T1n开通,T21~T2n保持关断,将在负载上形成负脉冲输出;放电开关T21~T2n开通,T11~T1n保持关断,将在负载上形成正脉冲输出。
各级半导体开关管的反并联二极管具有的钳位作用,在输出高压脉冲时能为开关管提供开通或关断过电压保护。
3.3.3 全桥逆变级联方式基于全桥逆变级联的双极性脉冲电源电路结构如图 6所示,其中Ta1~Tan为充电开关,T11~T1n、T21~T2n、T31~T3n、T41~T4n为放电开关。
|
图 6 全桥逆变级联拓扑 Figure 6 Topology of full bridge cascaded inverter |
打开充电开关Ta1~Tan,对储能电容进行充电,当其电压达到需要的值以后,断开充电开关。将放电开关T11~T1n、T31~T3n开通,T21~T2n、T41~T4n保持关断,将在负载上形成负脉冲输出;放电开关T21~T2n、T41~T4n开通,T11~T1n、T31~T3n保持关断,将在负载上形成正脉冲输出。
若果希望输出正、负脉冲幅值不同的双极性方波,可以通过在半桥逆变级联拓扑结构中调整每级中两个电容的分压比实现。虽然全桥逆变级联相比于半桥逆变级联多一倍数量的开关管,但由于半桥逆变级联结构中每级两个电容串联分压,使得输出脉冲的电压幅值减半,导致电源利用率不高。
基于半桥逆变级联和全桥逆变级联的电路拓扑结构,可将其改进为双极性脉冲电压叠加器。该拓扑结构的优点是采用工作在串联谐振断续模式下的串心磁环变压器对储能电容进行充电的同时,不影响其放电回路,可实现长脉冲输出。
3.3.4 CSVM方式近日,国外学者Alijani等[39]提出了一种可实现双极性高压脉冲输出的新型电路拓扑结构,两级变换器的电路拓扑结构如图 7所示。
|
图 7 CSVM拓扑 Figure 7 Topology of CSVM |
在一个两级电路拓扑结构中,打开开关管S1、S3、S8、S17、S22、S9、S5、S2,其余开关保持关断,可实现对储能电容C1的充电过程;打开开关管S1、S4、S8、S17、S22、S9、S6、S2,其余开关保持关断,可实现对储能电容C2的充电过程;当C1和C2充电达到要求的值后,可对4个反激变换器模块中的C3~C6进行充电,例如打开开关管S1、S4、S7、S12、S15、S17、S22、S20、S10、S5、S2,可对C3充电至3倍输入电压,其余通过相同的控制策略实现对C4~C6的充电,在此不再赘述。通过控制相应的开关管使C3~C6串联对负载进行放电,便可产生12倍输入电压的正负脉冲电压。
一个n级变换器中,每级包含2i-1(i=1, 2, …, n-1) 个M和N模块,最后一级由2n个FB(反激变换器)模块构成。其输出电压为±3×22n-2倍的输入电压。
该电路结构全部采用固态半导体开关器件,不采用大体积变压器;供电的直流源不需要过高的电压等级;通过灵活控制M、N模块的数量达到期望输出的脉冲电压等级。但是开关管的数量太多造成经济性差,另外对各FB模块中的电容需要逐一充电,导致其脉冲输出频率会受到一定的限制。同时,也要考虑开关管的同步驱动问题。
4 均压技术和脉冲陡化技术为实现高电压等级的脉冲输出时,将直流高压电源和负载隔离,需要提高开关管的耐压等级,其中最简单、最常用的方法是将多个固态半导体开关管串联。其技术难点在于所有开关必须同时导通、同时关断,否则当某几个开关提前开通或者延迟关断,那么总的电压会均摊到剩余处于关断状态的开关管上,当大于开关管自身的额定电压时,便会造成其过电压击穿,导致开关管的连锁击穿。
为了解决上述问题,一方面要求选用的固态半导体器件的开关特性尽量一致;另一方面要求提高驱动信号的同步性,例如设计串联光纤发送电路[40];最后要求合理设计开关电路,提升电路分布参数的一致性,例如采用一管驱动多管的控制方式等[41-42]。下面重点讨论开关串联的均压电路。
除此之外,为实现纳秒级脉冲上升沿,可以采用脉冲陡化技术,因此有必要对此项技术进行简要介绍。
4.1 栅极动态RCD均压电路基本RCD均压电路的均压原理是首先将流经固态半导体开关的电流通过二极管D向电容C充电,使开关管的能量转移到电容上;然后在开关管导通时,将电容C上储存的能量耗散在电阻R上。需要注意的是在RCD电路的参数选取时,开关管的导通时间应大于电容C的放电时间。基本RCD均压电路原理图如8所示。
由于固态半导体开关器件参数的离散性,无法保证其开通和关断的同步性,由此导致的每个开关管承受电压不均衡,可使开关管的连锁击穿。因此需要对其进行动、静态均压。在开关管开通或关闭期间的均压过程称为动态均压,在开关管关闭状态下的均压过程称为静态均压[43-44]。
为了获得更好的均压效果,现在常采用栅极动态RCD均压电路,它主要由动、静态均压电阻,动态均压电容,动态均压二极管,双向瞬态电压抑制器等组成,电路原理图如图 9所示。
|
图 8 RCD均压电路 Figure 8 Circuit of RCD |
|
图 9 栅极动态RCD电路拓扑 Figure 9 Topology of gate dynamic RCD |
栅极动态RCD均压电路解决固态半导体开关管串联时分压不均衡问题的原理是:当某个固态半导体开关管因某些原因承受过电压,在栅极动态RCD均压电路作用下,该固态半导体开关管会动态调整门极驱动电流,从而实现对其动态均压开关过程[45-47]。通过合理设计栅极动态RCD均压电路的各器件参数,并结合相对延时方法,可设计出在负载端波形良好的双极性高频高压脉冲电源。
4.2 脉冲陡化技术串联开关数量的增加,以及杂散电感、分布电容的存在,不仅导致固态半导体开关的时间分散性增加和动作一致性降低,还导致脉冲的上升沿变缓等问题。同时为满足双极性脉冲电源在各种负载条件下的测试和实验要求,其脉冲陡化技术可以通过改进电路拓扑结构和开关管驱动策略相结合的方式,如采用改进型移相控制和截尾开关结合,获得陡化度高的脉冲输出[48-49]。现在单极性脉冲电源常采用的脉冲陡化技术为磁脉冲压缩技术和SOS半导体开关技术,而针对双极性脉冲电源的脉冲陡化技术国内外学者研究较少,将成为未来的热点研究趋势。
5 总结与展望基于脉冲功率技术和现代电源技术于一体的双极性高频高压方波脉冲电源,最显著的特点就是输出高电压、大电流脉冲,具有快上升沿,同时在高频下可以稳定的工作。由于其自身独有的优势,已经广泛应用于现代工业、医疗、食品加工和环保等诸多领域。
由于目前单个固态半导体开关耐压较低,在高脉冲电压输出场合仍需要采用较多数量的开关管。这导致设备的可靠性降低,隔离技术、同步驱动技术和均压技术等的复杂化。因此为提升固态半导体开关器件耐压等级,在今后对于其材料特性方面的制造技术研究,以及对固态半导体开关的控制技术研究,将有利于实现脉冲电源设备向小型化、集成化和模块化方向发展。另外,对于提升储能元件的储能容量和性能的研究,将有利于获得更稳定的脉冲输出。
新的双极性脉冲电路拓扑结构和驱动策略的研究,以及如何更有效地利用固态半导体开关等输出高压快脉冲也将是今后研究的热点。
| [1] |
王莹. 高功率脉冲电源[M]. 北京: 原子能出版社, 1991.
WANG Ying. High power pulse power supply[M]. Beijing: Atomic Energy Press, 1991. (in Chinese) |
| [2] |
邱剑. 高重复频率快脉冲功率源的研制[D]. 武汉: 华中科技大学, 2007. QIU Jian. Research of high repetition rate fast pulse power supply[D]. Wuhan:Huazhong University of Science and Technology, 2007.(in Chinese) |
| [3] |
刘克富.
固态Marx发生器研究进展[J]. 高电压技术, 2015, 41(6): 1781–1787.
LIU Kefu. Research progress in solid-state marx generators[J]. High Voltage Engineering, 2015, 41(6): 1781–1787. (in Chinese) |
| [4] |
时兰春, 王伯初.
高压电脉冲杀菌理论的研究进展[J]. 重庆大学学报, 2002, 25(4): 144–147.
SHI Lanchun, WANG Bochu. Research progress of high voltage electrical pulse sterilization theory[J]. Journal of Chonging University, 2002, 25(4): 144–147. DOI:10.11835/j.issn.1000-582X.2002.04.039(in Chinese) |
| [5] |
延二宝, 雷争鸣, 桑小文, 等.
不同压力条件下高压脉冲电场灭菌效果研究[J]. 哈尔滨理工大学学报, 2012, 17(3): 19–22.
YAN Erbao, LEI Zhengming, SANG Xiaowen, et al. Study on sterilization effect of pulsed electric field under different pressure conditions[J]. Journal of Harbin University of Science and Technology, 2012, 17(3): 19–22. (in Chinese) |
| [6] | Jayaram S H. Sterilization of liquid foods by pulsed electricfields[J]. Electrical Insulation Magazine, 2000, 16(6): 17–23. DOI:10.1109/57.887601 |
| [7] |
王黎明, 史梓男, 关志成, 等.
脉冲电场非热杀菌效果分析[J]. 高电压技术, 2005, 2(31): 64–66.
WANG Liming, SHI Zinan, GUAN Zhicheng, et al. Study of nonthermal microorganism inactivation by pulsed electric field[J]. High Voltage Engineering, 2005, 2(31): 64–66. (in Chinese) |
| [8] |
徐淑港. 高压力环境下高压脉冲电场灭菌技术研究[D]. 哈尔滨: 哈尔滨理工大学, 2013. XU Shugang. Research on sterilization technology of high voltage pulse electric field under high pressure environ-ment[D]. Harbin:Harbin University of Science and Technology, 2013.(in Chinese) |
| [9] |
魏新劳, 李家辉, 延二宝.
脉冲电场作用下细菌细胞膜跨膜电压分析[J]. 电机与控制学报, 2010, 14(5): 85–90.
WEI Xinlao, LI Jiahui, YAN Erbao. Analysis for transmembrane voltage on bacterial membrane in pulsed electric field[J]. Electric Machines and Control, 2010, 14(5): 85–90. (in Chinese) |
| [10] |
张若兵, 陈杰, 肖健夫, 等.
高压脉冲电场设备及其在食品非热处理中的应用[J]. 高电压技术, 2011, 37(3): 777–786.
ZHANG Ruobing, CHEN Jie, XIAO Jianfu, et al. Pulsed electric fields system and its application in nonthermal food processing[J]. High Voltage Engineering, 2011, 37(3): 777–786. (in Chinese) |
| [11] | Masuda S, Wu Y, Urabe U, et al. Pulse induced plasma chemical process for De NOx and mercury vapor control of combustion gases[C]//Proceeding of. 3rd International. Conference. on Electrostatic Precitation, Abano Italy, 1987. Italy:[s.n.].1987:667-675. |
| [12] |
李春荣. 高压双窄脉冲电源的设计与研究[D]. 大连: 大连理工大学, 2004. LI Chunrong. Design and research of high voltage dual-pulse power supply[D]. Dalian:Dalian University of Technology, 2004.(in Chinese) |
| [13] | Van veldhuizen E M, Creyghton Y, Rutgers W R. High resolution schlieren study of pulsed corona[C]//Proceeding of 4th International Conference on Electrostatic Precipitation. Beijing:Int Academic Publisher, 1990:663-672. |
| [14] | Fabiani D, Montanari G C, Contin A. Aging acceleration of insulating materials for electrical machine windings supplied by PWM in the presence and in the absence of partial discharges[C]//IEEE International Conference on Solid Dielec-trics. Eindhoven:IEEE, 2001:283-286. |
| [15] | Zhou K, Wu G N, Deng T, et al. Aging time effect space charge behavior in magnet wire under high PWM voltages[C]//Canada:IEEE International Symposium on Electrical Insulation.[S.l.]:IEEE, 2006:159-162. |
| [16] |
温凤香, 吴广宁, 佟来生, 等.
高速机车牵引电机定子绕组匝间电压分布特性的仿真研究[J]. 电工技术学报, 2005, 20(3): 30–35.
WEN Fengxiang, WU Guangning, TONG Laisheng, et al. Simulation study on winding inter-turn voltage distribution characteristic of traction motor of high speed train[J]. Transactions of China Electrotechnical Society, 2005, 20(3): 30–35. (in Chinese) |
| [17] |
佟来生, 吴广宁, 林同光, 等.
变频牵引电机定子绕组内部电压分布特性的研究[J]. 中国电机工程学报, 2006, 26(12): 134–138.
TONG Laisheng, WU Guangning, LIN Tongguang, et al. Study on voltage distribution in windings of inverter-fed traction motor[J]. Proceedings of the CSEE, 2006, 26(12): 134–138. DOI:10.3321/j.issn:0258-8013.2006.12.024(in Chinese) |
| [18] |
蒋存波, 曾莎, 闫军部, 等.
一种绝缘寿命测试用高压方波脉冲电源的研制[J]. 电测与仪表, 2012, 49(561): 91–96.
JIANG Cunbo, ZENG Sha, YAN Junbu, et al. A design of a high pressure square wave pulse power with insulation life test[J]. Electrical Measurement & Instrumentation, 2012, 49(561): 91–96. (in Chinese) |
| [19] | Chu E Y. Design considerations of magnetic switching modulator[C]//Proceeding of 4th IEEE International Pulsed Power Conference, Albuquerque, New Mexico, USA.[S.l.]:IEEE, 1983:242-245. |
| [20] | Bose B K. Evaluation of modern power semiconductor devices and future trends of converters[C]//Industry Applications Society Annual Meeting.[S.l.]:IEEE, 1989:790-797. |
| [21] |
马山刚, 于歆杰, 李臻.
用于电磁发射的电感储能型脉冲电源的研究现状综述[J]. 电工技术学报, 2015, 30(24): 222–228.
MA Shangang, YU Xinjie, LI Zhen. A review of the current research situation of inductive pulsed-power supplies for electromagnetic launch[J]. Transactions of China Electrotechnical Society, 2015, 30(24): 222–228. DOI:10.3969/j.issn.1000-6753.2015.24.028(in Chinese) |
| [22] |
饶俊峰. 基于固态开关的重复频率脉冲功率源的脉冲调制技术及其应用[D]. 上海: 复旦大学, 2013. RAO Junfeng. Pulse modulation technology of repetitive frequency pulse power source based on solid-state switches and its application[D].Shanghai:Fudan University, 2013.(in Chinese) |
| [23] |
张声岚, 黎志军, 曾志斌, 等.
绝缘材料寿命评估用方波脉冲电源问题的探讨[J]. 绝缘材料, 2013, 46(1): 78–82.
ZHANG Shenglan, LI Zhijun, ZENG Zhibin, et al. Problem discussion of square wave pulse power for assessing the life of insulating materials[J]. Insulating Materials, 2013, 46(1): 78–82. (in Chinese) |
| [24] | Lesnicar A, Marquardt R. An innovative modular multilevel converter topology suitable for a wide power range[C]//Power Technology Conference Proceedings, 2003 IEEE Bologna, 23-26, 2003, Bologna, Italy.[S.l.]:IEEE, 2004. |
| [25] |
公铮, 伍小杰, 王钊, 等.
基于载波移相调制的模块化多电平变换器变频运行控制[J]. 中国电机工程学报, 2015, 35(11): 2822–2830.
GONG Zheng, WU Xiaojie, WANG Zhao, et al. Variable frequency operation control of modular multilevel converter based on carrier phase-shift modulation[J]. Proceedings of the CSEE, 2015, 35(11): 2822–2830. (in Chinese) |
| [26] | Hagiwara M, Nishimura K, Akagi H. A medium-voltage motor drive with a modular multilevel PWM inverter[J]. IEEE Transactions on Power Electron, 2010, 25(7): 1786–1799. DOI:10.1109/TPEL.2010.2042303 |
| [27] | Hagiwara M, Akagi H, Hasegawa I. Start-up and low-speed operation of an electric motor driven by a modular multilevel cascade inverter[J]. IEEE Transactions on Industry Applications, 2013, 49(4): 1556–1565. DOI:10.1109/TIA.2013.2256331 |
| [28] | Allebrad S, Hamerski R, Marquardt R. New transformerless, scalable modular multilevel converters for HVDC-transmission[C]//Power Electronics Specialists Conference 2008, June 15-19, 2008, Rhodes, Greece.[S.l.]:IEEE, 2008:174-179. |
| [29] | Rocha L L, Silva J F, Redondo L M. Seven-level unipolar/bipolar pulsed power henerator[J]. IEEE Transactions on Plasma Science, 2016, 44: 1–5. DOI:10.1109/TPS.2016.2626427 |
| [30] | Antonopoulos A, Angquist L, Norrga S, et al. Modular multilevel converter AC motor drives with constant torque from zero to nominal speed[J]. IEEE Transactions on Industry Applications, 2013, 50(3): 1982–1993. |
| [31] | Wang K, Li Y, Zheng Z, et al. Voltage balancing and fluctuation method of floating capacitors in a new modular multilevel converter[J]. IEEE Transactions on Power Electron, 2013, 60(5): 1943–1954. |
| [32] | Yiqiao L, Nwankpa C O. A new type of STATCOM based on cascading voltage source inverters with phase-shifted unipolar SPWM[J]. IEEE Transactions on Industry Applications, 1999, 35(5): 1118–1123. DOI:10.1109/28.793373 |
| [33] | Elserougi A A, Massoud A M, Ahmed S. Modular multilevel converter-based bipolar high-voltage pulse generator with sensorless capacitor voltage balancing technique[J]. IEEE Transactions on Plasma Science, 2016, 44(7): 1187–1194. DOI:10.1109/TPS.2016.2575861 |
| [34] |
佟来生, 吴广宁, 林同光, 等.
一种用于脉冲绝缘老化试验的高压脉冲电源[J]. 高电压技术, 2005, 31(10): 1–2.
TONG Laisheng, WU Guangning, LIN Tongguang, et al. High voltage pulsed power source for insulation aging test on continuous pulse condition[J]. High Voltage Engineering, 2005, 31(10): 1–2. DOI:10.3969/j.issn.1003-6520.2005.10.001(in Chinese) |
| [35] |
冯国强. 双极性高频高压方波源设计[D]. 济南: 山东大学, 2015. FENG Guoqiang. Design of square waves about bipolar high frequency and high voltage[D]. Jinan:Shandong University, 2015.(in Chinese) |
| [36] | Marx E. Method for breakdown tests of isolators and other electric devices:Germany, 455933[P].1923. |
| [37] | Redondo L M, Canacsinh H, Silva J F. Generalized solid-state Marx modulator topology[J]. IEEE Transactions on Dielectr Electr Insul, 2009, 16(4): 1037–1042. DOI:10.1109/TDEI.2009.5211851 |
| [38] |
熊兰, 杨子康, 胡国辉, 等.
一种采用全固态开关的高压双极性脉冲源[J]. 电机与控制学报, 2015, 19(9): 73–80.
XIONG Lan, YANG Zikang, HU Guohui, et al. One type of high voltage bipolar square pulse based on all-solid-state switch devices[J]. Electric Machines and Control, 2015, 19(9): 73–80. (in Chinese) |
| [39] | Alijani A, Adabi J, Rezanejad M. A bipolar high-voltage pulsed-power supply based on capacitor-switch voltage multip-lier[J]. IEEE Transactions on Plasma Science, 2016, 44(11): 2880–2885. DOI:10.1109/TPS.2016.2611562 |
| [40] |
蒋臣. 基于MOSFETs串联的研究[D]. 武汉: 华中科技大学, 2008. JIANG Chen. Research based on MOSFETs of in Series[D].Wuhan:Huazhong University of Science and Technology, 2008.(in Chinese) |
| [41] | Hess H L, Baker R J. Transformerless capacitive coupling of gate signals for series operation of power MOS devi-ces[J]. IEEE Transactions on Power Electronics, 2000, 15(5): 923–930. DOI:10.1109/63.867682 |
| [42] | Kim J H, Min B D, Shenderey S V, et al. High voltage pulsed power supply using IGBT stacks[J]. IEEE Transactions on Dielectrics & Electrical Insulation, 2007, 14(4): 921–926. |
| [43] | Ohkami T, Souda M, Saito T, et al. Development of a 40 kV series-connected IGBT switch[C]//Power Conversion Conference, April 2-5, 2007, Nagoya, Japan.[S.l.]:IEEE, 2007:1175-1180. |
| [44] |
金其龙, 孙鹞鸿, 严萍, 等.
IGBT串联技术动态均压电路的研究[J]. 高电压技术, 2009, 35(1): 176–179.
JIN Qilong, SUN Yaohong, YAN Ping, et al. Application of the dynamic sharing-voltage circuit in IGBT series technology[J]. High Voltage Engineering, 2009, 35(1): 176–179. (in Chinese) |
| [45] | Sheng K, Williams B W, Finney S J. A review of IGBT models[J]. IEEE Transactions on Power Electronics, 2000, 15(6): 1250–1266. DOI:10.1109/63.892840 |
| [46] | Raciti A, Belverde C, Galluzzo A, et al. Control of the switching transients of IGBT series strings by high-Performance drive units[J]. IEEE Transactions on Industrial Electronics, 2001, 48(3): 482–490. DOI:10.1109/41.925575 |
| [47] |
宁大龙, 同向前, 李侠, 等.
IGBT串联器件门极RCD有源均压电路[J]. 电工技术学报, 2013, 28(2): 192–198.
NING Dalong, TONG Xiangqian, LI Xia, et al. Design of RCD active gate control circuit for series connected IG-BTs[J]. Transactions of China Electrotechnical Society, 2013, 28(2): 192–198. (in Chinese) |
| [48] | Redono L M, Silva J F, Tavares P, et al. All silicon marx-bank topology for high-voltage, high-frequency rectangular pulses[C]//Power Electronics Specialists Conference, 2005. Pesc'05. IEEE.[S.l.]:IEEE, 2005:1170-1174. |
| [49] |
李柳霞. 容性负载下全固态脉冲功率源特性的研究[D]. 上海: 复旦大学, 2013. LI Liuxia. Characteristics of the all-solid-state pulsed power modulator in the condition of being connected to capacitive loads[D].Shanghai:Fudan University, 2013.(in Chinese) |
2017, Vol. 40

