2. 重庆大学 机械工程学院, 重庆 400044
2. College of Mechanical Engineering, Chongqing University, Chongqing 400044, P. R. China
随着社会的发展,现代建筑便容易被各种灾害事故所侵袭困扰,火灾事故中尤其严重的问题是火灾建筑中的人员疏散。大型高层建筑火灾发生时,火焰燃烧易产生“烟囱效应”,这将加快火灾的蔓延。其次,建筑内部功能区间复杂化,并且对外开放空间少,一旦发生火灾,电梯将停止运行,人们若不熟悉建筑结构或者看不到疏散指示标志,将会严重影响救援疏散[1]。大型场所中的火灾报警、智能安全疏散,以及动态指引的智能消防疏散系统的设计,已成为国内外公共安全领域研究的焦点[2-3]。如何根据室内火灾环境的实时变化,动态优化应急疏散路径和智能提供疏散引导方式,是保证室内火灾应急救援决策可靠性和时效性的关键。
随着信息系统技术的成熟,国内外火灾应急疏散研究在应急疏散路径获取和指引人群疏散等方面,已取得了相应的进展[4]。Dijkstra算法[6]、Floyd算法[7]、动态规划算法[8]、A*算法[9]等几何路径搜索算法的日益完善,为建筑应急疏散路径提供了基础计算支撑。现在应急疏散方法主要基于建筑物静态消防图和几何路径上提出的[10]。在疏散形式上,安徽理工大学提出的火灾人员疏散与应急救援系统是尝试以激光作为新型的指示标志[11];现代都市中的大型商场场所采用的紧急逃生疏散指示标志主要是夜光消防地贴和安全出口指示灯;新型疏散及应急照明灯也逐渐应用在建筑物消防领域[12]。可见,目前普遍采用的疏散指示系统均为单向指示,主要遵循就近原则,但当安全出口附近或疏散线路上发生火灾时,这类单向疏散指示系统难以智能动态疏散,有可能造成严重的人员伤亡[5, 13]。
笔者设计并开发了基于蚁群算法的激光智能消防疏散系统,该系统在火灾发生时,传感器动态采集火场信息,用显示器显示火灾发生地点,处理器计算出最优疏散路径,最终以激光接力的形式投影在地面,动态实时地指导人员安全高效疏散。最后,案例验证了该系统的可行性和优越性,可为智能消防疏散提供一种新的思路。
1 系统工作原理基于蚁群算法的激光智能消防疏散系统主要基于STC89C52微处理器处理和蚁群算法,根据温度传感器和烟雾传感器等采集模块,通过NRF24L01无线通信模块进行收、发信息,并用终端激光发射装置指引疏散人群。该系统包括信息采集模块、中央处理模块和疏散引导模块。系统工作原理如图 1所示。
|
图 1 系统工作原理图 Fig. 1 The working principle of the system |
信息采集模块在火灾发生时,第一时间通过双火灾传感器组对火灾的情形进行探测。采集控制器将温度传感器和烟雾传感器探测后的信息进行储存和处理,同时经过NRF24L01无线单元进行信息发送,即采用NRF24L01无线通信协议将接收的数据发送到处理器,实现火场的智能监测。中央处理模块在接收到全部采集控制器的信息后,通过内部蚁群算法程序的处理,动态计算疏散路线,并触发报警器和在液晶显示器上显示出火灾发生的位置,用来通知建筑物中的监管人员和人群,实现火灾信息的存储、处理、显示、通知等功能。疏散引导模块收到处理器指令后,疏散控制器控制打开激光发射器,并根据指令调节发射器灯片旋转角度,从而以激光接力的形式生成最优逃生路径,指导人群进行正确、高效的疏散。
2 基于激光引导的硬件设计 2.1 信息采集模块火灾监控现场的温度值和烟雾浓度值常被作为判断火情的重要依据。信息采集模块利用多组传感器对火情进行监控, 实时采集温度和烟雾浓度的数值,再由采集控制器对探测数值进行保存、处理及发送。针对烟雾浓度值的采集,采用电路图如图 2(a)所示MQ-2型号的烟雾传感器。该传感器能够灵敏的探测到易燃气体及有毒气体,而且还能够克服非有害气体的干扰,常用来进行火灾探测。对温度值的采集,该系统采用的温度传感器为DS18B20,电路图如图 2(b)所示。DS18B20具有使用方便和不需要外围电路即可直接使用的特点,同时DS18B20测量温度范围大,测量精度也很高。因此选用MQ-2和DS18B20作为探测器符合该系统的要求[14]。
|
图 2 MQ-2和DS18B20的电路图 Fig. 2 Circuit diagram of MQ-2 and DS18B20 |
中央处理模块由处理器、液晶显示器、报警器和无线单元组成。当有火灾时此模块中处理器通过无线单元进行火灾信息接收和疏散指令发送,触发报警器报警,并通过液晶显示器显示火灾发生地点,以及根据蚁群算法生成最优的逃生路线后将疏散路径指令发送给疏散模块,模块实物图如图 3所示。液晶显示器采用LCD2004A,一旦发生火灾,显示火灾发生的地点、火情的大小及安全的区域,能及时通知和警告工作人员进行灭火抢救。
|
图 3 模块实物图 Fig. 3 Module physical diagram |
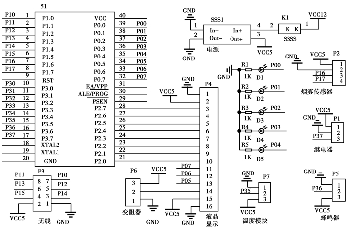
3个模块的控制器均采用STC89C52芯片,该芯片拥有丰富的外部接口,能够满足智能消防领域的需求,其中芯片和其他各个单元的电路图如图 4所示。
|
图 4 各个单元的电路图 Fig. 4 Circuit diagrams of each unit |
报警单元用于提醒、警告和指导疏散火灾现场被困人员及工作人员。该系统报警单元采用电磁式有源蜂鸣器[15],直接由处理器控制触发。如图 5所示,从报警单元电路图可看出,报警电路包含以下几个部分:三极管、蜂鸣器、限流电阻。疏散控制器通过三极管Q1来驱动蜂鸣器,从而实现特定功能。
|
图 5 报警单元电路图 Fig. 5 Circuit diagram of alarm unit |
采集控制器将信息传递给处理器和处理器发送指令给疏散控制器均采用NRF24L01无线单元,NRF24L01是一款单片机射频收发器件,使模块与模块之间实现无线信息传输。在采集信息传输时,将信息采集模块中NRF24L01无线单元设为主机,中央处理模块中的无线单元设为从机,主机给从机发送火场信息。在疏散信息传输时,将中央处理模块中的无线单元设为主机,疏散引导模块中的无线单元为从机,主机给从机发送疏散指令。每次传输时将需要传输信息的主机和从机设置成相同的发射接收数据宽度,发射接收地址,发射接收频道和发射接收速率。
2.3 疏散引导模块疏散引导模块是由终端激光发射装置单元组成,其结构如图 6所示。终端激光发射装置单元由无线单元、控制单元、电源单元、激光发射器、步进电机以及继电器组成。该装置单元的疏散控制器根据无线单元发来的指令,通过控制继电器实现激光的开闭,并控制步进电机实现灯片的旋转,从而实现指引激光箭头方向的改变。
|
图 6 激光发射装置单元的结构图 Fig. 6 Structure of laser transmitter unit |
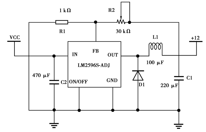
终端激光发射装置单元的疏散控制器采用STC89C52芯片,主要用于处理无线单元传递来的信息,根据信息的类型控制激光灯的开关,控制灯片的旋转角度。由于电源单元为12 V直流电源,不能直接为采集控制器、处理器和疏散控制器供电,需要连接一个LM2596S降压单元,使电源降压到5 V,其降压单元电路图如图 7所示。
|
图 7 LM2596S降压单元电路图 Fig. 7 Circuit diagram of LM2596S step-down unit |
该系统采用激光指引而非使用传统的荧光指引或LED灯指引,是因为激光具有光束集中、射程远、穿透烟雾能力强和扛干扰能力强等优点,并且激光发射器可动态调整导光束的数量、方向[16]。更重要的是采用人类眼睛较为敏感的532 nm波长的激光光束,该激光光束能够穿透烟雾,并在烟雾中形成丁达尔效应。其中激光发射器的镜片为镂空箭头状,灯光照射在地面上就会形成箭头状,具有强烈的指引方向感,指引箭头如图 8(a)所示。同时,旋转镜头可以适应不同高度的建筑物,具有较好的适应性。激光发射器采用立体式散热器,效果好,同时又能够阻止外部火源烧毁激光发射器,实物如图 8(b)所示。
|
图 8 激光指引箭头和发射器实物 Fig. 8 Laser guide arrow and transmitter |
基于激光引导的硬件设备必须依赖软件设计才能实现该系统功能,系统软件流程图如图 9所示。该系统时时监测建筑内的情形,通过内部程序设置的阀值与传感器检测到的数据进行比较,如果出现异常,利用蚁群算法特性(a代表已迭代的次数),满足迭代次数终止条件后计算出建筑物内部每个点到安全出口的最短路径,同时触发报警器报警和显示器显示火灾发生地点,并在人员疏散时,根据命令对每个地方的激光灯进行调节灯片的转动,在地面上形成光回路,引导火场人群进行安全撤离。
|
图 9 系统软件流程图 Fig. 9 Flow chart of system software |
考虑到蚂蚁之间的信息交流方式与发生火灾时建筑物中人员疏散的行为具有一定的相似性,因此人员疏散路径寻优采用蚁群算法实现[17]。由于蚁群是通过信息素的交流进行活动的,这种方式能够很好地实现蚂蚁之间的信息交流。蚁群算法的数学模型如下所示
| $ P_{ij}^k\left( t \right) = \left\{ {\begin{array}{*{20}{c}} {\frac{{{{[{\tau _{ij}}\left( t \right)]}^\alpha }\cdot{{[{\eta _{ij}}\left( t \right)]}^\beta }}}{{\sum\limits_{S \subset {\rm{allowe}}{{\rm{d}}_k}} {{{[{\tau _{ij}}\left( t \right)]}^\alpha }\cdot{{[{\eta _{ij}}\left( t \right)]}^\beta }} }}, }&{若j \in {\rm{allowe}}{{\rm{d}}_k};}\\ {0, }&{若j \notin {\rm{allowe}}{{\rm{d}}_k}, } \end{array}} \right. $ | (1) |
其中,Pijk(t)蚂蚁k(k=1, 2, 3, …)在t时刻由地点i移动到地点j的移动概率;α—信息启发式因子,反映信息素相对重要性;β—期望启发式因子,反映蚂蚁在运动中启发信息素在蚂蚁选择路径中受重视程度[6]。τij(t)表示t时刻地点i到地点j路径上信息素的浓度。ηij(t)为蚂蚁k从地点i到地点j的期望程度的启发函数,i,j地点之间距离越大,ηij(t)越小,即Pijk(t)也越小。allowedk蚂蚁k下一步允许选择的地点集合。
根据公式1进行计算,若路径上的信息素积累过多,即τij(t)的值会过大,即而影响启发信息ηij(t)对蚂蚁路径选择的影响。为了避免该情况的发生,在蚂蚁完成每次迭代后对路径上留下的信息素浓度进行更新。经过n时刻,路径Eij上的信息素调整公式如下
| $\begin{array}{l} {\tau _{ij}}\left( {t + n} \right) = \left( {1\rho } \right)\cdot{\tau _{ij}}\left( t \right) + \Delta {\tau _{ij}}\left( t \right), \\ \;\;\;\;\;\;\;\;\Delta {\tau _{ij}}\left( t \right) = \sum\limits_{k = 1}^m {\Delta \tau _{ij}^k\left( t \right), } \end{array} $ | (2) |
式中,引入信息素挥发系数ρ∈(0,1),目的是控制路径上的信息素无限增加,则(1-ρ)表示路径上信息素的残留系数;ηij(t)表示一次循环后路径Eij上的信息素增量。
4 案例分析以高校某教学楼为例,该教学办公楼总共4层,其建筑物整体简易图如图 10(a)。将大楼的第4层做成一个平面模拟图,在该模拟图有A、B、C、D标示的4个逃生门,有1~20个数字位置标示的区域在正常情况下,激光引导箭头在正常情况下的点亮方向代表正常的疏散路径,如图 11(b)所示。当发生火灾时,根据探测器探测到火灾的地点,激光箭头再通过程序指令进行正确的点亮,引导该楼层的人员进行疏散。
|
图 10 建筑物整体和第四层的平面图 Fig. 10 Simple plan of the whole buiding and the 4th floor |
|
图 11 4楼疏散指示图和楼层疏散图 Fig. 11 4th floor evacuation instruction drawing and floor evacuation drawing |
假设地点9处发生火灾,地点9与地点10引导方向发生改变,通过蚁群算法进行火灾人员动态疏散路径寻优, 其中节点数共31个, 蚂蚁数100个, 100次迭代得到的最优路径,参数信息如表 1所示。
| 表 1 参数信息表 Table 1 Parametric information table |
m蚂蚁个数,α表征信息素重要程度的参数,β表征启发式因子重要程度的参数, ρ信息素蒸发系数,a最大迭代次数,Q信息素增加强度系数。根据蚁群算法程序的计算,动态控制箭头点亮的方向,该4楼平面的疏散指示如图 11(a)所示。比如位置11中人群最优路径。即疏散路线可描述为位置11中人群向位置12方向移动,再往位置18和位置17移动,最后到了位置B最为安全的4楼安全出口。再根据如图 11(b)的楼层疏散图,通过3-B位置和2-B位置的楼梯直至疏散到1楼,实现人员在整个楼层的完整疏散。
为了验证蚁群算法的优越性,选用遗传算法,对同样的火灾情境进行了模拟计算,分析对比了采用蚁群算法与遗传算法之间的计算结果。建筑物设定如下:每个位置相距距离为10 m。模拟试验基于Matlab平台,得到如图 12(a)蚁群算法路径图和图 12(b)遗传算法路径图。图片结果表明在火灾发生时,按采用的蚁群算法进行疏散路径动态规划所需要的总疏散路径长度优于遗传算法。
|
图 12 蚁群算法和遗传算法的路径图 Fig. 12 Path graph of ant colony algorithm and genetic algorithm |
笔者针对传统消防疏散指示标识在火灾发生时不易识别且疏散系统没有较好动态规划最短疏散路径,从而难以保证人员紧急疏散的效率,提出基于蚁群算法的路径规划,并通过激光回路的疏散方式,指引人群紧急动态疏散。以某教学楼为实际场景开展了模拟试验。试验表明,设计的基于蚁群算法的激光智能消防疏散硬件及软件系统,当发生火灾时,能快速疏散被困人群,提高应急疏散的安全性。
| [1] |
Tan L, Mingyuan H, Hui L. Agent-based simulation of building evacuation:Combining human behavior with predictable spatial accessibility in a fire emergency[J]. Information Sciences, 2015, 295: 53-66. DOI:10.1016/j.ins.2014.09.029 |
| [2] |
丁雨淋, 何小波, 朱庆, 等. 实时威胁态势感知的室内火灾疏散路径动态优化方法[J]. 测绘学报, 2016, 45(12): 1464-1475. DING Yulin, HE Xiaobo, ZHU Qing, et al. A dynamic optimization method of indoor fire evacuation route based on realtime situation awareness[J]. Acta Geodaetica et Cartographica Sinica, 2016, 45(12): 1464-1475. (in Chinese) DOI:10.11947/j.AGCS.2016.20160053 |
| [3] |
Margrethe K, Helsloot I, De Vroes B, et al. Building safety and human behaviour in fire:A literature review[J]. Fire Safety Journal, 2010, 45(1): 1-11. DOI:10.1016/j.firesaf.2009.08.005 |
| [4] |
Pelechano N, Malkawi A. Evacuation simulation models:Challenges in modeling high rise building evacuation with cellular automata approaches[J]. Automation in Construction, 2008, 17(4): 377-385. DOI:10.1016/j.autcon.2007.06.005 |
| [5] |
Umit A, Yasin O, Kasim O, et al. SmartEscape:A mobile smart individual fire evacuation system based on 3D spatial model[J]. Isprs International Journal of Geo Information, 2018, 7(6): 223. DOI:10.3390/ijgi7060223 |
| [6] |
韩李涛, 郭欢, 张海思. 一种多出口室内应急疏散路径规划算法[J]. 测绘科学, 2018(12): 105-110. HAN Litao, GUO Huan, ZHANG Haisi. An algorithm for route planning applied in multi-exit indoor emergency evacuation[J]. Science of Surveying and Mapping, 2018(12): 105-110. (in Chinese) |
| [7] |
Qiang C, Bingwei S, Zhifeng L, et al. Geometric error compensation method based on Floyd algorithm and product of exponential screw theory[J]. Proceedings of the Institution of Mechanical Engineers, Part B:Journal of Engineering Manufacture, 2018, 232(7): 1156-1171. DOI:10.1177/0954405416663537 |
| [8] |
Mohammad R, Ahmed G. A branch-and-price algorithm for a vehicle routing with demand allocation problem[J]. European Journal of Operational Research, 2019, 272(2): 523-538. DOI:10.1016/j.ejor.2018.06.049 |
| [9] |
胡治国, 贾珍, 康全玉, 等. 智能疏散系统疏散路径优化研究[J]. 软件导刊, 2015, 14(10): 100-102. HU Zhiguo, JIA Zhen, KANG Quanyu, et al. Research on evacuation path optimization of intelligent evacuation system[J]. Software Guide, 2015, 14(10): 100-102. (in Chinese) |
| [10] |
Haifeng Z, Winter S. A time-aware routing map for indoor evacuation[J]. Sensors, 2016, 16(1): 112. DOI:10.3390/s16010112 |
| [11] |
崔健, 张子民, 于明洋. 基于GIS的大型建筑应急疏散救援系统研究[J]. 工程勘察, 2011, 39(5): 57-60. CUI Jian, ZHANG Ziming, YU Mingyang. Research on an emergency system for evacuating from large buildings based on GIS[J]. Geotechnical Investigation & Surveying, 2011, 39(5): 57-60. (in Chinese) |
| [12] |
卢贤胜. 新型疏散及应急照明灯在地下建筑中的运用探析[J]. 消防界(电子版), 2018, 4(18): 38-39. LU Xiansheng. Application of new evacuation and emergency lighting in underground buildings[J]. Fire Industry (electronic version), 2018, 4(18): 38-39. (in Chinese) |
| [13] |
朱宇倩.基于Dijkstra算法的火灾智能疏散指示系统[C]//第30届全国高校安全科学与工程学术年会暨第12届全国安全工程领域专业学位研究生教育研讨会论文集.合肥: 中国科学技术大学火灾科学国家重点实验室, 2018: 202. ZHU Yuqian. An intelligent fire evacuation indicator system based on dijkstra algorithm[C]//Proceeding of the 30th National Academic Conference on Safety Science and Engineering in Universities and the 12th National Graduate Education Seminar on Professional Degrees in Safety Engineering. Hefei: State Key Laboratory of Fire Science, University of Science and Technology of China, 2018: 202. |
| [14] |
张传彬.基于多传感器数据融合的舰船火灾预警技术[D].哈尔滨: 哈尔滨工程大学, 2017. ZHANG Chuanbin. Ship fire alarm based on mult-sensor data fusion[D]. Harbin: Harbin Engineering University, 2017. (in Chinese) |
| [15] |
刘臻, 朱飞勇. 基于激光引导的应急疏散系统设计与实现[J]. 四川激光, 2015, 36(12): 88-91. LIU Zhen, ZHU Feiyong. Design and implementation of emergency evacuation system based on laser guidance[J]. Laser Journal, 2015, 36(12): 88-91. (in Chinese) |
| [16] |
Zagoranskiy I, Lorenz P, Ehrhardt M, et al. Guided self-organization of nanodroplets induced by nanosecond IR laser radiation of molybdenum films on sapphire[J]. Optics and Lasers in Engineering, 2019, 113: 55-61. DOI:10.1016/j.optlaseng.2018.10.005 |
| [17] |
Luan J, Yao Z, Zhao F, et al. A novel method to solve supplier selection problem:Hybrid algorithm of genetic algorithm and ant colony optimization[J]. Mathematics and Computers in Simulation, 2019, 156: 294-309. DOI:10.1016/j.matcom.2018.08.011 |
2020, Vol. 43


